Støtterør til HVI-powerleder / HVI-powerlangleder

Støtterør med indvendig endeafslutning og PA-fjederelement.

Med indfangerspids

Støtterør med indvendig endeafslutning og potentialudligningsfjederelement.
Indfangerspids af Al/NIRO, Ø10 mm, længde 1000 mm.

4 Products

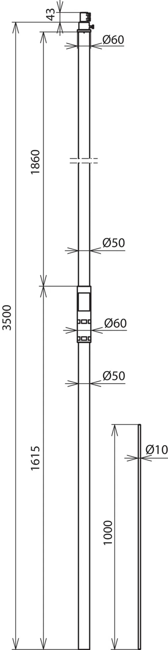
Part No. 105563 SR D50 3500 FSP1000 IA HVIP GFK AL

GTIN 4013364271937, Customs tariff No. (EU): 85389099, Gross weight: 5.70 kg, PU: 1.00 Pakkestørrelse


Images

Additional information

Støtterør til HVI power-leder med indfangerspids, længde 3500 mm GFK/Al
Støtterør GFK/Al med indvendig endeafslutning og
Potentialudlignings-fjederelement til HVI power-lederen
til overholdelse af separationsafstanden til elektrisk
ledende dele iht. DIN EN 62305 (VDE 0185-305-3).
Støtterørene er dimensionerede iht.
Eurocode 1 (DIN EN 1991-1-4 + DIN EN 1991-1-4/NA).
Isoleringsområde af glasfiberforstærket plast/GFK,
Materialefaktor km = 0,7
Farve: lysegrå, UV-stabiliseret, i ét stykke
kombineret med indfangerspids Ø10 mm, længde 1000 mm af Al
Materiale (støtterør): GFK / Al
Længde (støtterør): 3500 mm
Ydre diameter Ø: 50 mm
Max. frilængde med indfangerspids (vægmontage): 3500 mm
Maks. vindstyrke: (maks. frilængde 3500 mm, 1x HVI power indvendigt) 201 km/t
Maks. vindstyrke: (maks. frilængde 3500 mm, 1x HVI power udvendigt) 190 km/t
Standarder: DIN IEC/TS 62561-8 (VDE V 0185-561-8)

fabrikat: DEHN
Type: SR D50 3500 FSP1000 IA HVIP GFK AL
artikelnr.: 105563
eller tilsvarende

Certificates

 

Technical data

Materiale (støtterør) GFK / Al
Længde (støtterør) 3500 mm
Ydre diameter Ø 50 mm
Transportlængde 3500 mm
Isoleringslængde 1800 mm
Egnet til lederføring udenpå rør Ja
Max. frilængde med indfangerspids (vægmontage) 3500 mm
Standarder DIN IEC/TS 62561-8 (VDE V 0185-561-8)

Product 105563 was added to Notepad.

Product 105563 was added to the cart.

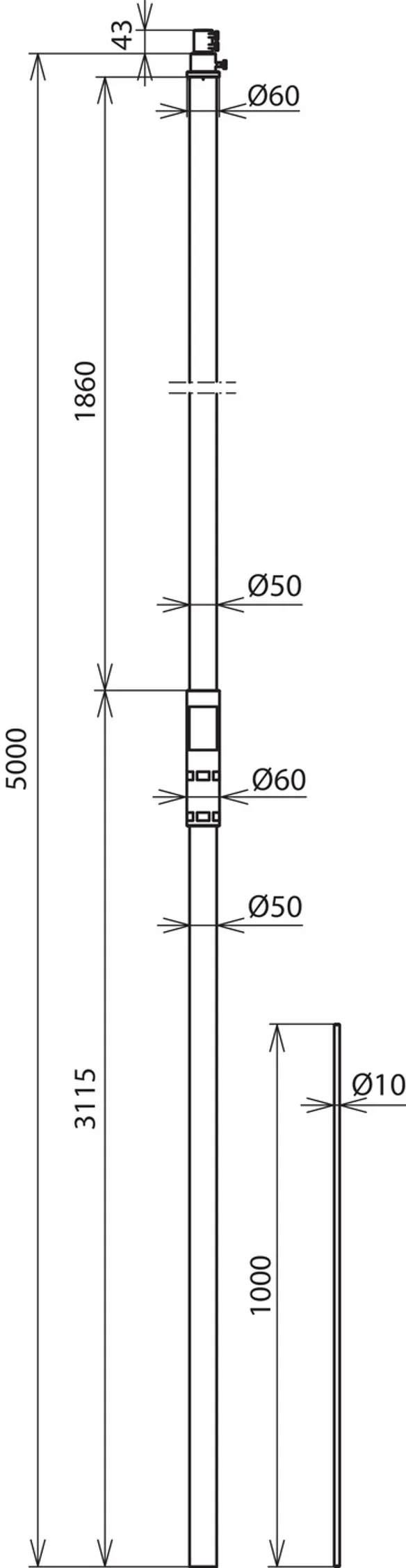
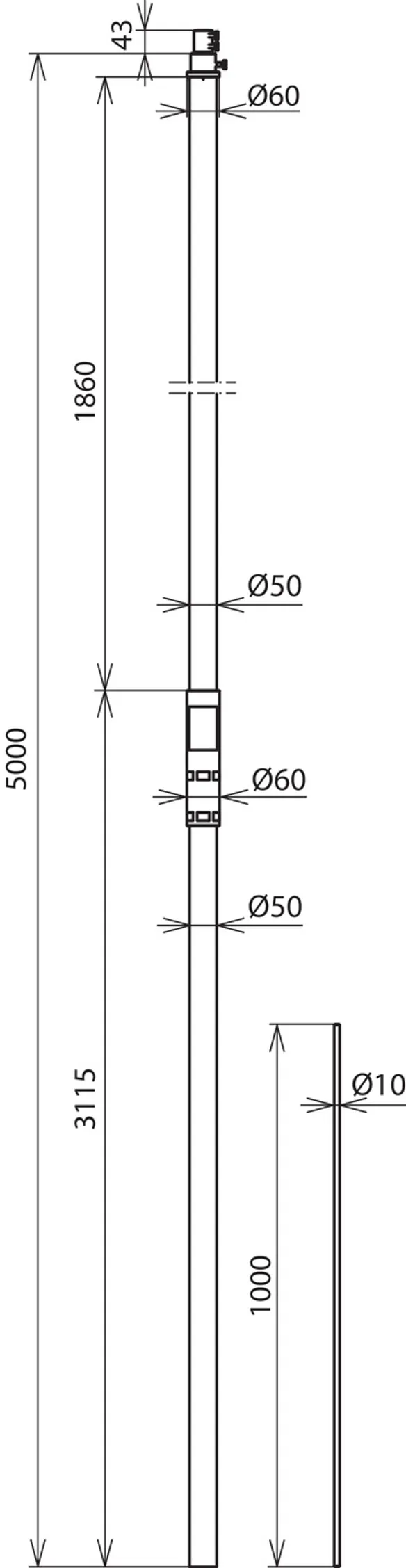
Part No. 105565 SR D50 5000 FSP1000 IA HVIP GFK AL

GTIN 4013364271944, Customs tariff No. (EU): 85389099, Gross weight: 8.10 kg, PU: 1.00 Pakkestørrelse


Images

Additional information

Støtterør til HVI power-leder med indfangerspids, længde 5000 mm GFK/Al
Støtterør GFK/Al med indvendig endeafslutning og
Potentialudlignings-fjederelement til HVI power-lederen
til overholdelse af separationsafstanden til elektrisk
ledende dele iht. DIN EN 62305 (VDE 0185-305-3).
Støtterørene er dimensionerede iht.
Eurocode 1 (DIN EN 1991-1-4 + DIN EN 1991-1-4/NA).
Isoleringsområde af glasfiberforstærket plast/GFK,
Materialefaktor km = 0,7
Farve: lysegrå, UV-stabiliseret, i ét stykke
kombineret med indfangerspids Ø10 mm, længde 1000 mm af Al
Materiale (støtterør): GFK / Al
Længde (støtterør): 5000 mm
Ydre diameter Ø: 50 mm
Max. frilængde med indfangerspids (vægmontage): 4000 mm
Maks. vindstyrke: (maks. frilængde 4000 mm, 1x HVI power indvendigt) 201 km/t
Maks. vindstyrke: (maks. frilængde 4000 mm, 1x HVI power udvendigt) 180 km/t
Standarder: DIN IEC/TS 62561-8 (VDE V 0185-561-8)

fabrikat: DEHN
Type: SR D50 5000 FSP1000 IA HVIP GFK AL
artikelnr.: 105565
eller tilsvarende

 

Technical data

Materiale (støtterør) GFK / Al
Længde (støtterør) 5000 mm
Ydre diameter Ø 50 mm
Transportlængde 5000 mm
Isoleringslængde 1800 mm
Egnet til lederføring udenpå rør Ja
Max. frilængde med indfangerspids (vægmontage) 4000 mm
Standarder DIN IEC/TS 62561-8 (VDE V 0185-561-8)

Product 105565 was added to Notepad.

Product 105565 was added to the cart.

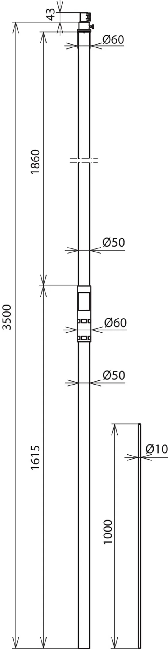
Part No. 105320 SR D50 3500 FSP1000 IP HVIP GFK V2A

GTIN 4013364152373, Customs tariff No. (EU): 85389099, Gross weight: 10.60 kg, PU: 1.00 Pakkestørrelse


Images

Additional information

Støtterør til HVI power-leder med indfangerspids, længde 3500 mm GFK/NIRO
Støtterør GFK/NIRO med indvendig endeafslutning og
Potentialudlignings-fjederelement til HVI power-lederen
til overholdelse af separationsafstanden til elektrisk
ledende dele iht. DIN EN 62305 (VDE 0185-305-3).
Støtterørene er dimensionerede iht.
Eurocode 1 (DIN EN 1991-1-4 + DIN EN 1991-1-4/NA).
Isoleringsområde af glasfiberforstærket plast/GFK,
Materialefaktor km = 0,7
Farve: lysegrå, UV-stabiliseret, i ét stykke
kombineret med indfangerspids Ø 10 mm, længde 1000 mm af NIRO
Materiale (støtterør): GFK / Rustfrit
Længde (støtterør): 3500 mm
Ydre diameter Ø: 50 mm
Max. frilængde med indfangerspids (vægmontage): 3500 mm
Maks. vindstyrke: (maks. frilængde 3500 mm, 1x HVI power indvendigt) 234 km/t
Standarder: DIN IEC/TS 62561-8 (VDE V 0185-561-8)

fabrikat: DEHN
Type: SR D50 3500 FSP1000 IP HVIP GFK V2A
artikelnr.: 105320
eller tilsvarende

Certificates

 

Technical data

Materiale (støtterør) GFK / Rustfrit
Længde (støtterør) 3500 mm
Ydre diameter Ø 50 mm
Transportlængde 3500 mm
Isoleringslængde 1800 mm
Egnet til lederføring udenpå rør Nej
Max. frilængde med indfangerspids (vægmontage) 3500 mm
Standarder DIN IEC/TS 62561-8 (VDE V 0185-561-8)

Product 105320 was added to Notepad.

Product 105320 was added to the cart.

Part No. 105322 SR D50 5000 FSP1000 IP HVIP GFK V2A

GTIN 4013364152380, Customs tariff No. (EU): 85389099, Gross weight: 15.80 kg, PU: 1.00 Pakkestørrelse


Images

Additional information

Støtterør til HVI power-leder med indfangerspids, længde 5000 mm GFK/NIRO
Støtterør GFK/NIRO med indvendig endeafslutning og
Potentialudlignings-fjederelement til HVI power-lederen
til overholdelse af separationsafstanden til elektrisk
ledende dele iht. DIN EN 62305 (VDE 0185-305-3).
Støtterørene er dimensionerede iht.
Eurocode 1 (DIN EN 1991-1-4 + DIN EN 1991-1-4/NA).
Isoleringsområde af glasfiberforstærket plast/GFK,
Materialefaktor km = 0,7
Farve: lysegrå, UV-stabiliseret, i ét stykke
kombineret med indfangerspids Ø 10 mm, længde 1000 mm af NIRO
Materiale (støtterør): GFK / Rustfrit
Længde (støtterør): 5000 mm
Ydre diameter Ø: 50 mm
Max. frilængde med indfangerspids (vægmontage): 4000 mm
Maks. vindstyrke: (maks. frilængde 4000 mm, 1x HVI power indvendigt) 232 km/t
Standarder: DIN IEC/TS 62561-8 (VDE V 0185-561-8)

fabrikat: DEHN
Type: SR D50 5000 FSP1000 IP HVIP GFK V2A
artikelnr.: 105322
eller tilsvarende

Certificates

 

Technical data

Materiale (støtterør) GFK / Rustfrit
Længde (støtterør) 5000 mm
Ydre diameter Ø 50 mm
Transportlængde 5000 mm
Isoleringslængde 1800 mm
Egnet til lederføring udenpå rør Nej
Max. frilængde med indfangerspids (vægmontage) 4000 mm
Standarder DIN IEC/TS 62561-8 (VDE V 0185-561-8)

Product 105322 was added to Notepad.

Product 105322 was added to the cart.


Med indfangerstang

Støtterør med indvendig endeafslutning og potentialudligningsfjederelement.
Indfangerstang af Al/NIRO, Ø22/16/10 mm, længde 2500 mm.

4 Products

Part No. 105573 SR D50 3500 FS2500 IA HVIP GFK AL

GTIN 4013364271975, Customs tariff No. (EU): 85389099, Gross weight: 6.56 kg, PU: 1.00 Pakkestørrelse


Images

Additional information

Støtterør til HVI power-leder med indfangerstang, længde 3500 mm GFK/Al
Støtterør GFK/Al med indvendig endeafslutning og
Potentialudlignings-fjederelement til HVI power-lederen
til overholdelse af separationsafstanden til elektrisk
ledende dele iht. DIN EN 62305 (VDE 0185-305-3).
Støtterørene er dimensionerede iht.
Eurocode 1 (DIN EN 1991-1-4 + DIN EN 1991-1-4/NA).
Isoleringsområde af glasfiberforstærket plast/GFK,
Materialefaktor km = 0,7
Farve: lysegrå, UV-stabiliseret, i ét stykke
kombineret med indfangerspids Ø22/16/10 mm, længde 2500 mm af Al
Materiale (støtterør): GFK / Al
Længde (støtterør): 3500 mm
Ydre diameter Ø: 50 mm
Max. frilængde med indfangerstang (vægmontage): 5000 mm
Maks. vindstyrke: (maks. frilængde 5000 mm, 1x HVI power indvendigt) 168 km/t
Maks. vindstyrke: (maks. frilængde 5000 mm, 1x HVI power udvendigt) 144 km/t
Standarder: DIN IEC/TS 62561-8 (VDE V 0185-561-8)

fabrikat: DEHN
Type: SR D50 3500 FS2500 IA HVIP GFK AL
artikelnr.: 105573
eller tilsvarende

Certificates

 

Technical data

Materiale (støtterør) GFK / Al
Længde (støtterør) 3500 mm
Ydre diameter Ø 50 mm
Transportlængde 3500 mm
Isoleringslængde 1800 mm
Egnet til lederføring udenpå rør Ja
Max. frilængde med indfangerstang (vægmontage) 5000 mm
Standarder DIN IEC/TS 62561-8 (VDE V 0185-561-8)

Product 105573 was added to Notepad.

Product 105573 was added to the cart.

Part No. 105575 SR D50 5000 FS2500 IA HVIP GFK AL

GTIN 4013364272026, Customs tariff No. (EU): 85389099, Gross weight: 8.90 kg, PU: 1.00 Pakkestørrelse


Images

Additional information

Støtterør til HVI power-leder med indfangerstang, længde 5000 mm GFK/Al
Støtterør GFK/Al med indvendig endeafslutning
og potentialudlignings-fjederelement til HVI power-lederen
til overholdelse af separationsafstanden til elektrisk
ledende dele iht. DIN EN 62305 (VDE 0185-305-3).
Støtterørene er dimensionerede iht.
Eurocode 1 (DIN EN 1991-1-4 + DIN EN 1991-1-4/NA).
Isoleringsområde af glasfiberforstærket plast/GFK,
Materialefaktor km = 0,7
Farve: lysegrå, UV-stabiliseret, i ét stykke
kombineret med indfangerspids Ø22/16/10 mm, længde 2500 mm af Al
Materiale (støtterør): GFK / Al
Længde (støtterør): 5000 mm
Ydre diameter Ø: 50 mm
Max. frilængde med indfangerstang (vægmontage): 5500 mm
Maks. vindstyrke: (maks. frilængde 5500 mm, 1x HVI power indvendigt) 163 km/t
Maks. vindstyrke: (maks. frilængde 5500 mm, 1x HVI power udvendigt) 140 km/t
Standarder: DIN IEC/TS 62561-8 (VDE V 0185-561-8)

fabrikat: DEHN
Type: SR D50 5000 FS2500 IA HVIP GFK AL
artikelnr.: 105575
eller tilsvarende

Certificates

 

Technical data

Materiale (støtterør) GFK / Al
Længde (støtterør) 5000 mm
Ydre diameter Ø 50 mm
Transportlængde 5000 mm
Isoleringslængde 1800 mm
Egnet til lederføring udenpå rør Ja
Max. frilængde med indfangerstang (vægmontage) 5500 mm
Standarder DIN IEC/TS 62561-8 (VDE V 0185-561-8)

Product 105575 was added to Notepad.

Product 105575 was added to the cart.

Part No. 105321 SR D50 3500 FS22 10 2500 IP HVIP GFK V2A

GTIN 4013364152397, Customs tariff No. (EU): 85389099, Gross weight: 12.20 kg, PU: 1.00 Pakkestørrelse


Images

Additional information

Støtterør til HVI power-leder med indfangerstang, længde 3500 mm GFK/NIRO
Støtterør GFK/NIRO med indvendig endeafslutning
og potentialudlignings-fjederelement til HVI power-lederen
til overholdelse af separationsafstanden til elektrisk
ledende dele iht. DIN EN 62305 (VDE 0185-305-3).
Støtterørene er dimensionerede iht.
Eurocode 1 (DIN EN 1991-1-4 + DIN EN 1991-1-4/NA).
Isoleringsområde af glasfiberforstærket plast/GFK,
Materialefaktor km = 0,7
Farve: lysegrå, UV-stabiliseret, i ét stykke
kombineret med indfangerspids Ø22/16/10 mm, længde 2500 mm af NIRO
Materiale (støtterør): GFK / Rustfrit
Længde (støtterør): 3500 mm
Ydre diameter Ø: 50 mm
Max. frilængde med indfangerstang (vægmontage): 5000 mm
Maks. vindstyrke: (maks. frilængde 5000 mm, 1x HVI power indvendigt) 163 km/t
Standarder: DIN IEC/TS 62561-8 (VDE V 0185-561-8)

fabrikat: DEHN
Type: SR D50 3500 FS22 10 2500 IP HVIP GFK V2A
artikelnr.: 105321
eller tilsvarende

Certificates

 

Technical data

Materiale (støtterør) GFK / Rustfrit
Længde (støtterør) 3500 mm
Ydre diameter Ø 50 mm
Transportlængde 3500 mm
Isoleringslængde 1800 mm
Egnet til lederføring udenpå rør Nej
Max. frilængde med indfangerstang (vægmontage) 5000 mm
Standarder DIN IEC/TS 62561-8 (VDE V 0185-561-8)

Product 105321 was added to Notepad.

Product 105321 was added to the cart.

Part No. 105323 SR D50 5000 FS22 10 2500 IP HVIP GFK V2A

GTIN 4013364152403, Customs tariff No. (EU): 85389099, Gross weight: 16.30 kg, PU: 1.00 Pakkestørrelse


Images

Additional information

Støtterør til HVI power-leder med indfangerstang, længde 5000 mm GFK/NIRO
Støtterør GFK/NIRO med indvendig endeafslutning
og potentialudlignings-fjederelement til HVI power-lederen
til overholdelse af separationsafstanden til elektrisk
ledende dele iht. DIN EN 62305 (VDE 0185-305-3).
Støtterørene er dimensionerede iht.
Eurocode 1 (DIN EN 1991-1-4 + DIN EN 1991-1-4/NA).
Isoleringsområde af glasfiberforstærket plast/GFK,
Materialefaktor km = 0,7
Farve: lysegrå, UV-stabiliseret, i ét stykke
kombineret med indfangerspids Ø22/16/10 mm, længde 2500 mm af NIRO
Materiale (støtterør): GFK / Rustfrit
Længde (støtterør): 5000 mm
Ydre diameter Ø: 50 mm
Max. frilængde med indfangerstang (vægmontage): 5500 mm
Maks. vindstyrke: (maks. frilængde 5500 mm, 1x HVI power indvendigt) 159 km/t
Standarder: DIN IEC/TS 62561-8 (VDE V 0185-561-8)

fabrikat: DEHN
Type: SR D50 5000 FS22 10 2500 IP HVIP GFK V2A
artikelnr.: 105323
eller tilsvarende

Certificates

 

Technical data

Materiale (støtterør) GFK / Rustfrit
Længde (støtterør) 5000 mm
Ydre diameter Ø 50 mm
Transportlængde 5000 mm
Isoleringslængde 1800 mm
Egnet til lederføring udenpå rør Nej
Max. frilængde med indfangerstang (vægmontage) 5500 mm
Standarder DIN IEC/TS 62561-8 (VDE V 0185-561-8)

Product 105323 was added to Notepad.

Product 105323 was added to the cart.


Med indfangerspids og sidelæns udløb

Støtterør med indvendig endeafslutning og potentialudligningsfjederelement.
Indfangerspids af Al/NIRO, Ø10 mm, længde 1000 mm

4 Products

Part No. 105513 SR D50 3500 FSP1000 IA SA HVIP GFK AL

GTIN 4013364270282, Customs tariff No. (EU): 85389099, Gross weight: 5.50 kg, PU: 1.00 Pakkestørrelse


Images

Additional information

Støtterør til HVI power-leder GFK/Al med sidelæns udløb
Støtterør GFK/Al med indvendig endeafslutning
og potentialudlignings-fjederelement til HVI power-lederen
til overholdelse af separationsafstanden til elektrisk
ledende dele iht. DIN EN 62305 (VDE 0185-305-3).
Støtterørene er dimensionerede iht.
Eurocode 1 (DIN EN 1991-1-4 + DIN EN 1991-1-4/NA).
Isoleringsområde af glasfiberforstærket plast/GFK,
Materialefaktor km = 0,7
Farve: lysegrå, UV-stabiliseret, i ét stykke
kombineret med indfangerspids Ø10 mm, længde 1000 mm af Al
Materiale (støtterør): GFK / Al
Længde (støtterør): 3500 mm
Ydre diameter Ø: 50 mm
Standarder: DIN IEC/TS 62561-8 (VDE V 0185-561-8)

fabrikat: DEHN
Type: SR D50 3500 FSP1000 IA SA HVIP GFK AL
artikelnr.: 105513
eller tilsvarende

Certificates

 

Technical data

Materiale (støtterør) GFK / Al
Længde (støtterør) 3500 mm
Ydre diameter Ø 50 mm
Transportlængde 3500 mm
Isoleringslængde 1800 mm
Egnet til lederføring udenpå rør Ja
Standarder DIN IEC/TS 62561-8 (VDE V 0185-561-8)

Product 105513 was added to Notepad.

Product 105513 was added to the cart.

Part No. 105515 SR D50 5000 FSP1000 IA SA HVIP GFK AL

GTIN 4013364271821, Customs tariff No. (EU): 85389099, Gross weight: 8.00 kg, PU: 1.00 Pakkestørrelse


Images

Additional information

Støtterør til HVI power-leder GFK/Al med sidelæns udløb
Støtterør GFK/Al med indvendig endeafslutning
og potentialudlignings-fjederelement til HVI power-lederen
til overholdelse af separationsafstanden til elektrisk
ledende dele iht. DIN EN 62305 (VDE 0185-305-3).
Støtterørene er dimensionerede iht.
Eurocode 1 (DIN EN 1991-1-4 + DIN EN 1991-1-4/NA).
Isoleringsområde af glasfiberforstærket plast/GFK,
Materialefaktor km = 0,7
Farve: lysegrå, UV-stabiliseret, i ét stykke
kombineret med indfangerspids Ø10 mm, længde 1000 mm af Al
Materiale (støtterør): GFK / Al
Længde (støtterør): 5000 mm
Ydre diameter Ø: 50 mm
Standarder: DIN IEC/TS 62561-8 (VDE V 0185-561-8)

fabrikat: DEHN
Type: SR D50 5000 FSP1000 IA SA HVIP GFK AL
artikelnr.: 105515
eller tilsvarende

Certificates

 

Technical data

Materiale (støtterør) GFK / Al
Længde (støtterør) 5000 mm
Ydre diameter Ø 50 mm
Transportlængde 5000 mm
Isoleringslængde 1800 mm
Egnet til lederføring udenpå rør Ja
Standarder DIN IEC/TS 62561-8 (VDE V 0185-561-8)

Product 105515 was added to Notepad.

Product 105515 was added to the cart.

Part No. 105392 SR D50 3500 FS1000 IP SA HVIP GFK V2A

GTIN 4013364157903, Customs tariff No. (EU): 85389099, Gross weight: 10.20 kg, PU: 1.00 Pakkestørrelse


Images

Additional information

Støtterør til HVI power-leder GFK/NIRO med sidelæns udløb
Støtterør GFK/NIRO med sidelæns udløb,
indvendig endeafslutning og potentialudligningsfjederelement
HVI power-lederen til overholdelse af separationsafstanden
til elektrisk ledende dele iht. DIN EN 62305 (VDE 0185-305-3).
Støtterørene er dimensionerede iht.
Eurocode 1 (DIN EN 1991-1-4 + DIN EN 1991-1-4/NA).
Isoleringsområde af glasfiberforstærket plast/GFK,
Materialefaktor km = 0,7
Farve: lysegrå, UV-stabiliseret, i ét stykke
kombineret med indfangerspids Ø 10 mm, længde 1000 mm af NIRO
Materiale (støtterør): GFK / Rustfrit
Længde (støtterør): 3500 mm
Ydre diameter Ø: 50 mm
Standarder: DIN IEC/TS 62561-8 (VDE V 0185-561-8)

fabrikat: DEHN
Type: SR D50 3500 FS1000 IP SA HVIP GFK V2A
artikelnr.: 105392
eller tilsvarende

Certificates

 

Technical data

Materiale (støtterør) GFK / Rustfrit
Længde (støtterør) 3500 mm
Ydre diameter Ø 50 mm
Transportlængde 3500 mm
Isoleringslængde 1800 mm
Egnet til lederføring udenpå rør Ja
Standarder DIN IEC/TS 62561-8 (VDE V 0185-561-8)

Product 105392 was added to Notepad.

Product 105392 was added to the cart.

Part No. 105394 SR D50 5000 FS1000 IP SA HVIP GFK V2A

GTIN 4013364157910, Customs tariff No. (EU): 85389099, Gross weight: 15.10 kg, PU: 1.00 Pakkestørrelse


Images

Additional information

Støtterør til HVI power-leder GFK/NIRO med sidelæns udløb
Støtterør GFK/NIRO med sidelæns udløb,
indvendig endeafslutning og potentialudligningsfjederelement
HVI power-lederen til overholdelse af separationsafstanden
til elektrisk ledende dele iht. DIN EN 62305 (VDE 0185-305-3).
Støtterørene er dimensionerede iht.
Eurocode 1 (DIN EN 1991-1-4 + DIN EN 1991-1-4/NA).
Isoleringsområde af glasfiberforstærket plast/GFK,
Materialefaktor km = 0,7
Farve: lysegrå, UV-stabiliseret, i ét stykke
kombineret med indfangerspids Ø 10 mm, længde 1000 mm af NIRO
Materiale (støtterør): GFK / Rustfrit
Længde (støtterør): 5000 mm
Ydre diameter Ø: 50 mm
Standarder: DIN IEC/TS 62561-8 (VDE V 0185-561-8)

fabrikat: DEHN
Type: SR D50 5000 FS1000 IP SA HVIP GFK V2A
artikelnr.: 105394
eller tilsvarende

Certificates

 

Technical data

Materiale (støtterør) GFK / Rustfrit
Længde (støtterør) 5000 mm
Ydre diameter Ø 50 mm
Transportlængde 5000 mm
Isoleringslængde 1800 mm
Egnet til lederføring udenpå rør Nej
Standarder DIN IEC/TS 62561-8 (VDE V 0185-561-8)

Product 105394 was added to Notepad.

Product 105394 was added to the cart.


Med indfangerstang og sidelæns udløb

Støtterør med indvendig endeafslutning og potentialudligningsfjederelement.
Indfangerstang af Al/NIRO, Ø22/16/10 mm, længde 2500 mm.

3 Products

Part No. 105543 SR D50 3500 FS2500 IA SA HVIP GFK AL

GTIN 4013364271845, Customs tariff No. (EU): 85389099, Gross weight: 6.40 kg, PU: 1.00 Pakkestørrelse


Images

Additional information

Støtterør til HVI power-leder GFK/Al med sidelæns udløb
Støtterør GFK/Al med indvendig endeafslutning
og potentialudlignings-fjederelement til HVI power-lederen til overholdelse
til overholdelse af separationsafstanden til elektrisk ledende dele
iht. DIN EN 62305 (VDE 0185-305-3).
Støtterørene er dimensionerede iht.
Eurocode 1 (DIN EN 1991-1-4 + DIN EN 1991-1-4/NA).
Isoleringsområde af glasfiberforstærket plast/GFK,
Materialefaktor km = 0,7
Farve: lysegrå, UV-stabiliseret, i ét stykke
kombineret med indfangerspids Ø22/16/10 mm, længde 2500 mm af Al
Materiale (støtterør): GFK / Al
Længde (støtterør): 3500 mm
Ydre diameter Ø: 50 mm
Standarder: DIN IEC/TS 62561-8 (VDE V 0185-561-8)

fabrikat: DEHN
Type: SR D50 3500 FS2500 IA SA HVIP GFK AL
artikelnr.: 105543
eller tilsvarende

Certificates

 

Technical data

Materiale (støtterør) GFK / Al
Længde (støtterør) 3500 mm
Ydre diameter Ø 50 mm
Transportlængde 3500 mm
Isoleringslængde 1800 mm
Egnet til lederføring udenpå rør Ja
Standarder DIN IEC/TS 62561-8 (VDE V 0185-561-8)

Product 105543 was added to Notepad.

Product 105543 was added to the cart.

Part No. 105545 SR D50 5000 FS2500 IA SA HVIP GFK AL

GTIN 4013364271876, Customs tariff No. (EU): 85389099, Gross weight: 8.90 kg, PU: 1.00 Pakkestørrelse


Images

Additional information

Støtterør til HVI power-leder GFK/Al med sidelæns udløb
Støtterør GFK/Al med indvendig endeafslutning
og potentialudlignings-fjederelement til HVI power-lederen til overholdelse
til overholdelse af separationsafstanden til elektrisk ledende dele
iht. DIN EN 62305 (VDE 0185-305-3).
Støtterørene er dimensionerede iht.
Eurocode 1 (DIN EN 1991-1-4 + DIN EN 1991-1-4/NA).
Isoleringsområde af glasfiberforstærket plast/GFK,
Materialefaktor km = 0,7
Farve: lysegrå, UV-stabiliseret, i ét stykke
kombineret med indfangerspids Ø22/16/10 mm, længde 2500 mm af Al
Materiale (støtterør): GFK / Al
Længde (støtterør): 5000 mm
Ydre diameter Ø: 50 mm
Standarder: DIN IEC/TS 62561-8 (VDE V 0185-561-8)

fabrikat: DEHN
Type: SR D50 5000 FS2500 IA SA HVIP GFK AL
artikelnr.: 105545
eller tilsvarende

Certificates

 

Technical data

Materiale (støtterør) GFK / Al
Længde (støtterør) 5000 mm
Ydre diameter Ø 50 mm
Transportlængde 5000 mm
Isoleringslængde 1800 mm
Egnet til lederføring udenpå rør Ja
Standarder DIN IEC/TS 62561-8 (VDE V 0185-561-8)

Product 105545 was added to Notepad.

Product 105545 was added to the cart.

Part No. 105395 SR D50 5000 FS2500 IP SA HVIP GFK V2A

GTIN 4013364157934, Customs tariff No. (EU): 85389099, Gross weight: 17.12 kg, PU: 1.00 Pakkestørrelse


Images

Additional information

Støtterør til HVI power-leder GFK/NIRO med sidelæns udløb
Støtterør GFK/NIRO med sidelæns udløb,
indvendig endeafslutning og potentialudligningsfjederelement
HVI power-lederen til overholdelse af separationsafstanden
til elektrisk ledende dele iht. DIN EN 62305 (VDE 0185-305-3).
Støtterørene er dimensionerede iht.
Eurocode 1 (DIN EN 1991-1-4 + DIN EN 1991-1-4/NA).
Isoleringsområde af glasfiberforstærket plast/GFK,
Materialefaktor km = 0,7
Farve: lysegrå, UV-stabiliseret, i ét stykke
kombineret med indfangerspids Ø22/16/10 mm, længde 2500 mm af NIRO
Materiale (støtterør): GFK / Rustfrit
Længde (støtterør): 5000 mm
Ydre diameter Ø: 50 mm
Standarder: DIN IEC/TS 62561-8 (VDE V 0185-561-8)

fabrikat: DEHN
Type: SR D50 5000 FS2500 IP SA HVIP GFK V2A
artikelnr.: 105395
eller tilsvarende

Certificates

 

Technical data

Materiale (støtterør) GFK / Rustfrit
Længde (støtterør) 5000 mm
Ydre diameter Ø 50 mm
Transportlængde 5000 mm
Isoleringslængde 1800 mm
Egnet til lederføring udenpå rør Nej
Standarder DIN IEC/TS 62561-8 (VDE V 0185-561-8)

Product 105395 was added to Notepad.

Product 105395 was added to the cart.


back to top