Box PV tipo 1

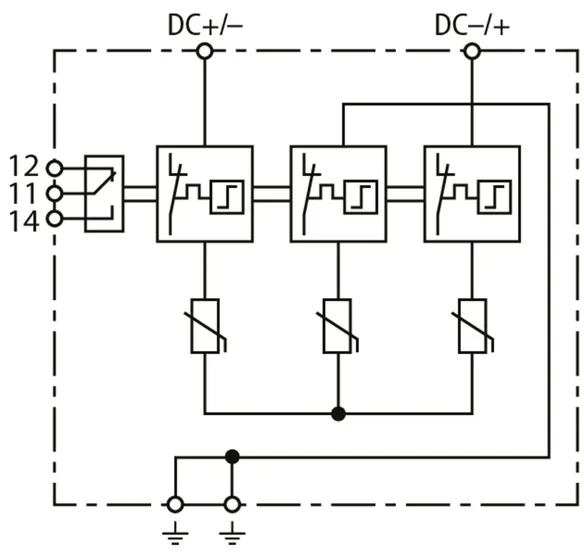
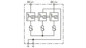
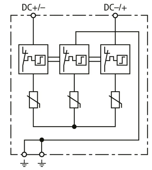
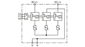
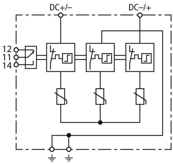
  • Scaricatore combinato precablato tipo 1 + tipo 2 per circuiti elettrici di generatori fotovoltaici
  • Il dispositivo combinato di sezionamento e cortocircuito con sezionamento elettrico sicuro (principio SCI brevettato)
  • Il circuito a "Y" collaudato, resistente ai guasti previene danni della protezione da sovratensioni in caso di guasti all'isolamento nel circuito del generatore
  • Provato secondo EN 50539-11
  • Utilizzabile in tutti i sistemi FV secondo IEC 60364-7-712
  • Indicazione di funzionamento / guasto tramite marcatura colorata verde-rossa nella finestrella di visualizzazione

PVB 1 1200

2 Products

Part No. 041161

GTIN , Gross weight: , PU:


Images

Additional information

 

Technical data

Dati scaricatore
SPD secondo EN 50539-11 Tipo 1 + Tipo 2
Tensione max. FV [DC+ -> DC-] (UCPV ) ≤ 1200 V
Tenuta al corto circuito (ISCPV ) 10 kA
Corrente impulsiva di scarica complessiva (10/350 µs) [DC+/DC- -> PE] (Itotal ) 12,5 kA
Corrente impulsiva di fulmine (10/350 µs) [DC+ -> PE/DC- -> PE] (Iimp ) 6,25 kA
Livello di protezione [(DC+/DC-) -> PE] (UP ) ≤ 3,8 kV
Omologazioni KEMA
Dati involucro
Grado di protezione IP 65
Passante per cavi 2x MC4 collegamento a spina DC/+, 2x MC4 collegamento a spina DC/-, 1x vite M16 x 1,5
Spazio disponibile di montaggio 4 unità, DIN 43880
Dimensioni (la x lu x p) 125 x 200 x 110 mm

Product 041161 was added to Notepad.

Product 041161 was added to the cart.

Part No. 041166

GTIN , Gross weight: , PU:


Images

Additional information

 

Technical data

Dati scaricatore
SPD secondo EN 50539-11 tipo 1 + tipo 2
Tensione max. FV [DC+ -> DC-] (UCPV ) ≤ 1200 V
Tenuta al corto circuito (ISCPV ) 10 kA
Corrente impulsiva di scarica complessiva (10/350 µs) [DC+/DC- -> PE] (Itotal ) 12,5 kA
Corrente impulsiva di fulmine (10/350 µs) [DC+ -> PE/DC- -> PE] (Iimp ) 6,25 kA
Livello di protezione [(DC+/DC-) -> PE] (UP ) ≤ 3,8 kV
Omologazioni KEMA
Dati involucro
Grado di protezione IP 65
Passante per cavi 2x MC4 collegamento a spina DC/+, 2x MC4 collegamento a spina DC/-, 1x vite M16 x 1,5
Spazio disponibile di montaggio 4 unità, DIN 43880
Dimensioni (la x lu x p) 125 x 200 x 110 mm

Product 041166 was added to Notepad.

Product 041166 was added to the cart.


PVB 2 1200

2 Products

Part No. 041261

GTIN , Gross weight: , PU:


Images

Additional information

 

Technical data

Dati scaricatore
SPD secondo EN 50539-11 Tipo 1 + Tipo 2
Tensione max. FV [DC+ -> DC-] (UCPV ) ≤ 1200 V
Tenuta al corto circuito (ISCPV ) 10 kA
Corrente impulsiva di scarica complessiva (10/350 µs) [DC+/DC- -> PE] (Itotal ) 12,5 kA
Corrente impulsiva di fulmine (10/350 µs) [DC+ -> PE/DC- -> PE] (Iimp ) 6,25 kA
Livello di protezione [(DC+/DC-) -> PE] (UP ) ≤ 3,8 kV
Omologazioni KEMA
Dati involucro
Grado di protezione IP 65
Passante per cavi 4x MC4 collegamento a spina DC/+, 4x MC4 collegamento a spina DC/-, 1x vite M16 x 1,5
Spazio disponibile di montaggio 8 unità, DIN 43880
Dimensioni (la x lu x p) 200 x 210 x 110 mm

Product 041261 was added to Notepad.

Product 041261 was added to the cart.

Part No. 041266

GTIN , Gross weight: , PU:


Images

Additional information

 

Technical data

Dati scaricatore
SPD secondo EN 50539-11 Tipo 1 + Tipo 2
Tensione max. FV [DC+ -> DC-] (UCPV ) ≤ 1200 V
Tenuta al corto circuito (ISCPV ) 10 kA
Corrente impulsiva di scarica complessiva (10/350 µs) [DC+/DC- -> PE] (Itotal ) 12,5 kA
Corrente impulsiva di fulmine (10/350 µs) [DC+ -> PE/DC- -> PE] (Iimp ) 6,25 kA
Livello di protezione [(DC+/DC-) -> PE] (UP ) ≤ 3,8 kV
Omologazioni KEMA
Dati involucro
Grado di protezione IP 65
Passante per cavi 4x MC4 collegamento a spina DC/+, 4x MC4 collegamento a spina DC/-, 1x vite M16 x 1,5
Spazio disponibile di montaggio 8 unità, DIN 43880
Dimensioni (la x lu x p) 200 x 210 x 110 mm

Product 041266 was added to Notepad.

Product 041266 was added to the cart.


back to top