Punti fissi di messa a terra con morsetto di collegamento flessibile

Per l’installazione nel calcestruzzo come collegamento (flessibile e resistente alla corrosione) della calata all’impianto di terra nei collegamenti equipotenzili di sicurezza e funzionali, p.es. all’armatura dell’edificio.
I cavi di collegamento flessibili lunghi fino a 1000 mm consentono la massima flessibilità tra il punto di connessione esterno e il collegamento interno.
Il morsetto di collegamento universale consente la connessione di ferri d’armatura e di materiale a sezione tonda di 8-28 mm nonché di materiale a sezione piatta di 30x3,5 mm o spessore superiore.
Con il doppio filetto M10 e M12 si devono rispettare le seguenti lunghezze minime delle viti da utilizzare:
35 mm con M10 (lunghezza del filetto 40 mm)
15 mm con M12 (lunghezza del filetto 20 mm)

2 Products

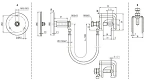
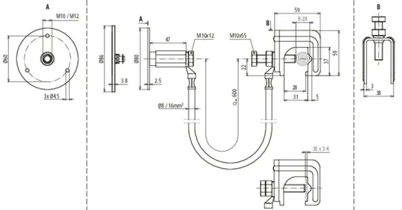
Part No. 416940 UES 16 L600 VK RD8 28 FL30 EFP

GTIN 4013364360280, Customs tariff No. (EU): 85359000, Gross weight: 530.00 g, PU: 25.00 pz.


Images

Additional information

Set di collegamento costituito da
conduttore di collegamento con morsetto di collegamento
connesso e punto fisso di messa a terra
per la messa in sicurezza del collegamento elettrico
del punto fisso di messa a terra con
l’armatura / i ferri di armatura
Tramite il set di collegamento si realizza
il collegamento elettrico sicuro
di un determinato ferro di armatura
(ferro longitudinale), utilizzato come
calata, a dispositivi di captazione,
elementi di facciate, rotaie per gru,
sistemi portacavi, impianti di messa a terra,
collegamenti equipotenziali funzionali, ecc.
Materiale del morsetto di collegamento: Fe/non zincato
Campo di serraggio Td morsetto di collegamento: 8-28 mm
Campo di serraggio Pt morsetto di collegamento: 30 x 3-4 mm
Materiale del punto fisso di messa a terra: Inox (V4A)
Filetto di connessione del punto fisso di messa a terra: M10 / M12
Materiale della corda di ponticellamento: Conduttore di rame flessibile, resistente al gelo
Lunghezza del conduttore della corda di ponticellamento: 600 mm
Sezione del conduttore della corda di ponticellamento: 16 mm2
Riferimento normativo: CEI EN 62561-1

Fabbricato: DEHN
Tipo: UES 16 L600 VK RD8 28 FL30 EFP
Art.: 416940
o similare.

Certificates

 

Technical data

Materiale del morsetto di collegamento Fe/non zincato
Campo di serraggio Td morsetto di collegamento 8-28 mm
Campo di serraggio Pt morsetto di collegamento 30 x 3-4 mm
Materiale del punto fisso di messa a terra Inox (V4A)
Filetto di connessione del punto fisso di messa a terra M10 / M12
Materiale della corda di ponticellamento Conduttore di rame flessibile, resistente al gelo
Lunghezza del conduttore della corda di ponticellamento 600 mm
Sezione del conduttore della corda di ponticellamento 16 mm2
Riferimento normativo CEI EN 62561-1

Product 416940 was added to Notepad.

Product 416940 was added to the cart.

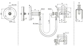
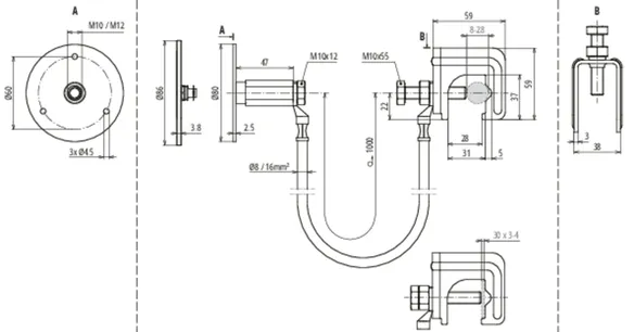
Part No. 416950 UES 16 L1000 VK RD8 28 FL30 EFP

GTIN 4013364508620, Customs tariff No. (EU): 85359000, Gross weight: 650.00 g, PU: 25.00 pz.


Images

Additional information

Set di collegamento costituito da
conduttore di collegamento con morsetto di collegamento
connesso e punto fisso di messa a terra
per la messa in sicurezza del collegamento elettrico
del punto fisso di messa a terra con
l’armatura / i ferri di armatura
Tramite il set di collegamento si realizza
il collegamento elettrico sicuro
di un determinato ferro di armatura
(ferro longitudinale), utilizzato come
calata, a dispositivi di captazione,
elementi di facciate, rotaie per gru,
sistemi portacavi, impianti di messa a terra,
collegamenti equipotenziali funzionali, ecc.
Materiale del morsetto di collegamento: Fe/non zincato
Campo di serraggio Td morsetto di collegamento: 8-28 mm
Campo di serraggio Pt morsetto di collegamento: 30 x 3-4 mm
Materiale del punto fisso di messa a terra: Inox (V4A)
Filetto di connessione del punto fisso di messa a terra: M10 / M12
Materiale della corda di ponticellamento: Conduttore di rame flessibile, resistente al gelo
Lunghezza del conduttore della corda di ponticellamento: 1000 mm
Sezione del conduttore della corda di ponticellamento: 16 mm2
Riferimento normativo: CEI EN 62561-1

Fabbricato: DEHN
Tipo: UES 16 L1000 VK RD8 28 FL30 EFP
Art.: 416950
o similare.

Certificates

 

Technical data

Materiale del morsetto di collegamento Fe/non zincato
Campo di serraggio Td morsetto di collegamento 8-28 mm
Campo di serraggio Pt morsetto di collegamento 30 x 3-4 mm
Materiale del punto fisso di messa a terra Inox (V4A)
Filetto di connessione del punto fisso di messa a terra M10 / M12
Materiale della corda di ponticellamento Conduttore di rame flessibile, resistente al gelo
Lunghezza del conduttore della corda di ponticellamento 1000 mm
Sezione del conduttore della corda di ponticellamento 16 mm2
Riferimento normativo CEI EN 62561-1

Product 416950 was added to Notepad.

Product 416950 was added to the cart.


back to top