Accessori per DEHNcon-H

Accessori

1 Product

Part No. 105342 WB D40.50 SE WA46 V2A

GTIN 4013364111141, Customs tariff No. (EU): 85389099, Gross weight: 514.00 g, PU: 1.00 pz.


Images

Additional information

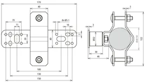
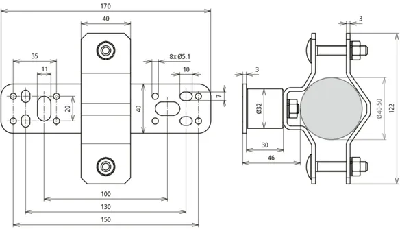
Staffa per aste di captazione D40 e DEHNcon-H INOX montaggio verticale
Staffa per aste di captazione D40 e DEHNcon-H
per il fissaggio delle aste di captazione D40
o dei tubi portanti
sulla costruzione da proteggere o sulla parete

Fabbricato: DEHN
Tipo: WB D40.50 SE WA46 V2A
Art.: 105342
o similare.

Certificates

 

Technical data

Materiale INOX
Fori di fissaggio [8x] Ø5,1 / [4x] 7 x 10 / [2x] 11 x 20 mm
Distanza da parete 46 mm

Product 105342 was added to Notepad.

Product 105342 was added to the cart.


back to top