DEHNcube EMOB

  • Protezione multipolare dalle sovratensioni nella scatola di derivazione dell’alloggiamento per mobilità elettrica
  • Unità completa precablata per mobilità elettrica
  • Collaudata secondo la norma EN 61643-11 e EN 61439-2
  • Utilizzabile secondo le norme DIN VDE e EN 61439 per la mobilità elettrica
  • Linea di installazione lato derivazione già cablata
  • Adatta ad applicazioni fino a 22 kW

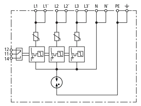
DEHNcube EMOB 2 16

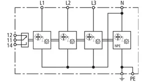
Scatola di derivazione dell’alloggiamento per mobilità elettrica.
Con protezione dalle sovratensioni e morsetti Push-in per l’uscita.

1 Product

Part No. 900901 DCU EMOB 2 16

GTIN 4013364506183, Customs tariff No. (EU): 85371098, Gross weight: 1.14 kg, PU: 1.00 pz.


Images

Additional information

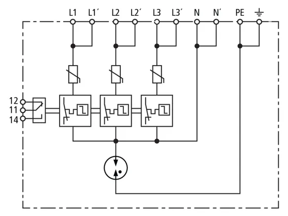
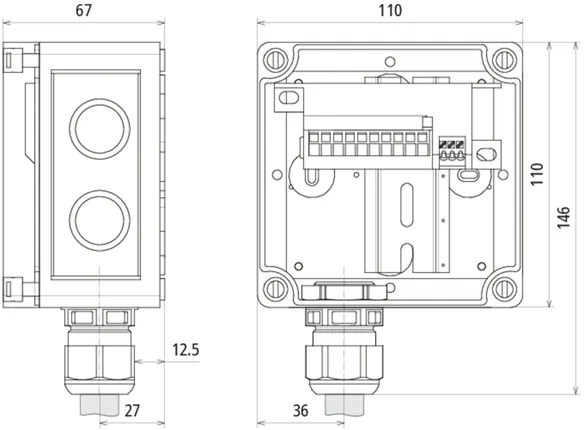
Scatola di derivazione dell’alloggiamento DCU EMOB 2 16
Scatola di derivazione dell’alloggiamento tipo 2+3 / II+III
secondo la norma EN 61643-11 / IEC 61643-11
EN 61439-2 / IEC 61439-2
Unità completa precablata per
l’installazione universale a monte della wall box
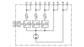
con contatto di telesegnalamento, indicazione di funzionamento/guasto
Tensione massima continuativa: 275 V AC
Livello di protezione: <= 1,5 kV
corrente impulsiva nominale di scarica (8/20): 10 kA
Corrente impulsiva complessiva di scarica (8/20): 40 kA
Corrente nominale: 16 A
Potenza max: 11 kW
Dimensioni: 110 x 110 x 66 mm

Fabbricato: DEHN
Tipo: DCU EMOB 2 16
Art.: 900901
o similare.

Certificates

 

Technical data

SPD secondo la norma EN 61643-11 / ... IEC 61643-11 Tipo 2 + tipo 3/ classe II + classe III
Tensione massima continuativa AC [L-N] (UC ) 275 V (50 / 60 Hz)
Tensione massima continuativa DC (UC ) 350 V
Corrente nominale AC (IL ) 16 A
Potenza max 11 kW
Corrente impulsiva nominale di scarica (8/20 µs) [L-N] (In ) 10 kA
Corrente impulsiva max di scarica (8/20 µs) [L-N] (Imax ) 20 kA
Corrente impulsiva nominale di scarica (8/20 µs) [N-PE] (In ) 10 kA
Corrente impulsiva max di scarica (8/20 µs) [N-PE] (Imax ) 20 kA
Livello di protezione [L-N] (UP ) ≤ 1,5 kV
Livello di protezione [N-PE] (UP ) ≤ 1,5 kV

Product 900901 was added to Notepad.

Product 900901 was added to the cart.


DEHNcube EMOB 2 25

Scatola di derivazione dell’alloggiamento per mobilità elettrica.
Con protezione dalle sovratensioni e morsetti Push-in per l’uscita.

1 Product

Part No. 900902 DCU EMOB 2 25

GTIN 4013364506190, Customs tariff No. (EU): 85371098, Gross weight: 1.63 kg, PU: 1.00 pz.


Images

Additional information

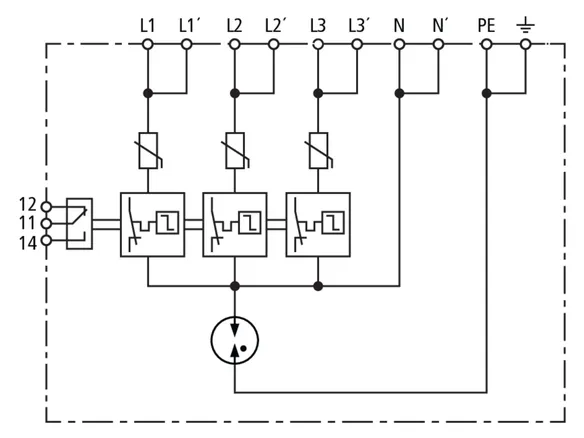
Scatola di derivazione dell’alloggiamento DCU EMOB 2 25
Scatola di derivazione dell’alloggiamento tipo 2+3 / II+III
secondo la norma EN 61643-11 / IEC 61643-11
EN 61439-2 / IEC 61439-2
Unità completa precablata per
l’installazione universale a monte della wall box
con contatto di telesegnalamento, indicazione di funzionamento/guasto
Tensione massima continuativa: 275 V AC
Livello di protezione: <= 1,5 kV
corrente impulsiva nominale di scarica (8/20): 10 kA
Corrente impulsiva complessiva di scarica (8/20): 40 kA
Corrente nominale: 25 A
Potenza max: 11 / 22 kW
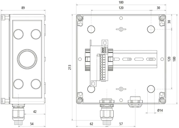
Dimensioni: 182 x 180 x 100 mm

Fabbricato: DEHN
Tipo: DCU EMOB 2 25
Art.: 900902
o similare.

Certificates

 

Technical data

SPD secondo la norma EN 61643-11 / ... IEC 61643-11 Tipo 2 + tipo 3/ classe II + classe III
Tensione massima continuativa AC [L-N] (UC ) 275 V (50 / 60 Hz)
Tensione massima continuativa DC (UC ) 350 V
Corrente nominale AC (IL ) 25 A
Potenza max 11 / 22 kW
Corrente impulsiva nominale di scarica (8/20 µs) [L-N] (In ) 10 kA
Corrente impulsiva max di scarica (8/20 µs) [L-N] (Imax ) 20 kA
Corrente impulsiva nominale di scarica (8/20 µs) [N-PE] (In ) 10 kA
Corrente impulsiva max di scarica (8/20 µs) [N-PE] (Imax ) 20 kA
Livello di protezione [L-N] (UP ) ≤ 1,5 kV
Livello di protezione [N-PE] (UP ) ≤ 1,5 kV

Product 900902 was added to Notepad.

Product 900902 was added to the cart.


DEHNcube EMOB 2 25 C

Scatola di derivazione dell’alloggiamento per mobilità elettrica.
Con contatore dell’energia e protezione dalle sovratensioni con morsetti Push-in per l’uscita.

1 Product

Part No. 900903 DCU EMOB 2 25 C

GTIN 4013364506206, Customs tariff No. (EU): 85371098, Gross weight: 2.06 kg, PU: 1.00 pz.


Images

Additional information

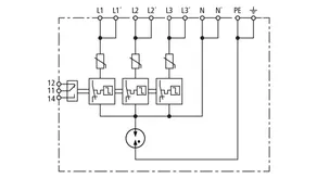
"Scatola di derivazione dell’alloggiamento DCU EMOB 2 25 C
Scatola di derivazione dell’alloggiamento tipo 2+3 / II+III
secondo la norma EN 61643-11 / IEC 61643-11
EN 61439-2 / IEC 61439-2
Unità completa precablata incl.
un contatore energetico trifase per
l’installazione universale a monte della wall box
con contatto di telesegnalamento, indicazione di funzionamento/guasto
Tensione massima continuativa: 275 V AC
Livello di protezione: <= 1,5 kV
corrente impulsiva nominale di scarica (8/20): 10 kA
Corrente impulsiva complessiva di scarica (8/20): 40 kA
Corrente nominale: 25 A
Potenza max: 11 / 22 kW
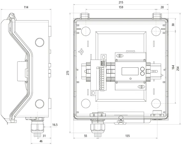
Dimensioni: 217 x 253 x 115 mm

Fabbricato: DEHN
Tipo: DCU EMOB 2 25 C
Art.: 900903
o similare.

Certificates

 

Technical data

SPD secondo la norma EN 61643-11 / ... IEC 61643-11 Tipo 2 + tipo 3/ classe II + classe III
Tensione massima continuativa AC [L-N] (UC ) 275 V (50 / 60 Hz)
Tensione massima continuativa DC (UC ) 350 V
Corrente nominale AC (IL ) 25 A
Potenza max 11 / 22 kW
Corrente impulsiva nominale di scarica (8/20 µs) [L-N] (In ) 10 kA
Corrente impulsiva max di scarica (8/20 µs) [L-N] (Imax ) 20 kA
Corrente impulsiva nominale di scarica (8/20 µs) [N-PE] (In ) 10 kA
Corrente impulsiva max di scarica (8/20 µs) [N-PE] (Imax ) 20 kA
Livello di protezione [L-N] (UP ) ≤ 1,5 kV
Livello di protezione [N-PE] (UP ) ≤ 1,5 kV

Product 900903 was added to Notepad.

Product 900903 was added to the cart.


DEHNcube EMOB 1 32

Scatola di derivazione dell’alloggiamento per mobilità elettrica.
Con scaricatore combinato e morsetti Push-in per l’uscita.

1 Product

Part No. 900904 DCU EMOB 1 32

GTIN 4013364506213, Customs tariff No. (EU): 85371098, Gross weight: 2.55 kg, PU: 1.00 pz.


Images

Additional information

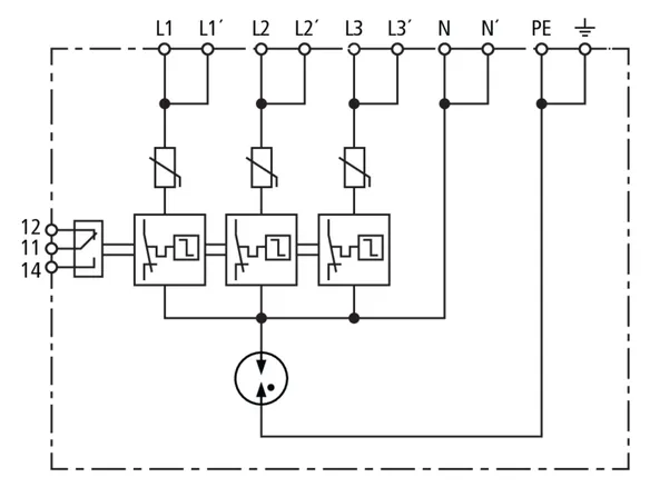
Scatola di derivazione dell’alloggiamento DCU EMOB 1 32
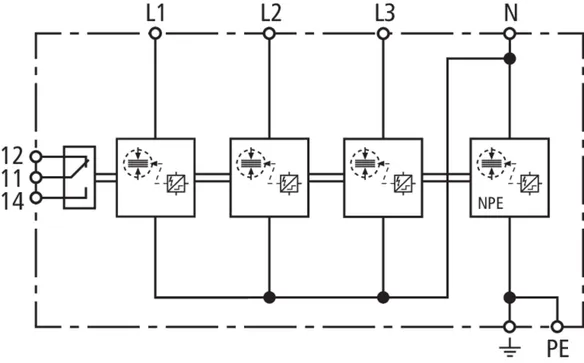
Scatola di derivazione dell’alloggiamento tipo 1+2 / I+II
secondo la norma EN 61643-11 / IEC 61643-11
EN 61439-2 / IEC 61439-2
Unità completa precablata per
l’installazione universale a monte della wall box
con contatto di telesegnalamento, indicazione di funzionamento/guasto
Tensione massima continuativa: AC 255 V
Livello di protezione: <= 1,5 kV
corrente di fulmine (10/350): 12,5 / 50 kA
corrente impulsiva nominale di scarica (8/20): 25 / 100 kA
Corrente nominale: 32 A
Potenza max: 11 / 22 kW
Dimensioni: 217 x 253 x 115 mm

Fabbricato: DEHN
Tipo: DCU EMOB 1 32
Art.: 900904
o similare.

Certificates

 

Technical data

SPD secondo la norma EN 61643-11 / ... IEC 61643-11 Tipo 1 + Tipo 2 / Classe I + Classe II
Tensione massima continuativa AC [L-N]/[N-PE] (UC ) 255 V (50 / 60 Hz)
Corrente nominale AC (IL ) 32 A
Potenza max 11 / 22 kW
Corrente impulsiva di fulmine (10/350) [L-N]/[N-PE] (Iimp ) 12,5 / 50 kA
Corrente impulsiva nominale di scarica (8/20) (In ) 25 / 100 kA
Livello di protezione [L-N] (UP ) ≤ 1,5 kV
Livello di protezione [N-PE] (UP ) ≤ 1,5 kV

Product 900904 was added to Notepad.

Product 900904 was added to the cart.


DEHNcube EMOB 2 32

Scatola di derivazione dell’alloggiamento per mobilità elettrica.
Con protezione dalle sovratensioni e morsetti Push-in per l’uscita.

1 Product

Part No. 900905 DCU EMOB 2 32

GTIN 4013364506244, Customs tariff No. (EU): 85371098, Gross weight: 2.07 kg, PU: 1.00 pz.


Images

Additional information

Scatola di derivazione dell’alloggiamento DCU EMOB 2 32
Scatola di derivazione dell’alloggiamento tipo 2+3 / II+III
secondo la norma EN 61643-11 / IEC 61643-11
EN 61439-2 / IEC 61439-2
Unità completa precablata per
l’installazione universale a monte della wall box
con contatto di telesegnalamento, indicazione di funzionamento/guasto
Tensione massima continuativa: 275 V AC
Livello di protezione: <= 1,5 kV
corrente impulsiva nominale di scarica (8/20): 10 kA
Corrente impulsiva complessiva di scarica (8/20): 40 kA
Corrente nominale: 32 A
Potenza max: 11 / 22 kW
Dimensioni: 182 x 180 x 100 mm

Fabbricato: DEHN
Tipo: DCU EMOB 2 32
Art.: 900905
o similare.

Certificates

 

Technical data

SPD secondo la norma EN 61643-11 / ... IEC 61643-11 Tipo 2 + tipo 3/ classe II + classe III
Tensione massima continuativa AC [L-N] (UC ) 275 V (50 / 60 Hz)
Tensione massima continuativa DC (UC ) 350 V
Corrente nominale AC (IL ) 32 A
Potenza max 11 / 22 kW
Corrente impulsiva nominale di scarica (8/20 µs) [L-N] (In ) 10 kA
Corrente impulsiva max di scarica (8/20 µs) [L-N] (Imax ) 20 kA
Corrente impulsiva nominale di scarica (8/20 µs) [N-PE] (In ) 10 kA
Corrente impulsiva max di scarica (8/20 µs) [N-PE] (Imax ) 20 kA
Livello di protezione [L-N] (UP ) ≤ 1,5 kV
Livello di protezione [N-PE] (UP ) ≤ 1,5 kV

Product 900905 was added to Notepad.

Product 900905 was added to the cart.


back to top