Staffa portafilo per conduttura HVI power in ambienti Ex

Il gestore di un impianto con rischio d'esplosione ha l'obbligo di suddividere l'impianto o parti dell'impianto in diverse zone con pericolo d'esplosione. Per questi impianti si deve considerare il fulmine come una potenziale fonte d'innesco. Per le diverse direttive e norme nazionali sulla sicurezza è richiesta una documentazione per la protezione dall'esplosione. In questa documentazione sono descritte le zone con i diversi rischi d'esplosione.

Il prodotto conduttura HVI power è idoneo per l'utilizzo in ambienti con pericolo d'esplosione della zona Ex 1 (gas, vapori e miscele) e della zona Ex 21 (polveri combustibili).
Le particolari condizioni d'installazione garantiscono che non si verifichi alcuna scintilla elettrica nei componenti metallici vicini durante il passaggio della corrente di fulmine nella conduttura HVI power.

Details

lorem ipsum
lorem ipsum

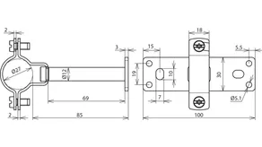
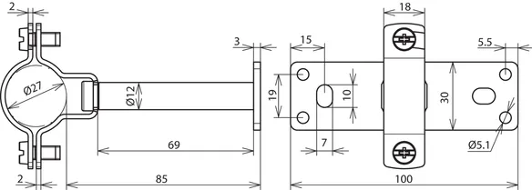
HVI power Ex W85 holder

Per il fissaggio su componenti metallici di costruzione (facciate) nelle zone Ex 1 e 21.

1 Product

Part No. 275450 LH ZS 27 EX W85 BP V2A

GTIN 4013364244436, Customs tariff No. (EU): 85389099, Gross weight: 179.40 g, PU: 10.00 pz.


Images

Additional information

Staffa portafilo per conduttura HVI in ambiente Ex
HVI power Ex W85 holder INOX
Staffa portafilo per conduttura HVI in ambiente Ex
per il fissaggio su tubi p. es. con nastro tenditore
(Art. 106 323) nelle zone Ex 1 e 21
Staffa portafilo serraggio Td: 27 mm
Fissaggio: [4x] Ø5,1 / [2x] 7 x 10 mm
Riferimento normativo: DIN IEC/TS 62561-8 (VDE V 0185-561-8)

Fabbricato: DEHN
Tipo: LH ZS 27 EX W85 BP V2A
Art.: 275450
o similare.

Certificates

 

Technical data

Materiale INOX
Staffa portafilo serraggio Td 27 mm
Distanza parete 85 mm
Fissaggio [4x] Ø5,1 / [2x] 7 x 10 mm
Riferimento normativo DIN IEC/TS 62561-8 (VDE V 0185-561-8)

Product 275450 was added to Notepad.

Product 275450 was added to the cart.


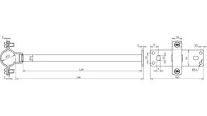
HVI power Ex W240 holder

Per il fissaggio su componenti metallici di costruzione (facciate) nelle zone Ex 1 e 21.

1 Product

Part No. 275451 LH ZS 27 EX W240 BP V2A

GTIN 4013364244498, Customs tariff No. (EU): 85389099, Gross weight: 291.40 g, PU: 10.00 pz.


Images

Additional information

Staffa portafilo per conduttura HVI in ambiente Ex
HVI power Ex W240 holder INOX
Staffa portafilo per conduttura HVI
in ambiente Ex per il fissaggio su tubi
p. es. con nastro tenditore (Art. 106 323) nelle zone Ex 1 e 21
Staffa portafilo serraggio Td: 27 mm
Fissaggio: [4x] Ø5,1 / [2x] 7 x 10 mm
Riferimento normativo: DIN IEC/TS 62561-8 (VDE V 0185-561-8)

Fabbricato: DEHN
Tipo: LH ZS 27 EX W240 BP V2A
Art.: 275451
o similare.

Certificates

 

Technical data

Materiale INOX
Staffa portafilo serraggio Td 27 mm
Distanza parete 240 mm
Fissaggio [4x] Ø5,1 / [2x] 7 x 10 mm
Riferimento normativo DIN IEC/TS 62561-8 (VDE V 0185-561-8)

Product 275451 was added to Notepad.

Product 275451 was added to the cart.


HVI power Ex busbar 500

Per la posa della conduttura HVI power con staffe portafilo HVI Ex W85 holder (Art. 275 450) su una struttura dielettrica p.es. pietra, legno.

1 Product

Part No. 275498 VS EX 500 V2A

GTIN 4013364146945, Customs tariff No. (EU): 85389099, Gross weight: 320.00 g, PU: 10.00 pz.

Predecessor

Images

Additional information

Staffa portafilo per conduttura HVI in ambiente Ex
busbar 500 per condutture HVI in ambienti Ex INOX
Staffa portafilo per conduttura HVI in ambiente Ex
per la posa di conduttura HVI con staffe portafilo
holder W70 per condutture HVI in ambienti Ex
(Art. 275 440) su una struttura dielettrica come ad es. pietra, legno
Fissaggio: [4x] Ø5,5 / [2x] 7 x 10 mm

Fabbricato: DEHN
Tipo: VS EX 500 V2A
Art.: 275498
o similare.

Certificates

 

Technical data

Fissaggio [4x] Ø5,5 / [2x] 7 x 10 mm

Product 275498 was added to Notepad.

Product 275498 was added to the cart.


HVI power Ex P85 holder

Per il fissaggio su tubi p. es. con nastro tenditore (Art. 106 323) nelle zone Ex 1 e 21.

1 Product

Part No. 275454 LH ZS 27 EX P85 SBB V2A

GTIN 4013364244504, Customs tariff No. (EU): 85389099, Gross weight: 188.50 g, PU: 10.00 pz.


Images

Additional information

Staffa portafilo per conduttura HVI in ambiente Ex
HVI power Ex P85 holder INOX
Staffa portafilo per conduttura HVI in ambiente Ex
per il fissaggio su tubi p. es. con nastro tenditore
(Art. 106 323) nelle zone Ex 1 e 21
Staffa portafilo serraggio Td: 27 mm
Campo di serraggio tubo: 50-300 mm
Riferimento normativo: DIN IEC/TS 62561-8 (VDE V 0185-561-8)

Fabbricato: DEHN
Tipo: LH ZS 27 EX P85 SBB V2A
Art.: 275454
o similare.

Certificates

 

Technical data

Materiale INOX
Staffa portafilo serraggio Td 27 mm
Distanza parete 85 mm
Campo di serraggio tubo 50-300 mm
Riferimento normativo DIN IEC/TS 62561-8 (VDE V 0185-561-8)

Product 275454 was added to Notepad.

Product 275454 was added to the cart.


HVI power Ex P240 holder

Per il fissaggio su tubi p. es. con nastro tenditore (Art. 106 323) nelle zone Ex 1 e 21.

1 Product

Part No. 275455 LH ZS 27 EX P240 SBB V2A

GTIN 4013364244535, Customs tariff No. (EU): 85389099, Gross weight: 296.30 g, PU: 10.00 pz.


Images

Additional information

Staffa portafilo per conduttura HVI in ambiente Ex
HVI power Ex P240 holder INOX
Staffa portafilo per conduttura HVI in ambiente Ex
per il fissaggio su tubi p. es. con nastro tenditore
(Art. 106 323) nelle zone Ex 1 e 21
Staffa portafilo serraggio Td: 27 mm
Campo di serraggio tubo: 50-300 mm
Riferimento normativo: DIN IEC/TS 62561-8 (VDE V 0185-561-8)

Fabbricato: DEHN
Tipo: LH ZS 27 EX P240 SBB V2A
Art.: 275455
o similare.

Certificates

 

Technical data

Materiale INOX
Staffa portafilo serraggio Td 27 mm
Distanza parete 240 mm
Campo di serraggio tubo 50-300 mm
Riferimento normativo DIN IEC/TS 62561-8 (VDE V 0185-561-8)

Product 275455 was added to Notepad.

Product 275455 was added to the cart.


back to top