Attrezzo per martello demolitore per dispersori tubolari

Per l'infissione di dispersori tubolari con martelli demolitori.

Details

Attrezzo per martello demolitore per dispersori di profondità e dispersori tubolari
lorem ipsum

Esecuzione fabbricato Wacker Neuson

1 Product

Part No. 648005 HE RE 25 R27 VH WN STBLANK

GTIN 4013364129160, Customs tariff No. (EU): 82079099, Gross weight: 1.46 kg, PU: 1.00 pz.


Images

Additional information

Attrezzo per martello demolitore per dispersori tubolari
Attrezzo per martello demolitore per dispersori tubolari per l'infissione di dispersori tubolari con martelli demolitori
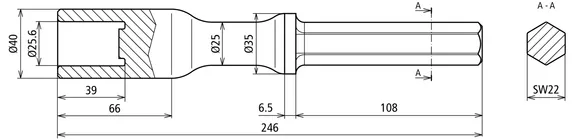
Tipo: EH 22/400, EH 23/230, EH 24/042/200, BH 23 e BHF 30
Innesto: tondo Ø27 x 80 mm
Materiale: Fe/non zincato

Fabbricato: DEHN
Tipo: HE RE 25 R27 VH WN STBLANK
Art.: 648005
o similare.

 

Technical data

Tipo EH 22/400, EH 23/230, EH 24/042/200, BH 23 e BHF 30
Innesto tondo Ø27 x 80 mm
Materiale Fe/non zincato
Foro (d1 x l1) 25,6 x 39 mm
Lunghezza 246 mm
Diametro disperosre 25 mm
Tipo dispersore di profondità RE

Product 648005 was added to Notepad.

Product 648005 was added to the cart.


Esecuzione fabbricato Atlas Copco

1 Product

Part No. 648007 HE RE 25 SW22 VH AC STBLANK

GTIN 4013364129177, Customs tariff No. (EU): 82079099, Gross weight: 1.46 kg, PU: 1.00 pz.


Images

Additional information

Attrezzo per martello demolitore per dispersori tubolari
Attrezzo per martello demolitore per dispersori tubolari per l'infissione di dispersori tubolari con martelli demolitori
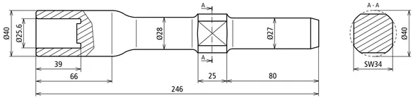
Tipo: Cobra 149+248 e Pionjär 120+130
Innesto: innesto esagonale, apertura 22 x 108 mm
Materiale: Fe/non zincato

Fabbricato: DEHN
Tipo: HE RE 25 SW22 VH AC STBLANK
Art.: 648007
o similare.

 

Technical data

Tipo Cobra 149+248 e Pionjär 120+130
Innesto innesto esagonale, apertura 22 x 108 mm
Materiale Fe/non zincato
Foro (d1 x l1) 25,6 x 39 mm
Lunghezza 246 mm
Diametro disperosre 25 mm
Tipo dispersore di profondità RE

Product 648007 was added to Notepad.

Product 648007 was added to the cart.


Esecuzione fabbricato SDS-max

1 Product

Part No. 648009 HE RE 25 SDS MAX VH STBLANK

GTIN 4013364315501, Customs tariff No. (EU): 82079099, Gross weight: 973.00 g, PU: 1.00 pz.


Images

Additional information

Attrezzo per martello demolitore per dispersori tubolari
Attrezzo per martello demolitore per dispersori tubolari per l'infissione
di dispersori tubolari con martelli demolitori

Tipo: martello demolitore con attacco SDS-max
Innesto: tondo Ø18 x 175 mm
Materiale: Fe/non zincato

Fabbricato: DEHN
Tipo: HE RE 25 SDS MAX VH STBLANK
Art.: 648009
o similare.

 

Technical data

Tipo martello demolitore con attacco SDS-max
Innesto tondo Ø18 x 175 mm
Materiale Fe/non zincato
Foro (d1 x l1) 25,6 x 39 mm
Lunghezza 260 mm
Diametro disperosre 25 mm
Tipo dispersore di profondità RE
Indicazione: si consiglia di usare un martello con una forza d'urto di almeno 26 Joule. La massima profondità di infissione dipende dal tipo di suolo.

Product 648009 was added to Notepad.

Product 648009 was added to the cart.


Esecuzione fabbricato Bosch / Hilti / Milwaukee

1 Product

Part No. 648029 HE RE 25 SW28 VH BO STBLANK

GTIN 4013364236059, Customs tariff No. (EU): 82079099, Gross weight: 1.60 kg, PU: 1.00 pz.


Images

Additional information

Attrezzo per martello demolitore per dispersori tubolari
Attrezzo per martello demolitore per dispersori tubolari per l'infissione
di dispersori tubolari con martelli demolitori
Tipo: GSH 27, GSH 27 VC, TE 3000 AVR (fino al modello 2021) / K 2628 H
Innesto: innesto esagonale, apertura 28
Materiale: Fe/non zincato

Fabbricato: DEHN
Tipo: HE RE 25 SW28 VH BO STBLANK
Art.: 648029
o similare.

 

Technical data

Tipo GSH 27, GSH 27 VC, TE 3000 AVR (fino al modello 2021) / K 2628 H
Innesto innesto esagonale, apertura 28
Materiale Fe/non zincato
Foro (d1 x l1) 25,6 x 39 mm
Lunghezza 266 mm
Diametro disperosre 25 mm
Tipo dispersore di profondità RE

Product 648029 was added to Notepad.

Product 648029 was added to the cart.


Esecuzione fabbricato Hilti TE-S

1 Product

Part No. 648031 HE RE 25 TES VH HI STBLANK

GTIN 4013364293182, Customs tariff No. (EU): 82079099, Gross weight: 1.51 kg, PU: 1.00 pz.


Images

Additional information

Attrezzo per martello demolitore per dispersori tubolari
Attrezzo per martello demolitore per dispersori tubolari per l'infissione
di dispersori tubolari con martelli demolitori
Tipo: martello demolitore con attacco TE-S
Innesto: Hilti TE-S
Materiale: Fe/non zincato

Fabbricato: DEHN
Tipo: HE RE 25 TES VH HI STBLANK
Art.: 648031
o similare.

 

Technical data

Tipo martello demolitore con attacco TE-S
Innesto Hilti TE-S
Materiale Fe/non zincato
Foro (d1 x l1) 25,6 x 39 mm
Lunghezza 280 mm
Diametro disperosre 25 mm
Tipo dispersore di profondità RE

Product 648031 was added to Notepad.

Product 648031 was added to the cart.


back to top