Unità di limitazione DASD 45

  • DASD: DEHN Advanced Solid-State Decoupler
  • Protezione in caso di sovratensioni transienti, temporanee e stazionarie
  • Elevata capacità di scarica
  • Modalità Fail-Safe in caso di guasto
  • Connettore di prova integrato
  • Utilizzabile in ambienti esterni

DASD 45 LP 100 T

1 Product

Part No. 923402 DASD 45 LP 100 T

GTIN 4013364442269, Customs tariff No. (EU): 85363030, Gross weight: 3.69 kg, PU: 1.00 pz.


Images

Additional information

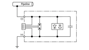
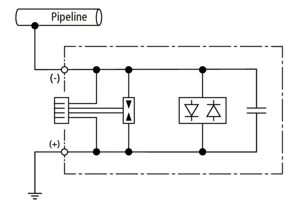
Unità di limitazione capacitiva DASD
Unità di limitazione capacitiva
per la protezione in caso di sovratensioni transienti, temporanee e stazionarie
Corrente di scarica transiente: (10/350 us): 75 kA
Corrente di scarica temporanea (16,7 Hz, 50 Hz, 60 Hz) 3,7 kAeff (fino a 200 ms)
Corrente di scarica stazionaria (16,7 Hz, 50 Hz, 60 Hz): 45 A (continua)
Con connettore di prova integrato
Utilizzabile in ambienti esterni

Fabbricato: DEHN
Tipo: DASD 45 LP 100 T
Art.: 923402
o similare.

Certificates

 

Technical data

Corrente di scarica transiente (10/350 µs) 75 kA
Corrente di scarica transiente (8/20 µs) 100 kA
Corrente di scarica temporanea (16,7 Hz, 50 Hz, 60 Hz) 5,0 kArms (fino a 40 ms)
Corrente di scarica temporanea (16,7 Hz, 50 Hz, 60 Hz) 3,7 kArms (fino a 200 ms)
Corrente di scarica temporanea (16,7 Hz, 50 Hz, 60 Hz) 2,0 kArms (fino a 600 ms)
Corrente di scarica stazionaria (16,7 Hz, 50 Hz, 60 Hz) 45 Arms
Tensione di limitazione transiente (fino a 1 ms) ≤ 1,35 kV
Tensione di limitazione stazionaria (> 600 ms) ≤ 3 V
Omologazioni IECEx IECEx TUR 22.0029X
Marcatura Ex secondo EN 60079-0 ed EN 60079-7 Ex ec IIC T4 Gc

Product 923402 was added to Notepad.

Product 923402 was added to the cart.


back to top