Punto di sezionamento FIX

Con supporto isolato e lama di sezionamento.

1 Product

Part No. 453100 FTS 8.10 FL30.40 IS STTZN

GTIN 4013364025523, Customs tariff No. (EU): 85359000, Gross weight: 342.90 g, PU: 10.00 pz.


Images

Additional information

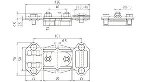
Punto di sezionamento FIX
Punto di sezionamento FIX con supporto isolato e lama di sezionamento
per collegare la calata con l'adduzione a terra
Materiale: Fe/tZn
Campo di serraggio Td/Pt: 8-10 / 30-40 mm
Riferimento norma: CEI EN 62561-1

Fabbricato: DEHN
Tipo: FTS 8.10 FL30.40 IS STTZN
Art.: 453100
o similare.

Certificates

 

Technical data

Materiale Fe/tZn
Campo di serraggio Td/Pt 8-10 / 30-40 mm
Elemento isolante materiale plastico grigia
Riferimento norma CEI EN 62561-1
Versione per conduttori Td / Td 8-10 mm art. n. 453 102 su richiesta.
*) Per l’attribuzione precisa vedere il certificato di prova.

Product 453100 was added to Notepad.

Product 453100 was added to the cart.


back to top