DEHNguard modular E (Y)PV SCI 1500

  • Unità completa precablata, modulare per impianti fotovoltaici fino a 1500 V, composta da un elemento base e moduli di protezione innestati
  • Dispositivo di sezionamento e di cortocircuito con sezionamento elettrico sicuro nel modulo di protezione (principio SCI brevettato)
  • Design innovativo per l'impiego sicuro in impianti fotovoltaici fino a 1500 V
  • Provato secondo EN 50539-11
  • Utilizzabile in tutti i sistemi FV secondo IEC 60364-7-712

Details

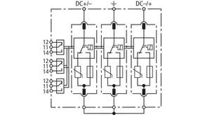
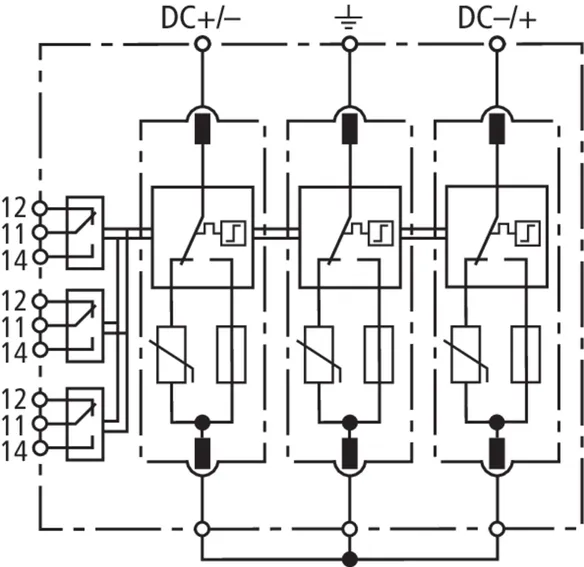
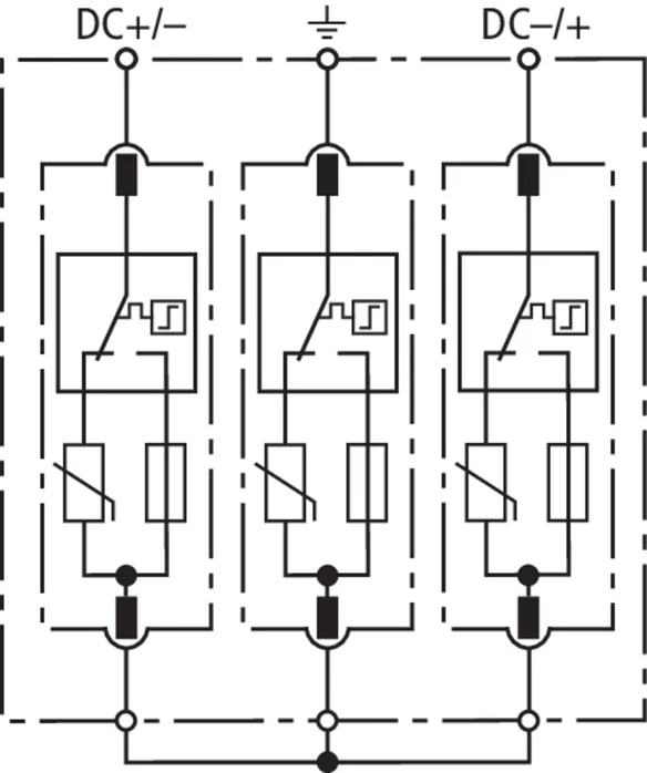
Unità di manovra in DC a 3 gradini (principio SCI brevettato)
lorem ipsum

DEHNguard ME YPV SCI 1500 (FM)

Limitatore di sovratensione per impianti FV, multipolare, modulare con unità di manovra in corrente continua a tre gradini.

2 Products

Part No. 952520 DG ME YPV SCI 1500

GTIN 4013364149069, Customs tariff No. (EU): 85354000, Gross weight: 535.70 g, PU: 1.00 pz.


Images

Additional information

Limitatore di sovratensione modulare DEHNguard ME YPV SCI 1500
Limitatore di sovratensione per impianti FV fino a 1500 V DC, innestabile, multipolare, modulare
con unità di manovra in corrente continua a tre gradini, dimensioni: 4,5 unità
Indicazione di guasto
SPD Tipo 2 secondo CEI EN 50539-11
Utilizzabile secondo IEC 60364-7-712
Sezionamento elettrico sicuro nel modulo di protezione
Tensione max. FV: <= 1500 V DC
Corrente impulsiva totale di scarica: 25 kA
Livello di protezione: <= 6 kV
Tenuta al corto circuito Iscpv: 10 kA

Fabbricato: DEHN
Tipo: DG ME YPV SCI 1500
Art.: 952520
o similare.

Certificates

 

SCI-Technology

The patented SCI technology with active arc extinction allows to actively, quickly and safely extinguish a possible switching arc in case of overload. The PV fuse integrated in the short-circuit path trips immediately after the arc has been extinguished, thus ensuring safe electrical isolation (interruption). Consequently, all PV arresters from DEHN combine surge protection, fire protection and personal protection in a single device

Technical data

SPD secondo la norma EN 61643-31 / ... IEC 61643-31 Tipo 2 / Classe II
Tensione max FV (UCPV ) 1500 V
Tenuta al corto circuito (ISCPV ) 10 kA
Corrente impulsiva massima di scarica (8/20 µs) (Itotal ) 25 kA
Corrente impulsiva nominale di scarica (8/20 µs) [(DC+/DC-) --> PE] (In ) 12,5 kA
Livello di protezione (UP ) ≤ 6 kV
Omologazioni KEMA, UL

Product 952520 was added to Notepad.

Product 952520 was added to the cart.

Part No. 952525 DG ME YPV SCI1500 FM

GTIN 4013364149076, Customs tariff No. (EU): 85354000, Gross weight: 556.00 g, PU: 1.00 pz.


Images

Additional information

Limitatore di sovratensione modulare DEHNguard ME YPV SCI 1500 FM
Limitatore di sovratensione per impianti FV fino a 1500 V DC, innestabile, multipolare, modulare
con unità di manovra in corrente continua a tre gradini, dimensioni: 4,5 unità
Indicazione di guasto con contatto di telesegnalamento
SPD Tipo 2 secondo CEI EN 50539-11
Utilizzabile secondo IEC 60364-7-712
Sezionamento elettrico sicuro nel modulo di protezione
Tensione max. FV: <= 1500 V DC
Corrente impulsiva totale di scarica: 25 kA
Livello di protezione: <= 6 kV
Tenuta al corto circuito Iscpv: 10 kA

Fabbricato: DEHN
Tipo: DG ME YPV SCI1500 FM
Art.: 952525
o similare.

Certificates

 

SCI-Technology

The patented SCI technology with active arc extinction allows to actively, quickly and safely extinguish a possible switching arc in case of overload. The PV fuse integrated in the short-circuit path trips immediately after the arc has been extinguished, thus ensuring safe electrical isolation (interruption). Consequently, all PV arresters from DEHN combine surge protection, fire protection and personal protection in a single device

Technical data

SPD secondo la norma EN 61643-31 / ... IEC 61643-31 Tipo 2 / Classe II
Tensione max FV (UCPV ) 1500 V
Tenuta al corto circuito (ISCPV ) 10 kA
Corrente impulsiva massima di scarica (8/20 µs) (Itotal ) 25 kA
Corrente impulsiva nominale di scarica (8/20 µs) [(DC+/DC-) --> PE] (In ) 12,5 kA
Livello di protezione (UP ) ≤ 6 kV
Omologazioni KEMA, UL
Contatto FM/ tipo di contatto scambio

Product 952525 was added to Notepad.

Product 952525 was added to the cart.


back to top