Ganasce

Per il collegamento di rivestimenti metallici mediante rivetti oppure viti.

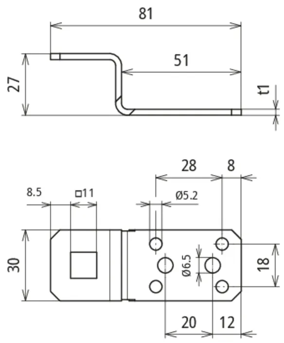
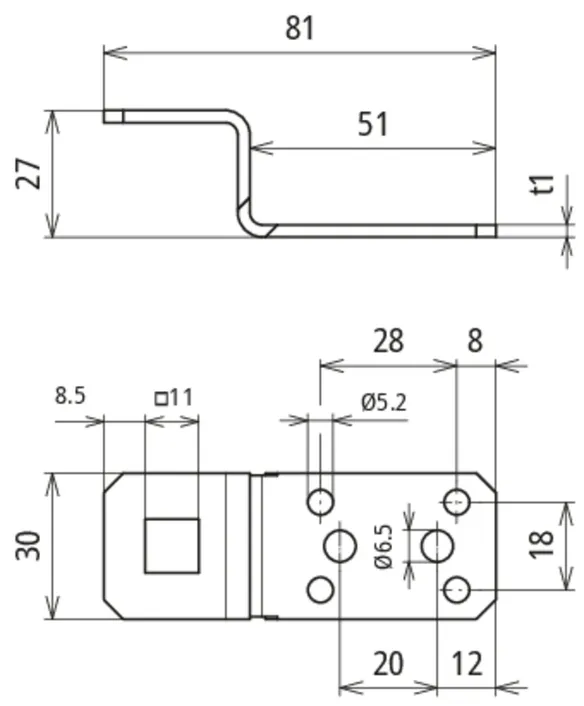
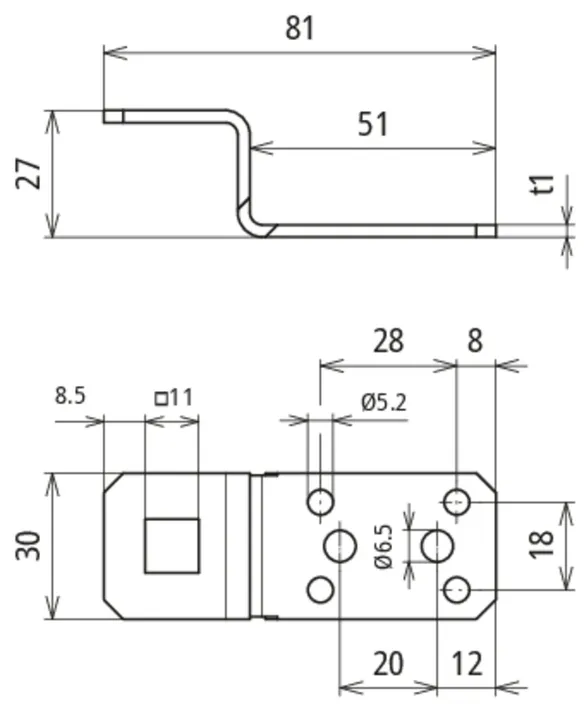
Con buco quadrato

Dimensioni 11 x 11 mm (p.es. per connettore KS M10), collegamento longitudinale oppure trasversale.

3 Products

Part No. 377005 AL ZF B11.11 B5.2 6.5 L81 AL

GTIN 4013364024908, Customs tariff No. (EU): 85359000, Gross weight: 23.90 g, PU: 50.00 pz.


Images

Additional information

Ganascia con foro quadrato Al
Ganasce per il collegamento di rivestimenti metallici
mediante rivetti oppure viti buco 11x11 mm (ad es. per connettori KS),
Collegamento longitudinale e trasversale
Materiale linguetta: Al
Fissaggio: [4x] Ø5,2 / [2x] Ø6,5 mm
Riferiemnto norma: CEI EN 62561-1

Fabbricato: DEHN
Tipo: AL ZF B11.11 B5.2 6.5 L81 AL
Art.: 377005
o similare.

Certificates

 

Technical data

Materiale linguetta Al
Fissaggio [4x] Ø5,2 / [2x] Ø6,5 mm
Riferiemnto norma CEI EN 62561-1
*) Per l’attribuzione precisa vedere il certificato di prova.

Product 377005 was added to Notepad.

Product 377005 was added to the cart.

Part No. 377017 AL ZF B11.11 B5.2 6.5 L81 CU

GTIN 4013364024915, Customs tariff No. (EU): 85359000, Gross weight: 51.20 g, PU: 50.00 pz.


Images

Additional information

Ganascia con foro quadrato Al
Ganasce per il collegamento di rivestimenti metallici
mediante rivetti oppure viti buco 11x11 mm (ad es. per connettori KS),
Collegamento longitudinale e trasversale
Materiale linguetta: Cu
Fissaggio: [4x] Ø5,2 / [2x] Ø6,5 mm
Riferiemnto norma: CEI EN 62561-1

Fabbricato: DEHN
Tipo: AL ZF B11.11 B5.2 6.5 L81 CU
Art.: 377017
o similare.

Certificates

 

Technical data

Materiale linguetta Cu
Fissaggio [4x] Ø5,2 / [2x] Ø6,5 mm
Riferiemnto norma CEI EN 62561-1
*) Per l’attribuzione precisa vedere il certificato di prova.

Product 377017 was added to Notepad.

Product 377017 was added to the cart.

Part No. 377009 AL ZF B11.11 B5.2 6.5 L81 V2A

GTIN 4013364119284, Customs tariff No. (EU): 85359000, Gross weight: 54.10 g, PU: 50.00 pz.


Images

Additional information

Ganascia con foro quadrato INOX
Ganasce per il collegamento di rivestimenti metallici
mediante rivetti oppure viti buco 11x11 mm (ad es. per connettori KS),
Collegamento longitudinale e trasversale
Materiale linguetta: INOX
Fissaggio: [4x] Ø5,2 / [2x] Ø6,5 mm
Riferiemnto norma: CEI EN 62561-1

Fabbricato: DEHN
Tipo: AL ZF B11.11 B5.2 6.5 L81 V2A
Art.: 377009
o similare.

Certificates

 

Technical data

Materiale linguetta INOX
Fissaggio [4x] Ø5,2 / [2x] Ø6,5 mm
Riferiemnto norma CEI EN 62561-1
*) Per l’attribuzione precisa vedere il certificato di prova.

Product 377009 was added to Notepad.

Product 377009 was added to the cart.


Con cavallotto

Collegamento longitudinale oppure trasversale.

3 Products

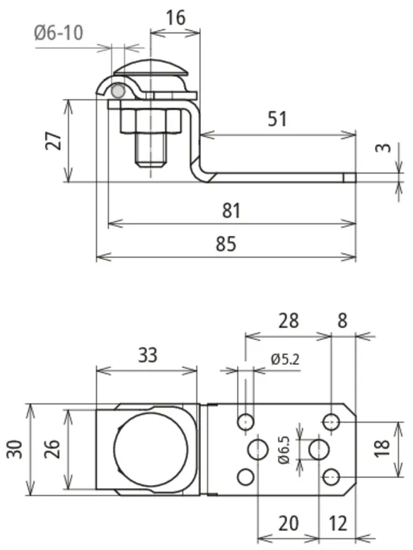
Part No. 377100 AL ZF KB 6.10STTZN B5.2 6.5 L81 AL

GTIN 4013364078604, Customs tariff No. (EU): 85359000, Gross weight: 76.00 g, PU: 50.00 pz.


Images

Additional information

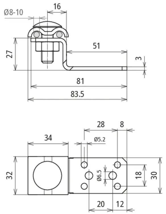
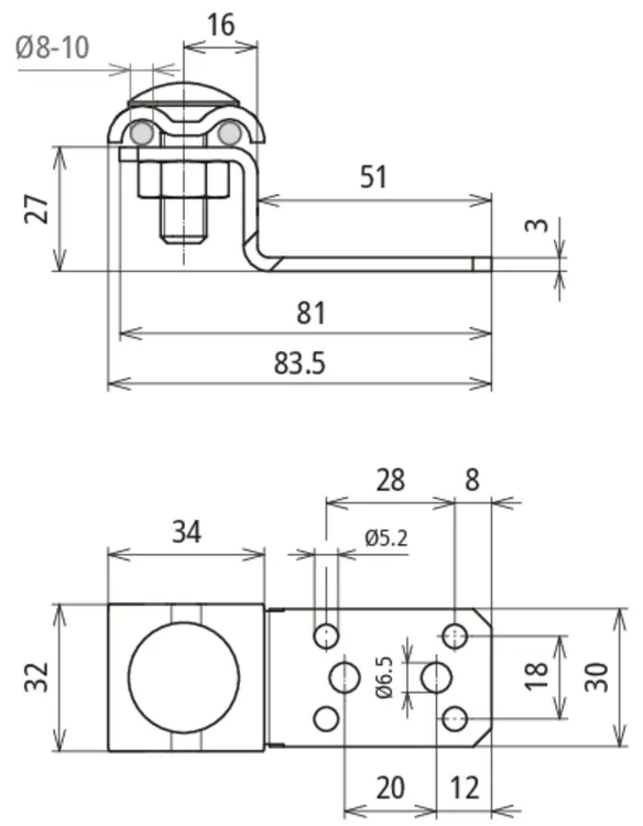
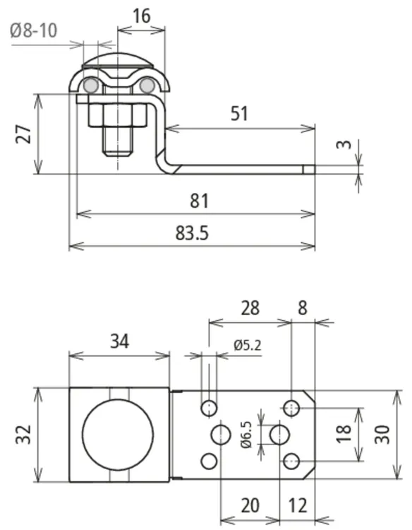
Ganascia con cavallotto
Ganasce per il collegamento di rivestimenti metallici mediante rivetti
oppure viti
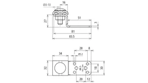
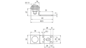
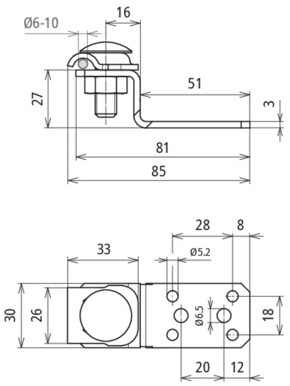
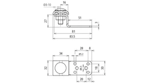
Con cavallotto per conduttori Rd 6-10 mm
Materiale linguetta: Al
Fissaggio: [4x] Ø5,2 / [2x] Ø6,5 mm
Materiale cavallotto: Fe/tZn
Vite: M10 x 30 mm
Campo di seraggio Rd: 6-10 mm
Riferiemnto norma: CEI EN 62561-1

Fabbricato: DEHN
Tipo: AL ZF KB 6.10STTZN B5.2 6.5 L81 AL
Art.: 377100
o similare.

Certificates

 

Technical data

Materiale linguetta Al
Fissaggio [4x] Ø5,2 / [2x] Ø6,5 mm
Materiale cavallotto Fe/tZn
Campo di seraggio Rd 6-10 mm
Riferiemnto norma CEI EN 62561-1
*) Per l’attribuzione precisa vedere il certificato di prova.

Product 377100 was added to Notepad.

Product 377100 was added to the cart.

Part No. 377117 AL ZF KB 6.10CU B5.2 6.5 L81 CU

GTIN 4013364524781, Customs tariff No. (EU): 85359000, Gross weight: 110.00 g, PU: 1.00 pz.


Images

Additional information


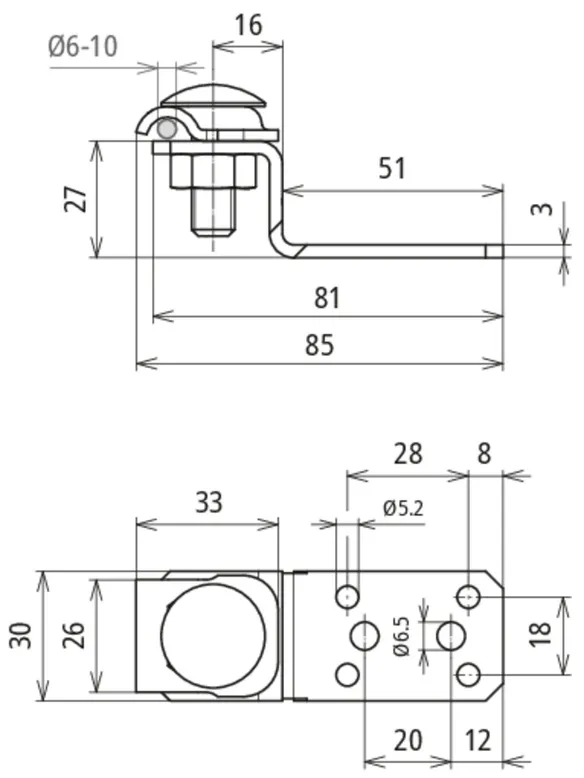
Materiale linguetta: Cu
Fissaggio: [4x] Ø5,2 / [2x] Ø6,5 mm
Materiale cavallotto: Cu
Vite: M10 x 30 mm
Campo di seraggio Rd: 6-10 mm

Fabbricato: DEHN
Tipo: AL ZF KB 6.10CU B5.2 6.5 L81 CU
Art.: 377117
o similare.

 

Technical data

Materiale linguetta Cu
Fissaggio [4x] Ø5,2 / [2x] Ø6,5 mm
Materiale cavallotto Cu
Campo di seraggio Rd 6-10 mm
*) Per l’attribuzione precisa vedere il certificato di prova.

Product 377117 was added to Notepad.

Product 377117 was added to the cart.

Part No. 377109 AL ZF KB 6.10V2A B5.2 6.5 L81 V2A

GTIN 4013364524743, Customs tariff No. (EU): 85359000, Gross weight: 120.00 g, PU: 1.00 pz.


Images

Additional information


Materiale linguetta: INOX
Fissaggio: [4x] Ø5,2 / [2x] Ø6,5 mm
Materiale cavallotto: INOX
Vite: M10 x 30 mm
Campo di seraggio Rd: 6-10 mm

Fabbricato: DEHN
Tipo: AL ZF KB 6.10V2A B5.2 6.5 L81 V2A
Art.: 377109
o similare.

 

Technical data

Materiale linguetta INOX
Fissaggio [4x] Ø5,2 / [2x] Ø6,5 mm
Materiale cavallotto INOX
Campo di seraggio Rd 6-10 mm
*) Per l’attribuzione precisa vedere il certificato di prova.

Product 377109 was added to Notepad.

Product 377109 was added to the cart.


Con doppio cavallotto

Collegmaento longitudinale oppure trasversale.

3 Products

Part No. 377200 AL ZF DUL 6.10 B5.2 6.5 L81 AL

GTIN 4013364136465, Customs tariff No. (EU): 85359000, Gross weight: 72.40 g, PU: 50.00 pz.


Images

Additional information

Ganascia con cavallotto doppio di fissaggio Al
Ganasce per il collegamento di rivestimenti metallici mediante rivetti
oppure viti
con cavallotto doppio di fissaggio per conduttori Rd 8-10 mm
Materiale linguetta: Al
Fissaggio: [4x] Ø5,2 / [2x] Ø6,5 mm
Materiale cavallotto doppio : Al
Vite: M10 x 30 mm
Campo di seraggio Rd: 8-10 mm
Riferiemnto norma: CEI EN 62561-1

Fabbricato: DEHN
Tipo: AL ZF DUL 6.10 B5.2 6.5 L81 AL
Art.: 377200
o similare.

Certificates

 

Technical data

Materiale linguetta Al
Fissaggio [4x] Ø5,2 / [2x] Ø6,5 mm
Materiale cavallotto doppio Al
Campo di seraggio Rd 8-10 mm
Riferiemnto norma CEI EN 62561-1
*) Per l’attribuzione precisa vedere il certificato di prova.

Product 377200 was added to Notepad.

Product 377200 was added to the cart.

Part No. 377201 AL ZF DUL 6.10 B5.2 6.5 L81 STTZN

GTIN 4013364525122, Customs tariff No. (EU): 85359000, Gross weight: 117.50 g, PU: 50.00 pz.


Images

Additional information

Linguetta di collegamento con cavallotto doppio di fissaggio Fe/tZn
Linguette di collegamento per il collegamento di
rivestimenti metallici tramite rivetti ciechi
o viti
con cavallotto doppio di fissaggio per conduttore Td 8-10 mm
Materiale linguetta: Fe/tZn
Fissaggio: [4x] Ø5,2 / [2x] Ø6,5 mm
Materiale cavallotto doppio : Fe/tZn
Vite: M10 x 30 mm
Campo di seraggio Rd: 8-10 mm
Riferiemnto norma: CEI EN 62561-1

Fabbricato: DEHN
Tipo: AL ZF DUL 6.10 B5.2 6.5 L81 STTZN
Art.: 377201
o similare.

Certificates

 

Technical data

Materiale linguetta Fe/tZn
Fissaggio [4x] Ø5,2 / [2x] Ø6,5 mm
Materiale cavallotto doppio Fe/tZn
Campo di seraggio Rd 8-10 mm
Riferiemnto norma CEI EN 62561-1
*) Per l’attribuzione precisa vedere il certificato di prova.

Product 377201 was added to Notepad.

Product 377201 was added to the cart.

Part No. 377209 AL ZF DUL 6.10 B5.2 6.5 L81 V2A

GTIN 4013364525139, Customs tariff No. (EU): 85359000, Gross weight: 111.65 g, PU: 50.00 pz.


Images

Additional information

Linguetta di collegamento con cavallotto doppio di fissaggio INOX
Linguette di collegamento per il collegamento di
rivestimenti metallici tramite rivetti ciechi
o viti
con cavallotto doppio di fissaggio per conduttore Td 8-10 mm
Materiale linguetta: INOX
Fissaggio: [4x] Ø5,2 / [2x] Ø6,5 mm
Materiale cavallotto doppio : INOX
Vite: M10 x 30 mm
Campo di seraggio Rd: 8-10 mm
Riferiemnto norma: CEI EN 62561-1

Fabbricato: DEHN
Tipo: AL ZF DUL 6.10 B5.2 6.5 L81 V2A
Art.: 377209
o similare.

Certificates

 

Technical data

Materiale linguetta INOX
Fissaggio [4x] Ø5,2 / [2x] Ø6,5 mm
Materiale cavallotto doppio INOX
Campo di seraggio Rd 8-10 mm
Riferiemnto norma CEI EN 62561-1
*) Per l’attribuzione precisa vedere il certificato di prova.

Product 377209 was added to Notepad.

Product 377209 was added to the cart.


back to top