Contascariche

Contascariche intelligente per la registrazione senza potenziale di numero e ora (data dell'evento con marca temporale) delle correnti di scarica.
In modalità di funzionamento a batteria (standalone, senza alimentatore) con memorizzazione in locale dei dati e visualizzazione a schermo.
In modalità di funzionamento a rete elettrica con comunicazione opzionale (Modbus RTU) tra il contatore e il centro di controllo esterno.

Contascariche IPC P4

1 Product

Part No. 910513 IPC P4

GTIN 6942299506310, Customs tariff No. (EU): 90291000, Gross weight: 180.20 g, PU: 1.00 pz.


Images

Additional information

Contascariche IPC P4
Contatore in modalità di funzionamento a batteria (solo memoria interna) o
con alimentazione esterna 9-36 V DC (con comunicazione al centro di controllo)
registrazione senza potenziale delle correnti di scarica
dei dispositivi di protezione dalle sovratensioni
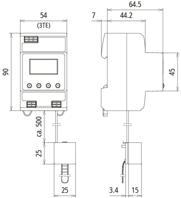
Sensore per il fissaggio dello scaricatore al conduttore di terra
cavo sensore attorcigliato: lunghezza 0,5 m
Valore minimo di conteggio della corrente di scarica pulsata (10/350 µs): 1 kA
Valore limite di conteggio della corrente di scarica pulsata (10/350 µs): 100 kA
Valore minimo di conteggio della corrente di scarica (8/20 µs): 1 kA
Valore limite di conteggio della corrente di scarica (8/20 µs): 100 kA
Visualizzatore OLED
contatore elettrico 0 ... 999
Montaggio su guida profilata DIN da 35 mm secondo la norma EN 60715

Fabbricato: DEHN
Tipo: IPC P4
Art.: 910513
o similare.

Certificates

 

Technical data

Contascariche a norma GB/T 33588.6 e EN/IEC 62561-6 Tipo I + tipo II
Valore limite di conteggio della corrente di scarica pulsata (10/350 µs) (Iimp max ) 100 kA
Valore minimo di conteggio della corrente di scarica pulsata (10/350 µs) (Iimp min ) 1 kA
Valore limite di conteggio della corrente di scarica (8/20 µs) (In max ) 100 kA
Valore minimo di conteggio della corrente di scarica (8/20 µs) (In min ) 1 kA
Visualizzatore OLED contatore elettronico 0-999
Alimentazione Batteria al biossido di litio-manganese o 9-36 V DC
Dispositivo di reset Tasti nel dispositivo (ad es. per riportare a 0 il contatore) o tramite accesso da remoto
Dimensioni: sensore 25 mm x 25 mm x 15 mm
Accessori compresi nella fornitura Sensore con aletta di fissaggio integrata

Product 910513 was added to Notepad.

Product 910513 was added to the cart.


back to top