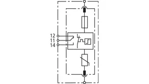
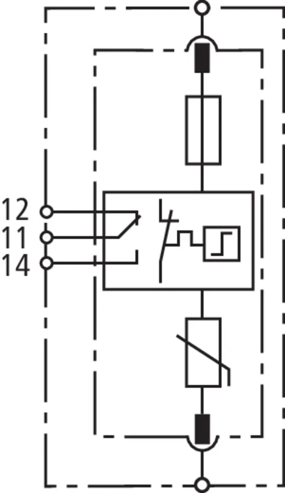
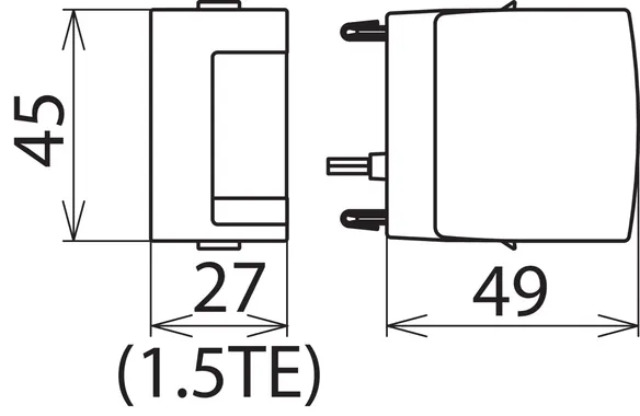
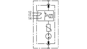
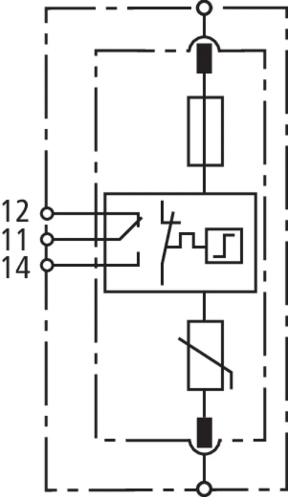
Modulo di protezione per DEHNguard M, ... S e DEHNgap C S

  • Elevata capacità di scarica tramite potenti varistori all'ossido di zinco / spinterometri
  • Elevata sicurezza dell’apparecchio tramite dispositivo di controllo “Thermo Dynamik Control"
  • Energeticamente coordinato all’interno della famiglia di prodotti Red/Line
  • Indicazione di funzionamento / guasto tramite marcatura verde / rossa nella finestrella di controllo
  • Sostituzione semplice, senza attrezzi, del modulo di protezione tramite sistema di blocco e tasto di sblocco modulo
  • A prova di vibrazioni e di shock meccanico secondo la norma EN 60068-2

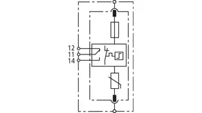
Modulo di protezione a commutatore spinterometrico per DEHNguard M ACI

2 Products

Part No. 952024 DG MOD ACI 275

GTIN 4013364377356, Customs tariff No. (EU): 85363030, Gross weight: 55.00 g, PU: 1.00 pz.


Images

Additional information

Modulo di protezione a commutatore spinterometrico DG MOD A 275
Modulo di protezione innestabile per DEHNguard M ACI ...
SPD Tipo 2 secondo CEI EN 61643-11
SPD della famiglia di prodotti Red/Line
Tensione massima continuativa: 275 V AC / 350 V DC
Corrente impulsiva nominale di scarica: 20 kA
Indicazione di guasto

Fabbricato: DEHN
Tipo: DG MOD ACI 275
Art.: 952024
o similare.

Certificates

 

ACI-Technology

A further development of CI technology, ACI technology consists of a switch/spark gap combination connected in series with a heavyduty varistor. This ensures the simple design and safe operation of the surge protective device. Other features are safe dimensioning, TOV withstand, a connection cross-section of only 6 mm� Cu and zero leakage current. Surge arresters with ACI technology offer maximum safety and system availability.

Circuit Interruption

The backup fuse is already integrated here. This means: reduced space requirement, lower installation costs, faster wiring, and shorter connecting cables. This concept can be found in the product ranges DEHNvenCI, DEHNbloc Maxi S, DEHNguard ... CI and V(A) NH...

Direct Current-Disconnection

When using surge arresters in d.c. applications, disconnection must be reliably ensured even if there are no zero crossings. The specifically developed DC Disconnection (DCD) technology acts as a wedge similar to a blocking valve and interrupts the direct current. Consequently, the devices of the DEHNguard SE DC series are capable of safely interrupting direct currents, thus preventing fire damage caused by d.c. switching arcs.

SCI-Technology

The patented SCI technology with active arc extinction allows to actively, quickly and safely extinguish a possible switching arc in case of overload. The PV fuse integrated in the short-circuit path trips immediately after the arc has been extinguished, thus ensuring safe electrical isolation (interruption). Consequently, all PV arresters from DEHN combine surge protection, fire protection and personal protection in a single device

Technical data

Corrente impulsiva nominale di scarica (8/20 µs) (In ) 20 kA
Tensione massima continuativa AC (UC ) 275 V

Product 952024 was added to Notepad.

Product 952024 was added to the cart.

Part No. 952028 DG MOD ACI 385

GTIN 4013364387843, Customs tariff No. (EU): 85363030, Gross weight: 66.00 g, PU: 1.00 pz.


Images

Additional information

Modulo di protezione a commutatore spinterometrico DG MOD A 275
Modulo di protezione innestabile per DEHNguard M ACI ...
SPD Tipo 2 secondo CEI EN 61643-11
SPD della famiglia di prodotti Red/Line
Tensione massima continuativa: 275 V AC / 35 V DC
Corrente impulsiva nominale di scarica: 20 kA
Indicazione di guasto

Fabbricato: DEHN
Tipo: DG MOD ACI 385
Art.: 952028
o similare.

 

ACI-Technology

A further development of CI technology, ACI technology consists of a switch/spark gap combination connected in series with a heavyduty varistor. This ensures the simple design and safe operation of the surge protective device. Other features are safe dimensioning, TOV withstand, a connection cross-section of only 6 mm� Cu and zero leakage current. Surge arresters with ACI technology offer maximum safety and system availability.

Circuit Interruption

The backup fuse is already integrated here. This means: reduced space requirement, lower installation costs, faster wiring, and shorter connecting cables. This concept can be found in the product ranges DEHNvenCI, DEHNbloc Maxi S, DEHNguard ... CI and V(A) NH...

Direct Current-Disconnection

When using surge arresters in d.c. applications, disconnection must be reliably ensured even if there are no zero crossings. The specifically developed DC Disconnection (DCD) technology acts as a wedge similar to a blocking valve and interrupts the direct current. Consequently, the devices of the DEHNguard SE DC series are capable of safely interrupting direct currents, thus preventing fire damage caused by d.c. switching arcs.

SCI-Technology

The patented SCI technology with active arc extinction allows to actively, quickly and safely extinguish a possible switching arc in case of overload. The PV fuse integrated in the short-circuit path trips immediately after the arc has been extinguished, thus ensuring safe electrical isolation (interruption). Consequently, all PV arresters from DEHN combine surge protection, fire protection and personal protection in a single device

Technical data

Corrente impulsiva nominale di scarica (8/20 µs) (In ) 20 kA
Tensione massima continuativa AC (UC ) 385 V

Product 952028 was added to Notepad.

Product 952028 was added to the cart.


Modulo di protezione a spinterometro per DEHNguard M ACI

1 Product

Part No. 952022 DG MOD A NPE

GTIN 4013364376533, Customs tariff No. (EU): 85363030, Gross weight: 46.00 g, PU: 1.00 pz.


Images

Additional information

Modulo di protezione a spinterometro DG MOD A NPE
Modulo di protezione innestabile per DEHNguard M ACI ...
SPD Tipo 2 secondo CEI EN 61643-11
SPD della famiglia di prodotti Red/Line
Tensione massima continuativa: 275 V AC / 350 V DC
Corrente impulsiva nominale di scarica: 20 kA
Indicazione di guasto

Fabbricato: DEHN
Tipo: DG MOD A NPE
Art.: 952022
o similare.

Certificates

 

ACI-Technology

A further development of CI technology, ACI technology consists of a switch/spark gap combination connected in series with a heavyduty varistor. This ensures the simple design and safe operation of the surge protective device. Other features are safe dimensioning, TOV withstand, a connection cross-section of only 6 mm� Cu and zero leakage current. Surge arresters with ACI technology offer maximum safety and system availability.

Circuit Interruption

The backup fuse is already integrated here. This means: reduced space requirement, lower installation costs, faster wiring, and shorter connecting cables. This concept can be found in the product ranges DEHNvenCI, DEHNbloc Maxi S, DEHNguard ... CI and V(A) NH...

Direct Current-Disconnection

When using surge arresters in d.c. applications, disconnection must be reliably ensured even if there are no zero crossings. The specifically developed DC Disconnection (DCD) technology acts as a wedge similar to a blocking valve and interrupts the direct current. Consequently, the devices of the DEHNguard SE DC series are capable of safely interrupting direct currents, thus preventing fire damage caused by d.c. switching arcs.

SCI-Technology

The patented SCI technology with active arc extinction allows to actively, quickly and safely extinguish a possible switching arc in case of overload. The PV fuse integrated in the short-circuit path trips immediately after the arc has been extinguished, thus ensuring safe electrical isolation (interruption). Consequently, all PV arresters from DEHN combine surge protection, fire protection and personal protection in a single device

Technical data

Corrente impulsiva nominale di scarica (8/20 µs) (In ) 20 kA
Corrente impulsiva max di scarica (8/20 µs) (Imax ) 40 kA
Tensione massima continuativa AC (UC ) 255 V

Product 952022 was added to Notepad.

Product 952022 was added to the cart.


Modulo di protezione a varistore per DEHNguard M CI

1 Product

Part No. 952020 DG MOD CI 275

GTIN 4013364127784, Customs tariff No. (EU): 85363030, Gross weight: 59.30 g, PU: 1.00 pz.


Images

Additional information

Modulo di protezione a varistore DG MOD CI 275
Modulo di protezione per DEHNguard M ... CI 275 con circuito in serie di varistore e fusibile di protezione integrati
SPD Tipo 2 secondo CEI EN 61643-11
SPD della famiglia di prodotti Red/Line
Tensione massima continuativa: 275 V AC
Corrente impulsiva nominale di scarica (8/20 µs): 12,5 kA
Indicazione di guasto

Fabbricato: DEHN
Tipo: DG MOD CI 275
Art.: 952020
o similare.

Certificates

 

Circuit Interruption

The backup fuse is already integrated here. This means: reduced space requirement, lower installation costs, faster wiring, and shorter connecting cables. This concept can be found in the product ranges DEHNvenCI, DEHNbloc Maxi S, DEHNguard ... CI and V(A) NH...

Direct Current-Disconnection

When using surge arresters in d.c. applications, disconnection must be reliably ensured even if there are no zero crossings. The specifically developed DC Disconnection (DCD) technology acts as a wedge similar to a blocking valve and interrupts the direct current. Consequently, the devices of the DEHNguard SE DC series are capable of safely interrupting direct currents, thus preventing fire damage caused by d.c. switching arcs.

SCI-Technology

The patented SCI technology with active arc extinction allows to actively, quickly and safely extinguish a possible switching arc in case of overload. The PV fuse integrated in the short-circuit path trips immediately after the arc has been extinguished, thus ensuring safe electrical isolation (interruption). Consequently, all PV arresters from DEHN combine surge protection, fire protection and personal protection in a single device

Technical data

Corrente impulsiva nominale di scarica (8/20 µs) (In ) 12,5 kA
Corrente impulsiva max di scarica (8/20 µs) (Imax ) 25 kA
Tensione massima continuativa AC (UC ) 275 V

Product 952020 was added to Notepad.

Product 952020 was added to the cart.


Modulo di protezione a varistore per DEHNguard SE CI ...

2 Products

Part No. 952926 DG MOD E CI 440

GTIN 4013364322646, Customs tariff No. (EU): 85363030, Gross weight: 83.00 g, PU: 1.00 pz.


Images

Additional information

Modulo di protezione a varistore DG MOD E CI 440
Modulo di protezione innestabile per DEHNguard SE CI
Scaricatore tipo 2 della famiglia di prodotto Red/Line
secondo CEI EN 61643-11
Massima tensione continua: 440 V AC
Corrente impulsiva nominale di scarica: 12,5 kA
Indicazione di guasto

Fabbricato: DEHN
Tipo: DG MOD E CI 440
Art.: 952926
o similare.

Certificates

 

Circuit Interruption

The backup fuse is already integrated here. This means: reduced space requirement, lower installation costs, faster wiring, and shorter connecting cables. This concept can be found in the product ranges DEHNvenCI, DEHNbloc Maxi S, DEHNguard ... CI and V(A) NH...

Direct Current-Disconnection

When using surge arresters in d.c. applications, disconnection must be reliably ensured even if there are no zero crossings. The specifically developed DC Disconnection (DCD) technology acts as a wedge similar to a blocking valve and interrupts the direct current. Consequently, the devices of the DEHNguard SE DC series are capable of safely interrupting direct currents, thus preventing fire damage caused by d.c. switching arcs.

SCI-Technology

The patented SCI technology with active arc extinction allows to actively, quickly and safely extinguish a possible switching arc in case of overload. The PV fuse integrated in the short-circuit path trips immediately after the arc has been extinguished, thus ensuring safe electrical isolation (interruption). Consequently, all PV arresters from DEHN combine surge protection, fire protection and personal protection in a single device

Technical data

Corrente impulsiva nominale di scarica (8/20 µs) (In ) 12,5 kA
Tensione massima continuativa AC (UC ) 440 V
Tensione di riferimento varistore (Umov ) 440 V

Product 952926 was added to Notepad.

Product 952926 was added to the cart.

Part No. 952927 DG MOD E CI WE 440

GTIN 4013364322653, Customs tariff No. (EU): 85363030, Gross weight: 82.00 g, PU: 1.00 pz.


Images

Additional information

Modulo di protezione a varistore DG MOD E CI WE 440
Modulo di protezione innestabile per DEHNguard SE CI
Scaricatore tipo 2 della famiglia di prodotto Red/Line
secondo CEI EN 61643-11(CEI 37-8)
Massima tensione continua: 440 V AC
Tensione di riferimento varistore: 750 V AC
Corrente impulsiva nominale di scarica: 12,5 kA
Indicazione di guasto


Fabbricato: DEHN
Tipo: DG MOD E CI WE 440
Art.: 952927
o similare.

Certificates

 

Circuit Interruption

The backup fuse is already integrated here. This means: reduced space requirement, lower installation costs, faster wiring, and shorter connecting cables. This concept can be found in the product ranges DEHNvenCI, DEHNbloc Maxi S, DEHNguard ... CI and V(A) NH...

Direct Current-Disconnection

When using surge arresters in d.c. applications, disconnection must be reliably ensured even if there are no zero crossings. The specifically developed DC Disconnection (DCD) technology acts as a wedge similar to a blocking valve and interrupts the direct current. Consequently, the devices of the DEHNguard SE DC series are capable of safely interrupting direct currents, thus preventing fire damage caused by d.c. switching arcs.

SCI-Technology

The patented SCI technology with active arc extinction allows to actively, quickly and safely extinguish a possible switching arc in case of overload. The PV fuse integrated in the short-circuit path trips immediately after the arc has been extinguished, thus ensuring safe electrical isolation (interruption). Consequently, all PV arresters from DEHN combine surge protection, fire protection and personal protection in a single device

Technical data

Corrente impulsiva nominale di scarica (8/20 µs) (In ) 12,5 kA
Tensione massima continuativa AC (UC ) 440 V
Tensione di riferimento varistore (Umov ) 750 V

Product 952927 was added to Notepad.

Product 952927 was added to the cart.


Modulo di protezione a varistore per DEHNguard M e DEHNguard S

8 Products

Part No. 952018 DG MOD 48

GTIN 4013364119482, Customs tariff No. (EU): 85363030, Gross weight: 43.50 g, PU: 1.00 pz.


Images

Additional information

Modulo di protezione a varistore DG MOD 48
Modulo di protezione innestabile per DEHNguard S ...
SPD Tipo 2 secondo CEI EN 61643-11
SPD della famiglia di prodotti Red/Line
Tecnologia a varistore ad alta prestazione
Tensione massima continuativa: 48 V AC / 60 V DC
Corrente impulsiva nominale di scarica: 7,5 kA
Indicazione di guasto

Fabbricato: DEHN
Tipo: DG MOD 48
Art.: 952018
o similare.

Certificates

 

Circuit Interruption

The backup fuse is already integrated here. This means: reduced space requirement, lower installation costs, faster wiring, and shorter connecting cables. This concept can be found in the product ranges DEHNvenCI, DEHNbloc Maxi S, DEHNguard ... CI and V(A) NH...

Direct Current-Disconnection

When using surge arresters in d.c. applications, disconnection must be reliably ensured even if there are no zero crossings. The specifically developed DC Disconnection (DCD) technology acts as a wedge similar to a blocking valve and interrupts the direct current. Consequently, the devices of the DEHNguard SE DC series are capable of safely interrupting direct currents, thus preventing fire damage caused by d.c. switching arcs.

SCI-Technology

The patented SCI technology with active arc extinction allows to actively, quickly and safely extinguish a possible switching arc in case of overload. The PV fuse integrated in the short-circuit path trips immediately after the arc has been extinguished, thus ensuring safe electrical isolation (interruption). Consequently, all PV arresters from DEHN combine surge protection, fire protection and personal protection in a single device

Technical data

Corrente impulsiva nominale di scarica (8/20 µs) (In ) 7,5 kA
Corrente impulsiva max di scarica (8/20 µs) (Imax ) 25 kA
Tensione massima continuativa AC (UC ) 48 V

Product 952018 was added to Notepad.

Product 952018 was added to the cart.

Part No. 952011 DG MOD 75

GTIN 4013364109773, Customs tariff No. (EU): 85363030, Gross weight: 39.30 g, PU: 1.00 pz.


Images

Additional information

Modulo di protezione a varistore DG MOD 75
Modulo di protezione innestabile per DEHNguard S ...
SPD Tipo 2 secondo CEI EN 61643-11
SPD della famiglia di prodotti Red/Line
Tecnologia a varistore ad alta prestazione
Tensione massima continuativa: 75 V AC / 100 V DC
Corrente impulsiva nominale di scarica: 10 kA
Indicazione di guasto

Fabbricato: DEHN
Tipo: DG MOD 75
Art.: 952011
o similare.

Certificates

 

Circuit Interruption

The backup fuse is already integrated here. This means: reduced space requirement, lower installation costs, faster wiring, and shorter connecting cables. This concept can be found in the product ranges DEHNvenCI, DEHNbloc Maxi S, DEHNguard ... CI and V(A) NH...

Direct Current-Disconnection

When using surge arresters in d.c. applications, disconnection must be reliably ensured even if there are no zero crossings. The specifically developed DC Disconnection (DCD) technology acts as a wedge similar to a blocking valve and interrupts the direct current. Consequently, the devices of the DEHNguard SE DC series are capable of safely interrupting direct currents, thus preventing fire damage caused by d.c. switching arcs.

SCI-Technology

The patented SCI technology with active arc extinction allows to actively, quickly and safely extinguish a possible switching arc in case of overload. The PV fuse integrated in the short-circuit path trips immediately after the arc has been extinguished, thus ensuring safe electrical isolation (interruption). Consequently, all PV arresters from DEHN combine surge protection, fire protection and personal protection in a single device

Technical data

Corrente impulsiva nominale di scarica (8/20 µs) (In ) 10 kA
Corrente impulsiva max di scarica (8/20 µs) (Imax ) 40 kA
Tensione massima continuativa AC (UC ) 75 V

Product 952011 was added to Notepad.

Product 952011 was added to the cart.

Part No. 952012 DG MOD 150

GTIN 4013364109780, Customs tariff No. (EU): 85363030, Gross weight: 42.23 g, PU: 1.00 pz.


Images

Additional information

Modulo di protezione a varistore DG MOD 150
Modulo di protezione a varistore per DEHNguard M .... e DEHNguard S ...
SPD Tipo 2 secondo CEI EN 61643-11
SPD della famiglia di prodotti Red/Line
Tecnologia a varistore ad alta prestazione
Tensione massima continuativa: 150 V AC / 200
V DC
Corrente impulsiva nominale di scarica (8/20 µs): 15 kA
Indicazione di guasto

Fabbricato: DEHN
Tipo: DG MOD 150
Art.: 952012
o similare.

Certificates

 

Circuit Interruption

The backup fuse is already integrated here. This means: reduced space requirement, lower installation costs, faster wiring, and shorter connecting cables. This concept can be found in the product ranges DEHNvenCI, DEHNbloc Maxi S, DEHNguard ... CI and V(A) NH...

Direct Current-Disconnection

When using surge arresters in d.c. applications, disconnection must be reliably ensured even if there are no zero crossings. The specifically developed DC Disconnection (DCD) technology acts as a wedge similar to a blocking valve and interrupts the direct current. Consequently, the devices of the DEHNguard SE DC series are capable of safely interrupting direct currents, thus preventing fire damage caused by d.c. switching arcs.

SCI-Technology

The patented SCI technology with active arc extinction allows to actively, quickly and safely extinguish a possible switching arc in case of overload. The PV fuse integrated in the short-circuit path trips immediately after the arc has been extinguished, thus ensuring safe electrical isolation (interruption). Consequently, all PV arresters from DEHN combine surge protection, fire protection and personal protection in a single device

Technical data

Corrente impulsiva nominale di scarica (8/20 µs) (In ) 15 kA
Corrente impulsiva max di scarica (8/20 µs) (Imax ) 40 kA
Tensione massima continuativa AC (UC ) 150 V

Product 952012 was added to Notepad.

Product 952012 was added to the cart.

Part No. 952010 DG MOD 275

GTIN 4013364108356, Customs tariff No. (EU): 85363030, Gross weight: 49.80 g, PU: 1.00 pz.


Images

Additional information

Modulo di protezione a varistore DG MOD 275
Modulo di protezione a varistore per DEHNguard M .... e DEHNguard S ...
SPD Tipo 2 secondo CEI EN 61643-11
SPD della famiglia di prodotti Red/Line
Tecnologia a varistore ad alta prestazione
Tensione massima continuativa: 275 V AC / 350
V DC
Corrente impulsiva nominale di scarica (8/20 µs): 20 kA
Indicazione di guasto

Fabbricato: DEHN
Tipo: DG MOD 275
Art.: 952010
o similare.

Certificates

 

Circuit Interruption

The backup fuse is already integrated here. This means: reduced space requirement, lower installation costs, faster wiring, and shorter connecting cables. This concept can be found in the product ranges DEHNvenCI, DEHNbloc Maxi S, DEHNguard ... CI and V(A) NH...

Direct Current-Disconnection

When using surge arresters in d.c. applications, disconnection must be reliably ensured even if there are no zero crossings. The specifically developed DC Disconnection (DCD) technology acts as a wedge similar to a blocking valve and interrupts the direct current. Consequently, the devices of the DEHNguard SE DC series are capable of safely interrupting direct currents, thus preventing fire damage caused by d.c. switching arcs.

SCI-Technology

The patented SCI technology with active arc extinction allows to actively, quickly and safely extinguish a possible switching arc in case of overload. The PV fuse integrated in the short-circuit path trips immediately after the arc has been extinguished, thus ensuring safe electrical isolation (interruption). Consequently, all PV arresters from DEHN combine surge protection, fire protection and personal protection in a single device

Technical data

Corrente impulsiva nominale di scarica (8/20 µs) (In ) 20 kA
Corrente impulsiva max di scarica (8/20 µs) (Imax ) 40 kA
Tensione massima continuativa AC (UC ) 275 V

Product 952010 was added to Notepad.

Product 952010 was added to the cart.

Part No. 952013 DG MOD 320

GTIN 4013364109797, Customs tariff No. (EU): 85363030, Gross weight: 52.50 g, PU: 1.00 pz.


Images

Additional information

Modulo di protezione a varistore DG MOD 320
Modulo di protezione a varistore per DEHNguard M .... e DEHNguard S ...
SPD Tipo 2 secondo CEI EN 61643-11
SPD della famiglia di prodotti Red/Line
Tecnologia a varistore ad alta prestazione
Tensione massima continuativa: 320 V AC / 420
V DC
Corrente impulsiva nominale di scarica (8/20 µs): 20 kA
Indicazione di guasto

Fabbricato: DEHN
Tipo: DG MOD 320
Art.: 952013
o similare.

Certificates

 

Circuit Interruption

The backup fuse is already integrated here. This means: reduced space requirement, lower installation costs, faster wiring, and shorter connecting cables. This concept can be found in the product ranges DEHNvenCI, DEHNbloc Maxi S, DEHNguard ... CI and V(A) NH...

Direct Current-Disconnection

When using surge arresters in d.c. applications, disconnection must be reliably ensured even if there are no zero crossings. The specifically developed DC Disconnection (DCD) technology acts as a wedge similar to a blocking valve and interrupts the direct current. Consequently, the devices of the DEHNguard SE DC series are capable of safely interrupting direct currents, thus preventing fire damage caused by d.c. switching arcs.

SCI-Technology

The patented SCI technology with active arc extinction allows to actively, quickly and safely extinguish a possible switching arc in case of overload. The PV fuse integrated in the short-circuit path trips immediately after the arc has been extinguished, thus ensuring safe electrical isolation (interruption). Consequently, all PV arresters from DEHN combine surge protection, fire protection and personal protection in a single device

Technical data

Corrente impulsiva nominale di scarica (8/20 µs) (In ) 20 kA
Corrente impulsiva max di scarica (8/20 µs) (Imax ) 40 kA
Tensione massima continuativa AC (UC ) 320 V

Product 952013 was added to Notepad.

Product 952013 was added to the cart.

Part No. 952014 DG MOD 385

GTIN 4013364108363, Customs tariff No. (EU): 85363030, Gross weight: 56.80 g, PU: 1.00 pz.


Images

Additional information

Modulo di protezione a varistore DG MOD 385
Modulo di protezione a varistore per DEHNguard M .... e DEHNguard S ...
SPD Tipo 2 secondo CEI EN 61643-11
SPD della famiglia di prodotti Red/Line
Tecnologia a varistore ad alta prestazione
Tensione massima continuativa: 385 V AC / 500
V DC
Corrente impulsiva nominale di scarica (8/20 µs): 20 kA
Indicazione di guasto

Fabbricato: DEHN
Tipo: DG MOD 385
Art.: 952014
o similare.

Certificates

 

Circuit Interruption

The backup fuse is already integrated here. This means: reduced space requirement, lower installation costs, faster wiring, and shorter connecting cables. This concept can be found in the product ranges DEHNvenCI, DEHNbloc Maxi S, DEHNguard ... CI and V(A) NH...

Direct Current-Disconnection

When using surge arresters in d.c. applications, disconnection must be reliably ensured even if there are no zero crossings. The specifically developed DC Disconnection (DCD) technology acts as a wedge similar to a blocking valve and interrupts the direct current. Consequently, the devices of the DEHNguard SE DC series are capable of safely interrupting direct currents, thus preventing fire damage caused by d.c. switching arcs.

SCI-Technology

The patented SCI technology with active arc extinction allows to actively, quickly and safely extinguish a possible switching arc in case of overload. The PV fuse integrated in the short-circuit path trips immediately after the arc has been extinguished, thus ensuring safe electrical isolation (interruption). Consequently, all PV arresters from DEHN combine surge protection, fire protection and personal protection in a single device

Technical data

Corrente impulsiva nominale di scarica (8/20 µs) (In ) 20 kA
Corrente impulsiva max di scarica (8/20 µs) (Imax ) 40 kA
Tensione massima continuativa AC (UC ) 385 V

Product 952014 was added to Notepad.

Product 952014 was added to the cart.

Part No. 952015 DG MOD 440

GTIN 4013364109803, Customs tariff No. (EU): 85363030, Gross weight: 60.00 g, PU: 1.00 pz.


Images

Additional information

Modulo di protezione a varistore DG MOD 440
Modulo di protezione a varistore per DEHNguard M .... e DEHNguard S ...
SPD Tipo 2 secondo CEI EN 61643-11
SPD della famiglia di prodotti Red/Line
Tecnologia a varistore ad alta prestazione
Tensione massima continuativa: 440 V AC / 585
V DC
Corrente impulsiva nominale di scarica (8/20 µs): 20 kA
Indicazione di guasto

Fabbricato: DEHN
Tipo: DG MOD 440
Art.: 952015
o similare.

Certificates

 

Circuit Interruption

The backup fuse is already integrated here. This means: reduced space requirement, lower installation costs, faster wiring, and shorter connecting cables. This concept can be found in the product ranges DEHNvenCI, DEHNbloc Maxi S, DEHNguard ... CI and V(A) NH...

Direct Current-Disconnection

When using surge arresters in d.c. applications, disconnection must be reliably ensured even if there are no zero crossings. The specifically developed DC Disconnection (DCD) technology acts as a wedge similar to a blocking valve and interrupts the direct current. Consequently, the devices of the DEHNguard SE DC series are capable of safely interrupting direct currents, thus preventing fire damage caused by d.c. switching arcs.

SCI-Technology

The patented SCI technology with active arc extinction allows to actively, quickly and safely extinguish a possible switching arc in case of overload. The PV fuse integrated in the short-circuit path trips immediately after the arc has been extinguished, thus ensuring safe electrical isolation (interruption). Consequently, all PV arresters from DEHN combine surge protection, fire protection and personal protection in a single device

Technical data

Corrente impulsiva nominale di scarica (8/20 µs) (In ) 20 kA
Corrente impulsiva max di scarica (8/20 µs) (Imax ) 40 kA
Tensione massima continuativa AC (UC ) 440 V

Product 952015 was added to Notepad.

Product 952015 was added to the cart.

Part No. 952016 DG MOD 600

GTIN 4013364109810, Customs tariff No. (EU): 85363030, Gross weight: 70.60 g, PU: 1.00 pz.


Images

Additional information

Modulo di protezione a varistore DG MOD 600
Modulo di protezione a varistore per DEHNguard M .... e DEHNguard S ...
SPD Tipo 2 secondo CEI EN 61643-11
SPD della famiglia di prodotti Red/Line
Tecnologia a varistore ad alta prestazione
Tensione massima continuativa: 600 V AC / 600
V DC
Corrente impulsiva nominale di scarica (8/20 µs): 15 kA
Indicazione di guasto

Fabbricato: DEHN
Tipo: DG MOD 600
Art.: 952016
o similare.

Certificates

 

Circuit Interruption

The backup fuse is already integrated here. This means: reduced space requirement, lower installation costs, faster wiring, and shorter connecting cables. This concept can be found in the product ranges DEHNvenCI, DEHNbloc Maxi S, DEHNguard ... CI and V(A) NH...

Direct Current-Disconnection

When using surge arresters in d.c. applications, disconnection must be reliably ensured even if there are no zero crossings. The specifically developed DC Disconnection (DCD) technology acts as a wedge similar to a blocking valve and interrupts the direct current. Consequently, the devices of the DEHNguard SE DC series are capable of safely interrupting direct currents, thus preventing fire damage caused by d.c. switching arcs.

SCI-Technology

The patented SCI technology with active arc extinction allows to actively, quickly and safely extinguish a possible switching arc in case of overload. The PV fuse integrated in the short-circuit path trips immediately after the arc has been extinguished, thus ensuring safe electrical isolation (interruption). Consequently, all PV arresters from DEHN combine surge protection, fire protection and personal protection in a single device

Technical data

Corrente impulsiva nominale di scarica (8/20 µs) (In ) 15 kA
Corrente impulsiva max di scarica (8/20 µs) (Imax ) 30 kA
Tensione massima continuativa AC (UC ) 600 V

Product 952016 was added to Notepad.

Product 952016 was added to the cart.


Modulo di protezione a varistore per DEHNguard M (S) WE

1 Product

Part No. 952017 DG MOD 750

GTIN 4013364113329, Customs tariff No. (EU): 85363030, Gross weight: 69.70 g, PU: 1.00 pz.


Images

Additional information

Modulo di protezione a varistore DG MOD 750
Modulo di protezione per DEHNguard M WE ... e DEHNguard S WE ... con tensione di riferimento del varistore Umov = 750 V AC
SPD Tipo 2 secondo CEI EN 61643-11
SPD della famiglia di prodotti Red/Line
Tecnologia a varistore ad alta prestazione
Tensione massima continuativa: 600 V AC / 600
V DC
Tensione di riferimento varistore: 750 V AC
Corrente impulsiva nominale di scarica (8/20 µs): 15 kA
Indicazione di guasto

Fabbricato: DEHN
Tipo: DG MOD 750
Art.: 952017
o similare.

Certificates

 

Circuit Interruption

The backup fuse is already integrated here. This means: reduced space requirement, lower installation costs, faster wiring, and shorter connecting cables. This concept can be found in the product ranges DEHNvenCI, DEHNbloc Maxi S, DEHNguard ... CI and V(A) NH...

Direct Current-Disconnection

When using surge arresters in d.c. applications, disconnection must be reliably ensured even if there are no zero crossings. The specifically developed DC Disconnection (DCD) technology acts as a wedge similar to a blocking valve and interrupts the direct current. Consequently, the devices of the DEHNguard SE DC series are capable of safely interrupting direct currents, thus preventing fire damage caused by d.c. switching arcs.

SCI-Technology

The patented SCI technology with active arc extinction allows to actively, quickly and safely extinguish a possible switching arc in case of overload. The PV fuse integrated in the short-circuit path trips immediately after the arc has been extinguished, thus ensuring safe electrical isolation (interruption). Consequently, all PV arresters from DEHN combine surge protection, fire protection and personal protection in a single device

Technical data

Corrente impulsiva nominale di scarica (8/20 µs) (In ) 15 kA
Corrente impulsiva max di scarica (8/20 µs) (Imax ) 25 kA
Tensione massima continuativa AC (UC ) 600 V
Tensione di riferimento varistore (Umov ) 750 V

Product 952017 was added to Notepad.

Product 952017 was added to the cart.


Modulo di protezione a spinterometro N-PE per DEHNguard M ACI

Modulo di protezione a spinterometro per DEHNguard DG M TT (2P) ACI ... bipolare e tetrapolare.

1 Product

Part No. 952083 DG MOD H A NPE

GTIN 4013364376540, Customs tariff No. (EU): 85363030, Gross weight: 55.00 g, PU: 1.00 pz.


Images

Additional information

Modulo di protezione a spinterometro N-PE DG MOD H A NPE
Modulo di protezione a spinterometro N-PE innestabile
per DEHNguard DG M TT (2P) ACI ...
per scaricatori di sovratensione Tipo 2 secondo CEI EN 61643-11
SPD della famiglia di prodotti Red/Line
Corrente impulsiva nominale di scarica: 80 kA
Corrente impulsiva max. di scarica: 120 kA
Indicazione di guasto

Fabbricato: DEHN
Tipo: DG MOD H A NPE
Art.: 952083
o similare.

Certificates

 

Circuit Interruption

The backup fuse is already integrated here. This means: reduced space requirement, lower installation costs, faster wiring, and shorter connecting cables. This concept can be found in the product ranges DEHNvenCI, DEHNbloc Maxi S, DEHNguard ... CI and V(A) NH...

Direct Current-Disconnection

When using surge arresters in d.c. applications, disconnection must be reliably ensured even if there are no zero crossings. The specifically developed DC Disconnection (DCD) technology acts as a wedge similar to a blocking valve and interrupts the direct current. Consequently, the devices of the DEHNguard SE DC series are capable of safely interrupting direct currents, thus preventing fire damage caused by d.c. switching arcs.

SCI-Technology

The patented SCI technology with active arc extinction allows to actively, quickly and safely extinguish a possible switching arc in case of overload. The PV fuse integrated in the short-circuit path trips immediately after the arc has been extinguished, thus ensuring safe electrical isolation (interruption). Consequently, all PV arresters from DEHN combine surge protection, fire protection and personal protection in a single device

Technical data

Corrente impulsiva nominale di scarica (8/20 µs) (In ) 80 kA
Corrente impulsiva max di scarica (8/20 µs) (Imax ) 120 kA
Tensione massima continuativa AC (UC ) 275 V

Product 952083 was added to Notepad.

Product 952083 was added to the cart.


Modulo di protezione a spinterometro N-PE per DEHNguard M H TT ...

1 Product

Part No. 952081 DG MOD H NPE

GTIN 4013364318182, Customs tariff No. (EU): 85363030, Gross weight: 44.50 g, PU: 1.00 pz.


Images

Additional information



Fabbricato: DEHN
Tipo: DG MOD H NPE
Art.: 952081
o similare.

Certificates

 

Circuit Interruption

The backup fuse is already integrated here. This means: reduced space requirement, lower installation costs, faster wiring, and shorter connecting cables. This concept can be found in the product ranges DEHNvenCI, DEHNbloc Maxi S, DEHNguard ... CI and V(A) NH...

Direct Current-Disconnection

When using surge arresters in d.c. applications, disconnection must be reliably ensured even if there are no zero crossings. The specifically developed DC Disconnection (DCD) technology acts as a wedge similar to a blocking valve and interrupts the direct current. Consequently, the devices of the DEHNguard SE DC series are capable of safely interrupting direct currents, thus preventing fire damage caused by d.c. switching arcs.

SCI-Technology

The patented SCI technology with active arc extinction allows to actively, quickly and safely extinguish a possible switching arc in case of overload. The PV fuse integrated in the short-circuit path trips immediately after the arc has been extinguished, thus ensuring safe electrical isolation (interruption). Consequently, all PV arresters from DEHN combine surge protection, fire protection and personal protection in a single device

Technical data

Corrente impulsiva nominale di scarica (8/20 µs) (In ) 80 kA
Corrente impulsiva max di scarica (8/20 µs) (Imax ) 120 kA
Tensione massima continuativa AC (UC ) 255 V

Product 952081 was added to Notepad.

Product 952081 was added to the cart.


Modulo di protezione a spinterometro N-PE per DEHNguard M TT ...

1 Product

Part No. 952050 DG MOD NPE

GTIN 4013364108370, Customs tariff No. (EU): 85363030, Gross weight: 44.50 g, PU: 1.00 pz.


Images

Additional information

Modulo di protezione a spinterometro NPE DG MOD NPE
Modulo di protezione a spinterometro N-PE per DEHNguard DG M TT
Tensione massima continuativa: 255 V AC
Corrente impulsiva nominale di scarica (8/20 µs): 20 kA
Corrente impulsiva max di scarica (8/20 µs): 40 kA
Indicazione di guasto

Fabbricato: DEHN
Tipo: DG MOD NPE
Art.: 952050
o similare.

Certificates

 

Circuit Interruption

The backup fuse is already integrated here. This means: reduced space requirement, lower installation costs, faster wiring, and shorter connecting cables. This concept can be found in the product ranges DEHNvenCI, DEHNbloc Maxi S, DEHNguard ... CI and V(A) NH...

Direct Current-Disconnection

When using surge arresters in d.c. applications, disconnection must be reliably ensured even if there are no zero crossings. The specifically developed DC Disconnection (DCD) technology acts as a wedge similar to a blocking valve and interrupts the direct current. Consequently, the devices of the DEHNguard SE DC series are capable of safely interrupting direct currents, thus preventing fire damage caused by d.c. switching arcs.

SCI-Technology

The patented SCI technology with active arc extinction allows to actively, quickly and safely extinguish a possible switching arc in case of overload. The PV fuse integrated in the short-circuit path trips immediately after the arc has been extinguished, thus ensuring safe electrical isolation (interruption). Consequently, all PV arresters from DEHN combine surge protection, fire protection and personal protection in a single device

Technical data

Corrente impulsiva nominale di scarica (8/20 µs) (In ) 20 kA
Corrente impulsiva max di scarica (8/20 µs) (Imax ) 40 kA
Tensione massima continuativa AC (UC ) 255 V

Product 952050 was added to Notepad.

Product 952050 was added to the cart.


Modulo di protezione a spinterometro N-PE per DEHNgap C S

1 Product

Part No. 952060 DGP C MOD

GTIN 4013364108387, Customs tariff No. (EU): 85363030, Gross weight: 44.00 g, PU: 1.00 pz.


Images

Additional information

N-PE-Modulo di protezione a spinterometro DGP C MOD
Modulo di protezione per limitatore di sovratensione N-PE DEHNgap DGP C S ... Unipolare
SPD Tipo 2 secondo CEI EN 61643-11
SPD della famiglia di prodotti Red/Line
Tensione massima continuativa: 255 V AC
Corrente impulsiva nominale di scarica (8/20 µs): 20 kA
Corrente impulsiva max di scarica (8/20 µs): 40 kA
Indicazione di guasto

Fabbricato: DEHN
Tipo: DGP C MOD
Art.: 952060
o similare.

Certificates

 

Circuit Interruption

The backup fuse is already integrated here. This means: reduced space requirement, lower installation costs, faster wiring, and shorter connecting cables. This concept can be found in the product ranges DEHNvenCI, DEHNbloc Maxi S, DEHNguard ... CI and V(A) NH...

Direct Current-Disconnection

When using surge arresters in d.c. applications, disconnection must be reliably ensured even if there are no zero crossings. The specifically developed DC Disconnection (DCD) technology acts as a wedge similar to a blocking valve and interrupts the direct current. Consequently, the devices of the DEHNguard SE DC series are capable of safely interrupting direct currents, thus preventing fire damage caused by d.c. switching arcs.

SCI-Technology

The patented SCI technology with active arc extinction allows to actively, quickly and safely extinguish a possible switching arc in case of overload. The PV fuse integrated in the short-circuit path trips immediately after the arc has been extinguished, thus ensuring safe electrical isolation (interruption). Consequently, all PV arresters from DEHN combine surge protection, fire protection and personal protection in a single device

Technical data

Corrente impulsiva nominale di scarica (8/20 µs) (In ) 20 kA
Corrente impulsiva max di scarica (8/20 µs) (Imax ) 40 kA
Tensione massima continuativa AC (UC ) 255 V

Product 952060 was added to Notepad.

Product 952060 was added to the cart.


Modulo di protezione a varistore per DEHNguard S ... VA

3 Products

Part No. 952025 DG MOD 75 VA

GTIN 4013364127357, Customs tariff No. (EU): 85363030, Gross weight: 41.00 g, PU: 1.00 pz.


Images

Additional information

Modulo di protezione a varistore DG MOD 75 VA
Modulo di protezione per DEHNguard S ... VA con circuito in serie di varistore e spinterometro
SPD Tipo 2 secondo CEI EN 61643-11
SPD della famiglia di prodotti Red/Line
Tensione massima continuativa: 75 V AC / 100
V DC
Corrente impulsiva nominale di scarica (8/20 µs): 10 kA
Indicazione di guasto

Fabbricato: DEHN
Tipo: DG MOD 75 VA
Art.: 952025
o similare.

Certificates

 

Circuit Interruption

The backup fuse is already integrated here. This means: reduced space requirement, lower installation costs, faster wiring, and shorter connecting cables. This concept can be found in the product ranges DEHNvenCI, DEHNbloc Maxi S, DEHNguard ... CI and V(A) NH...

Direct Current-Disconnection

When using surge arresters in d.c. applications, disconnection must be reliably ensured even if there are no zero crossings. The specifically developed DC Disconnection (DCD) technology acts as a wedge similar to a blocking valve and interrupts the direct current. Consequently, the devices of the DEHNguard SE DC series are capable of safely interrupting direct currents, thus preventing fire damage caused by d.c. switching arcs.

SCI-Technology

The patented SCI technology with active arc extinction allows to actively, quickly and safely extinguish a possible switching arc in case of overload. The PV fuse integrated in the short-circuit path trips immediately after the arc has been extinguished, thus ensuring safe electrical isolation (interruption). Consequently, all PV arresters from DEHN combine surge protection, fire protection and personal protection in a single device

Technical data

Corrente impulsiva nominale di scarica (8/20 µs) (In ) 10 kA
Corrente impulsiva max di scarica (8/20 µs) (Imax ) 20 kA
Tensione massima continuativa AC (UC ) 75 V
Tensione massima continuativa DC (UC ) 100 V

Product 952025 was added to Notepad.

Product 952025 was added to the cart.

Part No. 952027 DG MOD 275 VA

GTIN 4013364127364, Customs tariff No. (EU): 85363030, Gross weight: 47.00 g, PU: 1.00 pz.


Images

Additional information

Modulo di protezione a varistore DG MOD 275 VA
Modulo di protezione per DEHNguard S ... VA con circuito in serie di varistore e spinterometro
SPD Tipo 2 secondo CEI EN 61643-11
SPD della famiglia di prodotti Red/Line
Tensione massima continuativa: 275 V AC / 350
V DC
Corrente impulsiva nominale di scarica (8/20 µs): 10 kA
Indicazione di guasto

Fabbricato: DEHN
Tipo: DG MOD 275 VA
Art.: 952027
o similare.

Certificates

 

Circuit Interruption

The backup fuse is already integrated here. This means: reduced space requirement, lower installation costs, faster wiring, and shorter connecting cables. This concept can be found in the product ranges DEHNvenCI, DEHNbloc Maxi S, DEHNguard ... CI and V(A) NH...

Direct Current-Disconnection

When using surge arresters in d.c. applications, disconnection must be reliably ensured even if there are no zero crossings. The specifically developed DC Disconnection (DCD) technology acts as a wedge similar to a blocking valve and interrupts the direct current. Consequently, the devices of the DEHNguard SE DC series are capable of safely interrupting direct currents, thus preventing fire damage caused by d.c. switching arcs.

SCI-Technology

The patented SCI technology with active arc extinction allows to actively, quickly and safely extinguish a possible switching arc in case of overload. The PV fuse integrated in the short-circuit path trips immediately after the arc has been extinguished, thus ensuring safe electrical isolation (interruption). Consequently, all PV arresters from DEHN combine surge protection, fire protection and personal protection in a single device

Technical data

Corrente impulsiva nominale di scarica (8/20 µs) (In ) 10 kA
Corrente impulsiva max di scarica (8/20 µs) (Imax ) 20 kA
Tensione massima continuativa AC (UC ) 275 V
Tensione massima continuativa DC (UC ) 350 V

Product 952027 was added to Notepad.

Product 952027 was added to the cart.

Part No. 952029 DG MOD 385 VA

GTIN 4013364127371, Customs tariff No. (EU): 85363030, Gross weight: 51.00 g, PU: 1.00 pz.


Images

Additional information

Modulo di protezione a varistore DG MOD 385 VA
Modulo di protezione per DEHNguard S ... VA con circuito in serie di varistore e spinterometro
SPD Tipo 2 secondo CEI EN 61643-11
SPD della famiglia di prodotti Red/Line
Tensione massima continuativa: 385 V AC / 500
V DC
Corrente impulsiva nominale di scarica (8/20 µs): 10 kA
Indicazione di guasto

Fabbricato: DEHN
Tipo: DG MOD 385 VA
Art.: 952029
o similare.

Certificates

 

Circuit Interruption

The backup fuse is already integrated here. This means: reduced space requirement, lower installation costs, faster wiring, and shorter connecting cables. This concept can be found in the product ranges DEHNvenCI, DEHNbloc Maxi S, DEHNguard ... CI and V(A) NH...

Direct Current-Disconnection

When using surge arresters in d.c. applications, disconnection must be reliably ensured even if there are no zero crossings. The specifically developed DC Disconnection (DCD) technology acts as a wedge similar to a blocking valve and interrupts the direct current. Consequently, the devices of the DEHNguard SE DC series are capable of safely interrupting direct currents, thus preventing fire damage caused by d.c. switching arcs.

SCI-Technology

The patented SCI technology with active arc extinction allows to actively, quickly and safely extinguish a possible switching arc in case of overload. The PV fuse integrated in the short-circuit path trips immediately after the arc has been extinguished, thus ensuring safe electrical isolation (interruption). Consequently, all PV arresters from DEHN combine surge protection, fire protection and personal protection in a single device

Technical data

Corrente impulsiva nominale di scarica (8/20 µs) (In ) 10 kA
Corrente impulsiva max di scarica (8/20 µs) (Imax ) 20 kA
Tensione massima continuativa AC (UC ) 385 V
Tensione massima continuativa DC (UC ) 500 V

Product 952029 was added to Notepad.

Product 952029 was added to the cart.


Modulo di protezione a varistore per DEHNguard M YPV

2 Products

Part No. 952048 DG MOD H PV 600

GTIN 4013364327733, Customs tariff No. (EU): 85363030, Gross weight: 61.20 g, PU: 1.00 pz.


Images

Additional information

Modulo di protezione a varistore DG MOD H PV 600
Modulo di protezione innestabile per DEHNguard M YPV
Classificazione SPD tipo 2 secondo la norma EN 61643-31
della famiglia di prodotti Red/Line
Tecnologia con varistore ad alte prestazioni
Tensione massima continuativa: 585 V DC
Corrente impulsiva nominale di scarica: 20 kA
Indicazione di guasti

Fabbricato: DEHN
Tipo: DG MOD H PV 600
Art.: 952048
o similare.

Certificates

 

Circuit Interruption

The backup fuse is already integrated here. This means: reduced space requirement, lower installation costs, faster wiring, and shorter connecting cables. This concept can be found in the product ranges DEHNvenCI, DEHNbloc Maxi S, DEHNguard ... CI and V(A) NH...

Direct Current-Disconnection

When using surge arresters in d.c. applications, disconnection must be reliably ensured even if there are no zero crossings. The specifically developed DC Disconnection (DCD) technology acts as a wedge similar to a blocking valve and interrupts the direct current. Consequently, the devices of the DEHNguard SE DC series are capable of safely interrupting direct currents, thus preventing fire damage caused by d.c. switching arcs.

SCI-Technology

The patented SCI technology with active arc extinction allows to actively, quickly and safely extinguish a possible switching arc in case of overload. The PV fuse integrated in the short-circuit path trips immediately after the arc has been extinguished, thus ensuring safe electrical isolation (interruption). Consequently, all PV arresters from DEHN combine surge protection, fire protection and personal protection in a single device

Technical data

Corrente impulsiva nominale di scarica (8/20 µs) (In ) 20 kA
Corrente impulsiva max di scarica (8/20 µs) (Imax ) 40 kA
Tensione massima continuativa DC (UC ) 600 V

Product 952048 was added to Notepad.

Product 952048 was added to the cart.

Part No. 952049 DG MOD H PV 750

GTIN 4013364327740, Customs tariff No. (EU): 85363030, Gross weight: 70.60 g, PU: 1.00 pz.


Images

Additional information

Modulo di protezione a varistore DG MOD H PV 750
Modulo di protezione innestabile per DEHNguard M YPV
Classificazione SPD tipo 2 secondo la norma EN 61643-31
della famiglia di prodotti Red/Line
Tecnologia con varistore ad alte prestazioni
Tensione massima continuativa: 750 V DC
Corrente impulsiva nominale di scarica: 15 kA
Indicazione di guasti

Fabbricato: DEHN
Tipo: DG MOD H PV 750
Art.: 952049
o similare.

Certificates

 

Circuit Interruption

The backup fuse is already integrated here. This means: reduced space requirement, lower installation costs, faster wiring, and shorter connecting cables. This concept can be found in the product ranges DEHNvenCI, DEHNbloc Maxi S, DEHNguard ... CI and V(A) NH...

Direct Current-Disconnection

When using surge arresters in d.c. applications, disconnection must be reliably ensured even if there are no zero crossings. The specifically developed DC Disconnection (DCD) technology acts as a wedge similar to a blocking valve and interrupts the direct current. Consequently, the devices of the DEHNguard SE DC series are capable of safely interrupting direct currents, thus preventing fire damage caused by d.c. switching arcs.

SCI-Technology

The patented SCI technology with active arc extinction allows to actively, quickly and safely extinguish a possible switching arc in case of overload. The PV fuse integrated in the short-circuit path trips immediately after the arc has been extinguished, thus ensuring safe electrical isolation (interruption). Consequently, all PV arresters from DEHN combine surge protection, fire protection and personal protection in a single device

Technical data

Corrente impulsiva nominale di scarica (8/20 µs) (In ) 15 kA
Corrente impulsiva max di scarica (8/20 µs) (Imax ) 40 kA
Tensione massima continuativa DC (UC ) 750 V

Product 952049 was added to Notepad.

Product 952049 was added to the cart.


Modulo di protezione a varistore per DEHNguard M YPV SCI e per DEHNguard S PV SCI

3 Products

Part No. 952055 DG MOD PV SCI 75

GTIN 4013364136700, Customs tariff No. (EU): 85363030, Gross weight: 43.40 g, PU: 1.00 pz.


Images

Additional information

Modulo di protezione a varistore DG MOD PV SCI 75
Modulo di protezione innestabile per DEHNguard M (Y)PV SCI
Classificazione SPD tipo 2 secondo la norma EN 50539-11
della famiglia di prodotti Red/Line
Tecnologia con varistore ad alte prestazioni
Disconnettore e dispositivo di corto circuito combinato
Tensione massima continuativa: 75 V DC
per sistemi FV fino a Ucpv <= 150 V
Corrente impulsiva complessiva di scarica: 40 kA
Indicazione di guasti

Fabbricato: DEHN
Tipo: DG MOD PV SCI 75
Art.: 952055
o similare.

Certificates

 

Circuit Interruption

The backup fuse is already integrated here. This means: reduced space requirement, lower installation costs, faster wiring, and shorter connecting cables. This concept can be found in the product ranges DEHNvenCI, DEHNbloc Maxi S, DEHNguard ... CI and V(A) NH...

Direct Current-Disconnection

When using surge arresters in d.c. applications, disconnection must be reliably ensured even if there are no zero crossings. The specifically developed DC Disconnection (DCD) technology acts as a wedge similar to a blocking valve and interrupts the direct current. Consequently, the devices of the DEHNguard SE DC series are capable of safely interrupting direct currents, thus preventing fire damage caused by d.c. switching arcs.

SCI-Technology

The patented SCI technology with active arc extinction allows to actively, quickly and safely extinguish a possible switching arc in case of overload. The PV fuse integrated in the short-circuit path trips immediately after the arc has been extinguished, thus ensuring safe electrical isolation (interruption). Consequently, all PV arresters from DEHN combine surge protection, fire protection and personal protection in a single device

Technical data

Corrente impulsiva nominale di scarica (8/20 µs) (In ) 10 kA
Corrente impulsiva max di scarica (8/20 µs) (Imax ) 20 kA
Tensione massima continuativa DC (UC ) 75 V

Product 952055 was added to Notepad.

Product 952055 was added to the cart.

Part No. 952051 DG MOD PV SCI 500

GTIN 4013364126442, Customs tariff No. (EU): 85363030, Gross weight: 56.15 g, PU: 1.00 pz.


Images

Additional information

Modulo di protezione a varistore DG MOD PV SCI 500
Modulo di protezione innestabile per DEHNguard M (Y)PV SCI
Classificazione SPD tipo 2 secondo la norma EN 61643-31
della famiglia di prodotti Red/Line
Tecnologia con varistore ad alte prestazioni
Disconnettore e dispositivo di corto circuito combinato
Tensione massima continuativa: 500 V DC
per sistemi FV fino a Ucpv <= 1000 V
Corrente impulsiva complessiva di scarica: 40 kA
Indicazione di guasti

Fabbricato: DEHN
Tipo: DG MOD PV SCI 500
Art.: 952051
o similare.

Certificates

 

Circuit Interruption

The backup fuse is already integrated here. This means: reduced space requirement, lower installation costs, faster wiring, and shorter connecting cables. This concept can be found in the product ranges DEHNvenCI, DEHNbloc Maxi S, DEHNguard ... CI and V(A) NH...

Direct Current-Disconnection

When using surge arresters in d.c. applications, disconnection must be reliably ensured even if there are no zero crossings. The specifically developed DC Disconnection (DCD) technology acts as a wedge similar to a blocking valve and interrupts the direct current. Consequently, the devices of the DEHNguard SE DC series are capable of safely interrupting direct currents, thus preventing fire damage caused by d.c. switching arcs.

SCI-Technology

The patented SCI technology with active arc extinction allows to actively, quickly and safely extinguish a possible switching arc in case of overload. The PV fuse integrated in the short-circuit path trips immediately after the arc has been extinguished, thus ensuring safe electrical isolation (interruption). Consequently, all PV arresters from DEHN combine surge protection, fire protection and personal protection in a single device

Technical data

Corrente impulsiva nominale di scarica (8/20 µs) (In ) 12,5 kA
Corrente impulsiva max di scarica (8/20 µs) (Imax ) 25 kA
Tensione massima continuativa DC (UC ) 500 V

Product 952051 was added to Notepad.

Product 952051 was added to the cart.

Part No. 952054 DG MOD PV SCI 600

GTIN 4013364127975, Customs tariff No. (EU): 85363030, Gross weight: 58.80 g, PU: 1.00 pz.


Images

Additional information

Modulo di protezione a varistore DG MOD PV SCI 600
Modulo di protezione innestabile per DEHNguard M (Y)PV SCI
Classificazione SPD tipo 2 secondo la norma EN 61643-31
della famiglia di prodotti Red/Line
Tecnologia con varistore ad alte prestazioni
Disconnettore e dispositivo di corto circuito combinato
Tensione massima continuativa: 600 V DC
Tensione FV massima: <= 1200 V DC
Corrente impulsiva complessiva di scarica: 30 kA
Indicazione di guasti

Fabbricato: DEHN
Tipo: DG MOD PV SCI 600
Art.: 952054
o similare.

Certificates

 

Circuit Interruption

The backup fuse is already integrated here. This means: reduced space requirement, lower installation costs, faster wiring, and shorter connecting cables. This concept can be found in the product ranges DEHNvenCI, DEHNbloc Maxi S, DEHNguard ... CI and V(A) NH...

Direct Current-Disconnection

When using surge arresters in d.c. applications, disconnection must be reliably ensured even if there are no zero crossings. The specifically developed DC Disconnection (DCD) technology acts as a wedge similar to a blocking valve and interrupts the direct current. Consequently, the devices of the DEHNguard SE DC series are capable of safely interrupting direct currents, thus preventing fire damage caused by d.c. switching arcs.

SCI-Technology

The patented SCI technology with active arc extinction allows to actively, quickly and safely extinguish a possible switching arc in case of overload. The PV fuse integrated in the short-circuit path trips immediately after the arc has been extinguished, thus ensuring safe electrical isolation (interruption). Consequently, all PV arresters from DEHN combine surge protection, fire protection and personal protection in a single device

Technical data

Corrente impulsiva nominale di scarica (8/20 µs) (In ) 12,5 kA
Corrente impulsiva max di scarica (8/20 µs) (Imax ) 25 kA
Tensione massima continuativa DC (UC ) 600 V

Product 952054 was added to Notepad.

Product 952054 was added to the cart.


Modulo di protezione a varistore per DEHNguard M YPV e DEHNguard S PV

Modulo di protezione a varistore per DEHNguard M YPV SCI ... e
DEHNguard S PV SCI ... .

3 Products

Part No. 952045 DG MOD PV 75

GTIN 4013364141827, Customs tariff No. (EU): 85363030, Gross weight: 40.20 g, PU: 1.00 pz.


Images

Additional information

Modulo di protezione a varistore DG MOD PV 75
Modulo di protezione a innesto per DEHNguard
M YPV SCI e S PV SCI
Classificazione SPD tipo 2 secondo la norma EN 50539-11
della famiglia di prodotti Red/Line
Tecnologia con varistore ad alte prestazioni
Tensione massima continuativa: 75 V DC
Corrente impulsiva nominale di scarica: 10 kA
Indicazione di guasti

Fabbricato: DEHN
Tipo: DG MOD PV 75
Art.: 952045
o similare.

Certificates

 

Circuit Interruption

The backup fuse is already integrated here. This means: reduced space requirement, lower installation costs, faster wiring, and shorter connecting cables. This concept can be found in the product ranges DEHNvenCI, DEHNbloc Maxi S, DEHNguard ... CI and V(A) NH...

Direct Current-Disconnection

When using surge arresters in d.c. applications, disconnection must be reliably ensured even if there are no zero crossings. The specifically developed DC Disconnection (DCD) technology acts as a wedge similar to a blocking valve and interrupts the direct current. Consequently, the devices of the DEHNguard SE DC series are capable of safely interrupting direct currents, thus preventing fire damage caused by d.c. switching arcs.

SCI-Technology

The patented SCI technology with active arc extinction allows to actively, quickly and safely extinguish a possible switching arc in case of overload. The PV fuse integrated in the short-circuit path trips immediately after the arc has been extinguished, thus ensuring safe electrical isolation (interruption). Consequently, all PV arresters from DEHN combine surge protection, fire protection and personal protection in a single device

Technical data

Corrente impulsiva nominale di scarica (8/20 µs) (In ) 10 kA
Corrente impulsiva max di scarica (8/20 µs) (Imax ) 40 kA
Tensione massima continuativa DC (UC ) 75 V

Product 952045 was added to Notepad.

Product 952045 was added to the cart.

Part No. 952041 DG MOD PV 500

GTIN 4013364141841, Customs tariff No. (EU): 85363030, Gross weight: 60.19 g, PU: 1.00 pz.


Images

Additional information

Modulo di protezione a varistore DG MOD PV 500
Modulo di protezione a innesto per DEHNguard
M YPV SCI e S PV SCI
Classificazione SPD tipo 2 secondo la norma EN 61643-31
della famiglia di prodotti Red/Line
Tecnologia con varistore ad alte prestazioni
Tensione massima continuativa: 500 V DC
Corrente impulsiva nominale di scarica: 20 kA
Indicazione di guasti

Fabbricato: DEHN
Tipo: DG MOD PV 500
Art.: 952041
o similare.

Certificates

 

Circuit Interruption

The backup fuse is already integrated here. This means: reduced space requirement, lower installation costs, faster wiring, and shorter connecting cables. This concept can be found in the product ranges DEHNvenCI, DEHNbloc Maxi S, DEHNguard ... CI and V(A) NH...

Direct Current-Disconnection

When using surge arresters in d.c. applications, disconnection must be reliably ensured even if there are no zero crossings. The specifically developed DC Disconnection (DCD) technology acts as a wedge similar to a blocking valve and interrupts the direct current. Consequently, the devices of the DEHNguard SE DC series are capable of safely interrupting direct currents, thus preventing fire damage caused by d.c. switching arcs.

SCI-Technology

The patented SCI technology with active arc extinction allows to actively, quickly and safely extinguish a possible switching arc in case of overload. The PV fuse integrated in the short-circuit path trips immediately after the arc has been extinguished, thus ensuring safe electrical isolation (interruption). Consequently, all PV arresters from DEHN combine surge protection, fire protection and personal protection in a single device

Technical data

Corrente impulsiva nominale di scarica (8/20 µs) (In ) 20 kA
Corrente impulsiva max di scarica (8/20 µs) (Imax ) 40 kA
Tensione massima continuativa DC (UC ) 500 V

Product 952041 was added to Notepad.

Product 952041 was added to the cart.

Part No. 952044 DG MOD PV 600

GTIN 4013364141858, Customs tariff No. (EU): 85363030, Gross weight: 69.49 g, PU: 1.00 pz.


Images

Additional information

Modulo di protezione a varistore DG MOD PV 600
Modulo di protezione a innesto per DEHNguard
M YPV SCI e S PV SCI
Classificazione SPD tipo 2 secondo la norma EN 61643-31
della famiglia di prodotti Red/Line
Tecnologia con varistore ad alte prestazioni
Tensione massima continuativa: 600 V DC
Corrente impulsiva nominale di scarica: 15 kA
Indicazione di guasti

Fabbricato: DEHN
Tipo: DG MOD PV 600
Art.: 952044
o similare.

Certificates

 

Circuit Interruption

The backup fuse is already integrated here. This means: reduced space requirement, lower installation costs, faster wiring, and shorter connecting cables. This concept can be found in the product ranges DEHNvenCI, DEHNbloc Maxi S, DEHNguard ... CI and V(A) NH...

Direct Current-Disconnection

When using surge arresters in d.c. applications, disconnection must be reliably ensured even if there are no zero crossings. The specifically developed DC Disconnection (DCD) technology acts as a wedge similar to a blocking valve and interrupts the direct current. Consequently, the devices of the DEHNguard SE DC series are capable of safely interrupting direct currents, thus preventing fire damage caused by d.c. switching arcs.

SCI-Technology

The patented SCI technology with active arc extinction allows to actively, quickly and safely extinguish a possible switching arc in case of overload. The PV fuse integrated in the short-circuit path trips immediately after the arc has been extinguished, thus ensuring safe electrical isolation (interruption). Consequently, all PV arresters from DEHN combine surge protection, fire protection and personal protection in a single device

Technical data

Corrente impulsiva nominale di scarica (8/20 µs) (In ) 15 kA
Corrente impulsiva max di scarica (8/20 µs) (Imax ) 30 kA
Tensione massima continuativa DC (UC ) 600 V

Product 952044 was added to Notepad.

Product 952044 was added to the cart.


Modulo di protezione a varistore per DEHNguard ME YPV SCI e DEHNguard SE PV SCI

1 Product

Part No. 952056 DG MOD E PV SCI 750

GTIN 4013364149106, Customs tariff No. (EU): 85363030, Gross weight: 82.70 g, PU: 1.00 pz.


Images

Additional information

Modulo di protezione a varistore DG MOD E PV SCI 750
Modulo di protezione a innesto per DEHNguard
ME YPV SCI e SE PV SCI
Classificazione SPD tipo 2 secondo la norma EN 50539-11
della famiglia di prodotti Red/Line
Tecnologia con varistore ad alte prestazioni
Tensione massima continuativa: 750 V DC
Corrente impulsiva nominale di scarica: 12,5 kA
Indicazione di guasti

Fabbricato: DEHN
Tipo: DG MOD E PV SCI 750
Art.: 952056
o similare.

Certificates

 

Circuit Interruption

The backup fuse is already integrated here. This means: reduced space requirement, lower installation costs, faster wiring, and shorter connecting cables. This concept can be found in the product ranges DEHNvenCI, DEHNbloc Maxi S, DEHNguard ... CI and V(A) NH...

Direct Current-Disconnection

When using surge arresters in d.c. applications, disconnection must be reliably ensured even if there are no zero crossings. The specifically developed DC Disconnection (DCD) technology acts as a wedge similar to a blocking valve and interrupts the direct current. Consequently, the devices of the DEHNguard SE DC series are capable of safely interrupting direct currents, thus preventing fire damage caused by d.c. switching arcs.

SCI-Technology

The patented SCI technology with active arc extinction allows to actively, quickly and safely extinguish a possible switching arc in case of overload. The PV fuse integrated in the short-circuit path trips immediately after the arc has been extinguished, thus ensuring safe electrical isolation (interruption). Consequently, all PV arresters from DEHN combine surge protection, fire protection and personal protection in a single device

Technical data

Corrente impulsiva nominale di scarica (8/20 µs) (In ) 12,5 kA
Corrente impulsiva max di scarica (8/20 µs) (Imax ) 25 kA
Tensione massima continuativa DC (UC ) 750 V

Product 952056 was added to Notepad.

Product 952056 was added to the cart.


Modulo di protezione a varistore per DEHNguard SE H ...

4 Products

Part No. 952900 DG MOD E H LI 275

GTIN 4013364158801, Customs tariff No. (EU): 85363030, Gross weight: 90.00 g, PU: 1.00 pz.


Images

Additional information

Modulo di protezione a varistore DG MOD E H LI 275
Modulo di protezione a varistore per DEHNguard SE H (LI) con sistema di allerta preventiva a tre gradini (verde-giallo-rosso)
SPD Tipo 2 secondo CEI EN 61643-11 (CEI 37-8)
Tecnologia a varistore ad alta prestazione
Tensione massima continuativa AC: 275 V DC
Corrente impulsiva nominale di scarica (8/20 µs): 30 kA
Indicazione di funzionamento

Fabbricato: DEHN
Tipo: DG MOD E H LI 275
Art.: 952900
o similare.

 

Circuit Interruption

The backup fuse is already integrated here. This means: reduced space requirement, lower installation costs, faster wiring, and shorter connecting cables. This concept can be found in the product ranges DEHNvenCI, DEHNbloc Maxi S, DEHNguard ... CI and V(A) NH...

Direct Current-Disconnection

When using surge arresters in d.c. applications, disconnection must be reliably ensured even if there are no zero crossings. The specifically developed DC Disconnection (DCD) technology acts as a wedge similar to a blocking valve and interrupts the direct current. Consequently, the devices of the DEHNguard SE DC series are capable of safely interrupting direct currents, thus preventing fire damage caused by d.c. switching arcs.

SCI-Technology

The patented SCI technology with active arc extinction allows to actively, quickly and safely extinguish a possible switching arc in case of overload. The PV fuse integrated in the short-circuit path trips immediately after the arc has been extinguished, thus ensuring safe electrical isolation (interruption). Consequently, all PV arresters from DEHN combine surge protection, fire protection and personal protection in a single device

Technical data

Corrente impulsiva nominale di scarica (8/20 µs) (In ) 30 kA
Corrente impulsiva max di scarica (8/20 µs) (Imax ) 65 kA
Tensione massima continuativa AC (UC ) 275 V

Product 952900 was added to Notepad.

Product 952900 was added to the cart.

Part No. 952907 DG MOD E H LI 1000

GTIN 4013364158856, Customs tariff No. (EU): 85363030, Gross weight: 130.00 g, PU: 1.00 pz.


Images

Additional information

Modulo di protezione a varistore DG MOD E H LI 1000
Modulo di protezione a varistore per DEHNguard SE H (LI) con sistema di allerta preventiva a tre gradini (verde-giallo-rosso)
SPD Tipo 2 secondo CEI EN 61643-11 (CEI 37-8)
Tecnologia a varistore ad alta prestazione
Tensione massima continuativa AC: 1000 V DC
Corrente impulsiva nominale di scarica (8/20 µs): 20 kA
Codifica nella parte inferiore e sul modulo di protezione

Fabbricato: DEHN
Tipo: DG MOD E H LI 1000
Art.: 952907
o similare.

 

Circuit Interruption

The backup fuse is already integrated here. This means: reduced space requirement, lower installation costs, faster wiring, and shorter connecting cables. This concept can be found in the product ranges DEHNvenCI, DEHNbloc Maxi S, DEHNguard ... CI and V(A) NH...

Direct Current-Disconnection

When using surge arresters in d.c. applications, disconnection must be reliably ensured even if there are no zero crossings. The specifically developed DC Disconnection (DCD) technology acts as a wedge similar to a blocking valve and interrupts the direct current. Consequently, the devices of the DEHNguard SE DC series are capable of safely interrupting direct currents, thus preventing fire damage caused by d.c. switching arcs.

SCI-Technology

The patented SCI technology with active arc extinction allows to actively, quickly and safely extinguish a possible switching arc in case of overload. The PV fuse integrated in the short-circuit path trips immediately after the arc has been extinguished, thus ensuring safe electrical isolation (interruption). Consequently, all PV arresters from DEHN combine surge protection, fire protection and personal protection in a single device

Technical data

Corrente impulsiva nominale di scarica (8/20 µs) (In ) 20 kA
Corrente impulsiva max di scarica (8/20 µs) (Imax ) 40 kA
Tensione massima continuativa AC (UC ) 1000 V

Product 952907 was added to Notepad.

Product 952907 was added to the cart.

Part No. 952908 DG MOD E H 1000

GTIN 4013364264526, Customs tariff No. (EU): 85363030, Gross weight: 123.00 g, PU: 1.00 pz.


Images

Additional information

Modulo di protezione a varistore DG MOD E H 1000
Modulo di protezione a varistore per DEHNguard SE H (LI)
SPD Tipo 2 secondo CEI EN 61643-11 (CEI 37-8)
Tecnologia a varistore ad alta prestazione
Tensione massima continuativa AC: 1000 V DC
Corrente impulsiva nominale di scarica (8/20 µs): 20 kA
Indicazione di guasto

Fabbricato: DEHN
Tipo: DG MOD E H 1000
Art.: 952908
o similare.

Certificates

 

Circuit Interruption

The backup fuse is already integrated here. This means: reduced space requirement, lower installation costs, faster wiring, and shorter connecting cables. This concept can be found in the product ranges DEHNvenCI, DEHNbloc Maxi S, DEHNguard ... CI and V(A) NH...

Direct Current-Disconnection

When using surge arresters in d.c. applications, disconnection must be reliably ensured even if there are no zero crossings. The specifically developed DC Disconnection (DCD) technology acts as a wedge similar to a blocking valve and interrupts the direct current. Consequently, the devices of the DEHNguard SE DC series are capable of safely interrupting direct currents, thus preventing fire damage caused by d.c. switching arcs.

SCI-Technology

The patented SCI technology with active arc extinction allows to actively, quickly and safely extinguish a possible switching arc in case of overload. The PV fuse integrated in the short-circuit path trips immediately after the arc has been extinguished, thus ensuring safe electrical isolation (interruption). Consequently, all PV arresters from DEHN combine surge protection, fire protection and personal protection in a single device

Technical data

Corrente impulsiva nominale di scarica (8/20 µs) (In ) 20 kA
Corrente impulsiva max di scarica (8/20 µs) (Imax ) 40 kA
Tensione massima continuativa AC (UC ) 1000 V

Product 952908 was added to Notepad.

Product 952908 was added to the cart.

Part No. 952918 DG MOD E H 1000 VA

GTIN 4013364308336, Customs tariff No. (EU): 85363030, Gross weight: 130.00 g, PU: 1.00 pz.


Images

Additional information



Fabbricato: DEHN
Tipo: DG MOD E H 1000 VA
Art.: 952918
o similare.

Certificates

 

Circuit Interruption

The backup fuse is already integrated here. This means: reduced space requirement, lower installation costs, faster wiring, and shorter connecting cables. This concept can be found in the product ranges DEHNvenCI, DEHNbloc Maxi S, DEHNguard ... CI and V(A) NH...

Direct Current-Disconnection

When using surge arresters in d.c. applications, disconnection must be reliably ensured even if there are no zero crossings. The specifically developed DC Disconnection (DCD) technology acts as a wedge similar to a blocking valve and interrupts the direct current. Consequently, the devices of the DEHNguard SE DC series are capable of safely interrupting direct currents, thus preventing fire damage caused by d.c. switching arcs.

SCI-Technology

The patented SCI technology with active arc extinction allows to actively, quickly and safely extinguish a possible switching arc in case of overload. The PV fuse integrated in the short-circuit path trips immediately after the arc has been extinguished, thus ensuring safe electrical isolation (interruption). Consequently, all PV arresters from DEHN combine surge protection, fire protection and personal protection in a single device

Technical data

Corrente impulsiva nominale di scarica (8/20 µs) (In ) 15 kA
Corrente impulsiva max di scarica (8/20 µs) (Imax ) 40 kA
Tensione massima continuativa AC (UC ) 1000 V

Product 952918 was added to Notepad.

Product 952918 was added to the cart.


Modulo di protezione a varistore per DEHNguard SE DC

4 Products

Part No. 972010 DG MOD E DC 60

GTIN 4013364158672, Customs tariff No. (EU): 85363030, Gross weight: 65.00 g, PU: 1.00 pz.


Images

Additional information

Modulo di protezione a varistore DG MOD E DC 60
Modulo di protezione a varistore per DEHNguard SE DC … (FM)
SPD Tipo 2 della famiglia di prodotti Red/Line secondo EN 61643-11/ ... CEI EN 61643-11
Tecnologia a varistore ad alta prestazione
Specifico per l'impiego nei dispositivi progettati con circuiti di corrente in DC
Massima tensione continuativa: 60 V DC
Corrente impulsiva nominale di scarica (8/20 µs): 12,5 kA
Indicazione di guasto

Fabbricato: DEHN
Tipo: DG MOD E DC 60
Art.: 972010
o similare.

 

Circuit Interruption

The backup fuse is already integrated here. This means: reduced space requirement, lower installation costs, faster wiring, and shorter connecting cables. This concept can be found in the product ranges DEHNvenCI, DEHNbloc Maxi S, DEHNguard ... CI and V(A) NH...

Direct Current-Disconnection

When using surge arresters in d.c. applications, disconnection must be reliably ensured even if there are no zero crossings. The specifically developed DC Disconnection (DCD) technology acts as a wedge similar to a blocking valve and interrupts the direct current. Consequently, the devices of the DEHNguard SE DC series are capable of safely interrupting direct currents, thus preventing fire damage caused by d.c. switching arcs.

SCI-Technology

The patented SCI technology with active arc extinction allows to actively, quickly and safely extinguish a possible switching arc in case of overload. The PV fuse integrated in the short-circuit path trips immediately after the arc has been extinguished, thus ensuring safe electrical isolation (interruption). Consequently, all PV arresters from DEHN combine surge protection, fire protection and personal protection in a single device

Technical data

Corrente impulsiva nominale di scarica (8/20 µs) (In ) 12,5 kA
Tensione massima continuativa DC (UC ) 60 V

Product 972010 was added to Notepad.

Product 972010 was added to the cart.

Part No. 972020 DG MOD E DC 242

GTIN 4013364158702, Customs tariff No. (EU): 85363030, Gross weight: 75.00 g, PU: 1.00 pz.


Images

Additional information

Modulo di protezione a varistore DG MOD E DC 242
Modulo di protezione a varistore per DEHNguard SE DC … (FM)
SPD Tipo 2 della famiglia di prodotti Red/Line secondo EN 61643-11/ ... CEI EN 61643-11
Tecnologia a varistore ad alta prestazione
Specifico per l'impiego nei dispositivi progettati con circuiti di corrente in DC
Massima tensione continuativa: 242 V DC
Corrente impulsiva nominale di scarica (8/20 µs): 12,5 kA
Indicazione di guasto

Fabbricato: DEHN
Tipo: DG MOD E DC 242
Art.: 972020
o similare.

Certificates

 

Circuit Interruption

The backup fuse is already integrated here. This means: reduced space requirement, lower installation costs, faster wiring, and shorter connecting cables. This concept can be found in the product ranges DEHNvenCI, DEHNbloc Maxi S, DEHNguard ... CI and V(A) NH...

Direct Current-Disconnection

When using surge arresters in d.c. applications, disconnection must be reliably ensured even if there are no zero crossings. The specifically developed DC Disconnection (DCD) technology acts as a wedge similar to a blocking valve and interrupts the direct current. Consequently, the devices of the DEHNguard SE DC series are capable of safely interrupting direct currents, thus preventing fire damage caused by d.c. switching arcs.

SCI-Technology

The patented SCI technology with active arc extinction allows to actively, quickly and safely extinguish a possible switching arc in case of overload. The PV fuse integrated in the short-circuit path trips immediately after the arc has been extinguished, thus ensuring safe electrical isolation (interruption). Consequently, all PV arresters from DEHN combine surge protection, fire protection and personal protection in a single device

Technical data

Corrente impulsiva nominale di scarica (8/20 µs) (In ) 12,5 kA
Tensione massima continuativa DC (UC ) 242 V

Product 972020 was added to Notepad.

Product 972020 was added to the cart.

Part No. 972030 DG MOD E DC 550

GTIN 4013364158719, Customs tariff No. (EU): 85363030, Gross weight: 89.00 g, PU: 1.00 pz.


Images

Additional information

Modulo di protezione a varistore DG MOD E DC 550
Modulo di protezione a varistore per DEHNguard SE DC … (FM)
SPD Tipo 2 della famiglia di prodotti Red/Line secondo EN 61643-11/ ... CEI EN 61643-11
Tecnologia a varistore ad alta prestazione
Specifico per l'impiego nei dispositivi progettati con circuiti di corrente in DC
Massima tensione continuativa: 550 V DC
Corrente impulsiva nominale di scarica (8/20 µs): 12,5 kA
Indicazione di guasto

Fabbricato: DEHN
Tipo: DG MOD E DC 550
Art.: 972030
o similare.

Certificates

 

Circuit Interruption

The backup fuse is already integrated here. This means: reduced space requirement, lower installation costs, faster wiring, and shorter connecting cables. This concept can be found in the product ranges DEHNvenCI, DEHNbloc Maxi S, DEHNguard ... CI and V(A) NH...

Direct Current-Disconnection

When using surge arresters in d.c. applications, disconnection must be reliably ensured even if there are no zero crossings. The specifically developed DC Disconnection (DCD) technology acts as a wedge similar to a blocking valve and interrupts the direct current. Consequently, the devices of the DEHNguard SE DC series are capable of safely interrupting direct currents, thus preventing fire damage caused by d.c. switching arcs.

SCI-Technology

The patented SCI technology with active arc extinction allows to actively, quickly and safely extinguish a possible switching arc in case of overload. The PV fuse integrated in the short-circuit path trips immediately after the arc has been extinguished, thus ensuring safe electrical isolation (interruption). Consequently, all PV arresters from DEHN combine surge protection, fire protection and personal protection in a single device

Technical data

Corrente impulsiva nominale di scarica (8/20 µs) (In ) 12,5 kA
Tensione massima continuativa DC (UC ) 550 V

Product 972030 was added to Notepad.

Product 972030 was added to the cart.

Part No. 972040 DG MOD E DC 900

GTIN 4013364158764, Customs tariff No. (EU): 85363030, Gross weight: 95.00 g, PU: 1.00 pz.


Images

Additional information

Modulo di protezione a varistore DG MOD E DC 900
Modulo di protezione a varistore per DEHNguard SE DC … (FM)
SPD Tipo 2 della famiglia di prodotti Red/Line secondo EN 61643-11/ ... CEI EN 61643-11
Tecnologia a varistore ad alta prestazione
Specifico per l'impiego nei dispositivi progettati con circuiti di corrente in DC
Massima tensione continuativa: 900 V DC
Corrente impulsiva nominale di scarica (8/20 µs): 12,5 kA
Indicazione di guasto

Fabbricato: DEHN
Tipo: DG MOD E DC 900
Art.: 972040
o similare.

Certificates

 

Circuit Interruption

The backup fuse is already integrated here. This means: reduced space requirement, lower installation costs, faster wiring, and shorter connecting cables. This concept can be found in the product ranges DEHNvenCI, DEHNbloc Maxi S, DEHNguard ... CI and V(A) NH...

Direct Current-Disconnection

When using surge arresters in d.c. applications, disconnection must be reliably ensured even if there are no zero crossings. The specifically developed DC Disconnection (DCD) technology acts as a wedge similar to a blocking valve and interrupts the direct current. Consequently, the devices of the DEHNguard SE DC series are capable of safely interrupting direct currents, thus preventing fire damage caused by d.c. switching arcs.

SCI-Technology

The patented SCI technology with active arc extinction allows to actively, quickly and safely extinguish a possible switching arc in case of overload. The PV fuse integrated in the short-circuit path trips immediately after the arc has been extinguished, thus ensuring safe electrical isolation (interruption). Consequently, all PV arresters from DEHN combine surge protection, fire protection and personal protection in a single device

Technical data

Corrente impulsiva nominale di scarica (8/20 µs) (In ) 12,5 kA
Tensione massima continuativa DC (UC ) 900 V

Product 972040 was added to Notepad.

Product 972040 was added to the cart.


back to top