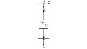
DEHNgap

  • Capacità di scarica 100 kA (10/350 µs)
  • Scaricatore di corrente sommatoria, specialmente adatto per l'impiego nella rete TT nel circuito 3+1 e 1+1, secondo CEI CLC/TS 61643-12 (IEC 60364-5-534) e la variante V2 della CEI 64-8, tra il conduttore neutro N ed il conduttore di protezione PE
  • Tecnologia di spinterometro autoestinguente
  • Indicazione di funzionamento / guasto tramite marcatura verde / rossa nella finestrella

Details

lorem ipsum

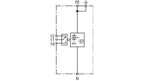
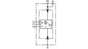
DEHNgap M 255 (FM)

Scaricatore coordinato per corrente di fulmine N-PE, unipolare, modulare, per UC = 255 V, con ulteriore contatto di telesegnalamento per il controllo a distanza (contatto di scambio pulito).

2 Products

Part No. 961101 DGP M 255

GTIN 4013364118676, Customs tariff No. (EU): 85363030, Gross weight: 331.00 g, PU: 1.00 pz.

Predecessor

Images

Additional information

Scaricatore coordinato per corrente di fulmine NPE DEHNgap M 255
Scaricatore coordinato per corrente di fulmine N-PE, unipolare
Con contatto di scambio pulito per il telesegnalamento
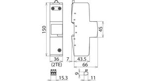
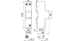
Dimensioni: 2 unità
SPD Tipo 1 secondo EN 61643-11/ ... CEI EN 61643-11
Tecnologia spinterometrica autoestinguente
Indicazione di guasto
Corrente impulsiva di fulmine (10/350 µs): 100 kA
Livello di protezione: ≤ 1,5 kV
Estinzione di correnti susseguenti di rete: 100 kAeff a 255 V AC
Tensione TOV - Caratteristica: 1200 V / 200 ms
Coordinamento energetico secondo CEI EN 62305-4
Direttamente sullo scaricatore di sovratensione N-PE DEHNgap C S della famiglia di prodotti Red/Line

Fabbricato: DEHN
Tipo: DGP M 255
Art.: 961101
o similare.

Certificates

 

Wave breaker function

In the case of spark-gap-based type 1 arresters, the entire current flows through the type 1 arrester during the discharge process. Like a wave breaker, the incoming energy is greatly broken down, which significantly relieves the downstream SPDs. All type 1 arresters in the Red/Line product range feature the WBF wave breaker function.

Technical data

SPD secondo EN 61643-11 / ... IEC 61643-11 Tipo 1 / Classe I
Tensione massima continuativa AC (UC ) 255 V (50 / 60 Hz)
Corrente impulsiva di fulmine (10/350 µs) (Iimp ) 100 kA
Livello di protezione (UP ) ≤ 1,5 kV
Omologazioni VDE, KEMA, UL

Product 961101 was added to Notepad.

Product 961101 was added to the cart.

Part No. 961105 DGP M 255 FM

GTIN 4013364118683, Customs tariff No. (EU): 85363030, Gross weight: 336.00 g, PU: 1.00 pz.

Predecessor

Images

Additional information

Scaricatore della corrente di fulmine coordinato N-PE DEHNgap M 255 FM
scaricatore della corrente di fulmine N-PE a unipolare, modulare, innestabile, coordinato,
larghezza 2TE
con contatto di telesegnalamento
SPD tipo 1 a norma EN 61643-11
Tecnologia spinterometrica RADAX-Flow
Indicazione di difetto
Marcatura nella finestrella di controllo
corrente di fulmine (10/350): 100 kA
Livello di protezione: <= 1,5 kV
Capacità di estinzione corrente susseguente di rete: 100 Aeff a 255 V ac
Tenuta TOV: 1200 V/200 ms
Coordinamento energetico secondo la norma DIN EN 62305-4
direttamente allo scaricatore DEHNgap C S della famiglia Red/Line

Fabbricato: DEHN
Tipo: DGP M 255 FM
Art.: 961105
o similare.

Certificates

 

Wave breaker function

In the case of spark-gap-based type 1 arresters, the entire current flows through the type 1 arrester during the discharge process. Like a wave breaker, the incoming energy is greatly broken down, which significantly relieves the downstream SPDs. All type 1 arresters in the Red/Line product range feature the WBF wave breaker function.

Technical data

SPD secondo EN 61643-11 / ... IEC 61643-11 Tipo 1 / Classe I
Tensione massima continuativa AC (UC ) 255 V (50 / 60 Hz)
Corrente impulsiva di fulmine (10/350 µs) (Iimp ) 100 kA
Livello di protezione (UP ) ≤ 1,5 kV
Omologazioni VDE, KEMA, UL
Contatto FM / forma contatto scambio pulito

Product 961105 was added to Notepad.

Product 961105 was added to the cart.


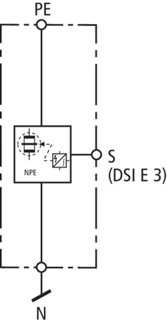
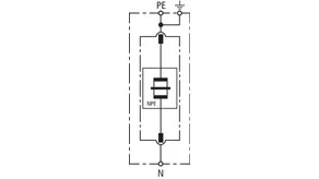
DEHNgap Maxi 1 255 S

Scaricatore coordinato per corrente di fulmine N-PE, unipolare, per sistema di distribuzione a barre.

1 Product

Part No. 900050 DGPM 1 255 S

GTIN 4013364107496, Customs tariff No. (EU): 85363090, Gross weight: 539.00 g, PU: 1.00 pz.


Images

Additional information

Scaricatore di corrente da fulmine N-PE DEHNgap Maxi 1 255 S
scaricatore della corrente di fulmine N-PE unipolare, coordinato
per sistemi di distribuzione a barre industriali
SPD tipo 1 a norma EN 61643-11
Tecnologia spinterometrica RADAX-Flow
Tensione massima continuativa: AC 255 V
Livello di protezione: <= 1,75 kV: <= 2,5 kV (include un cavo di collegamento di 80 cm)
corrente di fulmine (10/350): 100 kA
Capacità di estinzione corrente susseguente di rete: 100 Aeff
Tenuta TOV: 1200 V/200 ms
Coordinamento energetico secondo la norma DIN EN 62305-4
SPD della famiglia Red/Line
Montaggio su barra collettrice N min. 35 mm2
Dimensioni ( la x lu x p): (72 x 89 x 100) mm

Fabbricato: DEHN
Tipo: DGPM 1 255 S
Art.: 900050
o similare.

Certificates

 

Wave breaker function

In the case of spark-gap-based type 1 arresters, the entire current flows through the type 1 arrester during the discharge process. Like a wave breaker, the incoming energy is greatly broken down, which significantly relieves the downstream SPDs. All type 1 arresters in the Red/Line product range feature the WBF wave breaker function.

Technical data

SPD secondo EN 61643-11 / ... IEC 61643-11 Tipo 1 / Classe I
Tensione massima continuativa AC (UC ) 255 V (50 / 60 Hz)
Corrente impulsiva di fulmine (10/350 µs) (Iimp ) 100 kA
Livello di protezione (UP ) ≤ 2,5 kV (comprensivo di 80 cm di collegamento)
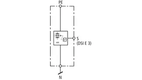
Controllo del funzionamento tramite DEHNsignal DSI E 3

Product 900050 was added to Notepad.

Product 900050 was added to the cart.


DEHNgap Maxi 1 255 (FM)

Scaricatore coordinato per corrente di fulmine N-PE, unipolare; in esecuzione FM con contatto di telesegnalamento a scambio pulito.

2 Products

Part No. 961180 DGPM 1 255

GTIN 4013364157323, Customs tariff No. (EU): 85363090, Gross weight: 460.00 g, PU: 1.00 pz.


Images

Additional information

Scaricatore di corrente da fulmine N-PE DEHNgap Maxi 1 255
Scaricatore coordinato corrente di fulmine N-PE, larghezza 2TE
SPD tipo 1 a norma EN 61643-11
Tecnologia spinterometrica RADAX-Flow
Indicazione di difetto
corrente di fulmine (10/350): 100 kA
Livello di protezione: <= 1,5 kV
Capacità di estinzione corrente susseguente di rete: 100 Aeff a 255 V ac
Tenuta TOV: 1200 V/200 ms

Fabbricato: DEHN
Tipo: DGPM 1 255
Art.: 961180
o similare.

Certificates

 

Wave breaker function

In the case of spark-gap-based type 1 arresters, the entire current flows through the type 1 arrester during the discharge process. Like a wave breaker, the incoming energy is greatly broken down, which significantly relieves the downstream SPDs. All type 1 arresters in the Red/Line product range feature the WBF wave breaker function.

Technical data

SPD secondo EN 61643-11 / ... IEC 61643-11 Tipo 1 + Tipo 2 / Classe I + Classe II
Tensione massima continuativa AC (UC ) 255 V (50 / 60 Hz)
Corrente impulsiva di fulmine (10/350 µs) (Iimp ) 100 kA
Livello di protezione (UP ) ≤ 1,5 kV
Omologazioni KEMA

Product 961180 was added to Notepad.

Product 961180 was added to the cart.

Part No. 961185 DGPM 1 255 FM

GTIN 4013364157330, Customs tariff No. (EU): 85363090, Gross weight: 460.00 g, PU: 1.00 pz.


Images

Additional information

Scaricatore di corrente da fulmine N-PE DEHNgap Maxi 1 255 FM
Scaricatore coordinato corrente di fulmine N-PE, larghezza 2TE
con contatto di telesegnalamento
SPD tipo 1 a norma EN 61643-11
Tecnologia spinterometrica RADAX-Flow
Indicazione di difetto
corrente di fulmine (10/350): 100 kA
Livello di protezione: <= 1,5 kV
Capacità di estinzione corrente susseguente di rete: 100 Aeff a 255 V ac
Tenuta TOV: 1200 V/200 ms

Fabbricato: DEHN
Tipo: DGPM 1 255 FM
Art.: 961185
o similare.

Certificates

 

Wave breaker function

In the case of spark-gap-based type 1 arresters, the entire current flows through the type 1 arrester during the discharge process. Like a wave breaker, the incoming energy is greatly broken down, which significantly relieves the downstream SPDs. All type 1 arresters in the Red/Line product range feature the WBF wave breaker function.

Technical data

SPD secondo EN 61643-11 / ... IEC 61643-11 Tipo 1 + Tipo 2 / Classe I + Classe II
Tensione massima continuativa AC (UC ) 255 V (50 / 60 Hz)
Corrente impulsiva di fulmine (10/350 µs) (Iimp ) 100 kA
Livello di protezione (UP ) ≤ 1,5 kV
Omologazioni KEMA
Contatto FM / forma contatto scambio pulito

Product 961185 was added to Notepad.

Product 961185 was added to the cart.


DEHNgap Maxi 440 (FM)

Scaricatore coordinato per corrente di fulmine N-PE, unipolare; in esecuzione FM con contatto di telesegnalamento a scambio pulito.

2 Products

Part No. 961160 DGPM 440

GTIN 4013364116290, Customs tariff No. (EU): 85363030, Gross weight: 415.00 g, PU: 1.00 pz.


Images

Additional information

Scaricatore di corrente da fulmine N-PE DEHNgap Maxi 440
Scaricatore coordinato corrente di fulmine N-PE, larghezza 2TE
SPD tipo 1 a norma EN 61643-11
Tecnologia spinterometrica RADAX-Flow
Indicazione di difetto
corrente di fulmine (10/350): 100 kA
Livello di protezione: <= 2,5 kV
Capacità di estinzione corrente susseguente di rete: 100 Aeff a 440 V ac
Tenuta TOV: 1200 V/200 ms

Fabbricato: DEHN
Tipo: DGPM 440
Art.: 961160
o similare.

 

Wave breaker function

In the case of spark-gap-based type 1 arresters, the entire current flows through the type 1 arrester during the discharge process. Like a wave breaker, the incoming energy is greatly broken down, which significantly relieves the downstream SPDs. All type 1 arresters in the Red/Line product range feature the WBF wave breaker function.

Technical data

SPD secondo EN 61643-11 / ... IEC 61643-11 Tipo 1 / Classe I
Tensione massima continuativa AC (UC ) 440 V (50 / 60 Hz)
Corrente impulsiva di fulmine (10/350 µs) (Iimp ) 100 kA
Livello di protezione (UP ) ≤ 2,5 kV
Omologazioni UL

Product 961160 was added to Notepad.

Product 961160 was added to the cart.

Part No. 961165 DGPM 440 FM

GTIN 4013364116306, Customs tariff No. (EU): 85363030, Gross weight: 418.00 g, PU: 1.00 pz.


Images

Additional information

Scaricatore di corrente da fulmine N-PE DEHNgap Maxi 440 FM
Scaricatore coordinato corrente di fulmine N-PE, larghezza 2TE
con contatto di telesegnalamento
SPD tipo 1 a norma EN 61643-11
Tecnologia spinterometrica RADAX-Flow
Indicazione di difetto
corrente di fulmine (10/350): 100 kA
Livello di protezione: <= 2,5 kV
Capacità di estinzione corrente susseguente di rete: 100 Aeff a 440 V ac
Tenuta TOV: 1200 V/200 ms

Fabbricato: DEHN
Tipo: DGPM 440 FM
Art.: 961165
o similare.

Certificates

 

Wave breaker function

In the case of spark-gap-based type 1 arresters, the entire current flows through the type 1 arrester during the discharge process. Like a wave breaker, the incoming energy is greatly broken down, which significantly relieves the downstream SPDs. All type 1 arresters in the Red/Line product range feature the WBF wave breaker function.

Technical data

SPD secondo EN 61643-11 / ... IEC 61643-11 Tipo 1 / Classe I
Tensione massima continuativa AC (UC ) 440 V (50 / 60 Hz)
Corrente impulsiva di fulmine (10/350 µs) (Iimp ) 100 kA
Livello di protezione (UP ) ≤ 2,5 kV
Omologazioni UL
Contatto FM / forma contatto scambio pulito

Product 961165 was added to Notepad.

Product 961165 was added to the cart.


DEHNgap H M 255

Scaricatore per corrente di fulmine N-PE, unipolare, modulare.

1 Product

Part No. 961102 DGPH M 255

GTIN 4013364118690, Customs tariff No. (EU): 85363030, Gross weight: 300.00 g, PU: 1.00 pz.

Predecessor

Images

Additional information

Scaricatore per corrente di fulmine NPE modulare DEHNgap H M 255
Scaricatore coordinato per corrente di fulmine N-PE, unipolare
Dimensioni: 2 unità
SPD Tipo 1 secondo EN 61643-11/ ... CEI EN 61643-11
Tecnologia spinterometrica autoestinguente
Scaricatore modulare per corrente di fulmine N-PE DEHNgap H M 255
Unipolare, modulare, innestabile, coordinato
Scaricatore per corrente di fulmine N-PE, dimensioni 2 unità
SPD Tipo 1 secondo EN 61643-11
Tecnologia spinterometrica autoestinguente
Corrente impulsiva di fulmine (10/350 µs): 100 kA
Grado di protezione: <= 4 kV
Estinzione di correnti susseguenti di rete: 100 kAeff con 255 V AC
Tenuta TOV: 1200 V / 200 ms
Coordinamento energetico secondo CEI EN 62305-4
Direttamente su scaricatore DEHNgap C S N-PE della famiglia di prodotti Red/Line

Fabbricato: DEHN
Tipo: DGPH M 255
Art.: 961102
o similare.

Certificates

 

Wave breaker function

In the case of spark-gap-based type 1 arresters, the entire current flows through the type 1 arrester during the discharge process. Like a wave breaker, the incoming energy is greatly broken down, which significantly relieves the downstream SPDs. All type 1 arresters in the Red/Line product range feature the WBF wave breaker function.

Technical data

SPD secondo EN 61643-11 / ... IEC 61643-11 Tipo 1 / Classe I
Tensione massima continuativa AC (UC ) 255 V (50 / 60 Hz)
Corrente impulsiva di fulmine (10/350 µs) (Iimp ) 100 kA
Livello di protezione (UP ) ≤ 4 kV

Product 961102 was added to Notepad.

Product 961102 was added to the cart.


back to top