DEHNventil ZP

  • Scaricatore combinato Tipo 1 + Tipo 2 con tecnologia spinterometrica RADAX-Flow
  • Soddisfa pienamente i requisiti in accordo alla direttiva di applicazione tedesca VDE-AR-N 4100 per l'impiego a monte del contatore
  • Montaggio semplice e rapido tramite aggancio sul sistema di distribuzione a barre da 40 mm
  • Controllo del funzionamento tramite pulsante con indicazione luminosa
  • Selettivo verso fusibili da 20 A gG con correnti di corto circuito fino a 25 kAeff
  • Capacità di scarica fino a 100 kA (10/350 µs)
  • Permette la protezione di utenze finali
  • Offre un'elevata affidabilità dell'impianto

Details

lorem ipsum
lorem ipsum

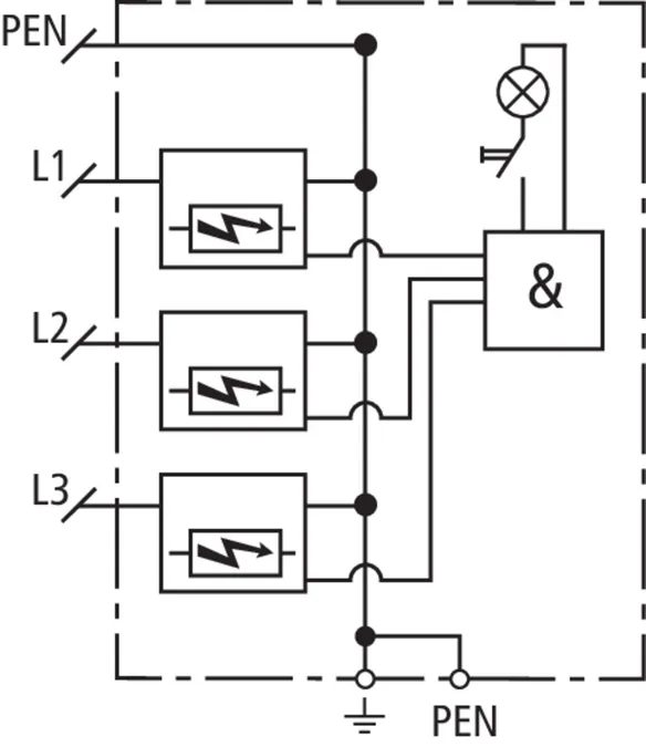
DEHNventil ZP TNC

Scaricatore combinato per reti TN-C, per l'impiego in sistemi di alimentazione principale in edifici con impianto parafulmine esterno ed elevati parametri di prestazione (circuito "3+0").

1 Product

Part No. 900390 DV ZP TNC 255

GTIN 4013364105751, Customs tariff No. (EU): 85363090, Gross weight: 957.00 g, PU: 1.00 pz.

Predecessor

Images

Additional information

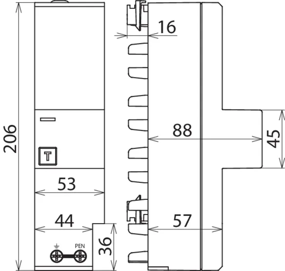
Scaricatore combinato DEHNventil ZP TNC 255
Scaricatore combinato per reti TN-C, per l'impiego
in sistemi di alimentazione principale
SPD Tipo 1 + Tipo 2 secondo EN 61643-11 / ... IEC 61643-11
Con tecnologia spinterometrica RADAX-Flow
Da agganciare sul sistema di distribuzione a barre da 40 mm
Tensione continuativa massima: 255 V AC
Livello di protezione: ≤ 1,5 kV
Corrente impulsiva di fulmine (10/350 µs): 75 kA
Capacità di estinzione corrente susseguente di rete: 25 kAeff
Coordinamento energetico secondo CEI EN 62305-4
SPD della famiglia di prodotti Red/Line
Indicazione di funzionamento

Fabbricato: DEHN
Tipo: DV ZP TNC 255
Art.: 900390
o similare.

Certificates

 

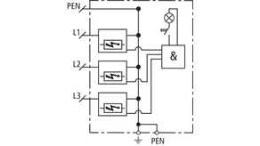
Wave breaker function

In the case of spark-gap-based type 1 arresters, the entire current flows through the type 1 arrester during the discharge process. Like a wave breaker, the incoming energy is greatly broken down, which significantly relieves the downstream SPDs. All type 1 arresters in the Red/Line product range feature the WBF wave breaker function.

Technical data

SPD secondo EN 61643-11 / ... IEC 61643-11 Tipo 1 + Tipo 2 / Classe I + Classe II
Tensione continuativa massima AC (UC ) 255 V (50 / 60 Hz)
Corrente impulsiva di fulmine (10/350 µs) [L1+L2+L3-PEN] (Itotal ) 75 kA
Corrente impulsiva di fulmine (10/350 µs) [L-PEN] (Iimp ) 25 kA
Livello di protezione (UP ) ≤ 1,5 kV
Fusibile di protezione max. fino a ICC = 25 kAeff 315 A gG
Omologazioni VDE

Product 900390 was added to Notepad.

Product 900390 was added to the cart.


DEHNventil ZP TT

Scaricatore combinato per reti TT e TN-S, per l'impiego in sistemi di alimentazione principale in edifici con impianto parafulmine esterno ed elevati parametri di prestazione (circuito "3+1").

1 Product

Part No. 900391 DV ZP TT 255

GTIN 4013364105768, Customs tariff No. (EU): 85363090, Gross weight: 1.08 kg, PU: 1.00 pz.

Predecessor

Images

Additional information

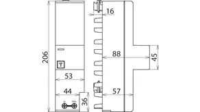
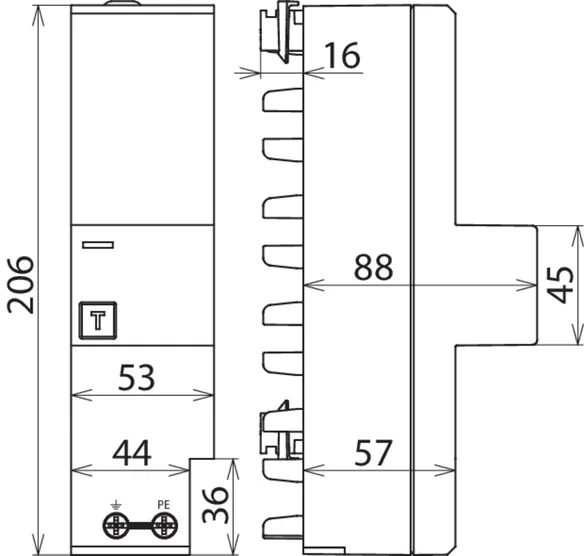
Scaricatore combinato DEHNventil ZP TT 255
Scaricatore combinato per reti TT e TN-S, per l'impiego in sistemi di alimentazione principale per l'impiego a monte del contatore
SPD Tipo 1 + Tipo 2 secondo EN 61643-11 / ... IEC 61643-11
Con tecnologia spinterometrica RADAX-Flow
Da agganciare sul sistema di distribuzione a barre da 40 mm
Tensione continuativa massima: 255 V AC
Livello di protezione: ≤ 1,5 kV
Corrente impulsiva di fulmine (10/350 µs): 100 kA
Capacità di estinzione corrente susseguente di rete: 25 kAeff
Coordinamento energetico secondo CEI EN 62305-4
SPD della famiglia di prodotti Red/Line
Indicazione ottica di funzionamento

Fabbricato: DEHN
Tipo: DV ZP TT 255
Art.: 900391
o similare.

Certificates

 

Wave breaker function

In the case of spark-gap-based type 1 arresters, the entire current flows through the type 1 arrester during the discharge process. Like a wave breaker, the incoming energy is greatly broken down, which significantly relieves the downstream SPDs. All type 1 arresters in the Red/Line product range feature the WBF wave breaker function.

Technical data

SPD secondo EN 61643-11 / ... IEC 61643-11 Tipo 1 + Tipo 2 / Classe I + Classe II
Tensione continuativa massima AC (UC ) 255 V (50 / 60 Hz)
Corrente impulsiva di fulmine (10/350 µs) [L1+L2+L3+N-PE] (Itotal ) 100 kA
Corrente impulsiva di fulmine (10/350 µs) [L-N] (Iimp ) 25 kA
Corrente impulsiva di fulmine (10/350 µs) [N-PE] (Iimp ) 100 kA
Livello di protezione [L-N] (UP ) ≤ 1,5 kV
Livello di protezione [N-PE] (UP ) ≤ 1,5 kV
Fusibile di protezione max. fino a ICC = 25 kAeff 315 A gG
Omologazioni VDE

Product 900391 was added to Notepad.

Product 900391 was added to the cart.


back to top