Supporto per aste di captazione D40 e tubi portanti in PRFV/Al

Per il montaggio con zoccoli in cemento (peso 17 kg). Adattamento all’inclinazione del tetto fino a max 10° mediante fissaggio al supporto per lo zoccolo. Le aste di captazione D40 / i tubi portanti sono ordinabili separatamente.

Gli zoccoli in cemento impilabili, le piastre di base, il set di supporto dello zoccolo per l’attacco di ulteriori zoccoli in cemento e il set di adattamento per le aste di captazione D40 sono disponibili separatamente tra i rispettivi accessori.

Avvertenza: è possibile richiedere a DEHN informazioni sulla tollerabilità del materiale delle staffe portafili per tetti e delle basi di supporto in combinazione con le parti del tetto.

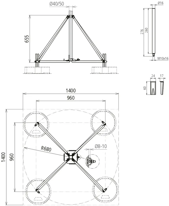
Tripode piccolo

Per aste di captazione D40, tubi portanti DEHNiso-Combi con punta / asta di captazione oppure conduttura HVI, posata sul/nel tubo portante.
Connessione con cavallotto doppio di fissaggio per 2 x Td 8-10 mm [portata di corrente di fulmine 100 kA (10/350 µs)].

1 Product

Part No. 107390 DBS KB D50 RA680 V2A

GTIN 4013364478466, Customs tariff No. (EU): 85389099, Gross weight: 7.75 kg, PU: 1.00 pz.

Predecessor

Images

Additional information

Tripode piccolo INOX (versione pieghevole)
Tripode (versione pieghevole) per tubi portanti
D 50 mm con uscita laterale o asta di captazione
D 40 mm con accessorio riduttore
Con cavallotto doppio di fissaggio per la connessione di 2 Td 8-10 mm
Per il montaggio con zoccoli in cemento (peso 17 kg)
Compensazione dell’angolo di inclinazione del tetto fino a max 10°
Zoccolo in cemento sovrapponibile (art. n. 102 010)
Piastra di base (art. n. 102 050)
Set di supporto per lo zoccolo (n. art. 107 396)
Accessorio riduttore (n. art. 107 399)
sono da ordinare separatamente.
I tripodi sono dimensionati secondo
Eurocodice 1 (UNI EN 1991-1-4 + UNI EN 1991-1-4/NA)
.
Materiale tripode: INOX
Adatto per: 50 e 40*) mm
Raggio: 680 mm
Ingombro tripode: 1175 x 1020 mm

Fabbricato: DEHN
Tipo: DBS KB D50 RA680 V2A
Art.: 107390
o similare.

Certificates

 

Technical data

Materiale tripode INOX
Adatto per 50 e 40*) mm
Raggio 680 mm
Ingombro tripode 1175 x 1020 mm
*) Solo con kit adattatore n. art. 107 399.

Product 107390 was added to Notepad.

Product 107390 was added to the cart.


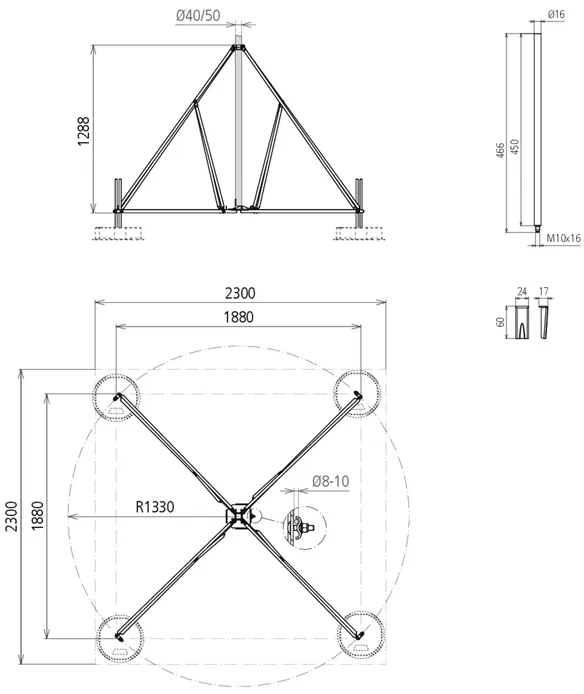
Tripode grande

Per aste di captazione D40, tubi portanti DEHNiso-Combi con punta / asta di captazione oppure conduttura HVI, posata sul/nel tubo portante.
Connessione con cavallotto doppio di fissaggio per 2 x Td 8-10 mm [portata di corrente di fulmine 100 kA (10/350 µs)].

1 Product

Part No. 107391 DBS KB D50 RA1330 V2A

GTIN 4013364478473, Customs tariff No. (EU): 85389099, Gross weight: 15.60 kg, PU: 1.00 pz.

Predecessor

Images

Additional information

Tripode grande INOX (versione pieghevole)
Tripode (versione pieghevole) per tubi portanti
D 50 mm con uscita laterale e cavallotto doppio di fissaggio per
la connessione di 2 Td 8-10 mm, per l’installazione con
zoccolo in cemento (peso 17 kg), con adattamento, tramite
Set di supporto per lo zoccolo su inclinazione del tetto fino a max 10°.
Zoccolo in cemento sovrapponibile (art. n. 102 010)
Piastra di base (art. n. 102 050)
Set di supporto per lo zoccolo (n. art. 107 396)
Accessorio riduttore (n. art. 107 399)
sono da ordinare separatamente.
I tripodi sono dimensionati secondo
Eurocodice 1 (UNI EN 1991-1-4 + UNI EN 1991-1-4/NA)
.
Materiale tripode: INOX
Adatto per: 50 e 40*) mm
Raggio: 1330 mm
Ingombro tripode: 2300 x 1995 mm

Fabbricato: DEHN
Tipo: DBS KB D50 RA1330 V2A
Art.: 107391
o similare.

 

Technical data

Materiale tripode INOX
Adatto per 50 e 40*) mm
Raggio 1330 mm
Ingombro tripode 2300 x 1995 mm
*) Solo con kit adattatore n. art. 107 399.

Product 107391 was added to Notepad.

Product 107391 was added to the cart.


Quadripode piccolo

Per aste di captazione D40, D50 e D60, tubi portanti DEHNiso-Combi con punta / asta di captazione oppure conduttura HVI posata nel/sul tubo portante.
Connessione con cavallotto doppio di fissaggio per 2 x Td 8-10 mm [portata di corrente di fulmine 100 kA (10/350 µs)].

1 Product

Part No. 107490 VBS KB D50 RA680 V2A

GTIN 4013364478480, Customs tariff No. (EU): 85389099, Gross weight: 10.38 kg, PU: 1.00 pz.


Images

Additional information

Quadripode piccolo INOX (versione pieghevole)
Quadripode (versione pieghevole) per tubi portanti
D 50 mm con uscita laterale o asta di captazione
D 40 mm con accessorio riduttore
Con cavallotto doppio di fissaggio per la connessione di 2 Td 8-10 mm
Per il montaggio con zoccoli in cemento (peso 17 kg)
Compensazione dell’angolo di inclinazione del tetto fino a max 10°
Zoccolo in cemento sovrapponibile (art. n. 102 010)
Piastra di base (art. n. 102 050)
Set di supporto per lo zoccolo (n. art. 107 396)
Accessorio riduttore (n. art. 107 399)
sono da ordinare separatamente.
I quadripodi sono dimensionati secondo
Eurocodice 1 (UNI EN 1991-1-4 + UNI EN 1991-1-4/NA)
.
Materiale tripode: INOX
Adatto per: 50 e 40*) mm
Raggio: 680 mm
Ingombro tripode: 960 x 960 mm

Fabbricato: DEHN
Tipo: VBS KB D50 RA680 V2A
Art.: 107490
o similare.

Certificates

 

Technical data

Materiale tripode INOX
Adatto per 50 e 40*) mm
Raggio 680 mm
Ingombro tripode 960 x 960 mm
*) Solo con kit adattatore n. art. 107 399.

Product 107490 was added to Notepad.

Product 107490 was added to the cart.


Quadripode grande

Per aste di captazione D40, D50 e D60, tubi portanti DEHNiso-Combi con punta / asta di captazione oppure conduttura HVI posata nel/sul tubo portante.
Connessione con cavallotto doppio di fissaggio per 2 x Td 8-10 mm [portata di corrente di fulmine 100 kA (10/350 µs)].

1 Product

Part No. 107491 VBS KB D50 RA1330 V2A

GTIN 4013364478497, Customs tariff No. (EU): 85389099, Gross weight: 17.63 kg, PU: 1.00 pz.


Images

Additional information

Quadripode grande INOX (versione pieghevole)
Quadripode (versione pieghevole) per tubi portanti
D 50 mm con uscita laterale o asta di captazione
D 40 mm con accessorio riduttore
Con cavallotto doppio di fissaggio per la connessione di 2 Td 8-10 mm
Per il montaggio con zoccoli in cemento (peso 17 kg)
Compensazione dell’angolo di inclinazione del tetto fino a max 10°
Zoccolo in cemento sovrapponibile (art. n. 102 010)
Piastra di base (art. n. 102 050)
Set di supporto per lo zoccolo (n. art. 107 396)
Accessorio riduttore (n. art. 107 399)
sono da ordinare separatamente.
I quadripodi sono dimensionati secondo
Eurocodice 1 (UNI EN 1991-1-4 + UNI EN 1991-1-4/NA)
.
Materiale tripode: INOX
Adatto per: 50 e 40*) mm
Raggio: 1330 mm
Ingombro tripode: 1880 x 1880 mm

Fabbricato: DEHN
Tipo: VBS KB D50 RA1330 V2A
Art.: 107491
o similare.

 

Technical data

Materiale tripode INOX
Adatto per 50 e 40*) mm
Raggio 1330 mm
Ingombro tripode 1880 x 1880 mm
*) Solo con kit adattatore n. art. 107 399.

Product 107491 was added to Notepad.

Product 107491 was added to the cart.


Esecuzione pieghevole Fe/tZn

Per aste di captazione Ø 40 mm o tubi portanti Ø 50 mm con lunghezza 3200 mm (ad es. art. n. 105 440 o 105 300), senza ulteriore fissaggio ad elementi strutturali.
Connessione con cavallotto doppio di fissaggio per 2 x Td 8-10 mm [portata di corrente di fulmine 100 kA (10/350 µs)].

3 Products

Part No. 105200 DBS KB D40.50 RA560 STTZN

GTIN 4013364095908, Customs tariff No. (EU): 85389099, Gross weight: 9.60 kg, PU: 1.00 pz.


Images

Additional information

Tripode per aste di captazione, versione ripiegabile Fe/tZn
Tripode per DEHNiso-Combi
per il montaggio in ambienti esterni di tubi portanti
o aste di captazione D40
di lunghezza 3200 mm
(ad es. n. art. 105 300 o 105 440),
senza fissaggio aggiuntivo agli
elementi strutturali
Con possibilità di adattamento all’inclinazione del tetto fino a max 10°.
Lo zoccolo in cemento sovrapponibile (art. n. 102 010) e la
piastra di base (art. n. 102 050) sono da ordinare
separatamente.
Materiale tripode: Fe/tZn
Adatto per: Ø40 / 50 mm
Raggio: 560 mm
Ingombro tripode: 1200 x 1330 mm
Numero zoccoli: 6 / 9 pezzi da 17 kg
Riferimento norma: CEI EN 62561-1

Fabbricato: DEHN
Tipo: DBS KB D40.50 RA560 STTZN
Art.: 105200
o similare.

Certificates

 

Technical data

Materiale tripode Fe/tZn
Adatto per Ø40 / 50 mm
Raggio 560 mm
Ingombro tripode 1200 x 1330 mm
Riferimento norma CEI EN 62561-1

Product 105200 was added to Notepad.

Product 105200 was added to the cart.

Part No. 105351 DBS KB D40.50 RA620 STTZN

GTIN 4013364238916, Customs tariff No. (EU): 85389099, Gross weight: 11.50 kg, PU: 1.00 pz.


Images

Additional information

Tripode per conduttura HVI piccola Fe/tZn
Tripode per conduttura HVI Fe/tZn in tubo portante
versione specifica per tubi portanti (lunghezza 3200 mm).
Per rispettare il raggio di curvatura della conduttura HVI al di sotto
del tripode, vengono posizionati 2 zoccoli in cemento
sotto l’asta e uno sopra.
Senza fissaggio aggiuntivo agli elementi strutturali
È possibile l’adattamento all’inclinazione del tetto fino a max 10°.
Lo zoccolo in cemento sovrapponibile (art. n. 102 010) e la
piastra di base (art. n. 102 050) sono da ordinare separatamente.
I tripodi sono dimensionati conformi
all’Eurocode 1 (DIN EN 1991-1-4 + DIN EN 1991-1-4/NA) .
Materiale tripode: Fe/tZn
Adatto per: 40 / 50 mm
Raggio: 620 mm
Ingombro tripode: 1300 x 1450 mm
Numero zoccoli: 3-12 pezzi da 17 kg

Fabbricato: DEHN
Tipo: DBS KB D40.50 RA620 STTZN
Art.: 105351
o similare.

 

Technical data

Materiale tripode Fe/tZn
Adatto per 40 / 50 mm
Raggio 620 mm
Ingombro tripode 1300 x 1450 mm

Product 105351 was added to Notepad.

Product 105351 was added to the cart.

Part No. 105357 DBS KB D40.50 RA220 STTZN

GTIN 4013364527829, Customs tariff No. (EU): 85389099, Gross weight: 8.04 kg, PU: 1.00 pz.


Images

Additional information

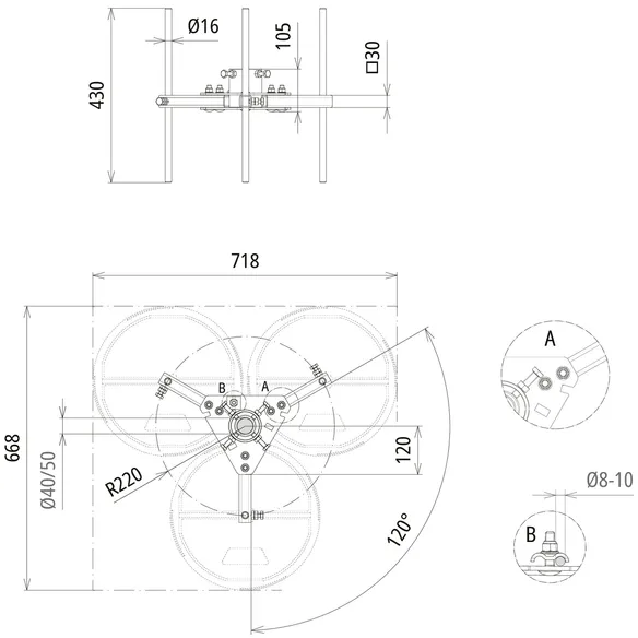
Tripode a risparmio di spazio, regolabile in altezza e chiudibile
per fissare aste di captazione e tubi portanti
D 40 mm e D 50 mm
Compensazione dell'inclinazione del tetto possibile fino a 10°
Possibile l'applicazione di max quattro zoccoli in cemento
per ciascuna gamba
Materiale tripode: Fe/tZn
Adatto per: 40 / 50 mm
Raggio: 220 mm
Ingombro tripode: 668 x 718 mm
Numero zoccoli: 3-12 pezzi da 17 kg
Riferimento norma: DIN EN 62561-1

Fabbricato: DEHN
Tipo: DBS KB D40.50 RA220 STTZN
Art.: 105357
o similare.

 

Technical data

Materiale tripode Fe/tZn
Adatto per 40 / 50 mm
Raggio 220 mm
Ingombro tripode 668 x 718 mm
Riferimento norma DIN EN 62561-1

Product 105357 was added to Notepad.

Product 105357 was added to the cart.


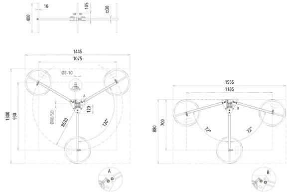
Tripode piccolo (uscita)

1 Product

Part No. 105290 DBS KB D40.50 RA590 V2A

GTIN 4013364126046, Customs tariff No. (EU): 85389099, Gross weight: 8.40 kg, PU: 1.00 pz.


Images

Additional information

Tripode per aste di captazione D40 e tubi portanti in PRFV/Al
Esecuzione pieghevole INOX
Tripode per aste di captazione D40 e tubi portanti in PRFV/Al per il montaggio con zoccoli in cemento (peso 17 kg).
Con adattamento all'inclinazione del tetto fino a max 10 gradi, tramite aste filettate M16.
Le aste di captazione D40/ i tubi portanti oppure lo zoccolo in cemento sovrapponibile (Art. 102 010) e la base di supporto (Art.102 050) sono da ordinare separatamente
Le aste di captazione D40 possono essere montate in modo libero, senza ulteriore fissaggio nel treppiede
Sono possibili le seguenti combinazioni per il treppiede con raggio 590 mm (Art. 105 290):
– altezza 4000 mm composto da Art. 105 170
Materiale tripode: INOX
Adatto per: Ø40 / 50 mm
Raggio: 590 mm
Ingombro tripode: 1230 x 1370 mm
Altezza - numero zoccoli: 4000 / 4500 mm – 3 pezzi 5000 / 5500 mm – 6 pezzi

Fabbricato: DEHN
Tipo: DBS KB D40.50 RA590 V2A
Art.: 105290
o similare.

 

Technical data

Materiale tripode INOX
Adatto per Ø40 / 50 mm
Raggio 590 mm
Ingombro tripode 1230 x 1370 mm

Product 105290 was added to Notepad.

Product 105290 was added to the cart.


Versione componibile in acciaio inox (uscita)

Per aste di captazione D40, tubi portanti DEHNiso-Combi con punta di captazione oppure conduttura HVI, posata sul/ nel tubo portante.

1 Product

Part No. 105291 DBS KB D40.50 RA1100 V2A

GTIN 4013364126053, Customs tariff No. (EU): 85389099, Gross weight: 19.00 kg, PU: 1.00 pz.


Images

Additional information

Tripode per aste di captazione D40 e tubi portanti in PRFV/Al
Esecuzione componibile INOX
Tripode per aste di captazione D40 e tubi portanti in PRFV/Al per il montaggio con zoccoli in cemento (peso 17 kg).
Con adattamento all'inclinazione del tetto fino a max 10 gradi, tramite aste filettate M16.
Le aste di captazione D40/ i tubi portanti oppure lo zoccolo in cemento sovrapponibile (Art. 102 010) e la base di supporto (Art.102 050) sono da ordinare separatamente
Le aste di captazione D40 possono essere montate in modo libero, senza ulteriore fissaggio nel treppiede
Sono possibili le seguenti combinazioni per il treppiede con raggio 590 mm (Art. 105 290):
– altezza 4000 mm composto da Art. 105 170
Materiale tripode: INOX
Adatto per: Ø40 / 50 mm
Raggio: 1155 mm
Ingombro tripode: 2050 x 2300 mm
Altezza - numero zoccoli: 6000 / 6500 mm – 6 pezzi 7000-8000 mm – 9 pezzi

Fabbricato: DEHN
Tipo: DBS KB D40.50 RA1100 V2A
Art.: 105291
o similare.

Certificates

 

Technical data

Materiale tripode INOX
Adatto per Ø40 / 50 mm
Raggio 1155 mm
Ingombro tripode 2050 x 2300 mm

Product 105291 was added to Notepad.

Product 105291 was added to the cart.


back to top