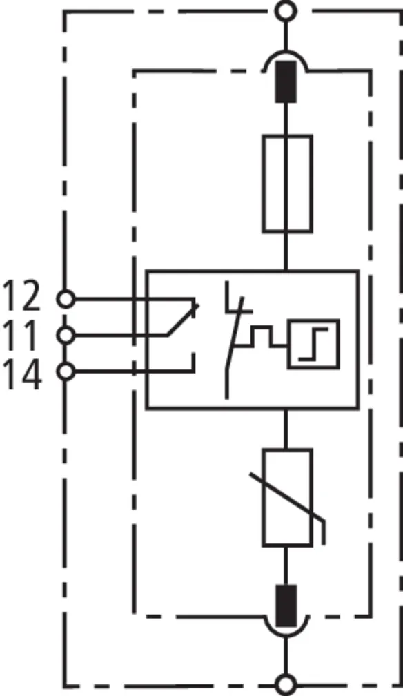
DEHNguard SE CI con fusibile integrato

  • Fusibile di protezione integrato nel modulo di protezione
  • Impiego in caso di tensioni di riferimento elevate
  • Coordinato energeticamente all’interno della famiglia di prodotti Red/Line
  • Elevata capacità di scarica
  • Elevata sicurezza del dispositivo tramite il controllo dell'SPD "Thermo-Dynamik-Control"
  • Sostituzione semplice, senza attrezzi, del modulo di protezione tramite sistema di blocco e tasto di sblocco modulo
  • Provato contro vibrazioni e shock meccanico secondo EN 60068-2

DEHNguard SE CI 440 FM

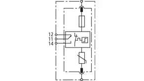
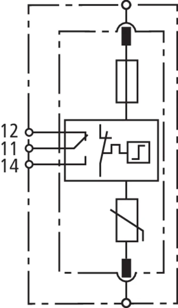
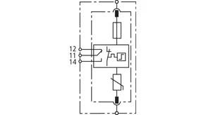
Modulo di protezione da sovratensioni unipolare, componibile, costituito da base e modulo di protezione innestato; con fusibile integrato e contatto di telesegnalamento per dispositivi di controllo (contatto di scambio pulito).

1 Product

Part No. 952920 DG SE CI 440 FM

GTIN 4013364322622, Customs tariff No. (EU): 85363030, Gross weight: 178.00 g, PU: 1.00 pz.


Images

Additional information

Limitatore di sovratensione DEHNguard SE CI 440 FM
Limitatore di sovratensione unipolare, modulare, innestabile
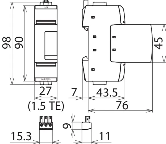
con fusibile integrato, dimensioni 1,5 (unità)
con contatto di telesegnalamento
SPD tipo 2 secondo EN 61643-11
Indicazione meccanica di guasto per scaricatore e fusibile integrato
Massima tensione continua: 440 V AC
Grado di protezione: <= 2 kV
Corrente impulsiva nominale di scarica: 12,5 kA
Funziona senza fusibile negli impianti fino a
una corrente massima di corto circuito di 25 kAeff
Coordinamento energetico secondo CEI EN 62305-4
Scaricatore della famiglia di prodotti Red/Line


Fabbricato: DEHN
Tipo: DG SE CI 440 FM
Art.: 952920
o similare.

Certificates

 

Circuit Interruption

The backup fuse is already integrated here. This means: reduced space requirement, lower installation costs, faster wiring, and shorter connecting cables. This concept can be found in the product ranges DEHNvenCI, DEHNbloc Maxi S, DEHNguard ... CI and V(A) NH...

Technical data

SPD secondo EN 61643-11 / ... IEC 61643-11 Tipo 2 / Class II
Tensione massima continuativa AC (UC ) 440 V (50 / 60 Hz)
Corrente impulsiva nominale di scarica (8/20 µs) (In ) 12,5 kA
Livello di protezione (UP ) ≤ 2 kV
Protezione max da sovraccorrente in rete non necessario
Contatto FM/ forma contatto scambio pulito

Product 952920 was added to Notepad.

Product 952920 was added to the cart.


DEHNguard SE CI WE 440 FM

Modulo di protezione da sovratensioni unipolare, componibile, con tensione di riferimento varistore Umov = 750 V AC, costituito da base e modulo di protezione innestato; con fusibile integrato e contatto di telesegnalamento per dispositivi di controllo (contatto di scambio pulito).

1 Product

Part No. 952923 DG SE CI WE 440 FM

GTIN 4013364322639, Customs tariff No. (EU): 85363030, Gross weight: 184.00 g, PU: 1.00 pz.


Images

Additional information

Limitatore di sovratensione DEHNguard SE CI WE 440 FM
Limitatore di sovratensione unipolare, modulare, innestabile
con fusibile integrato, dimensioni 1,5 (unità)
con contatto di telesegnalamento
SPD tipo 2 secondo EN 61643-11
Indicazione meccanica di guasto per scaricatore e fusibile integrato
Massima tensione continua: 440 V AC
Tensione nominale del varistore: 750 V AC
Grado di protezione: <= 3 kV
Corrente impulsiva nominale di scarica: 12,5 kA
Funziona senza fusibile negli impianti fino a
una corrente massima di corto circuito di 25 kAeff
Coordinamento energetico secondo CEI EN 62305-4
Scaricatore della famiglia di prodotti Red/Line

Fabbricato: DEHN
Tipo: DG SE CI WE 440 FM
Art.: 952923
o similare.

Certificates

 

Circuit Interruption

The backup fuse is already integrated here. This means: reduced space requirement, lower installation costs, faster wiring, and shorter connecting cables. This concept can be found in the product ranges DEHNvenCI, DEHNbloc Maxi S, DEHNguard ... CI and V(A) NH...

Technical data

SPD secondo EN 61643-11 / ... IEC 61643-11 Tipo 2 / Class II
Tensione massima continuativa AC (UC ) 440 V (50 / 60 Hz)
Tensione di riferimento varistore AC (Umov ) 750 V
Corrente impulsiva nominale di scarica (8/20 µs) (In ) 12,5 kA
Livello di protezione (UP ) ≤ 3 kV
Protezione max da sovraccorrente in rete non necessario
Contatto FM/ forma contatto scambio pulito

Product 952923 was added to Notepad.

Product 952923 was added to the cart.


back to top