Palo di captazione per conduttura HVI light su tetti piani

Completo di piastra di connessione quadrupla per la conduttura HVI light e set di fissaggio per il montaggio della conduttura al palo.
Con la possibilità di adattamento all'inclinazione del tetto fino a max 10°.
Lo zoccolo in cemento (peso 17 kg) e la base di supporto sono da ordinare separatamente.

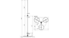
SET I del palo di captazione 30 per conduttura HVI light altezza totale 2300 mm

1 Product

Part No. 819282 FM D30 L2300 DBS R320 GFK AL STTZN

GTIN 4013364252073, Customs tariff No. (EU): 85389099, Gross weight: 4.73 kg, PU: 1.00 pz.

Predecessor

Images

Additional information

Pali di captazione per conduttura HVI light su tetti piani
completa di piastra di connessione quadrupla per la
conduttura HVI light e set di fissaggio per il montaggio
della conduttura sul palo di captazione.
Per il rispetto della distanza di separazione da
parti elettricamente conduttive secondo la norma DIN EN 62305-3 (VDE 0185-305-3)
Tratto isolante in plastica rinforzata con fibra di vetro (PRFV)
Tubo Ø 30 mm
Fattore di materiale km = 0,7
Colore grigio chiaro, stabilizzato ai raggi UV
Pali di captazione dimensionati conformi
all'Eurocode 1 (DIN EN 1991-1-4 + DIN EN 1991-1-4/NA)
Adattamento all’inclinazione del tetto fino a max 10 gradi.
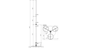
Palo di captazione 30 per conduttura HVI light SET I
Altezza complessiva 2300 mm
Lo zoccolo in cemento sovrapponibile (art. n. 102 010) e la
piastra di base (art. n. 102 050) sono da ordinare
separatamente.
Altezza: 2300 mm
Materiale tripode: Fe/tZn
Raggio tripode: 320 mm
Materiale tubo portante: PRFV / Al
Lunghezza tubo portante: 1300 mm
Distanza isolamento: 1095 mm
Lunghezza asta di captazione: 1000 mm
Materiale asta di captazione: INOX
Max velocità delle raffiche di vento con 3 zoccoli da 17 Kg, 2 HVI light all’esterno: 149 km/h
Riferimento normativo: DIN IEC/TS 62561-8 (VDE V 0185-561-8)

Fabbricato: DEHN
Tipo: FM D30 L2300 DBS R320 GFK AL STTZN
Art.: 819282
o similare.

Certificates

 

Technical data

Materiale tripode Fe/tZn
Raggio tripode 320 mm
Materiale tubo portante PRFV / Al
Lunghezza tubo portante 1300 mm
Distanza isolamento 1095 mm
Lunghezza asta di captazione 1000 mm
Materiale asta di captazione INOX
Max velocità delle raffiche di vento con 3 zoccoli da 17 Kg, 2 HVI light all’esterno 149 km/h
Riferimento normativo DIN IEC/TS 62561-8 (VDE V 0185-561-8)

Product 819282 was added to Notepad.

Product 819282 was added to the cart.


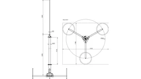
SET II del palo di captazione 30 per conduttura HVI light altezza totale 2800 mm

1 Product

Part No. 819287 FM D30 L2800 DBS R320 GFK AL STTZN

GTIN 4013364252097, Customs tariff No. (EU): 85389099, Gross weight: 4.59 kg, PU: 1.00 pz.

Predecessor

Images

Additional information

Pali di captazione per conduttura HVI light su tetti piani
completa di piastra di connessione quadrupla per la
conduttura HVI light e set di fissaggio per il montaggio
della conduttura sul palo di captazione.
Per il rispetto della distanza di separazione da
parti elettricamente conduttive secondo la norma DIN EN 62305-3 (VDE 0185-305-3)
Tratto isolante in plastica rinforzata con fibra di vetro (PRFV)
Tubo Ø 30 mm
Fattore di materiale km = 0,7
Colore grigio chiaro, stabilizzato ai raggi UV
Pali di captazione dimensionati secondo
Eurocodice 1 (DIN EN 1991-1-4 + DIN EN 1991-1-4/NA).
Adattamento all'inclinazione del tetto fino a max 10 gradi.
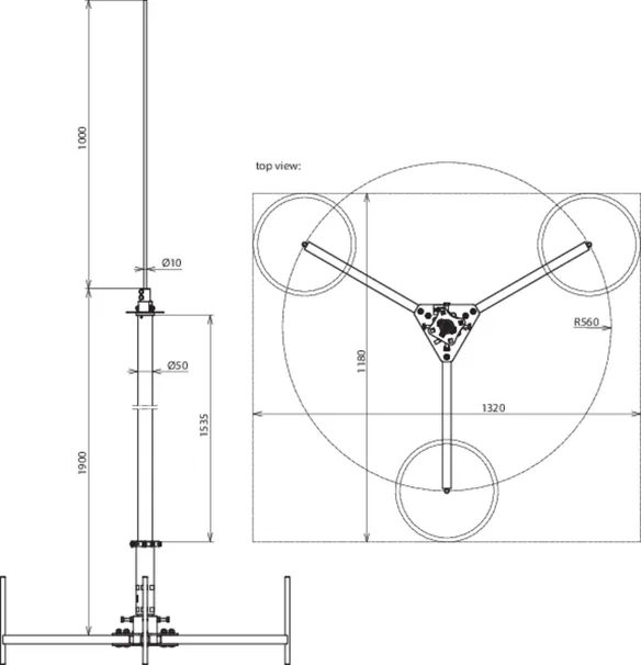
Palo di captazione D 30 per conduttura HVI light SET II
Altezza complessiva 2800 mm
Lo zoccolo in cemento sovrapponibile (art. n. 102 010) e la
piastra di base (art. n. 102 050) sono da ordinare
separatamente.
Altezza: 2800 mm
Materiale tripode: Fe/tZn
Raggio tripode: 320 mm
Materiale tubo portante: PRFV / Al
Lunghezza tubo portante: 1300 mm
Distanza isolamento: 1095 mm
Lunghezza asta di captazione: 1500 mm
Materiale asta di captazione: Al
Max velocità delle raffiche di vento con 3 zoccoli da 17 Kg, 2 HVI light all’esterno: 132 km/h
Riferimento normativo: DIN IEC/TS 62561-8 (VDE V 0185-561-8)

Fabbricato: DEHN
Tipo: FM D30 L2800 DBS R320 GFK AL STTZN
Art.: 819287
o similare.

Certificates

 

Technical data

Materiale tripode Fe/tZn
Raggio tripode 320 mm
Materiale tubo portante PRFV / Al
Lunghezza tubo portante 1300 mm
Distanza isolamento 1095 mm
Lunghezza asta di captazione 1500 mm
Materiale asta di captazione Al
Max velocità delle raffiche di vento con 3 zoccoli da 17 Kg, 2 HVI light all’esterno 132 km/h
Riferimento normativo DIN IEC/TS 62561-8 (VDE V 0185-561-8)

Product 819287 was added to Notepad.

Product 819287 was added to the cart.


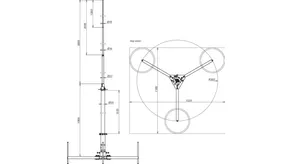
SET I del palo di captazione 50 per conduttura HVI light altezza totale 2900 mm

1 Product

Part No. 819380 FM D50 10 2900 GFK AL DBS KB STTZN

GTIN 4013364241916, Customs tariff No. (EU): 85389099, Gross weight: 13.88 kg, PU: 1.00 pz.

Predecessor

Images

Additional information

Pali di captazione per conduttura HVI light su tetti piani
completa di piastra di connessione quadrupla per la
conduttura HVI light e set di fissaggio per il montaggio
della conduttura sul palo di captazione.
Per il rispetto della distanza di separazione da
parti elettricamente conduttive secondo la norma DIN EN 62305-3 (VDE 0185-305-3)
Tratto isolante in plastica rinforzata con fibra di vetro (PRFV)
Tubo Ø 50 mm
Fattore di materiale km = 0,7
Colore grigio chiaro, stabilizzato ai raggi UV
I pali di captazione sono dimensionati secondo
Eurocodice 1 (DIN EN 1991-1-4 + DIN EN 1991-1-4/NA) per una
velocità delle raffiche di vento non superiore a 203 km/h.
Adattamento all'inclinazione del tetto fino a max 10 gradi.
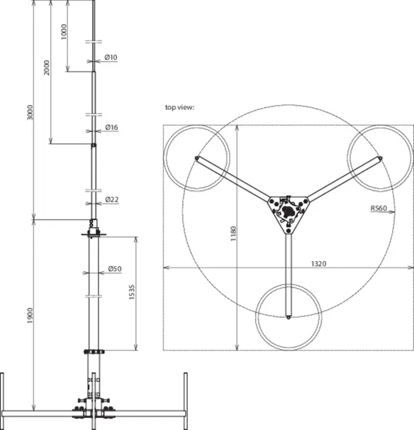
Palo di captazione 50 per conduttura HVI light SET I
Altezza complessiva 2900 mm
Lo zoccolo in cemento sovrapponibile (art. n. 102 010) e la
piastra di base (art. n. 102 050) sono da ordinare separatamente.
Altezza: 2900 mm
Materiale tripode: Fe/tZn
Raggio tripode: 560 mm
Materiale tubo portante: PRFV / Al
Lunghezza tubo portante: 1900 mm
Distanza isolamento: 1535 mm
Lunghezza asta di captazione: 1000 mm
Materiale asta di captazione: INOX
Max velocità delle raffiche di vento con 3 zoccoli da 17 Kg, 2 HVI light all’esterno: 121 km/h
Max velocità delle raffiche di vento con 6 zoccoli da 17 Kg, 2 HVI light all’esterno: 166 km/h
Max velocità delle raffiche di vento con 9 zoccoli da 17 Kg, 2 HVI light all’esterno: 203 km/h
Riferimento normativo: DIN IEC/TS 62561-8 (VDE V 0185-561-8)

Fabbricato: DEHN
Tipo: FM D50 10 2900 GFK AL DBS KB STTZN
Art.: 819380
o similare.

Certificates

 

Technical data

Materiale tripode Fe/tZn
Raggio tripode 560 mm
Materiale tubo portante PRFV / Al
Lunghezza tubo portante 1900 mm
Distanza isolamento 1535 mm
Lunghezza asta di captazione 1000 mm
Materiale asta di captazione INOX
Max velocità delle raffiche di vento con 3 zoccoli da 17 Kg, 2 HVI light all’esterno 121 km/h
Max velocità delle raffiche di vento con 6 zoccoli da 17 Kg, 2 HVI light all’esterno 166 km/h
Max velocità delle raffiche di vento con 9 zoccoli da 17 Kg, 2 HVI light all’esterno 203 km/h
Riferimento normativo DIN IEC/TS 62561-8 (VDE V 0185-561-8)

Product 819380 was added to Notepad.

Product 819380 was added to the cart.


SET II del palo di captazione 50 per conduttura HVI light altezza totale 3900 mm

1 Product

Part No. 819385 FM D50 16 10 3900 GFK AL DBS KB STTZN

GTIN 4013364241923, Customs tariff No. (EU): 85389099, Gross weight: 13.99 kg, PU: 1.00 pz.

Predecessor

Images

Additional information

Pali di captazione per conduttura HVI light su tetti piani
completa di piastra di connessione quadrupla per la
conduttura HVI light e set di fissaggio per il montaggio
della conduttura sul palo di captazione.
Per il rispetto della distanza di separazione da
parti elettricamente conduttive secondo la norma DIN EN 62305-3 (VDE 0185-305-3)
Tratto isolante in plastica rinforzata con fibra di vetro (PRFV)
Tubo Ø 50 mm
Fattore di materiale km = 0,7
Colore grigio chiaro, stabilizzato ai raggi UV
I pali di captazione sono dimensionati secondo
Eurocodice 1 (DIN EN 1991-1-4 + DIN EN 1991-1-4/NA) per una
velocità delle raffiche di vento non superiore a 179 km/h.
Adattamento all'inclinazione del tetto fino a max 10 gradi.
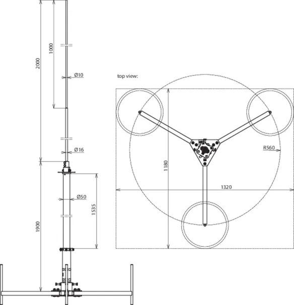
Palo di captazione 50 per conduttura HVI light SET II
Altezza complessiva 3900 mm
Lo zoccolo in cemento sovrapponibile (art. n. 102 010) e la
piastra di base (art. n. 102 050) sono da ordinare separatamente.
Altezza: 3900 mm
Materiale tripode: Fe/tZn
Raggio tripode: 560 mm
Materiale tubo portante: PRFV/ Al
Lunghezza tubo portante: 1900 mm
Distanza isolamento: 1535 mm
Lunghezza asta di captazione: 2000 mm
Materiale asta di captazione: Al
Max velocità delle raffiche di vento con 3 zoccoli da 17 Kg, 2 HVI light all’esterno: 110 km/h
Max velocità delle raffiche di vento con 6 zoccoli da 17 Kg, 2 HVI light all’esterno: 147 km/h
Max velocità delle raffiche di vento con 9 zoccoli da 17 Kg, 2 HVI light all’esterno: 179 km/h
Riferimento normativo: DIN IEC/TS 62561-8 (VDE V 0185-561-8)

Fabbricato: DEHN
Tipo: FM D50 16 10 3900 GFK AL DBS KB STTZN
Art.: 819385
o similare.

Certificates

 

Technical data

Materiale tripode Fe/tZn
Raggio tripode 560 mm
Materiale tubo portante PRFV/ Al
Lunghezza tubo portante 1900 mm
Distanza isolamento 1535 mm
Lunghezza asta di captazione 2000 mm
Materiale asta di captazione Al
Max velocità delle raffiche di vento con 3 zoccoli da 17 Kg, 2 HVI light all’esterno 110 km/h
Max velocità delle raffiche di vento con 6 zoccoli da 17 Kg, 2 HVI light all’esterno 147 km/h
Max velocità delle raffiche di vento con 9 zoccoli da 17 Kg, 2 HVI light all’esterno 179 km/h
Riferimento normativo DIN IEC/TS 62561-8 (VDE V 0185-561-8)

Product 819385 was added to Notepad.

Product 819385 was added to the cart.


SET III del palo di captazione 50 per conduttura HVI light altezza totale 4900 mm

1 Product

Part No. 819390 FM D50 22 16 10 4900 GFK AL DBS KB STTZN

GTIN 4013364241930, Customs tariff No. (EU): 85389099, Gross weight: 13.27 kg, PU: 1.00 pz.


Images

Additional information

Pali di captazione per conduttura HVI light su tetti piani
completa di piastra di connessione quadrupla per la
conduttura HVI light e set di fissaggio per il montaggio
della conduttura sul palo di captazione.
Per il rispetto della distanza di separazione da
parti elettricamente conduttive secondo la norma DIN EN 62305-3 (VDE 0185-305-3)
Tratto isolante in plastica rinforzata con fibra di vetro (PRFV)
Tubo Ø 50 mm
Fattore di materiale km = 0,7
Colore grigio chiaro, stabilizzato ai raggi UV
I pali di captazione sono dimensionati secondo
Eurocodice 1 (DIN EN 1991-1-4 + DIN EN 1991-1-4/NA) per una
velocità delle raffiche di vento non superiore a 147 km/h.
Adattamento all'inclinazione del tetto fino a max 10 gradi.
Palo di captazione 50 per conduttura HVI light SET III
Altezza complessiva 4900 mm
Lo zoccolo in cemento sovrapponibile (art. n. 102 010) e la
piastra di base (art. n. 102 050) sono da ordinare separatamente.
Altezza: 4900 mm
Materiale tripode: Fe/tZn
Raggio tripode: 560 mm
Materiale tubo portante: PRFV / Al
Lunghezza tubo portante: 1900 mm
Distanza isolamento: 1535 mm
Lunghezza asta di captazione: 3000 mm
Materiale asta di captazione: Al
Max velocità delle raffiche di vento con 3 zoccoli da 17 Kg, 2 HVI light all’esterno: 97 km/h
Max velocità delle raffiche di vento con 6 zoccoli da 17 Kg, 2 HVI light all’esterno: 124 km/h
Max velocità delle raffiche di vento con 9 zoccoli da 17 Kg, 2 HVI light all’esterno: 147 km/h
Riferimento normativo: DIN IEC/TS 62561-8 (VDE V 0185-561-8)

Fabbricato: DEHN
Tipo: FM D50 22 16 10 4900 GFK AL DBS KB STTZN
Art.: 819390
o similare.

Certificates

 

Technical data

Materiale tripode Fe/tZn
Raggio tripode 560 mm
Materiale tubo portante PRFV / Al
Lunghezza tubo portante 1900 mm
Distanza isolamento 1535 mm
Lunghezza asta di captazione 3000 mm
Materiale asta di captazione Al
Max velocità delle raffiche di vento con 3 zoccoli da 17 Kg, 2 HVI light all’esterno 97 km/h
Max velocità delle raffiche di vento con 6 zoccoli da 17 Kg, 2 HVI light all’esterno 124 km/h
Max velocità delle raffiche di vento con 9 zoccoli da 17 Kg, 2 HVI light all’esterno 147 km/h
Riferimento normativo DIN IEC/TS 62561-8 (VDE V 0185-561-8)

Product 819390 was added to Notepad.

Product 819390 was added to the cart.


back to top