Staffa portafilo per conduttura HVI in ambiente Ex

Il gestore di un impianto con rischio d’esplosione è obbligato a suddividere l’impianto o parti d’impianto in diverse zone con pericolo d’esplosione. Per questi impianti il fulmine deve essere visto come una potenziale fonte di innesco. Per le diverse direttive e norme sulla sicurezza, viene richiesta una documentazione per la protezione dall’esplosione. In questa documentazione vengono descritte le zone con i diversi rischi d’esplosione.

Il prodotto “conduttura-HVI è idoneo per l’utilizzo nelle zone Ex 1 (gas, vapori e miscele), come anche nelle zone Ex 21 (polveri combustibili).
Per le particolari condizioni d’installazione è garantito che non si verifichi alcuna scintilla elettrica durante il passaggio della corrente di fulmine nella conduttura HVI.

Details

Disegno funzionale - posa su una facciata metallica in zone Ex 1 e 21.
lorem ipsum
lorem ipsum
lorem ipsum

Holder HVI Ex W70

Per il fissaggio su parti metalliche di costruzioni (facciate) nelle zone Ex 1 e 21.

1 Product

Part No. 275440 LH ZS 20 EX W70 BP V2A

GTIN 4013364146914, Customs tariff No. (EU): 85389099, Gross weight: 164.60 g, PU: 10.00 pz.

Predecessor

Images

Additional information

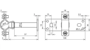
Staffa portafilo per conduttura HVI in ambiente Ex holder HVI Ex W70 INOX
Staffa portafilo per conduttura HVI in ambiente
Ex per il fissaggio su tubi p. es. con nastro tenditore
(Art. 106 323) nelle zone Ex 1 e 21
Campo di serraggio Td: 20 mm
Fissaggio: [4x] Ø5,1 / [2x] 7 x 10 mm
Riferimento normativo: DIN IEC/TS 62561-8 (VDE V 0185-561-8)

Fabbricato: DEHN
Tipo: LH ZS 20 EX W70 BP V2A
Art.: 275440
o similare.

Certificates

 

Technical data

Materiale INOX
Campo di serraggio Td 20 mm
Distanza da parete 70 mm
Fissaggio [4x] Ø5,1 / [2x] 7 x 10 mm
Riferimento normativo DIN IEC/TS 62561-8 (VDE V 0185-561-8)

Product 275440 was added to Notepad.

Product 275440 was added to the cart.


Holder W200 per condutture HVI in ambienti Ex

Per il fissaggio su parti metalliche di costruzioni (facciate) nelle zone Ex 1 e 21.

1 Product

Part No. 275441 LH ZS 20 EX W200 BP V2A

GTIN 4013364146921, Customs tariff No. (EU): 85389099, Gross weight: 255.60 g, PU: 10.00 pz.


Images

Additional information

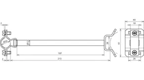
Staffa portafilo per conduttura HVI in ambiente Ex holder W200 per condutture HVI in ambienti Ex INOX
Staffa portafilo per conduttura HVI in ambiente Ex
per il fissaggio su tubi p. es. con nastro tenditore
(Art. 106 323) nelle zone Ex 1 e 21
Campo di serraggio Td: 20 mm
Fissaggio: [4x] Ø5,1 / [2x] 7 x 10 mm
Riferimento normativo: DIN IEC/TS 62561-8 (VDE V 0185-561-8)

Fabbricato: DEHN
Tipo: LH ZS 20 EX W200 BP V2A
Art.: 275441
o similare.

Certificates

 

Technical data

Materiale INOX
Campo di serraggio Td 20 mm
Distanza da parete 200 mm
Fissaggio [4x] Ø5,1 / [2x] 7 x 10 mm
Riferimento normativo DIN IEC/TS 62561-8 (VDE V 0185-561-8)

Product 275441 was added to Notepad.

Product 275441 was added to the cart.


Busbar 500 per condutture HVI in ambienti Ex

Per la posa di conduttura HVI con staffe portafilo holder W70 per condutture HVI in ambienti Ex (Art. 275 440) su una struttura dielettrica come ad es. pietra, legno.

1 Product

Part No. 275498 VS EX 500 V2A

GTIN 4013364146945, Customs tariff No. (EU): 85389099, Gross weight: 320.00 g, PU: 10.00 pz.

Predecessor

Images

Additional information

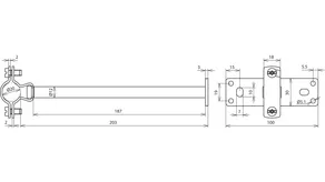
Staffa portafilo per conduttura HVI in ambiente Ex busbar 500 per condutture HVI in ambienti Ex INOX
Staffa portafilo per conduttura HVI in ambiente Ex
per la posa di conduttura HVI con staffe portafilo
holder W70 per condutture HVI in ambienti Ex
(Art. 275 440) su una struttura dielettrica come ad es. pietra, legno
Materiale elemento fissaggio: INOX
Fissaggio: [4x] Ø5,5 / [2x] 7 x 10 mm
Dimensioni: 450 x 30 x 3 mm

Fabbricato: DEHN
Tipo: VS EX 500 V2A
Art.: 275498
o similare.

Certificates

 

Technical data

Materiale elemento fissaggio INOX
Fissaggio [4x] Ø5,5 / [2x] 7 x 10 mm
Dimensioni (lu x la x p) 450 x 30 x 3 mm

Product 275498 was added to Notepad.

Product 275498 was added to the cart.


HVI Ex P70 holder

Per il fissaggio su tubi per es. con nastro tenditore (Art. 106 323) nelle zone Ex 1 e 21.

1 Product

Part No. 275444 LH ZS 20 EX P70 SBB V2A

GTIN 4013364244252, Customs tariff No. (EU): 85389099, Gross weight: 173.20 g, PU: 10.00 pz.


Images

Additional information

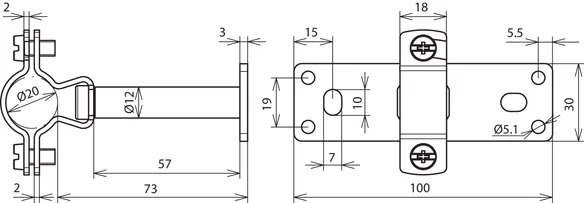
Staffa portafilo per conduttura HVI in ambiente Ex HVI Ex P70 holder INOX
Staffa portafilo per conduttura HVI in ambiente
Ex per il fissaggio su tubi p. es. con nastro tenditore
(Art. 106 323) nelle zone Ex 1 e 21
Campo di serraggio Td: 20 mm
Campo serraggio tubo: 50-300 mm
Riferimento normativo: DIN IEC/TS 62561-8 (VDE V 0185-561-8)

Fabbricato: DEHN
Tipo: LH ZS 20 EX P70 SBB V2A
Art.: 275444
o similare.

Certificates

 

Technical data

Materiale INOX
Campo di serraggio Td 20 mm
Distanza da parete 70 mm
Campo serraggio tubo 50-300 mm
Riferimento normativo DIN IEC/TS 62561-8 (VDE V 0185-561-8)

Product 275444 was added to Notepad.

Product 275444 was added to the cart.


Holder P200 per condutture HVI in ambienti Ex

Per il fissaggio su tubi ad es. con fascette (Art. 106 323) nelle zone Ex 1 e 21.

1 Product

Part No. 275442 LH ZS 20 EX P200 SBB V2A

GTIN 4013364146938, Customs tariff No. (EU): 85389099, Gross weight: 264.00 g, PU: 10.00 pz.

Predecessor

Images

Additional information

Staffa portafilo per conduttura HVI in ambiente Ex holder P200 per condutture HVI in ambienti Ex INOX
Staffa portafilo per conduttura HVI in ambiente
Ex per il fissaggio su tubi p. es. con nastro tenditore
(Art. 106 323) nelle zone Ex 1 e 21
Campo di serraggio Td: 20 mm
Campo serraggio tubo: 50-300 mm
Riferimento normativo: DIN IEC/TS 62561-8 (VDE V 0185-561-8)

Fabbricato: DEHN
Tipo: LH ZS 20 EX P200 SBB V2A
Art.: 275442
o similare.

Certificates

 

Technical data

Materiale INOX
Campo di serraggio Td 20 mm
Distanza da parete 200 mm
Campo serraggio tubo 50-300 mm
Riferimento normativo DIN IEC/TS 62561-8 (VDE V 0185-561-8)

Product 275442 was added to Notepad.

Product 275442 was added to the cart.


back to top