Points de prise de terre avec borne de raccordement flexible

Pour une installation dans le béton, en tant que raccordement flexible et résistant à la corrosion sur le système de prise de terre, pour l’équilibrage de potentiel de protection et / ou la liaison équipotentielle fonctionnelle de mise à la terre, par ex. sur l’armature des bâtiments.
Les câbles de raccordement flexibles jusqu’à 1000 m de long offrent une flexibilité maximale entre le point de raccordement extérieur et la liaison intérieure.
La borne de raccordement universelle permet de raccorder des barres d’armature et des matériaux ronds de 8-28 mm ainsi que des matériaux plats 30x3,5 mm ou d’une épaisseur plus importante.
En cas de double filetage M10 et M12, respectez les longueurs minimales suivantes pour les vis :
35 mm pour M10 (longueur de filetage 40 mm)
15 mm pour M12 (longueur de filetage 20 mm)

2 Products

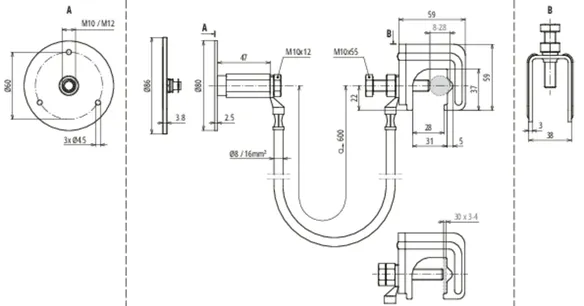
Part No. 416940 UES 16 L600 VK RD8 28 FL30 EFP

GTIN 4013364360280, Customs tariff No. (EU): 85359000, Gross weight: 530.00 g, PU: 25.00 pièce(s)


Images

Additional information

Jeu de raccordement composé d’un
conducteur de liaison avec
borne de raccordement et point fixe de mise à la terre
pour le raccordement électrique sûr
du point fixe de mise à la terre via
l’armature/les barres d’armature
Avec ce jeu de raccordement, une
barre d’armature (barre longitudinale) servant de
conducteur de mise à la terre
peut être raccordée de manière sécurisée à des dispositifs
de capture, des éléments de façade,
des rails de grue, des supports de câbles,
des systèmes de prise de terre,
la liaison équipotentielle, etc.
Matériau, borne de raccordement: Acier/nu
Zone de serrage Rd, borne de raccordement: 8-28 mm
Zone de serrage Pl, borne de raccordement: 30 x 3-4 mm
Matériau, point de prise de terre: INOX (V4A)
Filetage de raccordement, point de prise de terre: M10 / M12
Matériau, câble de pontage: Conduite en cuivre flexible, résistante au gel
Longueur de câblage, câble de pontage: 600 mm
Section, câble de pontage: 16 mm2
Norme: NF EN 62561-1

produit : DEHN
Type: UES 16 L600 VK RD8 28 FL30 EFP
Référence: 416940
ou équivalent

Certificates

 

Technical data

Matériau, borne de raccordement Acier/nu
Zone de serrage Rd, borne de raccordement 8-28 mm
Zone de serrage Pl, borne de raccordement 30 x 3-4 mm
Matériau, point de prise de terre INOX (V4A)
Filetage de raccordement, point de prise de terre M10 / M12
Matériau, câble de pontage Conduite en cuivre flexible, résistante au gel
Longueur de câblage, câble de pontage 600 mm
Section, câble de pontage 16 mm2
Norme NF EN 62561-1

Product 416940 was added to Notepad.

Product 416940 was added to the cart.

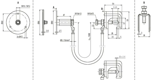
Part No. 416950 UES 16 L1000 VK RD8 28 FL30 EFP

GTIN 4013364508620, Customs tariff No. (EU): 85359000, Gross weight: 650.00 g, PU: 25.00 pièce(s)


Images

Additional information

Jeu de raccordement composé d’un
conducteur de liaison avec
borne de raccordement et point fixe de mise à la terre
pour le raccordement électrique sûr
du point fixe de mise à la terre via
l’armature/les barres d’armature
Avec ce jeu de raccordement, une
barre d’armature (barre longitudinale) servant de
conducteur de mise à la terre
peut être raccordée de manière sécurisée à des dispositifs
de capture, des éléments de façade,
des rails de grue, des supports de câbles,
des systèmes de prise de terre,
la liaison équipotentielle, etc.
Matériau, borne de raccordement: Acier/nu
Zone de serrage Rd, borne de raccordement: 8-28 mm
Zone de serrage Pl, borne de raccordement: 30 x 3-4 mm
Matériau, point de prise de terre: INOX (V4A)
Filetage de raccordement, point de prise de terre: M10 / M12
Matériau, câble de pontage: Conduite en cuivre flexible, résistante au gel
Longueur de câblage, câble de pontage: 1000 mm
Section, câble de pontage: 16 mm2
Norme: NF EN 62561-1

produit : DEHN
Type: UES 16 L1000 VK RD8 28 FL30 EFP
Référence: 416950
ou équivalent

Certificates

 

Technical data

Matériau, borne de raccordement Acier/nu
Zone de serrage Rd, borne de raccordement 8-28 mm
Zone de serrage Pl, borne de raccordement 30 x 3-4 mm
Matériau, point de prise de terre INOX (V4A)
Filetage de raccordement, point de prise de terre M10 / M12
Matériau, câble de pontage Conduite en cuivre flexible, résistante au gel
Longueur de câblage, câble de pontage 1000 mm
Section, câble de pontage 16 mm2
Norme NF EN 62561-1

Product 416950 was added to Notepad.

Product 416950 was added to the cart.


back to top