DEHNbloc Maxi 1 CI 440 / 760 FM

  • Parafoudre à base d'éclateurs à air avec fusible intégré et une tenue au courant de foudre, dans un boîtier compact
  • Très haute capacité d'écoulement du courant de foudre
  • Bas niveau de protection (fusible amont intégré)
  • Haute capacité d'extinction du courant de suite et haute limitation du courant de suite grâce a la technologie de limitation du courant de suite « RADAX-Flow »
  • Coordonné énergétiquement avec la gamme de produits Red/Line
  • Indication optique de fonctionnement/défaut grâce à un voyant vert/rouge

Details

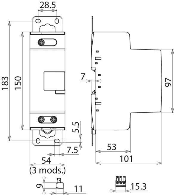
Montage flexible à l'aide d'un étrier de montage
lorem ipsum

DEHNbloc Maxi 1 CI 440 FM

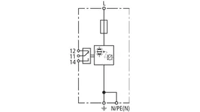
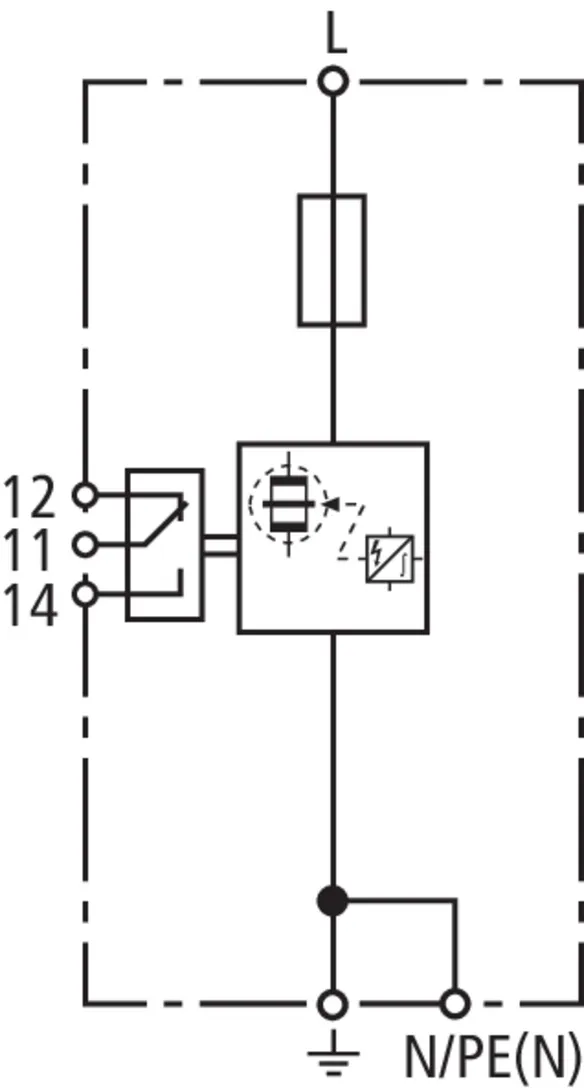
Parafoudre unipolaire et coordonné avec fusible amont intégré pour systèmes TN 400 / 690 V et systèmes IT 400 V; avec contact de télésignalisation pour systèmes de surveillance (contact sec inverseur).

1 Product

Part No. 961146 DBM 1 CI 440 FM

GTIN 4013364250062, Customs tariff No. (EU): 85363090, Gross weight: 1175.20 g, PU: 1.00 pièce(s)


Images

Additional information



produit : DEHN
Type: DBM 1 CI 440 FM
Référence: 961146
ou équivalent

Certificates

 

Circuit Interruption

The backup fuse is already integrated here. This means: reduced space requirement, lower installation costs, faster wiring, and shorter connecting cables. This concept can be found in the product ranges DEHNvenCI, DEHNbloc Maxi S, DEHNguard ... CI and V(A) NH...

Wave breaker function

In the case of spark-gap-based type 1 arresters, the entire current flows through the type 1 arrester during the discharge process. Like a wave breaker, the incoming energy is greatly broken down, which significantly relieves the downstream SPDs. All type 1 arresters in the Red/Line product range feature the WBF wave breaker function.

Technical data

SPD selon EN 61643-11 / ... CEI 61643-11 Type 1/Classe 1
Tension max. de régime permanent AC (UC ) 440 V (50 / 60 Hz)
Courant de choc de décharge (10/350 µs) (Iimp ) 35 kA
Niveau de protection en tension (UP ) ≤ 2,5 kV
Protection max. contre les surintensités pas nécessaire
Contacts de télésignalisation/Type de contact Inverseur

Product 961146 was added to Notepad.

Product 961146 was added to the cart.


DEHNbloc Maxi 1 CI 760 FM

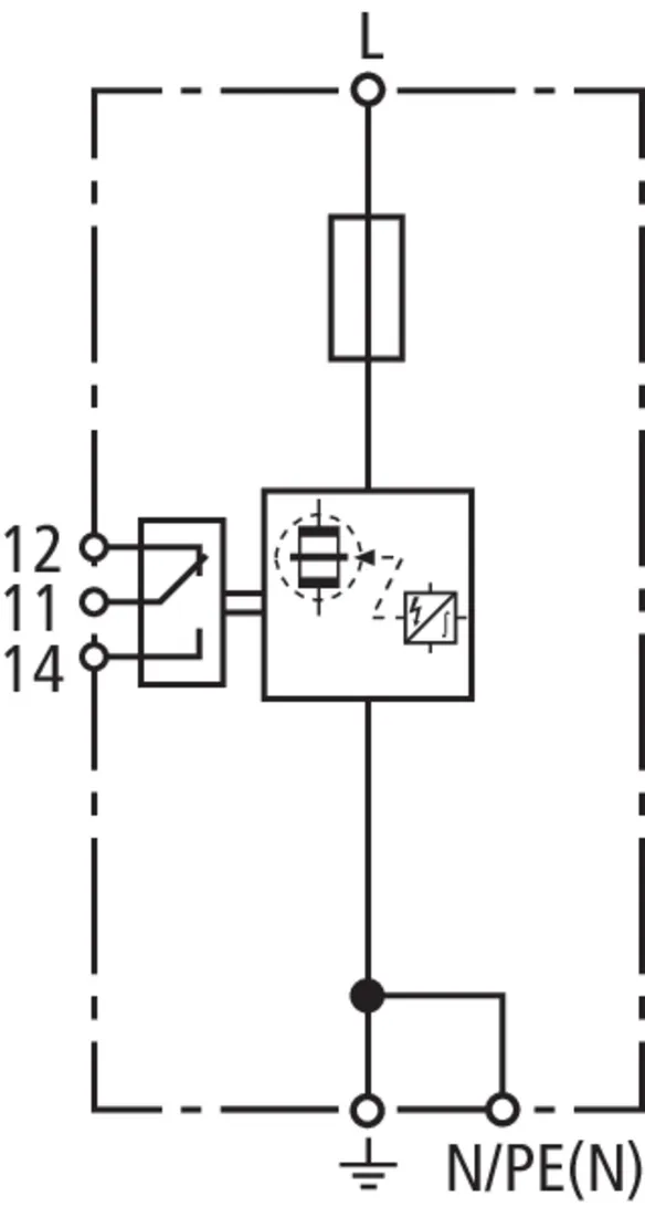
Parafoudre unipolaire et coordonné avec fusible amont intégré pour systèmes TN / IT 690 V; avec contact de télésignalisation pour systèmes de surveillance (contact sec inverseur).

1 Product

Part No. 961176 DBM 1 CI 760 FM

GTIN 4013364250123, Customs tariff No. (EU): 85363090, Gross weight: 1170.00 g, PU: 1.00 pièce(s)


Images

Additional information

DEHNbloc Maxi 1 CI 760 FM
Parafoudre unipolaire
avec fusible de protection intégré
contact de télésignalisation
Parafoudre de Type 1 conforme à la norme NF EN 61643-11
Limitation du courant de suite grâce à la technologie RADAX Flow
Tension max. de fonctionnement continue : 760 V AC
Courant de choc (10/350) : 35 kA
Capacité d'extinction du courant de suite : 25 kArms
Coordonné avec les parafoudre de la gamme Red/Line
Conforme à la norme NF EN 62305-4

produit : DEHN
Type: DBM 1 CI 760 FM
Référence: 961176
ou équivalent

Certificates

 

Circuit Interruption

The backup fuse is already integrated here. This means: reduced space requirement, lower installation costs, faster wiring, and shorter connecting cables. This concept can be found in the product ranges DEHNvenCI, DEHNbloc Maxi S, DEHNguard ... CI and V(A) NH...

Wave breaker function

In the case of spark-gap-based type 1 arresters, the entire current flows through the type 1 arrester during the discharge process. Like a wave breaker, the incoming energy is greatly broken down, which significantly relieves the downstream SPDs. All type 1 arresters in the Red/Line product range feature the WBF wave breaker function.

Technical data

SPD selon EN 61643-11 / ... CEI 61643-11 Type 1/Classe 1
Tension max. de régime permanent AC (UC ) 760 V (50 / 60 Hz)
Courant de choc de décharge (10/350 µs) (Iimp ) 35 kA
Niveau de protection en tension (UP ) ≤ 4 kV
Protection max. contre les surintensités pas nécessaire
Contacts de télésignalisation/Type de contact Inverseur

Product 961176 was added to Notepad.

Product 961176 was added to the cart.


back to top