Barres d'équilibrage de potentiel pour zones Ex 1/21, 2/22

Barre d'équilibrage de potentielle antidéflagrante pour l'équipotentialité de foudre selon la norme NF EN 62305-3 ainsi que pour la liaison équipotentielle de protection conformement à la CEI 60364-4-41 / CEI 60364-5- 54.
  • Pour une utilisation dans les zones Ex 1/21 et 2/22
  • Groupe d'explosion IIC (facteur de sécurité 1) conformement à la norme CLC 50703-2.
  • Conforme à la classe de température T4 et IEC 62561-1
  • Capacité de transport de courant de foudre Classe H (100kA).
  • Vis sécurisées contre le desserrage automatique selon VDE 0185-305-3 Supplément 2.
  • Configuration flexible pour la mise en œuvre.

PAS EX 7(11)AP SET

  • Utilisation dans les zones Ex 1 et 2 (gaz, vapeurs, brouillards) jusqu’au groupe d’explosion IIC ainsi que les zones Ex 21 et 22 (poussières)
  • Vis sécurisées contre l’auto-desserrage
  • Avec un adaptateur push-in, seule une utilisation à l’intérieur est autorisée

2 Products

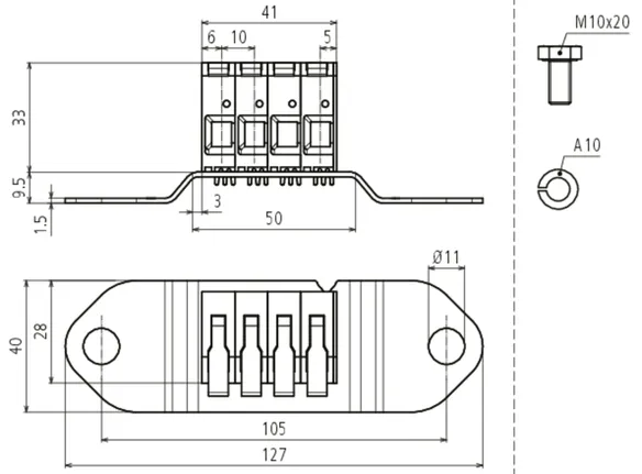
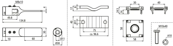
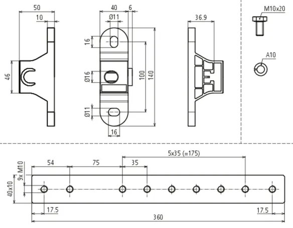
Part No. 472415 PAS EX 7AP SET

GTIN 4013364470590, Customs tariff No. (EU): 85359000, Gross weight: 3.23 kg, PU: 1.00 pièce(s)


Images

Additional information

Barres de liaison équipotentielle sans étincelles PAS EX 7AP SET
Liaison entre les conducteurs métalliques et les lignes
dans l’équilibrage principal de potentiel pour la protection contre la foudre selon
VDE 0185-305-3 (IEC 62305-3) ainsi que
dans l’équilibrage principal de potentiel fonctionnel et de protection
selon DIN VDE 0100 Partie 410/540.
Utilisation dans les zones Ex 1 et 2 (gaz, vapeurs, brouillards) et zones Ex 21 et 22 (poussières)

Groupe d’explosion IIC (facteur de sécurité1)
selon CLC 50703-2;
Classe de température T4 ainsi que selon DIN EN 62561-1
(VDE 0185-561-1)
Classe de tenue au courant de foudre H (100kA).
Vis sécurisées contre l’auto-desserrage selon VDE 0185-305-3 Annexe 2.

Utilisation autorisée en intérieur et en extérieur.

Courant de foudre (10/350 µs) INOX (V4A) 30x3,5 mm/40x5 mm :
2HExIIC 75 kA (sans étincelles) T4
Courant de foudre (10/350 µs) INOX (V4A) 30x3,5 mm/40x5 mm :
H 100 kA
Courant de foudre (10/350 µs) St/tZn 30x3,5 mm/40x5 mm :
1HExIIC 100 kA (sans étincelles) T4
Courant de court-circuit max (AC 50 Hz / DC / 5 s) INOX (V4A) 30x3,5 mm/40x5 mm :
750 A / T4
Courant de court-circuit max (AC 50 Hz / DC / 5 s) St/tZn 30x3,5 mm/40x5 mm :
1500 A / T4
Courant de foudre (10/350 µs) INOX (V4A) Ø10 mm :
NExIIC 50 kA (sans étincelles) T4
Courant de foudre (10/350 µs) INOX (V4A) Ø10 mm :
75 kA
Courant de foudre (10/350 µs) St/tZn Ø10 mm
2HExIIC 75 kA (sans étincelles) T4
Courant de foudre (10/350 µs) St/tZn Ø10 mm
H 100 kA
Courant de court-circuit max (AC 50 Hz / DC / 5 s) INOX (V4A) Ø10 mm :
650 A / T4
Courant de court-circuit max (AC 50 Hz / DC / 5 s) St/tZn Ø10 mm :
1 000 A/ T4
Courant de foudre (10/350 µs) Cu 16 - 95 mm² :
1HExIIC 100 kA (sans étincelles) T4
Courant de court-circuit max (AC 50 Hz / DC / 5 s) Cu 16 mm² :
750 A / T4
Courant de court-circuit max (AC 50 Hz / DC / 5 s) Cu 95 mm² :
3,1 kA / T4
Courant nominal de décharge (8/20 µs) par conducteur (In) 4-10 mm² Cu :
10 kA (sans étincelles)
Courant nominal de décharge (8/20 µs) par conducteur (In) 16 mm² Cu :
15 kA (sans étincelles)
Courant de foudre (10/350 µs) Cu 4-16 mm² (par conducteur) :
3 kA (sans étincelles)
Courant de foudre (10/350 µs) Cu 16 mm² (par conducteur) :
25 kA (par conducteur)
Température max de surface T4 : 135°C
Pour éviter la formation de barbe dans la zone Ex, nous recommandons l’utilisation de cosses de câble à compression étamées avec une couche barrière en nickel.


Rails : 360 x 40 x 10 mm
Dimensions : 382 x 140 x 101 mm
Raccordements : 1x conducteur plat 30/40 mm ou adaptateur pour rd 10 mm, 1x conducteur souple/rigide 16-95 mm²


via cosse de câble
1x adaptateur enfichable 4x 4-16 mm²
Matériau : INOX, Référence matériau : 1.4301 / 1.4303
Boîtier de l’isolant/adaptateur pl : polyamide, non halogéné
bleu, résistant aux UV
Adaptateur push-in : polyamide
Norme : DIN EN 62561-1 / CLC 50703-2

produit : DEHN
Type: PAS EX 7AP SET
Référence: 472415
ou équivalent

Certificates

 

Technical data

Raccordement Rd/Pl 1x conducteur plat 30/40 mm ou 1x conducteur rond 10 mm
Borne de raccordement 4x 4-16 mm²
Cosse du câble de raccordement 1x conducteur souple/rigide 16-95 mm²
Dimensions 382 x 140 x 101 mm
Courant de choc (10/350 µs), INOX (V4A) 30x3,5 mm / 40x5 mm 2HExIIC 75 kA (sans étincelles) T4
Courant de choc (10/350 µs), INOX (V4A) 30x3,5 mm / 40x5 mm 1HExIIC 100 kA (sans étincelles) T4
Courant de choc (10/350 µs), INOX (V4A) Ø10 mm NExIIC 50 kA (sans étincelles) T4
Courant de choc (10/350 µs) St/tZn Ø10 mm 2HExIIC 75 kA (sans étincelles) T4
Courant de choc (10/350 µs) Cu 16-95 mm2 1HExIIC 100 kA (sans étincelles) T4
Courant de choc (10/350 µs) Cu 4-16 mm2 (par pôle) 3 kA (sans étincelles)
Courant nominal de décharge (8/20 µs) par conducteur (In) Cu 4-10 mm² 10 kA (sans étincelles)
Courant nominal de décharge (8/20 µs) par conducteur (In) Cu 16 mm² 15 kA (sans étincelles)
Courant de court-circuit max (AC 50 Hz / DC / 5 s) INOX (V4A) 30x3,5 mm / 40x5 mm 750 A / T4
Courant de court-circuit max (AC 50 Hz / DC / 5 s) INOX (V4A) 30x3,5 mm / 40x5 mm 1500 A / T4
Courant de court-circuit max (AC 50 Hz / DC / 5 s) INOX (V4A) Ø10 mm 650 A / T4
Courant de court-circuit max (AC 50 Hz / DC / 5 s) St/tZn Ø10 mm 1000 A / T4
Normes NF EN 62561-1 / CLC 50703-2

Product 472415 was added to Notepad.

Product 472415 was added to the cart.

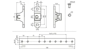
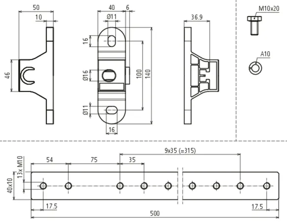
Part No. 472425 PAS EX 11AP SET

GTIN 4013364470606, Customs tariff No. (EU): 85359000, Gross weight: 3.82 kg, PU: 1.00 pièce(s)


Images

Additional information

Barres de liaison équipotentielle sans étincelles PAS EX 11AP SET
Liaison entre les conducteurs métalliques et les lignes
dans l’équilibrage principal de potentiel pour la protection contre la foudre selon
VDE 0185-305-3 (IEC 62305-3) ainsi que
dans l’équilibrage principal de potentiel fonctionnel et de protection
selon DIN VDE 0100 Partie 410/540.
Utilisation dans les zones Ex 1 et 2 (gaz, vapeurs, brouillards) et zones Ex 21 et 22 (poussières)

Groupe d’explosion IIC (facteur de sécurité 1)
selon CLC 50703-2 ;
Classe de température T4 et DIN EN 62561-1
(VDE 0185-561-1)
Classe de tenue au courant de foudre H (100kA).
Vis sécurisées contre le desserrage automatique selon VDE 0185-305-3 Annexe 2.

Utilisation autorisée en intérieur et en extérieur.

Courant de foudre (10/350 µs) INOX (V4A) 30x3,5 mm/40x5 mm :
2HExIIC 75 kA (sans étincelles) T4
Courant de foudre (10/350 µs) INOX (V4A) 30x3,5 mm/40x5 mm :
H 100 kA
Courant de foudre (10/350 µs) St/tZn 30x3,5 mm/40x5 mm :
1HExIIC 100 kA (sans étincelles) T4
Courant de court-circuit max (AC 50 Hz / DC / 5 s) INOX (V4A) 30x3,5 mm/40x5 mm :
750 A / T4
Courant de court-circuit max (AC 50 Hz / DC / 5 s) St/tZn 30x3,5 mm/40x5 mm :
1500 A / T4
Courant de foudre (10/350 µs) INOX (V4A) Ø10 mm :
NExIIC 50 kA (sans étincelles) T4
Courant de foudre (10/350 µs) INOX (V4A) Ø10 mm :
75 kA
Courant de foudre (10/350 µs) St/tZn Ø10 mm
2HExIIC 75 kA (sans étincelles) T4
Courant de foudre (10/350 µs) St/tZn Ø10 mm
H 100 kA
Courant de court-circuit max (AC 50 Hz / DC / 5 s) INOX (V4A) Ø10 mm :
650 A / T4
Courant de court-circuit max (AC 50 Hz / DC / 5 s) St/tZn Ø10 mm :
1 000 A/ T4
Courant de foudre (10/350 µs) Cu 16 - 95 mm² :
1HExIIC 100 kA (sans étincelles) T4
Courant de court-circuit max (AC 50 Hz / DC / 5 s) Cu 16 mm² :
750 A / T4
Courant de court-circuit max (AC 50 Hz / DC / 5 s) Cu 95 mm² :
3,1 kA / T4
Courant nominal de décharge (8/20 µs) par conducteur (In) 4-10 mm² Cu :
10 kA (sans étincelles)
Courant nominal de décharge (8/20 µs) par conducteur (In) 16 mm² Cu :
15 kA (sans étincelles)
Courant de foudre (10/350 µs) Cu 4-16 mm² (par conducteur) :
3 kA (sans étincelles)
Courant de foudre (10/350 µs) Cu 16 mm² (par conducteur) :
25 kA (par conducteur)
Température max de surface T4 : 135°C
Pour éviter la formation de barbe dans la zone Ex, nous recommandons l’utilisation de cosses de câble à compression étamées avec une couche barrière en nickel.


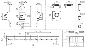
Rails : 500 x 40 x 10 mm
Dimensions : 522 x 140 x 101 mm
Raccordements : 1x conducteur plat 30/40 mm
ou adaptateur pour rd 10 mm,
5x conducteurs souples/rigides 16-95 mm²
via cosse de câble
1x adaptateur enfichable 4x 4-16 mm²
Matériau : INOX,
Matériau n° : 1.4301 / 1.4303
Boîtier de l’isolant/adaptateur pl : polyamide, non halogéné
bleu, résistant aux UV
Adaptateur push-in : polyamide
Norme : DIN EN 62561-1 / CLC 50703-2

produit : DEHN
Type: PAS EX 11AP SET
Référence: 472425
ou équivalent

Certificates

 

Technical data

Raccordement Rd/Pl 1x conducteur plat 30/40 mm ou 1x conducteur rond 10 mm
Borne de raccordement 4x 4-16 mm²
Cosse du câble de raccordement 5x conducteurs souples/rigides 16-95 mm²
Dimensions 522 x 140 x 101 mm
Courant de choc (10/350 µs), INOX (V4A) 30x3,5 mm / 40x5 mm 2HExIIC 75 kA (sans étincelles) T4
Courant de choc (10/350 µs), INOX (V4A) 30x3,5 mm / 40x5 mm 1HExIIC 100 kA (sans étincelles) T4
Courant de choc (10/350 µs), INOX (V4A) Ø10 mm NExIIC 50 kA (sans étincelles) T4
Courant de choc (10/350 µs) St/tZn Ø10 mm 2HExIIC 75 kA (sans étincelles) T4
Courant de choc (10/350 µs) Cu 16-95 mm2 1HExIIC 100 kA (sans étincelles) T4
Courant de choc (10/350 µs) Cu 4-16 mm2 (par pôle) 3 kA (sans étincelles)
Courant nominal de décharge (8/20 µs) par conducteur (In) Cu 4-10 mm² 10 kA (sans étincelles)
Courant nominal de décharge (8/20 µs) par conducteur (In) Cu 16 mm² 15 kA (sans étincelles)
Courant de court-circuit max (AC 50 Hz / DC / 5 s) INOX (V4A) 30x3,5 mm / 40x5 mm 750 A / T4
Courant de court-circuit max (AC 50 Hz / DC / 5 s) INOX (V4A) 30x3,5 mm / 40x5 mm 1500 A / T4
Courant de court-circuit max (AC 50 Hz / DC / 5 s) INOX (V4A) Ø10 mm 650 A / T4
Courant de court-circuit max (AC 50 Hz / DC / 5 s) St/tZn Ø10 mm 1000 A / T4
Normes NF EN 62561-1 / CLC 50703-2

Product 472425 was added to Notepad.

Product 472425 was added to the cart.


PAS EX 1+5(9)AP M10 V2A

  • Utilisation dans les zones Ex 1 et 2 (gaz, vapeurs, brouillards) jusqu’au groupe d’explosion IIC ainsi que les zones Ex 21 et 22 (poussières)
  • Vis sécurisées contre l’auto-desserrage
  • Utilisation autorisée en intérieur et en extérieur

2 Products

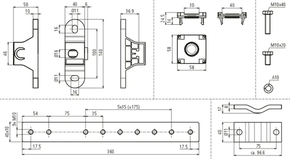
Part No. 472410 PAS EX 1+5AP M10 V2A

GTIN 4013364470521, Customs tariff No. (EU): 85359000, Gross weight: 1.96 kg, PU: 1.00 pièce(s)


Images

Additional information

Barres de liaison équipotentielle sans étincelles PAS EX 1+5AP M10 V2A
Liaison entre les conducteurs métalliques et les lignes
dans l’équilibrage principal de potentiel pour la protection contre la foudre selon
VDE 0185-305-3 (IEC 62305-3) ainsi que
dans l’équilibrage principal de potentiel fonctionnel et de protection
selon DIN VDE 0100 Partie 410/540.
Utilisation dans les zones Ex 1 et 2
(gaz, vapeurs, brouillards) et zones Ex 21 et 22 (poussières)

Groupe d’explosion IIC (facteur de sécurité1)
selon CLC 50703-2;
Classe de température T4 et DIN EN 62561-1
(VDE 0185-561-1)
Classe de tenue au courant de foudre H (100kA).
Vis sécurisées contre l’auto-desserrage
selon VDE 0185-305-3 Annexe 2.
Utilisation autorisée en intérieur et en extérieur.

Courant de foudre (10/350 µs) INOX (V4A) 30x3,5 mm/40x5 mm :
2HExIIC 75 kA (sans étincelles) T4
Courant de foudre (10/350 µs) INOX (V4A) 30x3,5 mm/40x5 mm :
H 100 kA
Courant de foudre (10/350 µs) St/tZn 30x3,5 mm/40x5 mm :
1HExIIC 100 kA (sans étincelles) T4
Courant de court-circuit max (AC 50 Hz / DC / 5 s) INOX (V4A) 30x3,5 mm/40x5 mm :
750 A / T4
Courant de court-circuit max (AC 50 Hz / DC / 5 s) St/tZn 30x3,5 mm/40x5 mm :
1500 A / T4
Courant de foudre (10/350 µs) Cu 16 - 95 mm² :
1HExIIC 100 kA (sans étincelles) T4
Courant de court-circuit max (AC 50 Hz / DC / 5 s) Cu 16 mm² :
750 A / T4
Courant de court-circuit max (AC 50 Hz / DC / 5 s) Cu 95 mm² :
3,1 kA / T4
Température max de surface T4 : 135°C
Pour éviter la formation de barbe dans la zone Ex, nous recommandons l’utilisation de cosses de câble à compression étamées avec une couche barrière en nickel.


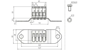
Rails : 360 x 40 x 10 mm
Dimensions : 382 x 140 x 101 mm
Raccordements : 1 Plat (M10 x 40 mm avec rondelle élastique)
+ 5 Cosses de câble (M10 x 20 mm avec rondelle élastique)
Barre d’équilibrage de potentiel/Attache/vis/rondelle élastique :
INOX, Référence matériau : 1.4301 / 1.4303
Boîtier de l’isolant/adaptateur pl :
polyamide, bleu non halogéné, résistant aux UV
Norme : DIN EN 62561-1 / CLC 50703-2

produit : DEHN
Type: PAS EX 1+5AP M10 V2A
Référence: 472410
ou équivalent

Certificates

 

Technical data

Raccordement - conducteur plat 1x conducteur plat 30/40 mm
Cosse du câble de raccordement 5x conducteurs souples/rigides 16-95 mm²
Dimensions 382 x 140 x 65 mm
Courant de choc (10/350 µs), INOX (V4A) 30x3,5 mm / 40x5 mm 2HExIIC 75 kA (sans étincelles) T4
Courant de choc (10/350 µs), INOX (V4A) 30x3,5 mm / 40x5 mm 1HExIIC 100 kA (sans étincelles) T4
Courant de choc (10/350 µs) Cu 16-95 mm2 1HExIIC 100 kA (sans étincelles) T4
Courant de court-circuit max (AC 50 Hz / DC / 5 s) INOX (V4A) 30x3,5 mm / 40x5 mm 750 A / T4
Courant de court-circuit max (AC 50 Hz / DC / 5 s) INOX (V4A) 30x3,5 mm / 40x5 mm 1500 A / T4
Normes NF EN 62561-1 / CLC 50703-2
En ce qui concerne la résistance à la corrosion, il est important de vérifier que les matériaux utilisés dans les barres de liaison équipotentielle pour zones EX (par ex. Cu/galSn, INOX, polyamide, ester de polyuréthane) peuvent être utilisées dans l’environnement prévu.

Product 472410 was added to Notepad.

Product 472410 was added to the cart.

Part No. 472420 PAS EX 1+9AP M10 V2A

GTIN 4013364476059, Customs tariff No. (EU): 85359000, Gross weight: 2.50 kg, PU: 1.00 pièce(s)


Images

Additional information

Barres de liaison équipotentielle sans étincelles PAS EX 1+9AP M10 V2A
Liaison entre les conducteurs métalliques et les lignes
dans l’équilibrage principal de potentiel pour la protection contre la foudre selon
VDE 0185-305-3 (IEC 62305-3) ainsi que
dans l’équilibrage principal de potentiel fonctionnel et de protection
selon DIN VDE 0100 Partie 410/540.
Utilisation dans les zones Ex 1 et 2 (gaz, vapeurs, brouillards) et zones Ex 21 et 22 (poussières)


Groupe d’explosion IIC (facteur de sécurité1)
selon CLC 50703-2;
Classe de température T4 et DIN EN 62561-1
(VDE 0185-561-1)
Classe de tenue au courant de foudre H (100kA).
Vis sécurisées contre l’auto-desserrage
selon VDE 0185-305-3 Annexe 2.
Utilisation autorisée en intérieur et en extérieur.

Courant de foudre (10/350 µs) INOX (V4A) 30x3,5 mm/40x5 mm :
2HExIIC 75 kA (sans étincelles) T4
Courant de foudre (10/350 µs) INOX (V4A) 30x3,5 mm/40x5 mm :
H 100 kA
Courant de foudre (10/350 µs) St/tZn 30x3,5 mm/40x5 mm :
1HExIIC 100 kA (sans étincelles) T4
Courant de court-circuit max (AC 50 Hz / DC / 5 s) INOX (V4A) 30x3,5 mm/40x5 mm :
750 A / T4
Courant de court-circuit max (AC 50 Hz / DC / 5 s) St/tZn 30x3,5 mm/40x5 mm :
1500 A / T4
Courant de foudre (10/350 µs) Cu 16 - 95 mm² :
1HExIIC 100 kA (sans étincelles) T4
Courant de court-circuit max (AC 50 Hz / DC / 5 s) Cu 16 mm² :
750 A / T4
Courant de court-circuit max (AC 50 Hz / DC / 5 s) Cu 95 mm² :
3,1 kA / T4
Température max de surface T4 : 135°C
Pour éviter la formation de barbe dans la zone Ex, nous recommandons l’utilisation de cosses de câble à compression étamées avec une couche barrière en nickel.


Rails : 500 x 40 x 10 mm
Dimensions : 522 x 140 x 101 mm
Raccordements : 1 Plat (M10 x 40 mm avec rondelle élastique)
+ 9 Cosses de câble (M10 x 20 mm avec rondelle élastique)
Barre d’équilibrage de potentiel/Attache/vis/rondelle élastique :
INOX, Référence matériau : 1.4301 / 1.4303
Boîtier de l’isolant/adaptateur pl : polyamide,
bleu non halogéné, résistant aux UV
Norme : DIN EN 62561-1 / CLC 50703-2

produit : DEHN
Type: PAS EX 1+9AP M10 V2A
Référence: 472420
ou équivalent

Certificates

 

Technical data

Raccordement - conducteur plat 1x conducteur plat 30/40 mm
Cosse du câble de raccordement 9x conducteurs souples/rigides 16-95 mm²
Dimensions 522 x 140 x 65 mm
Courant de choc (10/350 µs), INOX (V4A) 30x3,5 mm / 40x5 mm 2HExIIC 75 kA (sans étincelles) T4
Courant de choc (10/350 µs), INOX (V4A) 30x3,5 mm / 40x5 mm 1HExIIC 100 kA (sans étincelles) T4
Courant de choc (10/350 µs) Cu 16-95 mm2 1HExIIC 100 kA (sans étincelles) T4
Courant de court-circuit max (AC 50 Hz / DC / 5 s) INOX (V4A) 30x3,5 mm / 40x5 mm 750 A / T4
Courant de court-circuit max (AC 50 Hz / DC / 5 s) INOX (V4A) 30x3,5 mm / 40x5 mm 1500 A / T4
Normes NF EN 62561-1 / CLC 50703-2
En ce qui concerne la résistance à la corrosion, il est important de vérifier que les matériaux utilisés dans les barres de liaison équipotentielle pour zones EX (par ex. Cu/galSn, INOX, polyamide, ester de polyuréthane) peuvent être utilisées dans l’environnement prévu.

Product 472420 was added to Notepad.

Product 472420 was added to the cart.


PAS EX 7(11)AP M10 V2A

  • Utilisation dans les zones Ex 1 et 2 (gaz, vapeurs, brouillards) jusqu’au groupe d’explosion IIC ainsi que les zones Ex 21 et 22 (poussières)
  • Vis sécurisées contre l’auto-desserrage
  • Utilisation autorisée en intérieur et en extérieur

2 Products

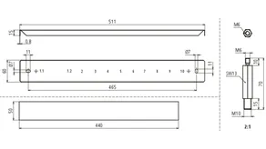
Part No. 472411 PAS EX 7AP M10 V2A

GTIN 4013364470460, Customs tariff No. (EU): 85359000, Gross weight: 1.65 kg, PU: 1.00 pièce(s)


Images

Additional information

Barres de liaison équipotentielle sans étincelles PAS EX 7AP M10 V2A
Liaison entre les conducteurs métalliques et les lignes
dans l’équilibrage principal de potentiel pour la protection contre la foudre selon
VDE 0185-305-3 (IEC 62305-3) ainsi que
dans l’équilibrage principal de potentiel fonctionnel et de protection
selon DIN VDE 0100 Partie 410/540.
Utilisation dans les zones Ex 1 et 2 (gaz, vapeurs, brouillards) et zones Ex 21 et 22 (poussières)

Groupe d’explosion IIC (facteur de sécurité1)
selon CLC 50703-2;
Classe de température T4 et DIN EN 62561-1
(VDE 0185-561-1)
Classe de tenue au courant de foudre H (100kA).
Vis sécurisées contre l’auto-desserrage
selon VDE 0185-305-3 Annexe 2.
Utilisation autorisée en intérieur et en extérieur.

Courant de foudre (10/350 µs) Cu 16 - 95 mm² :
1HExIIC 100 kA (sans étincelles) T4
Courant de court-circuit max (AC 50 Hz / DC / 5 s) Cu 16 mm² :
750 A / T4
Courant de court-circuit max (AC 50 Hz / DC / 5 s) Cu 95 mm² :
3,1 kA / T4
Température max de surface T4 : 135°C
Pour éviter la formation de barbe dans la zone Ex, nous recommandons l’utilisation de cosses de câble à compression étamées avec une couche barrière en nickel.


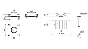
Rails : 300 x 40 x 10 mm
Dimensions : 382 x 140 x 101 mm
Raccordements : 7 cosses de câble (M10 x 20 mm avec rondelle élastique)
Barre d’équilibrage de potentiel/vis/rondelle élastique : INOX,
Matériau n° : 1.4301 / 1.4303
Isolant : polyamide, bleu non halogéné, résistant aux UV
Norme : DIN EN 62561-1 / CLC 50703-2

produit : DEHN
Type: PAS EX 7AP M10 V2A
Référence: 472411
ou équivalent

Certificates

 

Technical data

Cosse du câble de raccordement 7x conducteurs souples/rigides 16-95 mm²
Dimensions 382 x 140 x 50 mm
Courant de choc (10/350 µs) Cu 16-95 mm2 1HExIIC 100 kA (sans étincelles) T4
Normes NF EN 62561-1 / CLC 50703-2
En ce qui concerne la résistance à la corrosion, il est important de vérifier que les matériaux utilisés dans les barres de liaison équipotentielle pour zones EX (par ex. Cu/galSn, INOX, polyamide, ester de polyuréthane) peuvent être utilisées dans l’environnement prévu.

Product 472411 was added to Notepad.

Product 472411 was added to the cart.

Part No. 472421 PAS EX 11AP M10 V2A

GTIN 4013364470477, Customs tariff No. (EU): 85359000, Gross weight: 2.16 kg, PU: 1.00 pièce(s)


Images

Additional information

Barres de liaison équipotentielle sans étincelles PAS EX 11AP M10 V2A
Liaison entre les conducteurs métalliques et les lignes
dans l’équilibrage principal de potentiel pour la protection contre la foudre selon
VDE 0185-305-3 (IEC 62305-3) ainsi que
dans l’équilibrage principal de potentiel fonctionnel et de protection
selon DIN VDE 0100 Partie 410/540.
Utilisation dans les zones Ex 1 et 2 (gaz, vapeurs, brouillards) et zones Ex 21 et 22 (poussières)

Groupe d’explosion IIC (facteur de sécurité1)
selon CLC 50703-2;
Classe de température T4 et DIN EN 62561-1
(VDE 0185-561-1)
Classe de tenue au courant de foudre H (100kA).
Vis sécurisées contre l’auto-desserrage
selon VDE 0185-305-3 Annexe 2.
Utilisation autorisée en intérieur et en extérieur.

Courant de foudre (10/350 µs) Cu 16 - 95 mm² :
1HExIIC 100 kA (sans étincelles) T4
Courant de court-circuit max (AC 50 Hz / DC / 5 s) Cu 16 mm² :
750 A / T4
Courant de court-circuit max (AC 50 Hz / DC / 5 s) Cu 95 mm² :
3,1 kA / T4
Température max de surface T4 : 135°C
Pour éviter la formation de barbe dans la zone Ex, nous recommandons l’utilisation de cosses de câble à compression étamées avec une couche barrière en nickel.


Rails : 500 x 40 x 10 mm
Dimensions : 522 x 140 x 101 mm
Raccordements : 11 cosses de câble (M10 x 20 mm avec rondelle élastique)
Barre d’équilibrage de potentiel/vis/rondelle élastique :
INOX, Référence matériau : 1.4301 / 1.4303
Isolant : polyamide, bleu non halogéné, résistant aux UV
Norme : DIN EN 62561-1 / CLC 50703-2

produit : DEHN
Type: PAS EX 11AP M10 V2A
Référence: 472421
ou équivalent

Certificates

 

Technical data

Cosse du câble de raccordement 11x conducteurs souples/rigides 16-95 mm²
Dimensions 522 x 140 x 50 mm
Courant de choc (10/350 µs) Cu 16-95 mm2 1HExIIC 100 kA (sans étincelles) T4
Normes NF EN 62561-1 / CLC 50703-2
En ce qui concerne la résistance à la corrosion, il est important de vérifier que les matériaux utilisés dans les barres de liaison équipotentielle pour zones EX (par ex. Cu/galSn, INOX, polyamide, ester de polyuréthane) peuvent être utilisées dans l’environnement prévu.

Product 472421 was added to Notepad.

Product 472421 was added to the cart.


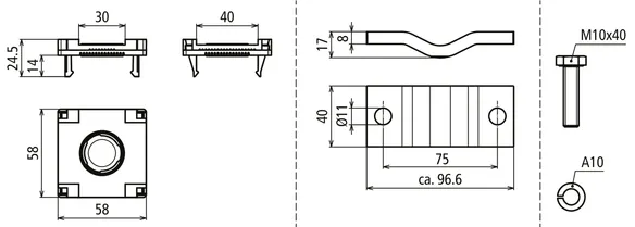
PAS EX AD 7(11) AP

Couvercle avec entretoise pour les barres de liaison équipotentielle sans étincelles PAS EX. Avec numérotation et étiquette de connexion.

2 Products

Part No. 472412 PAS EX AD 7 AP

GTIN 4013364470491, Customs tariff No. (EU): 85389099, Gross weight: 576.00 g, PU: 1.00 pièce(s)


Images

Additional information

Couvercle avec boulons d'écartement et étiquette
pour PAS EX 1+5AP M10 V2A et PAS EX 7AP M10 V2A

Matériel: acier inoxydable,
N° de matériau : 1.4301 / 1.4303

produit : DEHN
Type: PAS EX AD 7 AP
Référence: 472412
ou équivalent

 

Technical data

Matériau INOX

Product 472412 was added to Notepad.

Product 472412 was added to the cart.

Part No. 472422 PAS EX AD 11 AP

GTIN 4013364470507, Customs tariff No. (EU): 85389099, Gross weight: 658.00 g, PU: 1.00 pièce(s)


Images

Additional information

Couvercle avec boulons d'écartement et étiquette
pour PAS EX 1+9AP M10 V2A etPAS EX 11AP M10 V2A

Matériel: acier inoxydable,
N° de matériau : 1.4301 / 1.4303

produit : DEHN
Type: PAS EX AD 11 AP
Référence: 472422
ou équivalent

 

Technical data

Matériau INOX

Product 472422 was added to Notepad.

Product 472422 was added to the cart.


PAS EX CC

Adaptateur enfichable pour barres de liaison équipotentielle sans étincelles PAS EX pour le raccordement facile des conducteurs flexibles. Pour une utilisation dans les zones Ex 1 et 2 (gaz, vapeurs, brouillards) jusqu’au groupe d’explosion IIC ainsi que les zones Ex 21 et 22 (poussières). Utilisation à l’intérieur uniquement.

1 Product

Part No. 472497 PAS EX CC

GTIN 4013364470484, Customs tariff No. (EU): 85359000, Gross weight: 196.00 g, PU: 1.00 pièce(s)


Images

Additional information

Adaptateur enfichable pour le contactage des conducteurs flexibles 4x 4-16 mm² de PAS EX ...

Utilisation dans les zones à risque d’explosion
Ex 1 et 2 (gaz, vapeurs, brouillards) ainsi que les zones Ex 21 et 22 (poussières)

Utilisation jusqu’au groupe d’explosion IIC
(facteur de sécurité 1)
Utilisation jusqu’à la classe de température T4
Vis sécurisées contre l’auto-desserrage
selon VDE 0185-305-3 Annexe 2
Utilisation à l’intérieur autorisée
Courant nominal de décharge (8/20 µs) par conducteur (In) Cu 4-10mm² :
10 kA (sans étincelles)
Courant nominal de décharge (8/20 µs) par conducteur (In) Cu 16 mm² :
15 kA (sans étincelles)
Courant de foudre (10/350 µs) Cu 4-16 mm² (par conducteur) :
3 kA (sans étincelles)
Courant de foudre (10/350 µs) Cu 16 mm² (par conducteur) :
25 kA
Matériau : polyamide

produit : DEHN
Type: PAS EX CC
Référence: 472497
ou équivalent

Certificates

 

Technical data

Courant de choc (10/350 µs) Cu 4-16 mm2 (par pôle) 3 kA (sans étincelles)
Courant nominal de décharge (8/20 µs) par conducteur (In) Cu 4-10 mm² 10 kA (sans étincelles)
Courant nominal de décharge (8/20 µs) par conducteur (In) Cu 16 mm² 15 kA (sans étincelles)
Remarque : Sans étincelles uniquement lors d’un raccordement avec PAS EX ... !

Product 472497 was added to Notepad.

Product 472497 was added to the cart.


PAS EX R

Adaptateur enfichable pour barres de liaison équipotentielle sans étincelles PAS EX pour le raccordement facile d’un conducteur rond. Pour une utilisation dans les zones Ex 1 et 2 (gaz, vapeurs, brouillards) jusqu’au groupe d’explosion IIC ainsi que les zones Ex 21 et 22 (poussières). Utilisation autorisée en intérieur et en extérieur.

1 Product

Part No. 472498 PAS EX R

GTIN 4013364476042, Customs tariff No. (EU): 85359000, Gross weight: 790.00 g, PU: 1.00 pièce(s)


Images

Additional information

Set de raccordement rd 10 mm pour
PAS EX 11AP M10 V2A
PAS EX 7AP M10 V2A
Liaison entre les conducteurs métalliques et les lignes
dans l’équilibrage principal de potentiel pour la protection contre la foudre selon
VDE 0185-305-3 (IEC 62305-3) ainsi que
dans l’équilibrage principal de potentiel fonctionnel et de protection
selon DIN VDE 0100 Partie 410/540.
Utilisation dans les zones Ex 1 et 2 (gaz, vapeurs, brouillards) et zones Ex 21 et 22 (poussières)

Groupe d’explosion IIC (facteur de sécurité1)
selon CLC 50703-2;
Classe de température T4 et DIN EN 62561-1
(VDE 0185-561-1)
Classe de tenue au courant de foudre H (100kA).
Vis sécurisées contre l’auto-desserrage
selon VDE 0185-305-3 Annexe 2.
Utilisation autorisée en intérieur et en extérieur.

Courant de foudre (10/350 µs) INOX (V4A) Ø10 mm :
NExIIC 50 kA (sans étincelles) T4
Courant de foudre (10/350 µs) INOX (V4A) Ø10 mm :
75 kA
Courant de foudre (10/350 µs) St/tZn Ø10 mm
2HExIIC 75 kA (sans étincelles) T4
Courant de foudre (10/350 µs) St/tZn Ø10 mm
H 100 kA
Courant de court-circuit max (AC 50 Hz / DC / 5 s) INOX (V4A) Ø10 mm :
650 A / T4
Courant de court-circuit max (AC 50 Hz / DC / 5 s) St/tZn Ø10 mm :
1 000 A/ T4
Température max de surface T4 : 135°C
Adaptateur Rd/Attache : INOX,
Matériau n° : 1.4301 / 1.4303
Boîtier de l’adaptateur pl : polyamide,
bleu non halogéné, résistant aux UV

produit : DEHN
Type: PAS EX R
Référence: 472498
ou équivalent

Certificates

 

Technical data

Courant de choc (10/350 µs), INOX (V4A) Ø10 mm NExIIC 50 kA (sans étincelles) T4
Courant de choc (10/350 µs) St/tZn Ø10 mm 2HExIIC 75 kA (sans étincelles) T4
Courant de court-circuit max (AC 50 Hz / DC / 5 s) INOX (V4A) Ø10 mm 650 A / T4
Courant de court-circuit max (AC 50 Hz / DC / 5 s) St/tZn Ø10 mm 1000 A / T4
Remarque : Sans étincelles uniquement lors d’un raccordement avec PAS EX ... !

Product 472498 was added to Notepad.

Product 472498 was added to the cart.


PAS EX FL

Adaptateur pour barres de liaison équipotentielle sans étincelles PAS EX pour le raccordement facile d’un conducteur plat. Pour une utilisation dans les zones Ex 1 et 2 (gaz, vapeurs, brouillards) jusqu’au groupe d’explosion IIC ainsi que les zones Ex 21 et 22 (poussières). Utilisation autorisée en intérieur et en extérieur.

1 Product

Part No. 472499 PAS EX FL

GTIN 4013364470514, Customs tariff No. (EU): 85359000, Gross weight: 408.00 g, PU: 1.00 pièce(s)


Images

Additional information

Set de raccordement Pl 30/40 mm pour PAS EX 11AP M10 V2A

PAS EX 7AP M10 V2A
Liaison entre les conducteurs métalliques et les lignes
dans l’équilibrage principal de potentiel pour la protection contre la foudre selon
VDE 0185-305-3 (IEC 62305-3) ainsi que
dans l’équilibrage principal de potentiel fonctionnel et de protection
selon DIN VDE 0100 Partie 410/540.
Utilisation dans les zones Ex 1 et 2 (gaz, vapeurs, brouillards) et zones Ex 21 et 22 (poussières)

Groupe d’explosion IIC (facteur de sécurité1)
selon CLC 50703-2;
Classe de température T4 et DIN EN 62561-1
(VDE 0185-561-1)
Classe de tenue au courant de foudre H (100kA).
Vis sécurisées contre l’auto-desserrage
selon VDE 0185-305-3 Annexe 2.
Utilisation autorisée en intérieur et en extérieur.

Courant de foudre (10/350 µs) INOX (V4A) 30x3,5 mm/40x5 mm :
2HExIIC 75 kA (sans étincelles) T4
Courant de foudre (10/350 µs) INOX (V4A) 30x3,5 mm/40x5 mm :
H 100 kA
Courant de foudre (10/350 µs) St/tZn 30x3,5 mm/40x5 mm :
1HExIIC 100 kA (sans étincelles) T4
Courant de court-circuit max (AC 50 Hz / DC / 5 s) INOX (V4A) 30x3,5 mm/40x5 mm :
750 A / T4
Courant de court-circuit max (AC 50 Hz / DC / 5 s) St/tZn 30x3,5 mm/40x5 mm :
1500 A / T4
Température max de surface T4 : 135°C
Matériau Attache : INOX,
Matériau n° : 1.4301 / 1.4303
Boîtier de l’adaptateur pl : polyamide, non halogéné
bleu, résistant aux UV

produit : DEHN
Type: PAS EX FL
Référence: 472499
ou équivalent

Certificates

 

Technical data

Courant de choc (10/350 µs), INOX (V4A) 30x3,5 mm / 40x5 mm 2HExIIC 75 kA (sans étincelles) T4
Courant de choc (10/350 µs), INOX (V4A) 30x3,5 mm / 40x5 mm 1HExIIC 100 kA (sans étincelles) T4
Courant de court-circuit max (AC 50 Hz / DC / 5 s) INOX (V4A) 30x3,5 mm / 40x5 mm 750 A / T4
Courant de court-circuit max (AC 50 Hz / DC / 5 s) INOX (V4A) 30x3,5 mm / 40x5 mm 1500 A / T4
Remarque : Sans étincelles uniquement lors d’un raccordement avec PAS EX ... !

Product 472499 was added to Notepad.

Product 472499 was added to the cart.


PAS ... CUGALSSN

Cosse de câble à compression selon DIN 46235 avec couche barrière en nickel pour éviter la formation de barbe.

6 Products

Part No. 472432 PKS 16 10 CUGALNISN

GTIN 4013364470538, Customs tariff No. (EU): 85369010, Gross weight: 16.33 g, PU: 3.00 pièce(s)


Images

Additional information

Cosse de câble à compression DIN 46235 16 mm² M10
Cu/gal Sn avec couche barrière en nickel
Pour éviter la formation de barbe dans la zone Ex, nous recommandons l’utilisation de cosses de câble à compression étamées avec une couche barrière en nickel



Matériau : Cu/gal (Ni)Sn
Courant de foudre (10/350 µs) Cugal (Ni)Sn 16 mm² (Re/Rm/Rf) /
INOX 40x10 mm : 1HExIIC 100 kA (sans étincelles) T4
Courant de court-circuit max (AC 50 Hz / DC / 5 s) Cugal (Ni)Sn 16 mm² (Re) / INOX 40x10 mm :
1 100 A / T4
Courant de court-circuit max (AC 50 Hz / DC / 5 s) Cugal (Ni)Sn 16 mm² (Rm/Rf) / INOX 40x10 mm :
750 A / T4
Température max de surface T4 : 135°C
Diamètre int. cosse : M10
Section transversale du conducteur : 16 mm²

produit : DEHN
Type: PKS 16 10 CUGALNISN
Référence: 472432
ou équivalent

Certificates

 

Technical data

Matériau Cu /gal (Ni)Sn
Diamètre int. cosse M10
Section du rail transversale max. du conducteur 16 mm2
Remarque : Sans étincelles uniquement lors d’un raccordement avec PAS EX ... !

Product 472432 was added to Notepad.

Product 472432 was added to the cart.

Part No. 472433 PKS 25 10 CUGALNISN

GTIN 4013364470545, Customs tariff No. (EU): 85369010, Gross weight: 19.67 g, PU: 3.00 pièce(s)


Images

Additional information

Cosse de câble à compression DIN 46235 25 mm² M10
Cu/gal Sn avec couche barrière en nickel
Pour éviter la formation de barbe dans la zone Ex, nous recommandons l’utilisation de cosses de câble à compression étamées avec une couche barrière en nickel



Matériau : Cu/gal (Ni)Sn
Courant de foudre (10/350 µs) Cugal (Ni)Sn 25 mm² (Rm/Rf) /
INOX 40x10 mm : 1HExIIC 100 kA (sans étincelles) T4
Courant de court-circuit max (AC 50 Hz / DC / 5 s) Cugal (Ni)Sn
25 mm² (Rm/Rf) / INOX 40x10 mm : 1 100 A / T4
Température max de surface T4 : 135°C
Diamètre int. cosse : M10
Section transversale du conducteur : 25 mm²

produit : DEHN
Type: PKS 25 10 CUGALNISN
Référence: 472433
ou équivalent

Certificates

 

Technical data

Matériau Cu /gal (Ni)Sn
Diamètre int. cosse M10
Section du rail transversale max. du conducteur 25 mm2
Remarque : Sans étincelles uniquement lors d’un raccordement avec PAS EX ... !

Product 472433 was added to Notepad.

Product 472433 was added to the cart.

Part No. 472434 PKS 35 10 CUGALNISN

GTIN 4013364470552, Customs tariff No. (EU): 85369010, Gross weight: 34.33 g, PU: 3.00 pièce(s)


Images

Additional information

Cosse de câble à compression DIN 46235 35 mm² M10
Cu/gal Sn avec couche barrière en nickel
Pour éviter la formation de barbe dans la zone Ex, nous recommandons l’utilisation de cosses de câble à compression étamées avec une couche barrière en nickel



Matériau : Cu/gal (Ni)Sn
Courant de foudre (10/350 µs) Cugal (Ni)Sn 35 mm² (Rm/Rf) /
INOX 40x10 mm : 1HExIIC 100 kA (sans étincelles) T4
Courant de court-circuit max (AC 50 Hz / DC / 5 s) Cugal (Ni)Sn
35 mm² (Rm/Rf) / INOX 40x10 mm : 1 100 A / T4
Température max de surface T4 : 135°C
Diamètre int. cosse : M10
Section transversale du conducteur : 35 mm²

produit : DEHN
Type: PKS 35 10 CUGALNISN
Référence: 472434
ou équivalent

Certificates

 

Technical data

Matériau Cu /gal (Ni)Sn
Diamètre int. cosse M10
Section du rail transversale max. du conducteur 35 mm2
Remarque : Sans étincelles uniquement lors d’un raccordement avec PAS EX ... !

Product 472434 was added to Notepad.

Product 472434 was added to the cart.

Part No. 472435 PKS 50 10 CUGALNISN

GTIN 4013364470569, Customs tariff No. (EU): 85369010, Gross weight: 51.67 g, PU: 3.00 pièce(s)


Images

Additional information

Cosse de câble à compression DIN 46235 50 mm² M10
Cu/gal Sn avec couche barrière en nickel
Pour éviter la formation de barbe dans la zone Ex, nous recommandons l’utilisation de cosses de câble à compression étamées avec une couche barrière en nickel



Matériau : Cu/gal (Ni)Sn
Courant de foudre (10/350 µs) Cugal (Ni)Sn 50 mm² (Rm/Rf) /
INOX 40x10 mm : 1HExIIC 100 kA (sans étincelles) T4
Courant de court-circuit max (AC 50 Hz / DC / 5 s) Cugal (Ni)Sn
50 mm² (Rm/Rf) / INOX 40x10 mm : 1 100 A / T4
Température max de surface T4 : 135°C
Diamètre int. cosse : M10
Section transversale du conducteur : 50 mm²

produit : DEHN
Type: PKS 50 10 CUGALNISN
Référence: 472435
ou équivalent

Certificates

 

Technical data

Matériau Cu /gal (Ni)Sn
Diamètre int. cosse M10
Section du rail transversale max. du conducteur 50 mm2
Remarque : Sans étincelles uniquement lors d’un raccordement avec PAS EX ... !

Product 472435 was added to Notepad.

Product 472435 was added to the cart.

Part No. 472436 PKS 70 10 CUGALNISN

GTIN 4013364470576, Customs tariff No. (EU): 85369010, Gross weight: 68.00 g, PU: 3.00 pièce(s)


Images

Additional information

Cosse de câble à compression DIN 46235 70 mm² M10
Cu/gal Sn avec couche barrière en nickel
Pour éviter la formation de barbe dans la zone Ex, nous recommandons l’utilisation de cosses de câble à compression étamées avec une couche barrière en nickel



Matériau : Cu/gal (Ni)Sn
Courant de foudre (10/350 µs) Cugal (Ni)Sn 70 mm² (Rm/Rf) /
INOX 40x10 mm : 1HExIIC 100 kA (sans étincelles) T4
Courant de court-circuit max (AC 50 Hz / DC / 5 s) Cugal (Ni)Sn
70 mm² (Rm/Rf) / INOX 40x10 mm : 1 100 A / T4
Température max de surface T4 : 135°C
Diamètre int. cosse : M10
Section transversale du conducteur : 70 mm²

produit : DEHN
Type: PKS 70 10 CUGALNISN
Référence: 472436
ou équivalent

Certificates

 

Technical data

Matériau Cu /gal (Ni)Sn
Diamètre int. cosse M10
Section du rail transversale max. du conducteur 70 mm2
Remarque : Sans étincelles uniquement lors d’un raccordement avec PAS EX ... !

Product 472436 was added to Notepad.

Product 472436 was added to the cart.

Part No. 472437 PKS 95 10 CUGALNISN

GTIN 4013364470583, Customs tariff No. (EU): 85369010, Gross weight: 98.00 g, PU: 3.00 pièce(s)


Images

Additional information

Cosse de câble à compression DIN 46235 95 mm² M10
Cu/gal Sn avec couche barrière en nickel
Pour éviter la formation de barbe dans la zone Ex, nous recommandons l’utilisation de cosses de câble à compression étamées avec une couche barrière en nickel



Matériau : Cu/gal (Ni)Sn
Courant de foudre (10/350 µs) Cugal (Ni)Sn 95 mm² (Rm/Rf) /
INOX 40x10 mm : 1HExIIC 100 kA (sans étincelles) T4
Courant de court-circuit max (AC 50 Hz / DC / 5 s) Cugal (Ni)Sn
95 mm² (Rm/Rf) / INOX 40x10 mm : 1 100 A / T4
Température max de surface T4 : 135°C
Diamètre int. cosse : M10
Section transversale du conducteur : 95 mm²

produit : DEHN
Type: PKS 95 10 CUGALNISN
Référence: 472437
ou équivalent

Certificates

 

Technical data

Matériau Cu /gal (Ni)Sn
Diamètre int. cosse M10
Section du rail transversale max. du conducteur 95 mm2
Remarque : Sans étincelles uniquement lors d’un raccordement avec PAS EX ... !

Product 472437 was added to Notepad.

Product 472437 was added to the cart.


back to top