DEHNguard ME/SE DC ... (FM)

  • Parafoudre / parasurtenseur combiné universellement applicable, composé d'une embase et d'un module de protection
  • Concept optimal pour une utilisation dans les circuits DC
  • Dispositif de déconnexion DCD performant permettant de prévenir des incendies provoqués par des arcs électriques DC
  • Utilisation sans fusible amont possible dans certaines installations
  • Indication optique de fonctionnement ou de défaut grâce à un voyant mécanique vert / rouge
  • Remplacement simple et sans outillage du module de protection grâce au système de verrouillage avec touche de déverrouillage

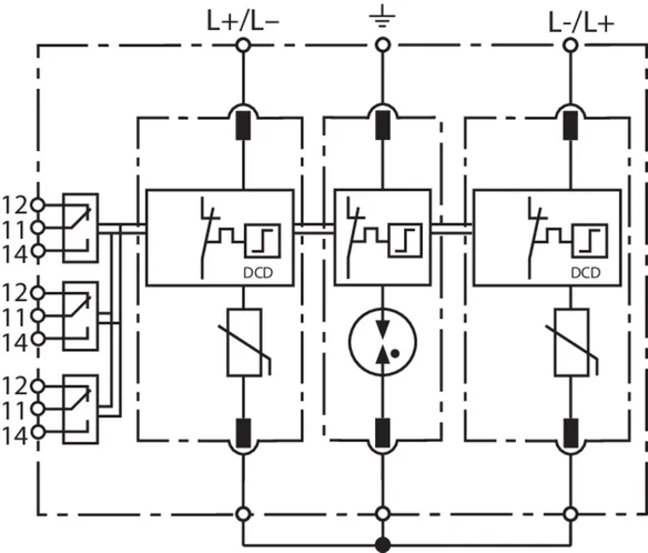
DEHNguard M DC ACI 1250 FM

Parafoudre modulaire pour applications à courant continu ; avec contact sec de télésignalisation.

1 Product

Part No. 972150 DG M DC ACI 1250 FM

GTIN 4013364530850, Customs tariff No. (EU): 85354000, Gross weight: 757.40 g, PU: 1.00 pièce(s)


Images

Additional information

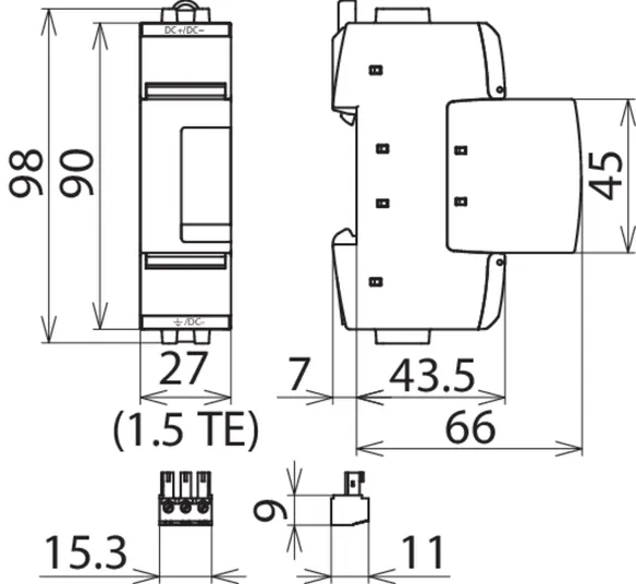
Parafoudre de type 2, DG M DC ACI 1250 FM
Parafoudre modulaire enfichable
pour applications CC, largeur 6 modules
Indicateur de fonctionnement/de défaut
Parafoudre de type 2 selon EN / IEC 61643-41
comprenant une combinaison interrupteur / éclateur
Spécialement conçu pour une utilisation dans des installations de recharge DC jusqu’à 1250 V
Tension continue maximale (+ --> -) : 1250 V DC
Courant nominal de décharge (8/20 µs) : 10 kA
Contact sec de télésignalisation sans potentiel de terre en tant que contact inverseur
Testé contre les vibrations et les chocs selon la norme EN60068
Conforme à la norme IEC 61851-23

produit : DEHN
Type: DG M DC ACI 1250 FM
Référence: 972150
ou équivalent

Certificates

 

ACI-Technology

A further development of CI technology, ACI technology consists of a switch/spark gap combination connected in series with a heavyduty varistor. This ensures the simple design and safe operation of the surge protective device. Other features are safe dimensioning, TOV withstand, a connection cross-section of only 6 mm� Cu and zero leakage current. Surge arresters with ACI technology offer maximum safety and system availability.

Technical data

Classification SPD selon la norme EN 61643-41 / ... IEC 61643-41 Type 2 / Classe II
Tension continue maximale DC [DC+ --> DC-] (UC ) 1250 V
Tension d’utilisation permanente max DC [(DC+/DC-) --> PE] (UC ) 625 V
Courant nominal de décharge (8/20 µs) (In ) 10 kA
Courant nominal de décharge max. (8/20 µs) (Imax ) 20 kA
Niveau de protection [DC+ --> DC-] (UP ) < 5 kV
Niveau de protection [(DC + / DC-) -> PE] (UP ) < 2,5 kV
Force maximale de court-circuit (ISCCR ) 5 kA
Contacts de télésignalisation/Type de contact Inverseur

Product 972150 was added to Notepad.

Product 972150 was added to the cart.


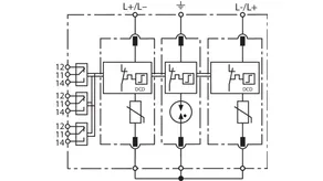
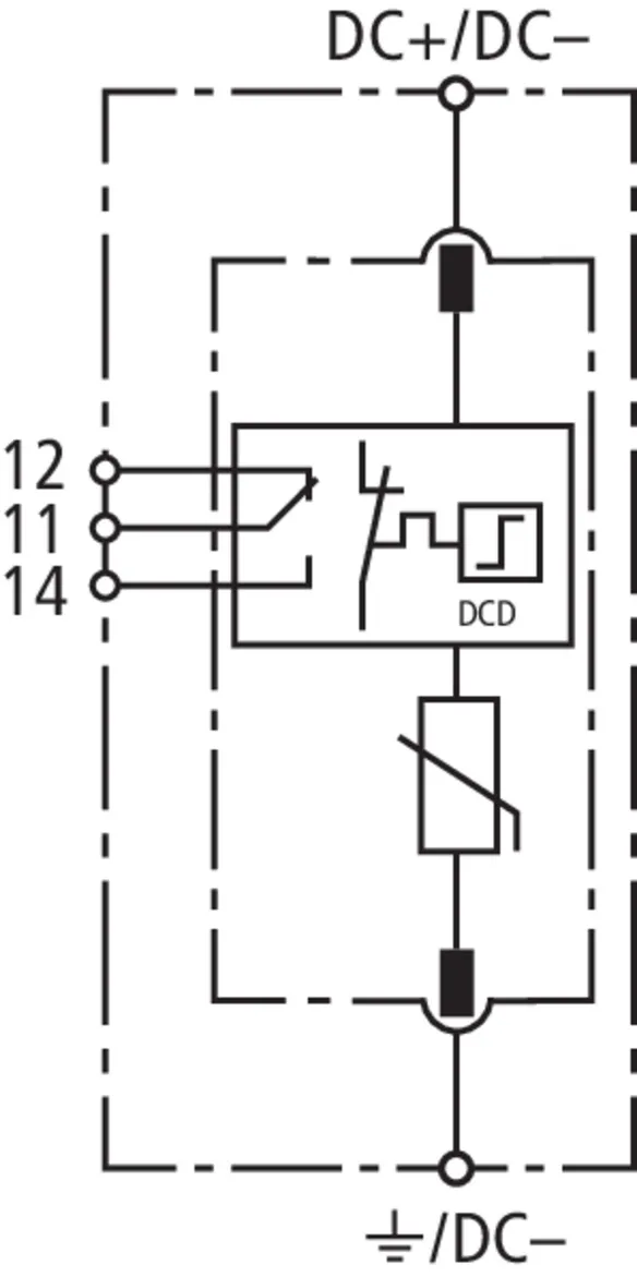
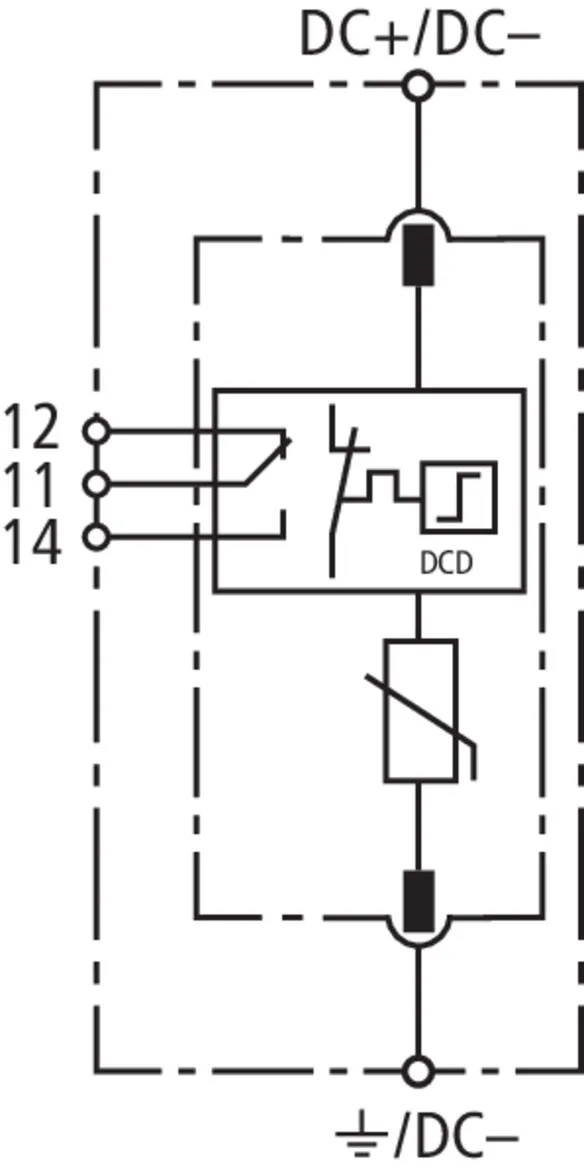
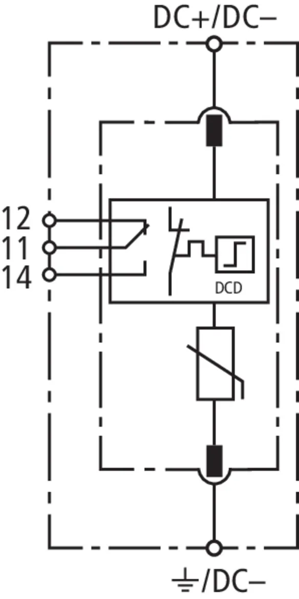
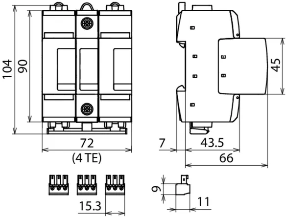
DEHNguard ME DC ... FM

Parafoudre combiné modulaire pour applications CC; avec contact de télécommunication sans potentiel.

1 Product

Part No. 972147 DG ME DC Y 1000 FM

GTIN 4013364519817, Customs tariff No. (EU): 85363030, Gross weight: 530.49 g, PU: 1.00 pièce(s)


Images

Additional information

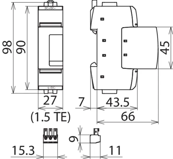
Parafoudre combiné de type 1+2 DEHNguard ME DC Y 1000 FM
Parafoudre combiné enfichable modulaire tripolaire
pour applications à courant continu, largeur 4 modules
Indicateur de fonctionnement/de défaut
Parafoudre de type 1+2 analogue à EN 61643-11, circuit en Y
constitué de la technologie d’éclateur à gaz par varistance sans courant de fuite
Dispositif de commutation CC DCD,
spécialement conçu pour une utilisation dans des circuits CC jusqu’à 1000 V
Tension continue maximale : 1000 V CC
Courant de foudre 5kA (10/350 µs)
Courant nominal de décharge : 12,5 kA (8/20µs)
Contact sec de télésignalisation sans potentiel de terre en tant que contact inverseur
Testé contre les vibrations et les chocs selon la norme EN60068

produit : DEHN
Type: DG ME DC Y 1000 FM
Référence: 972147
ou équivalent

Certificates

 

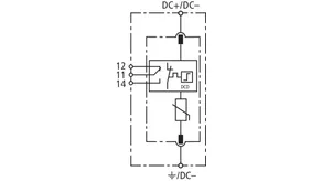
Direct Current-Disconnection

When using surge arresters in d.c. applications, disconnection must be reliably ensured even if there are no zero crossings. The specifically developed DC Disconnection (DCD) technology acts as a wedge similar to a blocking valve and interrupts the direct current. Consequently, the devices of the DEHNguard SE DC series are capable of safely interrupting direct currents, thus preventing fire damage caused by d.c. switching arcs.

Technical data

Courant de foudre (10/350 µs) (Iimp ) 5 kA
Courant nominal de décharge (8/20 µs) (In ) 12,5 kA
Courant nominal de décharge max. (8/20 µs) (Imax ) 20 kA
Niveau de protection [DC+ --> DC-] (UP ) < 3,75 kV
Niveau de protection [(DC + / DC-) -> PE] (UP ) < 2,5 kV
Force maximale de court-circuit (ISCCR ) 5 kA
Contacts de télésignalisation/Type de contact Inverseur

Product 972147 was added to Notepad.

Product 972147 was added to the cart.


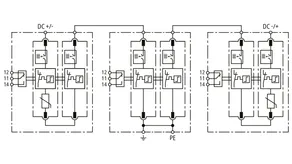
DEHNguard SE DC ...

Parafoudre modulaire, coordonnée et unipolaire pour application DC.

4 Products

Part No. 972110 DG SE DC 60

GTIN 4013364158504, Customs tariff No. (EU): 85363030, Gross weight: 160.00 g, PU: 1.00 pièce(s)


Images

Additional information



produit : DEHN
Type: DG SE DC 60
Référence: 972110
ou équivalent

Certificates

 

Direct Current-Disconnection

When using surge arresters in d.c. applications, disconnection must be reliably ensured even if there are no zero crossings. The specifically developed DC Disconnection (DCD) technology acts as a wedge similar to a blocking valve and interrupts the direct current. Consequently, the devices of the DEHNguard SE DC series are capable of safely interrupting direct currents, thus preventing fire damage caused by d.c. switching arcs.

Technical data

Classification du SPD selon NF EN 61643-11/...CEI 61643-11 Type 2 / Classe II
Tension max. de régime permanent DC (UC ) 60 V
Courant nominal de décharge (8/20 µs) (In ) 12,5 kA
Niveau de protection en tension (UP ) ≤ 0,5 kV
Tenue au courts-circuits sans fusible amont DC (ISCCR ) 300 A
Tenue aux courts-circuits avec protection max. contre les surintensités DC (ISCCR ) 25 kA
Protection max. contre les surintensités 35 A gG

Product 972110 was added to Notepad.

Product 972110 was added to the cart.

Part No. 972120 DG SE DC 242

GTIN 4013364158528, Customs tariff No. (EU): 85363030, Gross weight: 170.00 g, PU: 1.00 pièce(s)


Images

Additional information



produit : DEHN
Type: DG SE DC 242
Référence: 972120
ou équivalent

Certificates

 

Direct Current-Disconnection

When using surge arresters in d.c. applications, disconnection must be reliably ensured even if there are no zero crossings. The specifically developed DC Disconnection (DCD) technology acts as a wedge similar to a blocking valve and interrupts the direct current. Consequently, the devices of the DEHNguard SE DC series are capable of safely interrupting direct currents, thus preventing fire damage caused by d.c. switching arcs.

Technical data

Classification du SPD selon NF EN 61643-11/...CEI 61643-11 Type 2 / Classe II
Tension max. de régime permanent DC (UC ) 242 V
Courant nominal de décharge (8/20 µs) (In ) 12,5 kA
Niveau de protection en tension (UP ) ≤ 1,25 kV
Tenue au courts-circuits sans fusible amont DC (ISCCR ) 300 A
Tenue aux courts-circuits avec protection max. contre les surintensités DC (ISCCR ) 25 kA
Protection max. contre les surintensités 35 A gG

Product 972120 was added to Notepad.

Product 972120 was added to the cart.

Part No. 972130 DG SE DC 550

GTIN 4013364158627, Customs tariff No. (EU): 85363030, Gross weight: 184.00 g, PU: 1.00 pièce(s)


Images

Additional information

Parafoudre DEHNguard SE DC 550
Parafoudre unipolaire modulaire et enfichable
Pour application DC, largeur: 1,5 modules
Indication de défaut
Type 2 SPD selon EN 61643-11
Technologie de varistance robuste
DCD d.c. dispositif de commutation spécifiquement destiné à être utilisé en continu circuits
Max. tension de fonctionnement continue: 550 V d.c.
Niveau de protection de tension: <= 2.0 kV
Courant de décharge nominal: 12,5 kA
Force de court-circuit en cas de
max. protection contre les surintensités côté réseau (d.c.): 2000 A
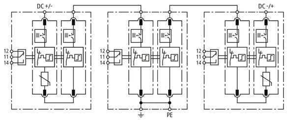
Energie coordonnée selon IEC 62305-4
avec parafoudres de la série Red / Line

produit : DEHN
Type: DG SE DC 550
Référence: 972130
ou équivalent

Certificates

 

Direct Current-Disconnection

When using surge arresters in d.c. applications, disconnection must be reliably ensured even if there are no zero crossings. The specifically developed DC Disconnection (DCD) technology acts as a wedge similar to a blocking valve and interrupts the direct current. Consequently, the devices of the DEHNguard SE DC series are capable of safely interrupting direct currents, thus preventing fire damage caused by d.c. switching arcs.

Technical data

Classification du SPD selon NF EN 61643-11/...CEI 61643-11 Type 2 / Classe II
Tension max. de régime permanent DC (UC ) 550 V
Courant nominal de décharge (8/20 µs) (In ) 12,5 kA
Niveau de protection en tension (UP ) ≤ 2,0 kV
Tenue au courts-circuits sans fusible amont DC (ISCCR ) 200 A
Tenue aux courts-circuits avec protection max. contre les surintensités DC (ISCCR ) 25 kA
Protection max. contre les surintensités 35 A gG

Product 972130 was added to Notepad.

Product 972130 was added to the cart.

Part No. 972140 DG SE DC 900

GTIN 4013364158641, Customs tariff No. (EU): 85363030, Gross weight: 190.00 g, PU: 1.00 pièce(s)


Images

Additional information



produit : DEHN
Type: DG SE DC 900
Référence: 972140
ou équivalent

Certificates

 

Direct Current-Disconnection

When using surge arresters in d.c. applications, disconnection must be reliably ensured even if there are no zero crossings. The specifically developed DC Disconnection (DCD) technology acts as a wedge similar to a blocking valve and interrupts the direct current. Consequently, the devices of the DEHNguard SE DC series are capable of safely interrupting direct currents, thus preventing fire damage caused by d.c. switching arcs.

Technical data

Classification du SPD selon NF EN 61643-11/...CEI 61643-11 Type 2 / Classe II
Tension max. de régime permanent DC (UC ) 900 V
Courant nominal de décharge (8/20 µs) (In ) 12,5 kA
Niveau de protection en tension (UP ) ≤ 3,0 kV
Tenue au courts-circuits sans fusible amont DC (ISCCR ) 100 A
Tenue aux courts-circuits avec protection max. contre les surintensités DC (ISCCR ) 25 kA
Protection max. contre les surintensités 80 A gPV

Product 972140 was added to Notepad.

Product 972140 was added to the cart.


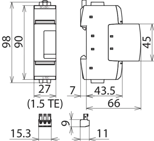
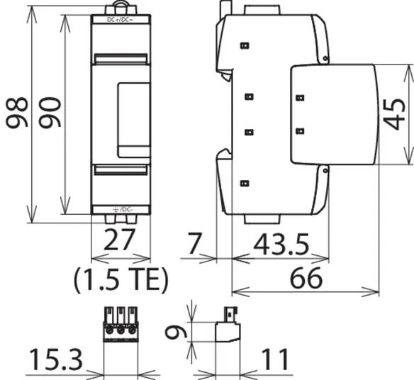
DEHNguard SE DC ... FM

Parafoudre modulaire et unipolaire pour applications à courant continu ; avec contact sec de télésignalisation.

4 Products

Part No. 972115 DG SE DC 60 FM

GTIN 4013364158511, Customs tariff No. (EU): 85363030, Gross weight: 164.00 g, PU: 1.00 pièce(s)


Images

Additional information



produit : DEHN
Type: DG SE DC 60 FM
Référence: 972115
ou équivalent

Certificates

 

Direct Current-Disconnection

When using surge arresters in d.c. applications, disconnection must be reliably ensured even if there are no zero crossings. The specifically developed DC Disconnection (DCD) technology acts as a wedge similar to a blocking valve and interrupts the direct current. Consequently, the devices of the DEHNguard SE DC series are capable of safely interrupting direct currents, thus preventing fire damage caused by d.c. switching arcs.

Technical data

Classification du SPD selon NF EN 61643-11/...CEI 61643-11 Type 2 / Classe 2
Tension max. de régime permanent DC (UC ) 60 V
Courant nominal de décharge (8/20 µs) (In ) 12,5 kA
Niveau de protection en tension (UP ) ≤ 0,5 kV
Tenue au courts-circuits sans fusible amont DC (ISCCR ) 300 A
Tenue aux courts-circuits avec protection max. contre les surintensités DC (ISCCR ) 25 kA
Protection max. contre les surintensités 35 A gG
Contacts de télésignalisation/Type de contact inverseur

Product 972115 was added to Notepad.

Product 972115 was added to the cart.

Part No. 972125 DG SE DC 242 FM

GTIN 4013364158610, Customs tariff No. (EU): 85363030, Gross weight: 174.00 g, PU: 1.00 pièce(s)


Images

Additional information



produit : DEHN
Type: DG SE DC 242 FM
Référence: 972125
ou équivalent

Certificates

 

Direct Current-Disconnection

When using surge arresters in d.c. applications, disconnection must be reliably ensured even if there are no zero crossings. The specifically developed DC Disconnection (DCD) technology acts as a wedge similar to a blocking valve and interrupts the direct current. Consequently, the devices of the DEHNguard SE DC series are capable of safely interrupting direct currents, thus preventing fire damage caused by d.c. switching arcs.

Technical data

Classification du SPD selon NF EN 61643-11/...CEI 61643-11 Type 2 / Classe II
Tension max. de régime permanent DC (UC ) 242 V
Courant nominal de décharge (8/20 µs) (In ) 12,5 kA
Niveau de protection en tension (UP ) ≤ 1,25 kV
Tenue au courts-circuits sans fusible amont DC (ISCCR ) 300 A
Tenue aux courts-circuits avec protection max. contre les surintensités DC (ISCCR ) 25 kA
Protection max. contre les surintensités 35 A gG
Contacts de télésignalisation/Type de contact inverseur

Product 972125 was added to Notepad.

Product 972125 was added to the cart.

Part No. 972135 DG SE DC 550 FM

GTIN 4013364158634, Customs tariff No. (EU): 85363030, Gross weight: 189.00 g, PU: 1.00 pièce(s)


Images

Additional information



produit : DEHN
Type: DG SE DC 550 FM
Référence: 972135
ou équivalent

Certificates

 

Direct Current-Disconnection

When using surge arresters in d.c. applications, disconnection must be reliably ensured even if there are no zero crossings. The specifically developed DC Disconnection (DCD) technology acts as a wedge similar to a blocking valve and interrupts the direct current. Consequently, the devices of the DEHNguard SE DC series are capable of safely interrupting direct currents, thus preventing fire damage caused by d.c. switching arcs.

Technical data

Classification du SPD selon NF EN 61643-11/...CEI 61643-11 Type 2 / Classe II
Tension max. de régime permanent DC (UC ) 550 V
Courant nominal de décharge (8/20 µs) (In ) 12,5 kA
Niveau de protection en tension (UP ) ≤ 2,0 kV
Tenue au courts-circuits sans fusible amont DC (ISCCR ) 200 A
Tenue aux courts-circuits avec protection max. contre les surintensités DC (ISCCR ) 25 kA
Protection max. contre les surintensités 35 A gG
Contacts de télésignalisation/Type de contact inverseur

Product 972135 was added to Notepad.

Product 972135 was added to the cart.

Part No. 972145 DG SE DC 900 FM

GTIN 4013364158658, Customs tariff No. (EU): 85363030, Gross weight: 194.00 g, PU: 1.00 pièce(s)


Images

Additional information



produit : DEHN
Type: DG SE DC 900 FM
Référence: 972145
ou équivalent

Certificates

 

Direct Current-Disconnection

When using surge arresters in d.c. applications, disconnection must be reliably ensured even if there are no zero crossings. The specifically developed DC Disconnection (DCD) technology acts as a wedge similar to a blocking valve and interrupts the direct current. Consequently, the devices of the DEHNguard SE DC series are capable of safely interrupting direct currents, thus preventing fire damage caused by d.c. switching arcs.

Technical data

Classification du SPD selon NF EN 61643-11/...CEI 61643-11 Type 2 / Classe II
Tension max. de régime permanent DC (UC ) 900 V
Courant nominal de décharge (8/20 µs) (In ) 12,5 kA
Niveau de protection en tension (UP ) ≤ 3,0 kV
Tenue au courts-circuits sans fusible amont DC (ISCCR ) 100 A
Tenue aux courts-circuits avec protection max. contre les surintensités DC (ISCCR ) 25 kA
Protection max. contre les surintensités 80 A gPV
Contacts de télésignalisation/Type de contact inverseur

Product 972145 was added to Notepad.

Product 972145 was added to the cart.


back to top