Têtes de frappe pour piquets de terre tubulaires
                        
                        
                            
                        Details
                                
                                    
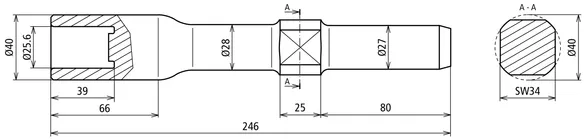
                                Part No. 648005 HE RE 25 R27 VH WN STBLANK
GTIN 4013364129160, Customs tariff No. (EU): 82079099, Gross weight: 1.46 kg, PU: 1.00 pièce(s)
Technical data
| Type | EH 22/400, EH 23/230, EH 24/042/200, BH 23 et BHF 30 | 
| Logement | rond Ø27 x 80 mm | 
| Matériau | St/nu | 
| Perçage (d1 x l1) | 25,6 x 39 mm | 
| Longueur | 246 mm | 
| Diamètre - piquet | 25 mm | 
| Type - piquet de terre | RE | 
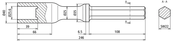
Part No. 648007 HE RE 25 SW22 VH AC STBLANK
GTIN 4013364129177, Customs tariff No. (EU): 82079099, Gross weight: 1.46 kg, PU: 1.00 pièce(s)
Technical data
| Type | Cobra 149+248 und Pionjär 120+130 | 
| Logement | hexagonal SW22 x 108 mm | 
| Matériau | St/nu | 
| Perçage (d1 x l1) | 25,6 x 39 mm | 
| Longueur | 246 mm | 
| Diamètre - piquet | 25 mm | 
| Type - piquet de terre | RE | 
Part No. 648009 HE RE 25 SDS MAX VH STBLANK
GTIN 4013364315501, Customs tariff No. (EU): 82079099, Gross weight: 973.00 g, PU: 1.00 pièce(s)
Technical data
| Type | marteaux à percussion, types SDS-max | 
| Logement | rond Ø18 x 175 mm | 
| Matériau | St/nu | 
| Perçage (d1 x l1) | 25,6 x 39 mm | 
| Longueur | 260 mm | 
| Diamètre - piquet | 25 mm | 
| Type - piquet de terre | RE | 
| Remarque: Il est recommandé d'utiliser un marteau avec une force d'impact minimale de 26 joules. La profondeur maximale de pénétration dépend des conditions du sol. | |
Part No. 648029 HE RE 25 SW28 VH BO STBLANK
GTIN 4013364236059, Customs tariff No. (EU): 82079099, Gross weight: 1.60 kg, PU: 1.00 pièce(s)
Technical data
| Type | GSH 27, GSH 27 VC, Module 3000 AVR (jusqu’au modèle 2021), K 2628 H | 
| Logement | hexagonal SW28 | 
| Matériau | St/nu | 
| Perçage (d1 x l1) | 25,6 x 39 mm | 
| Longueur | 266 mm | 
| Diamètre - piquet | 25 mm | 
| Type - piquet de terre | RE | 
Part No. 648031 HE RE 25 TES VH HI STBLANK
GTIN 4013364293182, Customs tariff No. (EU): 82079099, Gross weight: 1.51 kg, PU: 1.00 pièce(s)
Technical data
| Type | marteaux à percussion, types TE-S | 
| Logement | Hilti TE-S | 
| Matériau | St/nu | 
| Perçage (d1 x l1) | 25,6 x 39 mm | 
| Longueur | 280 mm | 
| Diamètre - piquet | 25 mm | 
| Type - piquet de terre | RE |