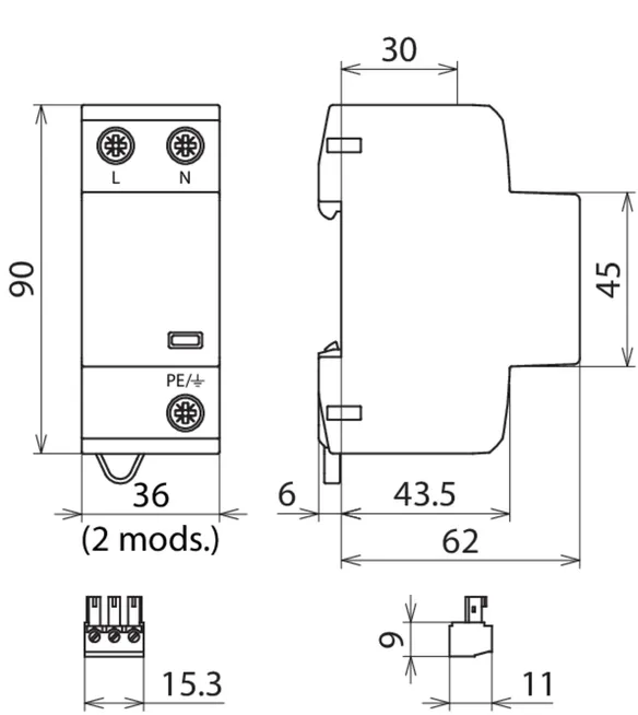
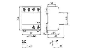
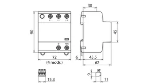
DEHNshield

  • Parafoudre compact combiné de type 1 + type 2, multipolaire et prêt au raccordement, à base d'éclateurs à air
  • Technologie à base d'éclateurs à air sans soufflage d'arc avec un seul module / pôle ; version compacte et peu encombrante
  • Selon les exigences minimales concernant la capacité d'écoulement d'un impact de foudre (VDE 0100-534)
  • Permet un équilibrage de potentiel dans la protection contre la foudre et protège les équipements terminaux
  • Capacité d'écoulement jusqu'à 50 kA (10/350 µs)
  • Indication optique de fonctionnement/défaut grâce à un voyant vert/rouge
  • Haute capacité d'extinction du courant de suite (Ifi = 25 kAeff)

Details

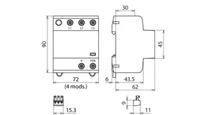
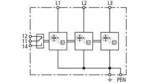
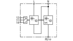
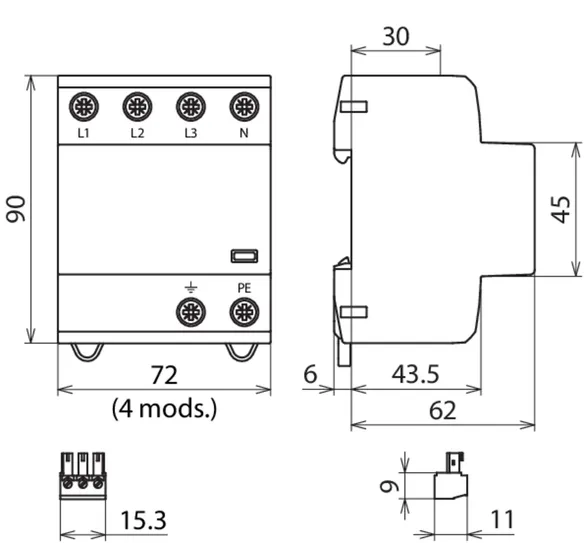
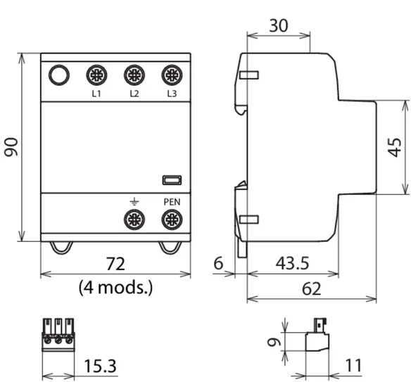
Câblage en V avec borne de raccordement mâle STAK 25 résistant au courant de foudre.
lorem ipsum

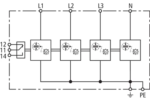
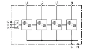
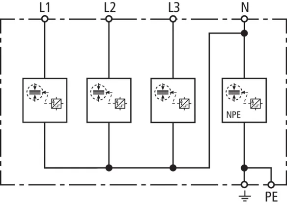
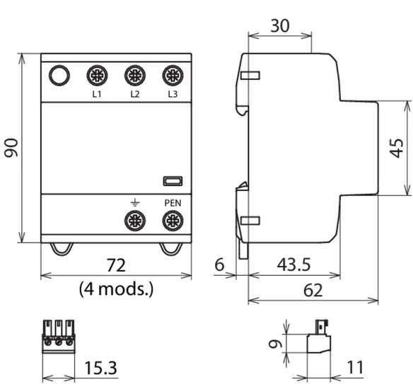
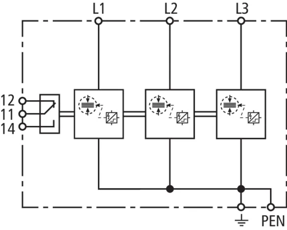
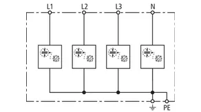
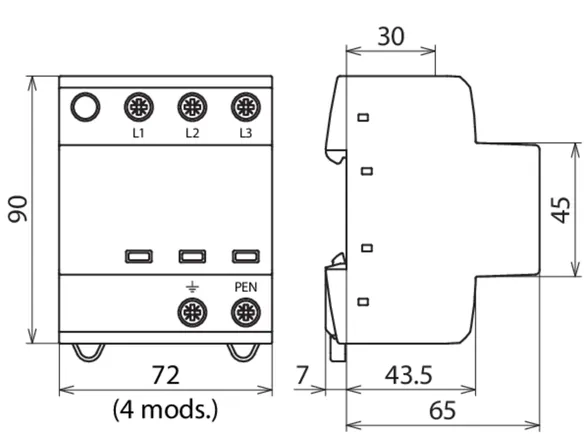
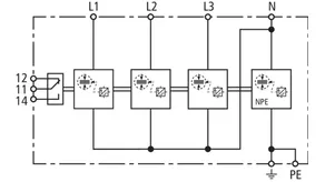
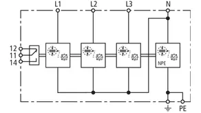
DEHNshield TNC

Parafoudre compact combiné, prêt au raccordement, pour le système TN-C avec une tension nominale de 230 / 400 V (mode de connexion 3 + 0).

1 Product

Part No. 941300 DSH TNC 255

GTIN 4013364133556, Customs tariff No. (EU): 85363090, Gross weight: 415.80 g, PU: 1.00 pièce(s)


Images

Additional information



produit : DEHN
Type: DSH TNC 255
Référence: 941300
ou équivalent

Certificates

 

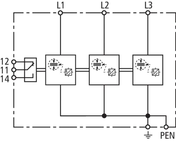
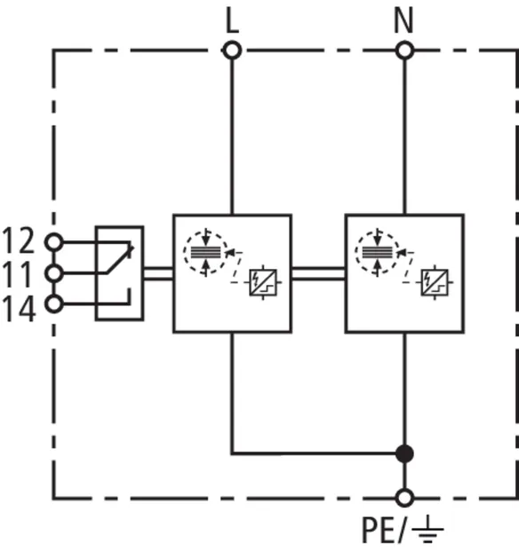
Wave breaker function

In the case of spark-gap-based type 1 arresters, the entire current flows through the type 1 arrester during the discharge process. Like a wave breaker, the incoming energy is greatly broken down, which significantly relieves the downstream SPDs. All type 1 arresters in the Red/Line product range feature the WBF wave breaker function.

Technical data

SPD selon NF EN 61643-11 / ... CEI 61643-11 Type 1 + Type 2 / Classe I + Classe II
Tension max. de régime permanent AC (UC ) 255 V (50/60 Hz)
Courant de choc de décharge (10/350 µs) [L1+L2+L3 -PEN] (Itotal ) 37,5 kA
Courant de foudre (10/350 µs) [L-PEN] (Iimp ) 12,5 kA
Niveau de protection en tension (UP ) ≤ 1,5 kV
Protection max. contre les surintensités 160 A gG
Certifications KEMA, VDE, UL

Product 941300 was added to Notepad.

Product 941300 was added to the cart.


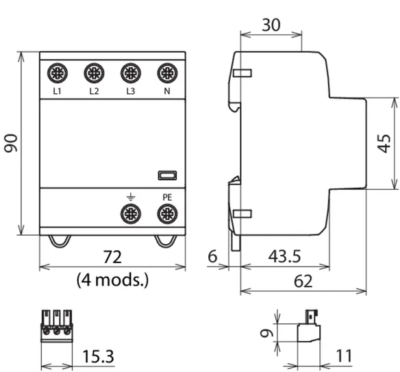
DEHNshield TNC FM

Parafoudre compact combiné, prêt au raccordement, pour le système TN-C avec une tension nominale de 230 / 400 V (mode de connexion 3 + 0) ; avec contact sec de télésignalisation.

1 Product

Part No. 941305 DSH TNC 255 FM

GTIN 4013364275317, Customs tariff No. (EU): 85363090, Gross weight: 420.60 g, PU: 1.00 pièce(s)


Images

Additional information



produit : DEHN
Type: DSH TNC 255 FM
Référence: 941305
ou équivalent

Certificates

 

Wave breaker function

In the case of spark-gap-based type 1 arresters, the entire current flows through the type 1 arrester during the discharge process. Like a wave breaker, the incoming energy is greatly broken down, which significantly relieves the downstream SPDs. All type 1 arresters in the Red/Line product range feature the WBF wave breaker function.

Technical data

SPD selon NF EN 61643-11 / ... CEI 61643-11 Type 1 + Type 2 / Classe I + Classe II
Tension max. de régime permanent AC (UC ) 255 V (50/60 Hz)
Courant de choc de décharge (10/350 µs) [L1+L2+L3 -PEN] (Itotal ) 37,5 kA
Courant de foudre (10/350 µs) [L-PEN] (Iimp ) 12,5 kA
Niveau de protection en tension (UP ) ≤ 1,5 kV
Protection max. contre les surintensités 160 A gG
Certifications KEMA, VDE
Contacts de télésignalisation/Type de contact Inverseur

Product 941305 was added to Notepad.

Product 941305 was added to the cart.


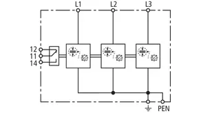
DEHNshield TNC Basic FM

Parafoudre compact combiné, prêt au raccordement, pour le système TN-C ; avec contact sec de télésignalisation.

1 Product

Part No. 941306 DSH B TNC 255 FM

GTIN 4013364328068, Customs tariff No. (EU): 85363090, Gross weight: 422.00 g, PU: 1.00 pièce(s)


Images

Additional information

Parafoudre combiné DEHNshield B TNC 255 FM
Parafoudre combiné à 3 pôles pour des systèmes 230/400 V- TN C, largeur 4 modules
Avec contact de signalisation à distance
Parafoudre type 1 + 2 selon la norme EN 61643-11
Satisfait à toutes les exigences de la norme DIN VDE 0100-534 et DIN VDE 0100-443
La technologie éclateur avec limitation du courant
Indication de défaut
Tension continue maximale 255 V AC
Niveau de protection: <= 1.5 kV
Courant de choc contre la foudre (10/350): 22.5 kA
Coordination de l'énergie selon la norme DIN EN 62305-4
Parafoudre de la famille RED/Line

produit : DEHN
Type: DSH B TNC 255 FM
Référence: 941306
ou équivalent

Certificates

 

Wave breaker function

In the case of spark-gap-based type 1 arresters, the entire current flows through the type 1 arrester during the discharge process. Like a wave breaker, the incoming energy is greatly broken down, which significantly relieves the downstream SPDs. All type 1 arresters in the Red/Line product range feature the WBF wave breaker function.

Technical data

SPD selon NF EN 61643-11 / ... CEI 61643-11 Type 1 + Type 2 / Classe I + Classe II
Tension max. de régime permanent AC (UC ) 255 V (50/60 Hz)
Courant de choc de décharge (10/350 µs) [L1+L2+L3 -PEN] (Itotal ) 22,5 kA
Courant de foudre (10/350 µs) [L-PEN] (Iimp ) 7,5 kA
Niveau de protection en tension (UP ) ≤ 1,5 kV
Protection max. contre les surintensités 160 A gG
Certifications VDE
Contacts de télésignalisation/Type de contact Inverseur

Product 941306 was added to Notepad.

Product 941306 was added to the cart.


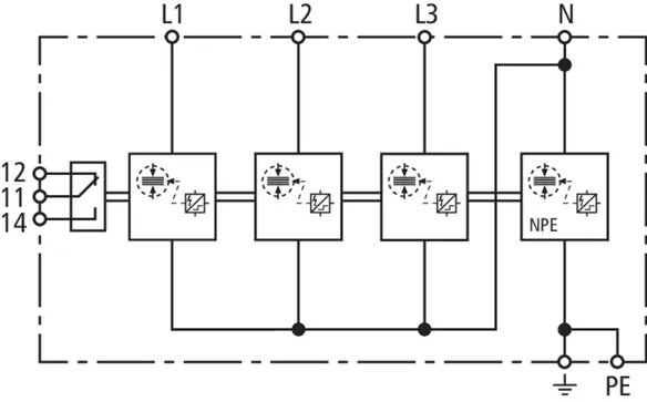
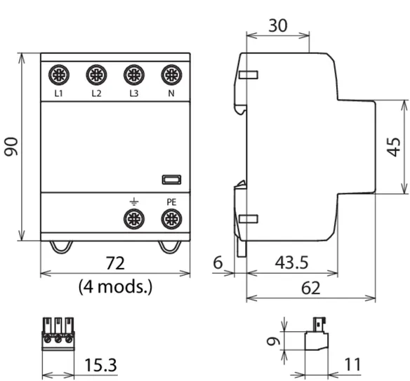
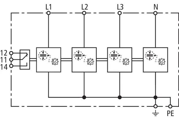
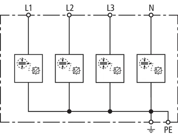
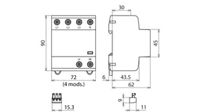
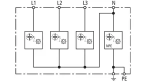
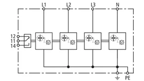
DEHNshield TNS

Parafoudre compact combiné, prêt au raccordement, pour le système TN-S avec une tension nominale de 230 / 400 V (mode de connexion 4 + 0).

1 Product

Part No. 941400 DSH TNS 255

GTIN 4013364133563, Customs tariff No. (EU): 85363090, Gross weight: 555.00 g, PU: 1.00 pièce(s)


Images

Additional information



produit : DEHN
Type: DSH TNS 255
Référence: 941400
ou équivalent

Certificates

 

Wave breaker function

In the case of spark-gap-based type 1 arresters, the entire current flows through the type 1 arrester during the discharge process. Like a wave breaker, the incoming energy is greatly broken down, which significantly relieves the downstream SPDs. All type 1 arresters in the Red/Line product range feature the WBF wave breaker function.

Technical data

SPD selon NF EN 61643-11 / ... CEI 61643-11 Type 1 + Type 2 / Classe I + Classe II
Tension max. de régime permanent AC (UC ) 255 V (50/60 Hz)
Courant de choc de décharge (10/350 µs) [L1+L2+L3+N-PE] (Itotal ) 50 kA
Courant de foudre (10/350 µs) [L, N-PE] (Iimp ) 12,5 kA
Niveau de protection en tension [L-PE]/[N-PE] (UP ) ≤ 1,5 / ≤ 1,5 kV
Protection max. contre les surintensités 160 A gG
Certifications KEMA, VDE, UL

Product 941400 was added to Notepad.

Product 941400 was added to the cart.


DEHNshield TNS FM

Parafoudre compact combiné, prêt au raccordement, pour le système TN-S avec une tension nominale de 230 / 400 V (mode de connexion 4 + 0) ; avec contact sec de télésignalisation.

1 Product

Part No. 941405 DSH TNS 255 FM

GTIN 4013364275331, Customs tariff No. (EU): 85363090, Gross weight: 488.30 g, PU: 1.00 pièce(s)


Images

Additional information



produit : DEHN
Type: DSH TNS 255 FM
Référence: 941405
ou équivalent

Certificates

 

Wave breaker function

In the case of spark-gap-based type 1 arresters, the entire current flows through the type 1 arrester during the discharge process. Like a wave breaker, the incoming energy is greatly broken down, which significantly relieves the downstream SPDs. All type 1 arresters in the Red/Line product range feature the WBF wave breaker function.

Technical data

SPD selon NF EN 61643-11 / ... CEI 61643-11 Type 1 + Type 2 / Classe I + Classe II
Tension max. de régime permanent AC (UC ) 255 V (50/60 Hz)
Courant de choc de décharge (10/350 µs) [L1+L2+L3+N-PE] (Itotal ) 50 kA
Courant de foudre (10/350 µs) [L, N-PE] (Iimp ) 12,5 kA
Niveau de protection en tension [L-PE]/[N-PE] (UP ) ≤ 1,5 / ≤ 1,5 kV
Protection max. contre les surintensités 160 A gG
Certifications KEMA, VDE
Contacts de télésignalisation/Type de contact Inverseur

Product 941405 was added to Notepad.

Product 941405 was added to the cart.


DEHNshield TNS Basic FM

Parafoudre compact combiné, prêt au raccordement, pour les régimes TN-S ; avec contact sec de télésignalisation.

1 Product

Part No. 941406 DSH B TNS 255 FM

GTIN 4013364328082, Customs tariff No. (EU): 85363090, Gross weight: 489.00 g, PU: 1.00 pièce(s)


Images

Additional information



produit : DEHN
Type: DSH B TNS 255 FM
Référence: 941406
ou équivalent

Certificates

 

Wave breaker function

In the case of spark-gap-based type 1 arresters, the entire current flows through the type 1 arrester during the discharge process. Like a wave breaker, the incoming energy is greatly broken down, which significantly relieves the downstream SPDs. All type 1 arresters in the Red/Line product range feature the WBF wave breaker function.

Technical data

SPD selon NF EN 61643-11 / ... CEI 61643-11 Type 1 + Type 2 / Classe I + Classe II
Tension max. de régime permanent AC (UC ) 255 V (50/60 Hz)
Courant de choc de décharge (10/350 µs) [L1+L2+L3+N-PE] (Itotal ) 30 kA
Courant de foudre (10/350 µs) [L, N-PE] (Iimp ) 7,5 kA
Niveau de protection en tension [L-PE]/[N-PE] (UP ) ≤ 1,5/≤ 1,5 kV
Protection max. contre les surintensités 160 A gG
Certifications VDE
Contacts de télésignalisation/Type de contact Inverseur

Product 941406 was added to Notepad.

Product 941406 was added to the cart.


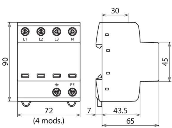
DEHNshield TT

Parafoudre compact combiné, prêt au raccordement, pour les systèmes TT et TN avec une tension nominale de 230 / 400 V (mode de connexion 3 + 1).

1 Product

Part No. 941310 DSH TT 255

GTIN 4013364131798, Customs tariff No. (EU): 85363090, Gross weight: 509.90 g, PU: 1.00 pièce(s)


Images

Additional information



produit : DEHN
Type: DSH TT 255
Référence: 941310
ou équivalent

Certificates

 

Wave breaker function

In the case of spark-gap-based type 1 arresters, the entire current flows through the type 1 arrester during the discharge process. Like a wave breaker, the incoming energy is greatly broken down, which significantly relieves the downstream SPDs. All type 1 arresters in the Red/Line product range feature the WBF wave breaker function.

Technical data

SPD selon NF EN 61643-11 / ... CEI 61643-11 Type 1 + Type 2 / Classe I + Classe II
Tension max. de régime permanent AC (UC ) 255 V (50/60 Hz)
Courant de choc de décharge (10/350 µs) [L1+L2+L3+N-PE] (Itotal ) 50 kA
Courant de foudre (10/350 µs) [L-N]/[N-PE] (Iimp ) 12,5/50 kA
Niveau de protection en tension [L-N]/[N-PE] (UP ) ≤ 1,5 / ≤ 1,5 kV
Protection max. contre les surintensités 160 A gG
Certifications KEMA, VDE, UL
Caractéristiques techniques supplémentaires : ---------------------------------
Niveau de protection [L-PE] (UP ) 2.0 kV

Product 941310 was added to Notepad.

Product 941310 was added to the cart.


DEHNshield TT FM

Parafoudre compact combiné, prêt au raccordement, pour les systèmes TT et TN-S avec une tension nominale de 230 / 400 V (mode de connexion 3 + 1) ; avec contact sec de télésignalisation.

1 Product

Part No. 941315 DSH TT 255 FM

GTIN 4013364275324, Customs tariff No. (EU): 85363090, Gross weight: 508.80 g, PU: 1.00 pièce(s)


Images

Additional information



produit : DEHN
Type: DSH TT 255 FM
Référence: 941315
ou équivalent

Certificates

 

Wave breaker function

In the case of spark-gap-based type 1 arresters, the entire current flows through the type 1 arrester during the discharge process. Like a wave breaker, the incoming energy is greatly broken down, which significantly relieves the downstream SPDs. All type 1 arresters in the Red/Line product range feature the WBF wave breaker function.

Technical data

SPD selon NF EN 61643-11 / ... CEI 61643-11 Type 1 + Type 2 / Classe I + Classe II
Tension max. de régime permanent AC (UC ) 255 V (50/60 Hz)
Courant de choc de décharge (10/350 µs) [L1+L2+L3+N-PE] (Itotal ) 50 kA
Courant de foudre (10/350 µs) [L-N]/[N-PE] (Iimp ) 12,5/50 kA
Niveau de protection en tension [L-N]/[N-PE] (UP ) ≤ 1,5 / ≤ 1,5 kV
Protection max. contre les surintensités 160 A gG
Certifications KEMA, VDE
Contacts de télésignalisation/Type de contact Inverseur
Caractéristiques techniques supplémentaires : ---------------------------------
Niveau de protection [L-PE] (UP ) 2.0 kV

Product 941315 was added to Notepad.

Product 941315 was added to the cart.


DEHNshield TT Basic FM

Parafoudre combiné prêt au raccordement et optimisé pour l’application pour les systèmes TT et TN à utiliser dans les systèmes de distribution principaux (circuit 3+1) dans les bâtiments d’habitation sans protection externe contre la foudre (également avec alimentation par ligne aérienne) ; avec contact sec de télésignalisation.

1 Product

Part No. 941316 DSH B TT 255 FM

GTIN 4013364328075, Customs tariff No. (EU): 85363090, Gross weight: 510.00 g, PU: 1.00 pièce(s)


Images

Additional information



produit : DEHN
Type: DSH B TT 255 FM
Référence: 941316
ou équivalent

Certificates

 

Wave breaker function

In the case of spark-gap-based type 1 arresters, the entire current flows through the type 1 arrester during the discharge process. Like a wave breaker, the incoming energy is greatly broken down, which significantly relieves the downstream SPDs. All type 1 arresters in the Red/Line product range feature the WBF wave breaker function.

Technical data

SPD selon NF EN 61643-11 / ... CEI 61643-11 Type 1 + Type 2 / Classe I + Classe II
Tension max. de régime permanent AC (UC ) 255 V (50/60 Hz)
Courant de choc de décharge (10/350 µs) [L1+L2+L3+N-PE] (Itotal ) 30 kA
Courant de foudre (10/350 µs) [L-N]/[N-PE] (Iimp ) 7,5 / 30 kA
Niveau de protection en tension [L-N]/[N-PE] (UP ) ≤ 1,5/≤ 1,5 kV
Protection max. contre les surintensités 160 A gG
Certifications VDE
Contacts de télésignalisation/Type de contact Inverseur
Caractéristiques techniques supplémentaires : ---------------------------------
Niveau de protection [L-PE] (UP ) 2.0 kV

Product 941316 was added to Notepad.

Product 941316 was added to the cart.


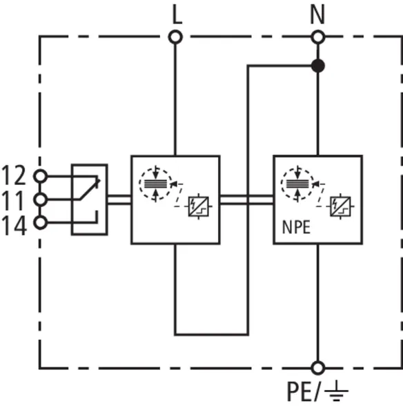
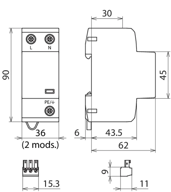
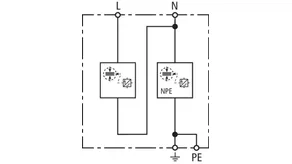
DEHNshield TN

Parafoudre compact combiné, prêt au raccordement, pour le système uniphasé TN avec une tension nominale de 230 V (mode de connexion 2 + 0).

1 Product

Part No. 941200 DSH TN 255

GTIN 4013364138209, Customs tariff No. (EU): 85363090, Gross weight: 266.00 g, PU: 1.00 pièce(s)


Images

Additional information



produit : DEHN
Type: DSH TN 255
Référence: 941200
ou équivalent

Certificates

 

Wave breaker function

In the case of spark-gap-based type 1 arresters, the entire current flows through the type 1 arrester during the discharge process. Like a wave breaker, the incoming energy is greatly broken down, which significantly relieves the downstream SPDs. All type 1 arresters in the Red/Line product range feature the WBF wave breaker function.

Technical data

SPD selon NF EN 61643-11 / ... CEI 61643-11 Type 1 + Type 2 / Classe I + Classe II
Tension max. de régime permanent AC (UC ) 255 V (50/60 Hz)
Courant de foudre (10/350 µs) [L+N-PE] (Itotal ) 25 kA
Courant de foudre (10/350 µs) [L, N-PE] (Iimp ) 12,5 kA
Niveau de protection en tension [L-PE]/[N-PE] (UP ) ≤ 1,5 / ≤ 1,5 kV
Protection max. contre les surintensités 160 A gG
Certifications KEMA, VDE, UL

Product 941200 was added to Notepad.

Product 941200 was added to the cart.


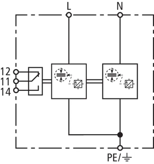
DEHNshield TN FM

Parafoudre compact combiné, prêt au raccordement, pour le système uniphasé TN avec une tension nominale de 230 V (mode de connexion 2 + 0) ; avec contact sec de télésignalisation.

1 Product

Part No. 941205 DSH TN 255 FM

GTIN 4013364289185, Customs tariff No. (EU): 85363090, Gross weight: 276.00 g, PU: 1.00 pièce(s)


Images

Additional information



produit : DEHN
Type: DSH TN 255 FM
Référence: 941205
ou équivalent

Certificates

 

Wave breaker function

In the case of spark-gap-based type 1 arresters, the entire current flows through the type 1 arrester during the discharge process. Like a wave breaker, the incoming energy is greatly broken down, which significantly relieves the downstream SPDs. All type 1 arresters in the Red/Line product range feature the WBF wave breaker function.

Technical data

SPD selon NF EN 61643-11 / ... CEI 61643-11 Type 1 + Type 2 / Classe I + Classe II
Tension max. de régime permanent AC (UC ) 255 V (50/60 Hz)
Courant de foudre (10/350 µs) [L+N-PE] (Itotal ) 25 kA
Courant de foudre (10/350 µs) [L, N-PE] (Iimp ) 12,5 kA
Niveau de protection en tension [L-PE]/[N-PE] (UP ) ≤ 1,5 / ≤ 1,5 kV
Protection max. contre les surintensités 160 A gG
Certifications KEMA, VDE
Contacts de télésignalisation/Type de contact Inverseur

Product 941205 was added to Notepad.

Product 941205 was added to the cart.


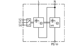
DEHNshield TN Basic FM

Parafoudre combiné prêcâblé pour systèmes TN monophasés; avec un contact de télécommunications sans potentiel.

1 Product

Part No. 941206 DSH B TN 255 FM

GTIN 4013364373839, Customs tariff No. (EU): 85363090, Gross weight: 276.00 g, PU: 1.00 pièce(s)


Images

Additional information

Parafoudre DEHNshield B TN 255 FM
Parafoudre combiné bipolaire pour systèmes TN 230/400 V
Largeur 2TE, avec contact de signalisation à distance
Parafoudre type 1 + type 2 selon EN 61643-11
Conforme à toutes les exigences de DIN VDE 0100-534 et DIN VDE 0100-443
Technologie d'espace d'étincelle avec limitation de courant
indication de défaut
Tension continue la plus élevée: 255 V AC
Niveau de protection: <= 1,5 kV
Courant impulsionnel de foudre (10/350): 15 kA
Coordination énergétique selon DIN EN 62305-4
Parafoudre de la famille Red / Line, ainsi que directement au terminal

produit : DEHN
Type: DSH B TN 255 FM
Référence: 941206
ou équivalent

Certificates

 

Wave breaker function

In the case of spark-gap-based type 1 arresters, the entire current flows through the type 1 arrester during the discharge process. Like a wave breaker, the incoming energy is greatly broken down, which significantly relieves the downstream SPDs. All type 1 arresters in the Red/Line product range feature the WBF wave breaker function.

Technical data

SPD selon NF EN 61643-11 / ... CEI 61643-11 Type 1 + Type 2 / Classe I + Classe II
Tension max. de régime permanent AC (UC ) 255 V (50/60 Hz)
Courant de foudre (10/350 µs) [L+N-PE] (Itotal ) 15 kA
Courant de foudre (10/350 µs) [L, N-PE] (Iimp ) 7,5 kA
Niveau de protection en tension [L-PE]/[N-PE] (UP ) ≤ 1,5/≤ 1,5 kV
Protection max. contre les surintensités 160 A gG
Contacts de télésignalisation/Type de contact Inverseur

Product 941206 was added to Notepad.

Product 941206 was added to the cart.


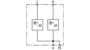
DEHNshield TT 2P

Parafoudre compact combiné, pour les systèmes TT et TN uniphasés avec une tension nominale de 230 V (mode de connexion 1 + 1).

1 Product

Part No. 941110 DSH TT 2P 255

GTIN 4013364137899, Customs tariff No. (EU): 85363090, Gross weight: 291.00 g, PU: 1.00 pièce(s)


Images

Additional information



produit : DEHN
Type: DSH TT 2P 255
Référence: 941110
ou équivalent

Certificates

 

Wave breaker function

In the case of spark-gap-based type 1 arresters, the entire current flows through the type 1 arrester during the discharge process. Like a wave breaker, the incoming energy is greatly broken down, which significantly relieves the downstream SPDs. All type 1 arresters in the Red/Line product range feature the WBF wave breaker function.

Technical data

SPD selon NF EN 61643-11 / ... CEI 61643-11 Type 1 + Type 2 / Classe I + Classe II
Tension max. de régime permanent AC (UC ) 255 V (50/60 Hz)
Courant de foudre (10/350 µs) [L+N-PE] (Itotal ) 25 kA
Courant de foudre (10/350 µs) [L-N]/[N-PE] (Iimp ) 12,5/25 kA
Niveau de protection en tension [L-N]/[N-PE] (UP ) ≤ 1,5 / ≤ 1,5 kV
Protection max. contre les surintensités 160 A gG
Certifications KEMA, VDE, UL
Caractéristiques techniques supplémentaires : ---------------------------------
Niveau de protection [L-PE] (UP ) 2.0 kV

Product 941110 was added to Notepad.

Product 941110 was added to the cart.


DEHNshield TT 2P FM

Parafoudre compact combiné, pour les systèmes TT et TN uniphasés avec une tension nominale de 230 V (mode de connexion 1 + 1) ; avec contact sec de télésignalisation.

1 Product

Part No. 941115 DSH TT 2P 255 FM

GTIN 4013364289208, Customs tariff No. (EU): 85363090, Gross weight: 301.00 g, PU: 1.00 pièce(s)


Images

Additional information



produit : DEHN
Type: DSH TT 2P 255 FM
Référence: 941115
ou équivalent

Certificates

 

Wave breaker function

In the case of spark-gap-based type 1 arresters, the entire current flows through the type 1 arrester during the discharge process. Like a wave breaker, the incoming energy is greatly broken down, which significantly relieves the downstream SPDs. All type 1 arresters in the Red/Line product range feature the WBF wave breaker function.

Technical data

SPD selon NF EN 61643-11 / ... CEI 61643-11 Type 1 + Type 2 / Classe I + Classe II
Tension max. de régime permanent AC (UC ) 255 V (50/60 Hz)
Courant de foudre (10/350 µs) [L+N-PE] (Itotal ) 25 kA
Courant de foudre (10/350 µs) [L-N]/[N-PE] (Iimp ) 12,5/25 kA
Niveau de protection en tension [L-N]/[N-PE] (UP ) ≤ 1,5/≤ 1,5 kV
Protection max. contre les surintensités 160 A gG
Certifications KEMA, VDE
Contacts de télésignalisation/Type de contact Inverseur
Caractéristiques techniques supplémentaires : ---------------------------------
Niveau de protection [L-PE] (UP ) 2.0 kV

Product 941115 was added to Notepad.

Product 941115 was added to the cart.


DEHNshield TT 2P Basic FM

Parafoudre combiné prêcâblé pour systèmes TT et TN monophasés (circuit 1 + 1); avec un contact de télécommunications sans potentiel.

1 Product

Part No. 941116 DSH B TT 2P 255 FM

GTIN 4013364373235, Customs tariff No. (EU): 85363090, Gross weight: 301.00 g, PU: 1.00 pièce(s)


Images

Additional information

Parafoudres combinés DEHNshield B TT 2P 255 FM
Parafoudre combiné bipolaire pour les systèmes TT 230/400 V
Largeur 2 TE, avec contact de télécommunication
Parafoudre type 1 + type 2 selon EN 61643-11
Conforme à toutes les exigences de DIN VDE 0100-534 et DIN VDE 0100-443
Technologie d'espace d'étincelle avec limitation de courant
indication de défaut
Tension continue la plus élevée: 255 V AC
Niveau de protection: <= 1,5 kV
Courant impulsionnel de foudre (10/350): 15 kA
Coordination énergétique selon DIN EN 62305-4
Parafoudre de la famille Red / Line, ainsi que directement au terminal

produit : DEHN
Type: DSH B TT 2P 255 FM
Référence: 941116
ou équivalent

Certificates

 

Wave breaker function

In the case of spark-gap-based type 1 arresters, the entire current flows through the type 1 arrester during the discharge process. Like a wave breaker, the incoming energy is greatly broken down, which significantly relieves the downstream SPDs. All type 1 arresters in the Red/Line product range feature the WBF wave breaker function.

Technical data

SPD selon NF EN 61643-11 / ... CEI 61643-11 Type 1 + Type 2 / Classe I + Classe II
Tension max. de régime permanent AC (UC ) 255 V (50/60 Hz)
Courant de foudre (10/350 µs) [L+N-PE] (Itotal ) 15 kA
Courant de foudre (10/350 µs) [L-N]/[N-PE] (Iimp ) 7,5/15 kA
Niveau de protection en tension [L-N]/[N-PE] (UP ) ≤ 1,5/≤ 1,5 kV
Protection max. contre les surintensités 160 A gG
Contacts de télésignalisation/Type de contact Inverseur
Caractéristiques techniques supplémentaires : ---------------------------------
Niveau de protection [L-PE] (UP ) 2.0 kV

Product 941116 was added to Notepad.

Product 941116 was added to the cart.


back to top