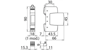
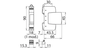
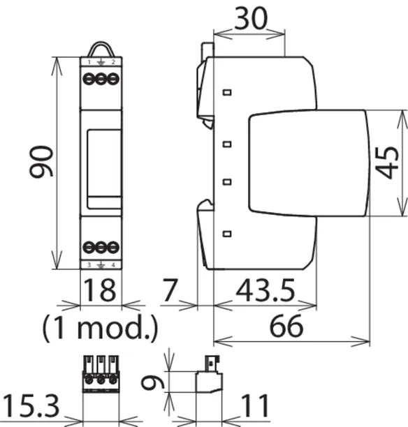
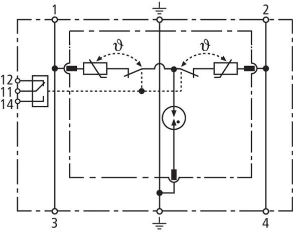
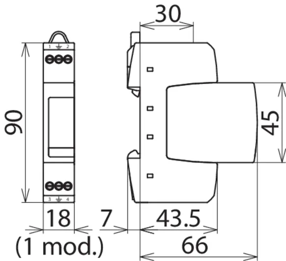
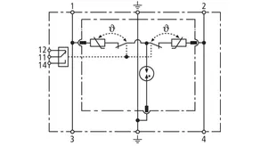
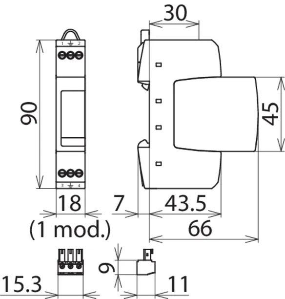
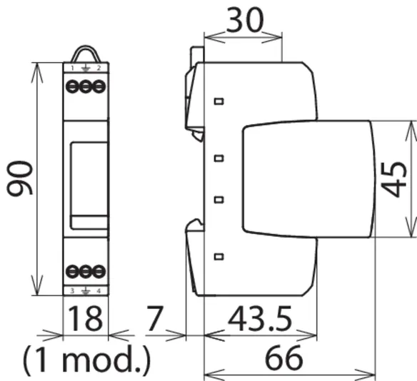
DEHNrail

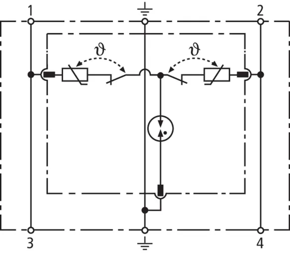
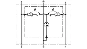
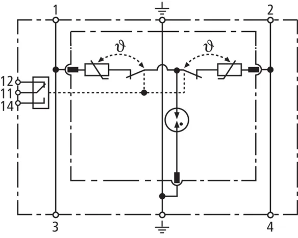
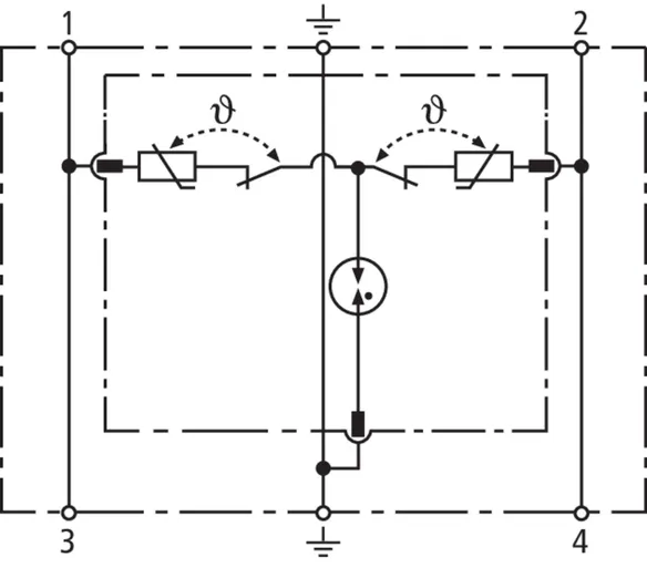
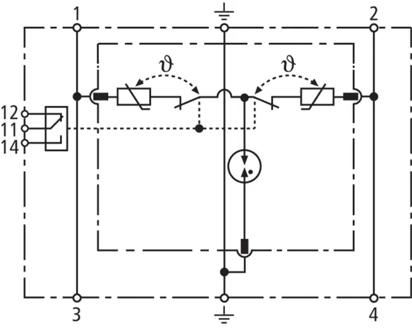
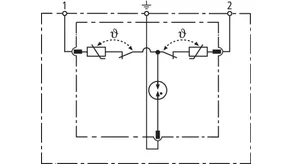
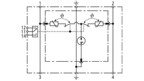
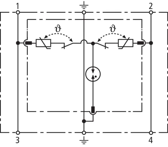
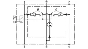
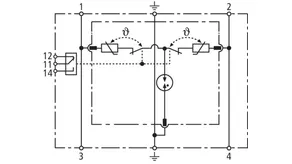
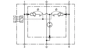
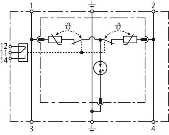
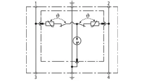
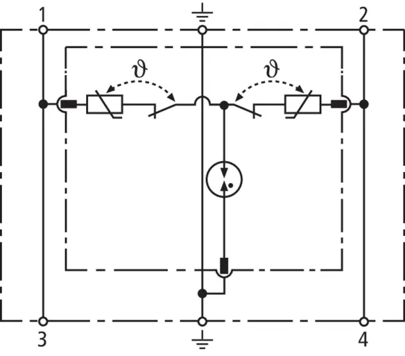
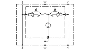
  • Parafoudre type 3 bipolaire comprenant une embase et un module de protection débrochable
  • Capacité d'écoulement élevée grâce à une combinaison de varistances à oxyde de zinc et d'éclateurs à air très performants
  • Coordonné énergétiquement avec la gamme de produits Red/Line
  • Indication optique de fonctionnement/de défaut grâce à un voyant mécanique vert/rouge
  • Remplacement simple et sans outillage du module de protection grâce au système de verrouillage avec une touche de déverrouillage
  • Testé contre les vibrations et les chocs selon EN 60068-2

Details

lorem ipsum

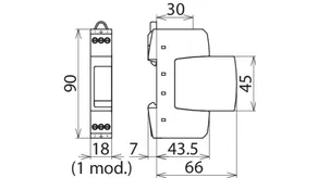
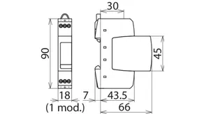
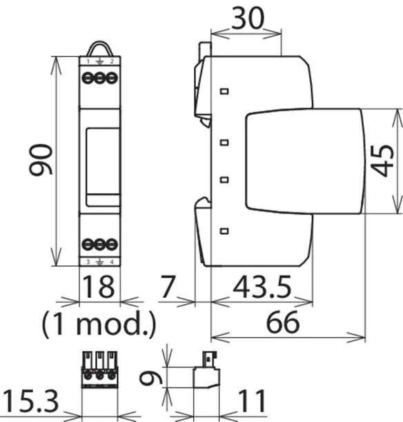
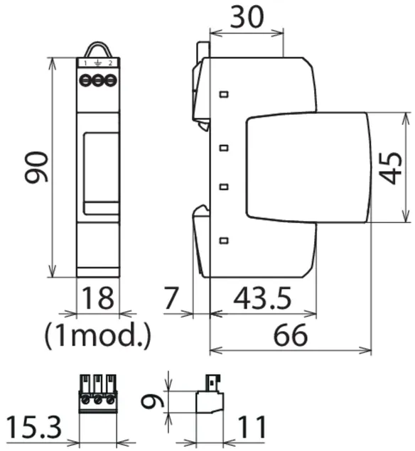
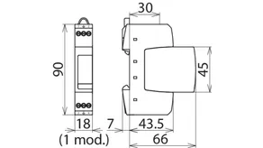
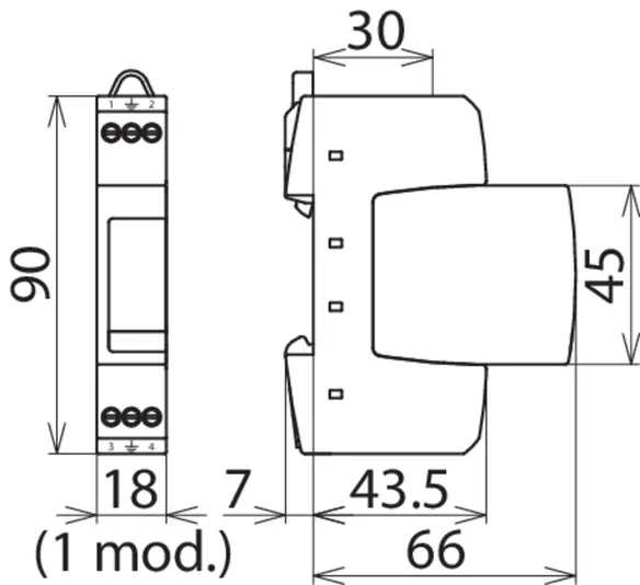
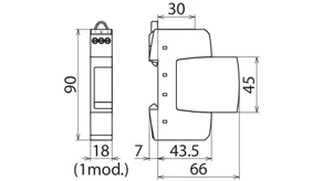
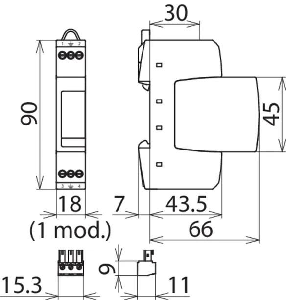
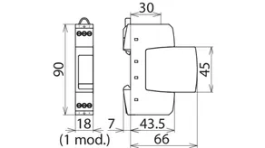
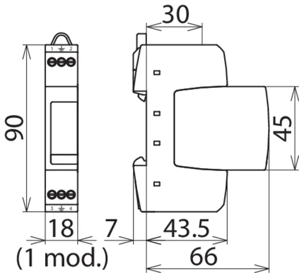
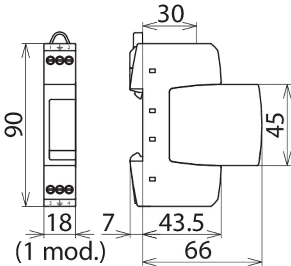
DEHNrail M 2P ...

Parafoudre bipolaire comprenant une embase et un module de protection débrochable.

5 Products

Part No. 953201 DR M 2P 30

GTIN 4013364109674, Customs tariff No. (EU): 85363030, Gross weight: 90.60 g, PU: 1.00 pièce(s)

Predecessor

Images

Additional information



produit : DEHN
Type: DR M 2P 30
Référence: 953201
ou équivalent

Certificates

 

Technical data

SPD selon NF EN 61643-11/... CEI 61643-11 Type 3/Classe III
Tension d’utilisation permanente max AC (UC ) 30 V (50/60 Hz)
Tension d’utilisation permanente max DC (UC ) 30 V
Courant nominal de décharge (8/20 µs) (In ) 1 kA
Courant de décharge total (8/20 µs) [L+N-PE] (Itotal ) 2 kA
Niveau de protection [L-N] / [L/N-PE] (UP ) ≤ 180 / ≤ 630 V
Protection max. contre les surintensités 25 A gG ou B 25 A
Certifications KEMA, VDE, UL, CSA, ATEX, IECEx

Product 953201 was added to Notepad.

Product 953201 was added to the cart.

Part No. 953202 DR M 2P 60

GTIN 4013364109681, Customs tariff No. (EU): 85363030, Gross weight: 91.80 g, PU: 1.00 pièce(s)

Predecessor

Images

Additional information



produit : DEHN
Type: DR M 2P 60
Référence: 953202
ou équivalent

Certificates

 

Technical data

SPD selon NF EN 61643-11/... CEI 61643-11 Type 3/Classe III
Tension d’utilisation permanente max AC (UC ) 60 V (50/60 Hz)
Tension d’utilisation permanente max DC (UC ) 60 V
Courant nominal de décharge (8/20 µs) (In ) 1 kA
Courant de décharge total (8/20 µs) [L+N-PE] (Itotal ) 2 kA
Niveau de protection [L-N] / [L/N-PE] (UP ) ≤ 350 / ≤ 730 V
Protection max. contre les surintensités 25 A gG ou B 25 A
Certifications KEMA, VDE, UL, CSA, ATEX, IECEx

Product 953202 was added to Notepad.

Product 953202 was added to the cart.

Part No. 953203 DR M 2P 75

GTIN 4013364109698, Customs tariff No. (EU): 85363030, Gross weight: 89.80 g, PU: 1.00 pièce(s)

Predecessor

Images

Additional information



produit : DEHN
Type: DR M 2P 75
Référence: 953203
ou équivalent

Certificates

 

Technical data

SPD selon NF EN 61643-11/... CEI 61643-11 Type 3/Classe III
Tension d’utilisation permanente max AC (UC ) 75 V (50/60 Hz)
Tension d’utilisation permanente max DC (UC ) 75 V
Courant nominal de décharge (8/20 µs) (In ) 2 kA
Courant de décharge total (8/20 µs) [L+N-PE] (Itotal ) 4 kA
Niveau de protection [L-N] / [L/N-PE] (UP ) ≤ 400 / ≤ 730 V
Protection max. contre les surintensités 25 A gG ou B 25 A
Certifications KEMA, VDE, UL, CSA, ATEX, IECEx

Product 953203 was added to Notepad.

Product 953203 was added to the cart.

Part No. 953204 DR M 2P 150

GTIN 4013364109704, Customs tariff No. (EU): 85363030, Gross weight: 90.00 g, PU: 1.00 pièce(s)

Predecessor

Images

Additional information



produit : DEHN
Type: DR M 2P 150
Référence: 953204
ou équivalent

Certificates

 

Technical data

SPD selon NF EN 61643-11/... CEI 61643-11 Type 3/Classe III
Tension d’utilisation permanente max AC (UC ) 150 V (50/60 Hz)
Tension d’utilisation permanente max DC (UC ) 150 V
Courant nominal de décharge (8/20 µs) (In ) 2 kA
Courant de décharge total (8/20 µs) [L+N-PE] (Itotal ) 4 kA
Niveau de protection [L-N] / [L/N-PE] (UP ) ≤ 640 / ≤ 800 V
Protection max. contre les surintensités 25 A gG ou B 25 A
Certifications KEMA, VDE, UL, CSA, ATEX, IECEx

Product 953204 was added to Notepad.

Product 953204 was added to the cart.

Part No. 953200 DR M 2P 255

GTIN 4013364108301, Customs tariff No. (EU): 85363030, Gross weight: 91.70 g, PU: 1.00 pièce(s)

Predecessor

Images

Additional information



produit : DEHN
Type: DR M 2P 255
Référence: 953200
ou équivalent

Certificates

 

Technical data

SPD selon NF EN 61643-11/... CEI 61643-11 Type 3/Classe III
Tension d’utilisation permanente max AC (UC ) 255 V (50/60 Hz)
Tension d’utilisation permanente max DC (UC ) 255 V
Courant nominal de décharge (8/20 µs) (In ) 3 kA
Courant de décharge total (8/20 µs) [L+N-PE] (Itotal ) 5 kA
Niveau de protection [L-N] / [L/N-PE] (UP ) ≤ 1250 / ≤ 1500 V
Protection max. contre les surintensités 25 A gG ou B 25 A
Certifications KEMA, VDE, UL, CSA, ATEX, IECEx

Product 953200 was added to Notepad.

Product 953200 was added to the cart.


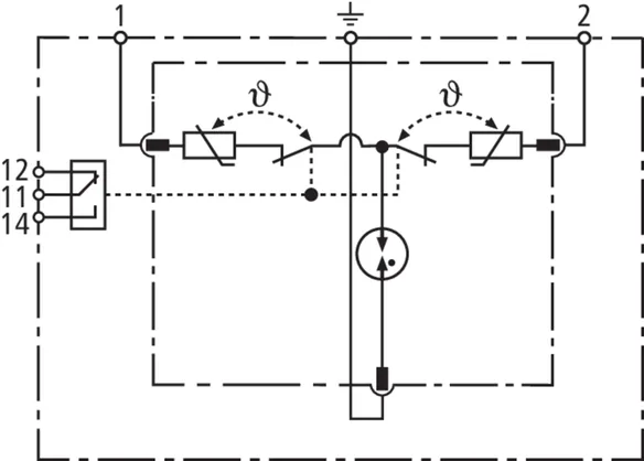
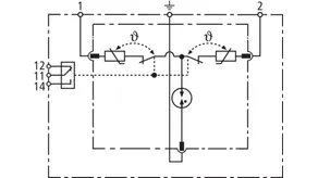
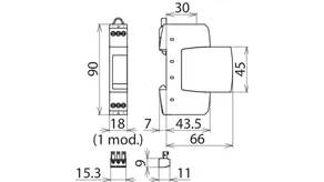
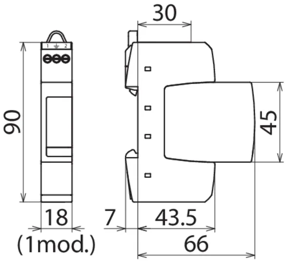
DEHNrail M 2P ... FM

Parafoudre bipolaire comprenant une embase et un module de protection débrochable ; avec contact sec de télésignalisation.

5 Products

Part No. 953206 DR M 2P 30 FM

GTIN 4013364109711, Customs tariff No. (EU): 85363030, Gross weight: 94.50 g, PU: 1.00 pièce(s)

Predecessor

Images

Additional information



produit : DEHN
Type: DR M 2P 30 FM
Référence: 953206
ou équivalent

Certificates

 

Technical data

SPD selon NF EN 61643-11/... CEI 61643-11 Type 3/Classe III
Tension d’utilisation permanente max AC (UC ) 30 V (50/60 Hz)
Tension d’utilisation permanente max DC (UC ) 30 V
Courant nominal de décharge (8/20 µs) (In ) 1 kA
Courant de décharge total (8/20 µs) [L+N-PE] (Itotal ) 2 kA
Niveau de protection [L-N] / [L/N-PE] (UP ) ≤ 180 / ≤ 630 V
Protection max. contre les surintensités 25 A gG ou B 25 A
Certifications KEMA, VDE, UL, CSA, ATEX, IECEx
Contacts de télésignalisation/Type de contact Inverseur

Product 953206 was added to Notepad.

Product 953206 was added to the cart.

Part No. 953207 DR M 2P 60 FM

GTIN 4013364109728, Customs tariff No. (EU): 85363030, Gross weight: 95.40 g, PU: 1.00 pièce(s)

Predecessor

Images

Additional information



produit : DEHN
Type: DR M 2P 60 FM
Référence: 953207
ou équivalent

Certificates

 

Technical data

SPD selon NF EN 61643-11/... CEI 61643-11 Type 3/Classe III
Tension d’utilisation permanente max AC (UC ) 60 V (50/60 Hz)
Tension d’utilisation permanente max DC (UC ) 60 V
Courant nominal de décharge (8/20 µs) (In ) 1 kA
Courant de décharge total (8/20 µs) [L+N-PE] (Itotal ) 2 kA
Niveau de protection [L-N] / [L/N-PE] (UP ) ≤ 350 / ≤ 730 V
Protection max. contre les surintensités 25 A gG ou B 25 A
Certifications KEMA, VDE, UL, CSA, ATEX, IECEx
Contacts de télésignalisation/Type de contact Inverseur

Product 953207 was added to Notepad.

Product 953207 was added to the cart.

Part No. 953208 DR M 2P 75 FM

GTIN 4013364109735, Customs tariff No. (EU): 85363030, Gross weight: 93.70 g, PU: 1.00 pièce(s)

Predecessor

Images

Additional information



produit : DEHN
Type: DR M 2P 75 FM
Référence: 953208
ou équivalent

Certificates

 

Technical data

SPD selon NF EN 61643-11/... CEI 61643-11 Type 3/Classe III
Tension d’utilisation permanente max AC (UC ) 75 V (50/60 Hz)
Tension d’utilisation permanente max DC (UC ) 75 V
Courant nominal de décharge (8/20 µs) (In ) 2 kA
Courant de décharge total (8/20 µs) [L+N-PE] (Itotal ) 4 kA
Niveau de protection [L-N] / [L/N-PE] (UP ) ≤ 400 / ≤ 730 V
Protection max. contre les surintensités 25 A gG ou B 25 A
Certifications KEMA, VDE, UL, CSA, ATEX, IECEx
Contacts de télésignalisation/Type de contact Inverseur

Product 953208 was added to Notepad.

Product 953208 was added to the cart.

Part No. 953209 DR M 2P 150 FM

GTIN 4013364109742, Customs tariff No. (EU): 85363030, Gross weight: 93.00 g, PU: 1.00 pièce(s)

Predecessor

Images

Additional information



produit : DEHN
Type: DR M 2P 150 FM
Référence: 953209
ou équivalent

Certificates

 

Technical data

SPD selon NF EN 61643-11/... CEI 61643-11 Type 3/Classe III
Tension d’utilisation permanente max AC (UC ) 150 V (50/60 Hz)
Tension d’utilisation permanente max DC (UC ) 150 V
Courant nominal de décharge (8/20 µs) (In ) 2 kA
Courant de décharge total (8/20 µs) [L+N-PE] (Itotal ) 4 kA
Niveau de protection [L-N] / [L/N-PE] (UP ) ≤ 640 / ≤ 800 V
Protection max. contre les surintensités 25 A gG ou B 25 A
Certifications KEMA, VDE, UL, CSA, ATEX, IECEx
Contacts de télésignalisation/Type de contact Inverseur

Product 953209 was added to Notepad.

Product 953209 was added to the cart.

Part No. 953205 DR M 2P 255 FM

GTIN 4013364108318, Customs tariff No. (EU): 85363030, Gross weight: 98.88 g, PU: 1.00 pièce(s)

Predecessor

Images

Additional information



produit : DEHN
Type: DR M 2P 255 FM
Référence: 953205
ou équivalent

Certificates

 

Technical data

SPD selon NF EN 61643-11/... CEI 61643-11 Type 3/Classe III
Tension d’utilisation permanente max AC (UC ) 255 V (50/60 Hz)
Tension d’utilisation permanente max DC (UC ) 255 V
Courant nominal de décharge (8/20 µs) (In ) 3 kA
Courant de décharge total (8/20 µs) [L+N-PE] (Itotal ) 5 kA
Niveau de protection [L-N] / [L/N-PE] (UP ) ≤ 1250 / ≤ 1500 V
Protection max. contre les surintensités 25 A gG ou B 25 A
Certifications KEMA, VDE, UL, CSA, ATEX, IECEx
Contacts de télésignalisation/Type de contact Inverseur

Product 953205 was added to Notepad.

Product 953205 was added to the cart.


DEHNrail M 2P SN1802

Parafoudre bipolaire comprenant une embase et un module de protection débrochable. Utilisation dans des systèmes jusqu'à un courant de charge de 32 A possible.

1 Product

Part No. 953228 DR M 2P 255 SN1802

GTIN 4013364158986, Customs tariff No. (EU): 85363030, Gross weight: 89.70 g, PU: 1.00 pièce(s)


Images

Additional information



produit : DEHN
Type: DR M 2P 255 SN1802
Référence: 953228
ou équivalent

 

Technical data

SPD selon NF EN 61643-11/... CEI 61643-11 Type 3 / Classe III
Tension d’utilisation permanente max AC (UC ) 255 V (50/60 Hz)
Tension d’utilisation permanente max DC (UC ) 255 V
Courant nominal de décharge (8/20 µs) (In ) 3 kA
Courant de décharge total (8/20 µs) [L+N-PE] (Itotal ) 5 kA
Niveau de protection [L-N] / [L/N-PE] (UP ) ≤ 1250 / ≤ 1500 V
Protection max. contre les surintensités 32 A gG ou 32 A
Module de protection sur demande

Product 953228 was added to Notepad.

Product 953228 was added to the cart.


DEHNrail M 2P SN1803FM

Parafoudre bipolaire comprenant une embase et un module de protection débrochable ; avec contact sec de télésignalisation. Utilisation dans des systèmes jusqu'à un courant de charge de 32 A possible.

1 Product

Part No. 953229 DR M 2P 255 SN1803FM

GTIN 4013364158993, Customs tariff No. (EU): 85363030, Gross weight: 93.40 g, PU: 1.00 pièce(s)


Images

Additional information



produit : DEHN
Type: DR M 2P 255 SN1803FM
Référence: 953229
ou équivalent

Certificates

 

Technical data

SPD selon NF EN 61643-11/... CEI 61643-11 Type 3 / Classe III
Tension d’utilisation permanente max AC (UC ) 255 V (50/60 Hz)
Tension d’utilisation permanente max DC (UC ) 255 V
Courant nominal de décharge (8/20 µs) (In ) 3 kA
Courant de décharge total (8/20 µs) [L+N-PE] (Itotal ) 5 kA
Niveau de protection [L-N] / [L/N-PE] (UP ) ≤ 1250 / ≤ 1500 V
Protection max. contre les surintensités 32 A gG ou B 32 A
Contacts de télésignalisation/Type de contact Inverseur
Module de protection sur demande

Product 953229 was added to Notepad.

Product 953229 was added to the cart.


back to top