DEHNguard CI avec fusible intégré

  • Fusible intégré dans le module de protection
  • Version monobloc comprenant une embase et des modules de protection débrochables
  • Coordonné énergétiquement avec la gamme de produits Red/Line
  • Capacité d'écoulement élevée
  • Fiabilité élevée grâce à la surveillance « Thermo-Dynamic-Control » du parafoudre
  • Remplacement simple et sans outillage des modules de protection grâce au système de verrouillage avec touche de déverrouillage
  • Testé contre les vibrations et les chocs selon EN 60068-2

DEHNguard M TT 5 CI 275 NL FM

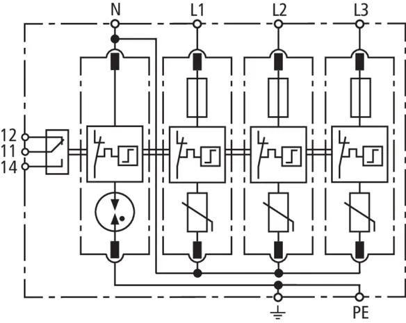
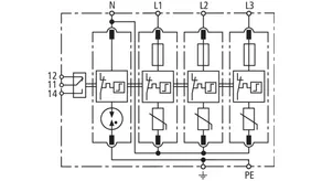
Parafoudre modulaire avec fusible amont intégré pour systèmes TT et TN-S (mode de connexion 3 + 1).

1 Product

Part No. 952180 DG M TT 5 CI 275 NL FM

GTIN 4013364324718, Customs tariff No. (EU): 85363030, Gross weight: 479.00 g, PU: 1.00 pièce(s)


Images

Additional information



produit : DEHN
Type: DG M TT 5 CI 275 NL FM
Référence: 952180
ou équivalent

Certificates

 

Circuit Interruption

The backup fuse is already integrated here. This means: reduced space requirement, lower installation costs, faster wiring, and shorter connecting cables. This concept can be found in the product ranges DEHNvenCI, DEHNbloc Maxi S, DEHNguard ... CI and V(A) NH...

Technical data

SPD selon NF EN 61643-11/... CEI 61643-11 Type 2/Classe II
Tension max. de régime permanent max AC [L-N] (UC ) 275 V (50/60 Hz)
Courant nominal de décharge (8/20 µs) [L-N] (In ) 5 kA
Courant max. de décharge (8/20 µs) [L-NE] (Imax ) 15 kA
Niveau de protection [L-N]/[N-PE] (UP ) ≤ 1,5 kV
Protection max. contre les surintensités pas nécessaire
Contacts de télésignalisation/Type de contact Inverseur

Product 952180 was added to Notepad.

Product 952180 was added to the cart.


DEHNguard M TT 2P 5 CI 275 NL FM

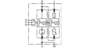
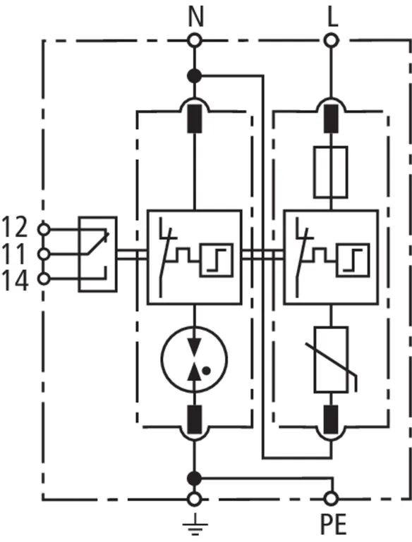
Parafoudre modulaire avec fusible amont intégré pour systèmes TT et TN 230 V monophasés (mode de connexion 1 + 1).

1 Product

Part No. 952179 DG M TT 2P 5 CI 275 NL FM

GTIN 4013364324701, Customs tariff No. (EU): 85363030, Gross weight: 259.20 g, PU: 1.00 pièce(s)


Images

Additional information



produit : DEHN
Type: DG M TT 2P 5 CI 275 NL FM
Référence: 952179
ou équivalent

Certificates

 

Circuit Interruption

The backup fuse is already integrated here. This means: reduced space requirement, lower installation costs, faster wiring, and shorter connecting cables. This concept can be found in the product ranges DEHNvenCI, DEHNbloc Maxi S, DEHNguard ... CI and V(A) NH...

Technical data

SPD selon NF EN 61643-11/... CEI 61643-11 Type 2 / Classe II
Tension max. de régime permanent max AC [L-N] (UC ) 275 V (50 / 60 Hz)
Courant nominal de décharge (8/20 µs) [L-N] (In ) 5 kA
Courant max. de décharge (8/20 µs) [L-NE] (Imax ) 15 kA
Niveau de protection [L-N]/[N-PE] (UP ) ≤ 1,5 kV
Protection max. contre les surintensités pas nécessaire
Contacts de télésignalisation/Type de contact Inverseur

Product 952179 was added to Notepad.

Product 952179 was added to the cart.


back to top