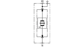
DEHNgap

  • Capacité d'écoulement de 100 kA (10/350 µs)
  • Parafoudre spécialement destiné à l'utilisation dans le système TT pour les modes de connexion 3 + 1 et 1 + 1 selon la norme CEI 60364-5-53 entre le conducteur neutre N et le conducteur de protection PE
  • Technologie d'éclateurs à air encapsulés
  • Avec indication optique de fonctionnement/de défaut grâce à un voyant mécanique vert/rouge

Details

lorem ipsum

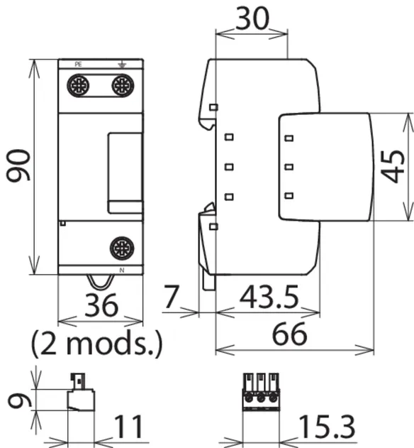
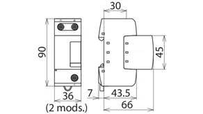
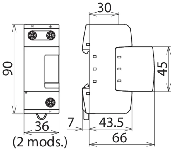
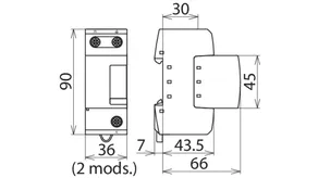
DEHNgap M 255 (FM)

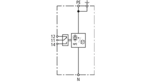
Parafoudre coordonné unipolaire modulaire N-PE pour UC = 255 V ; en option avec contact de télésignalisation pour système de télésurveillance (contact inverseur flottant).

2 Products

Part No. 961101 DGP M 255

GTIN 4013364118676, Customs tariff No. (EU): 85363030, Gross weight: 331.00 g, PU: 1.00 pièce(s)

Predecessor

Images

Additional information



produit : DEHN
Type: DGP M 255
Référence: 961101
ou équivalent

Certificates

 

Wave breaker function

In the case of spark-gap-based type 1 arresters, the entire current flows through the type 1 arrester during the discharge process. Like a wave breaker, the incoming energy is greatly broken down, which significantly relieves the downstream SPDs. All type 1 arresters in the Red/Line product range feature the WBF wave breaker function.

Technical data

SPD selon NF EN 61643-11 / ... CEI 61643-11 Type 1/Classe 1
Tension max. de régime permanent AC (UC ) 255 V (50/60 Hz)
Courant de choc de décharge (10/350 µs) (Iimp ) 100 kA
Niveau de protection en tension (UP ) ≤ 1,5 kV
Certifications VDE, KEMA, UL

Product 961101 was added to Notepad.

Product 961101 was added to the cart.

Part No. 961105 DGP M 255 FM

GTIN 4013364118683, Customs tariff No. (EU): 85363030, Gross weight: 336.00 g, PU: 1.00 pièce(s)

Predecessor

Images

Additional information

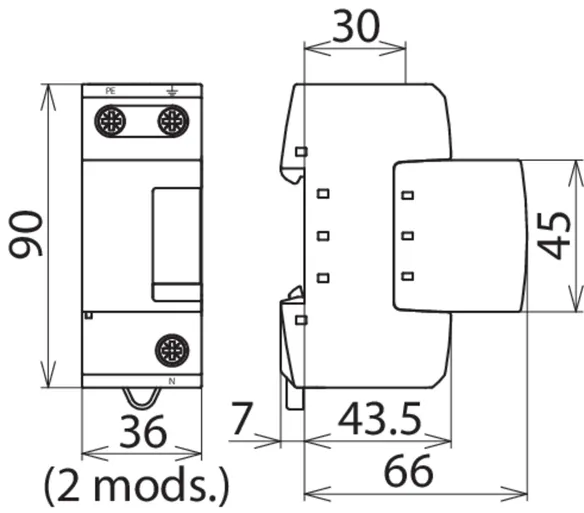
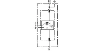
Parafoudre coordonné N-PE DEHNgap M 255 FM
Parafoudre coordonné N-PE enfichable modulaire unipolaire
, largeur 2 modules
avec contact de télésignalisation
Parafoudre type 1 selon EN 61643-11
Technologie d’éclateurs à air RADAX-Flow
Indication de défaut
Voyant mécanique
Courant de foudre (10/350) : 100 kA
Niveau de protection : <= 1,5 kV
Tenue aux courants de court-circuit : 100 Aeff à 255 V ac
Tenue aux surtensions : 1200 V/200 ms
Coordination énergétique selon DIN EN 62305-4
directement sur parafoudre N-PE DEHNgap C S de la gamme Red/Line

produit : DEHN
Type: DGP M 255 FM
Référence: 961105
ou équivalent

Certificates

 

Wave breaker function

In the case of spark-gap-based type 1 arresters, the entire current flows through the type 1 arrester during the discharge process. Like a wave breaker, the incoming energy is greatly broken down, which significantly relieves the downstream SPDs. All type 1 arresters in the Red/Line product range feature the WBF wave breaker function.

Technical data

SPD selon NF EN 61643-11 / ... CEI 61643-11 Type 1/Classe 1
Tension max. de régime permanent AC (UC ) 255 V (50/60 Hz)
Courant de choc de décharge (10/350 µs) (Iimp ) 100 kA
Niveau de protection en tension (UP ) ≤ 1,5 kV
Certifications VDE, KEMA, UL
Contacts de télésignalisation/Type de contact Inverseur

Product 961105 was added to Notepad.

Product 961105 was added to the cart.


DEHNgap Maxi 1 255 S

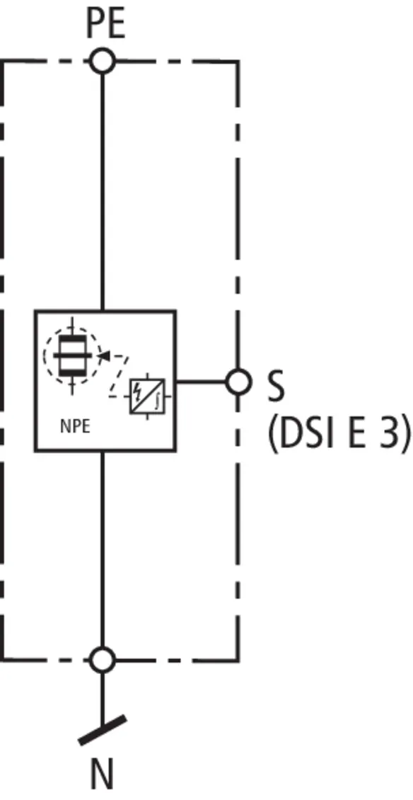
Parafoudre coordonné unipolaire N-PE pour jeu de barres.

1 Product

Part No. 900050 DGPM 1 255 S

GTIN 4013364107496, Customs tariff No. (EU): 85363090, Gross weight: 539.00 g, PU: 1.00 pièce(s)


Images

Additional information

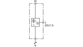
Parafoudre N-PE DEHNgap Maxi 1 255 S
Parafoudre N-PE coordonné unipolaire
pour les systèmes de barres omnibus industriels
parafoudre type 1 selon EN 61643-11
Technologie d’éclateurs à air RADAX-Flow
Tension continue maximale : 255 V AC
Niveau de protection : <= 2,5 kV (tient compte de 80 cm de câble de raccordement)
Courant de foudre (10/350) : 100 kA
Tenue aux courants de court-circuit : 100 Aeff
Tenue aux surtensions : 1200 V/200 ms
Coordination énergétique selon DIN EN 62305-4
Parafoudre de la gamme Red/Line
Montage sur barre omnibus N min. 35 mm2
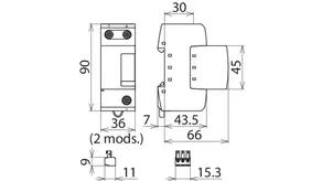
Dimensions (L x h x p) : (72 x 89 x 100) mm

produit : DEHN
Type: DGPM 1 255 S
Référence: 900050
ou équivalent

Certificates

 

Wave breaker function

In the case of spark-gap-based type 1 arresters, the entire current flows through the type 1 arrester during the discharge process. Like a wave breaker, the incoming energy is greatly broken down, which significantly relieves the downstream SPDs. All type 1 arresters in the Red/Line product range feature the WBF wave breaker function.

Technical data

SPD selon NF EN 61643-11 / ... CEI 61643-11 Type 1/Classe 1
Tension max. de régime permanent AC (UC ) 255 V (50/60 Hz)
Courant de choc de décharge (10/350 µs) (Iimp ) 100 kA
Niveau de protection en tension (UP ) ≤ 2,5 kV (tient compte de 80 cm de câble de connexion)
Surveillance de fonctionnement via DEHNsignal DSI E 3

Product 900050 was added to Notepad.

Product 900050 was added to the cart.


DEHNgap Maxi 1 255 (FM)

Parafoudre coordonné unipolaire modulaire N-PE ; type FM avec contact sec de télésignalisation.

2 Products

Part No. 961180 DGPM 1 255

GTIN 4013364157323, Customs tariff No. (EU): 85363090, Gross weight: 460.00 g, PU: 1.00 pièce(s)


Images

Additional information

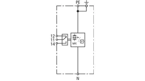
Parafoudre N-PE DEHNgap Maxi 1 255
Parafoudre coordonné N-PE, largeur 2 modules
Parafoudre type 1 selon EN 61643-11
Technologie d’éclateurs à air RADAX-Flow
Indication de défaut
Courant de foudre (10/350) : 100 kA
Niveau de protection : <= 1,5 kV
Tenue aux courants de court-circuit : 100 Aeff à 255 V ac
Tenue aux surtensions : 1200 V/200 ms

produit : DEHN
Type: DGPM 1 255
Référence: 961180
ou équivalent

Certificates

 

Wave breaker function

In the case of spark-gap-based type 1 arresters, the entire current flows through the type 1 arrester during the discharge process. Like a wave breaker, the incoming energy is greatly broken down, which significantly relieves the downstream SPDs. All type 1 arresters in the Red/Line product range feature the WBF wave breaker function.

Technical data

SPD selon NF EN 61643-11 / ... CEI 61643-11 Type 1 + Type 2 / Classe I + Classe II
Tension max. de régime permanent AC (UC ) 255 V (50/60 Hz)
Courant de choc de décharge (10/350 µs) (Iimp ) 100 kA
Niveau de protection en tension (UP ) ≤ 1,5 kV
Certifications KEMA

Product 961180 was added to Notepad.

Product 961180 was added to the cart.

Part No. 961185 DGPM 1 255 FM

GTIN 4013364157330, Customs tariff No. (EU): 85363090, Gross weight: 460.00 g, PU: 1.00 pièce(s)


Images

Additional information

Parafoudre N-PE DEHNgap Maxi 1 255 FM
Parafoudre coordonné N-PE, largeur 2 modules
avec contact de télésignalisation
Parafoudre type 1 selon EN 61643-11
Technologie d’éclateurs à air RADAX-Flow
Indication de défaut
Courant de foudre (10/350) : 100 kA
Niveau de protection : <= 1,5 kV
Tenue aux courants de court-circuit : 100 Aeff à 255 V ac
Tenue aux surtensions : 1200 V/200 ms

produit : DEHN
Type: DGPM 1 255 FM
Référence: 961185
ou équivalent

Certificates

 

Wave breaker function

In the case of spark-gap-based type 1 arresters, the entire current flows through the type 1 arrester during the discharge process. Like a wave breaker, the incoming energy is greatly broken down, which significantly relieves the downstream SPDs. All type 1 arresters in the Red/Line product range feature the WBF wave breaker function.

Technical data

SPD selon NF EN 61643-11 / ... CEI 61643-11 Type 1 + Type 2 / Classe I + Classe II
Tension max. de régime permanent AC (UC ) 255 V (50/60 Hz)
Courant de choc de décharge (10/350 µs) (Iimp ) 100 kA
Niveau de protection en tension (UP ) ≤ 1,5 kV
Certifications KEMA
Contacts de télésignalisation/Type de contact Inverseur

Product 961185 was added to Notepad.

Product 961185 was added to the cart.


DEHNgap Maxi 440 (FM)

Parafoudre coordonné unipolaire modulaire N-PE ; type FM avec contact sec de télésignalisation.

2 Products

Part No. 961160 DGPM 440

GTIN 4013364116290, Customs tariff No. (EU): 85363030, Gross weight: 415.00 g, PU: 1.00 pièce(s)


Images

Additional information

Parafoudre N-PE DEHNgap Maxi 440
Parafoudre coordonné N-PE, largeur 2 modules
Parafoudre type 1 selon EN 61643-11
Technologie d’éclateurs à air RADAX-Flow
Indication de défaut
Courant de foudre (10/350) : 100 kA
Niveau de protection : <= 2,5 kV
Tenue aux courants de court-circuit : 100 Aeff pour 440 V ac
Tenue aux surtensions : 1200 V/200 ms

produit : DEHN
Type: DGPM 440
Référence: 961160
ou équivalent

 

Wave breaker function

In the case of spark-gap-based type 1 arresters, the entire current flows through the type 1 arrester during the discharge process. Like a wave breaker, the incoming energy is greatly broken down, which significantly relieves the downstream SPDs. All type 1 arresters in the Red/Line product range feature the WBF wave breaker function.

Technical data

SPD selon NF EN 61643-11 / ... CEI 61643-11 Type 1/Classe 1
Tension max. de régime permanent AC (UC ) 440 V (50/60 Hz)
Courant de choc de décharge (10/350 µs) (Iimp ) 100 kA
Niveau de protection en tension (UP ) ≤ 2,5 kV
Certifications UL

Product 961160 was added to Notepad.

Product 961160 was added to the cart.

Part No. 961165 DGPM 440 FM

GTIN 4013364116306, Customs tariff No. (EU): 85363030, Gross weight: 418.00 g, PU: 1.00 pièce(s)


Images

Additional information

Parafoudre N-PE DEHNgap Maxi 440 FM
Parafoudre coordonné N-PE, largeur 2 modules
avec contact de télésignalisation
Parafoudre type 1 selon EN 61643-11
Technologie d’éclateurs à air RADAX-Flow
Indication de défaut
Courant de foudre (10/350) : 100 kA
Niveau de protection : <= 2,5 kV
Tenue aux courants de court-circuit : 100 Aeff pour 440 V ac
Tenue aux surtensions : 1200 V/200 ms

produit : DEHN
Type: DGPM 440 FM
Référence: 961165
ou équivalent

 

Wave breaker function

In the case of spark-gap-based type 1 arresters, the entire current flows through the type 1 arrester during the discharge process. Like a wave breaker, the incoming energy is greatly broken down, which significantly relieves the downstream SPDs. All type 1 arresters in the Red/Line product range feature the WBF wave breaker function.

Technical data

SPD selon NF EN 61643-11 / ... CEI 61643-11 Type 1/Classe 1
Tension max. de régime permanent AC (UC ) 440 V (50/60 Hz)
Courant de choc de décharge (10/350 µs) (Iimp ) 100 kA
Niveau de protection en tension (UP ) ≤ 2,5 kV
Certifications UL
Contacts de télésignalisation/Type de contact Inverseur

Product 961165 was added to Notepad.

Product 961165 was added to the cart.


DEHNgap H M 255

Parafoudre unipolaire modulaire N-PE.

1 Product

Part No. 961102 DGPH M 255

GTIN 4013364118690, Customs tariff No. (EU): 85363030, Gross weight: 300.00 g, PU: 1.00 pièce(s)

Predecessor

Images

Additional information



produit : DEHN
Type: DGPH M 255
Référence: 961102
ou équivalent

Certificates

 

Wave breaker function

In the case of spark-gap-based type 1 arresters, the entire current flows through the type 1 arrester during the discharge process. Like a wave breaker, the incoming energy is greatly broken down, which significantly relieves the downstream SPDs. All type 1 arresters in the Red/Line product range feature the WBF wave breaker function.

Technical data

SPD selon NF EN 61643-11 / ... CEI 61643-11 Type 1/Classe 1
Tension max. de régime permanent AC (UC ) 255 V (50/60 Hz)
Courant de choc de décharge (10/350 µs) (Iimp ) 100 kA
Niveau de protection en tension (UP ) ≤ 4 kV

Product 961102 was added to Notepad.

Product 961102 was added to the cart.


back to top