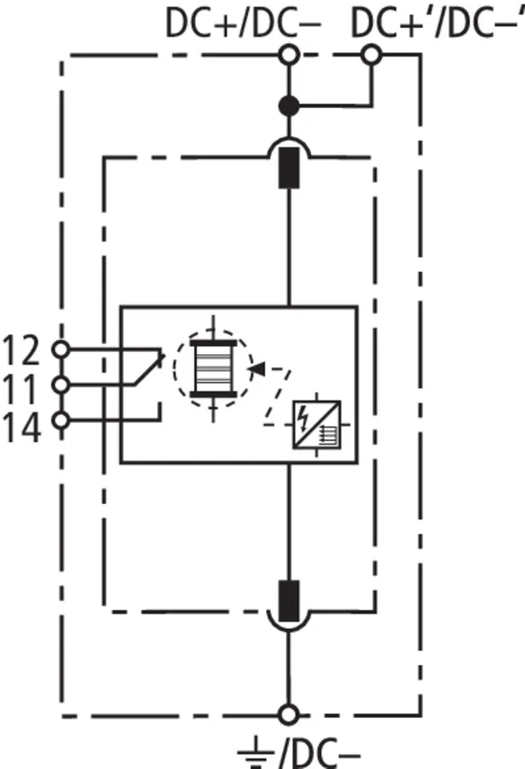
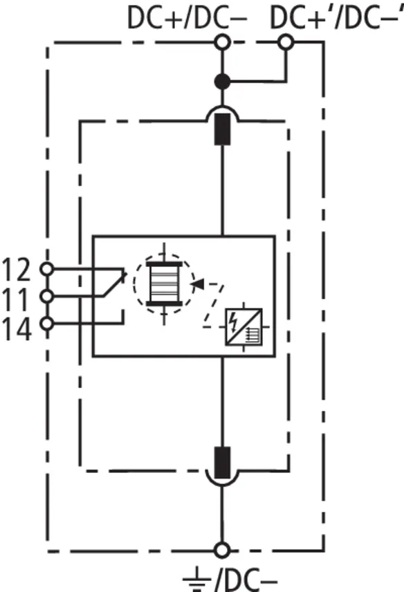
DEHNsecure

  • Parafoudre coordonné à éclateurs à air, comprenant une embase et un module de protection débrochable
  • Technologie d'éclateurs à air spécialement adapté aux applications DC
  • Capacité d'écoulement élevée de 25 kA (10/350 µs)
  • Directement coordonné avec les parafoudres DEHNguard SE DC ...
  • Bas niveau de protection
  • Indication optique de fonctionnement/de défaut grâce à un voyant mécanique vert/rouge
  • Remplacement simple et sans outillage des modules de protection grâce au système de verrouillage avec touche de déverrouillage

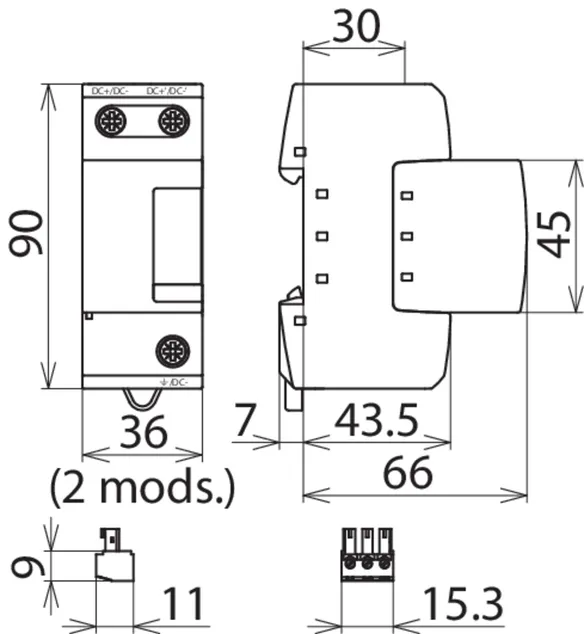
DEHNsecure M 1 ...

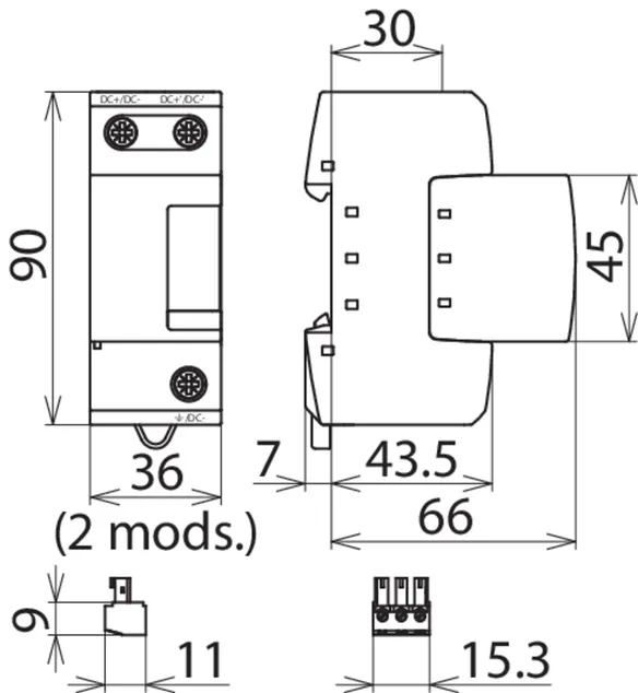
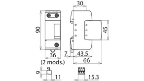
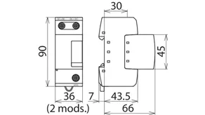
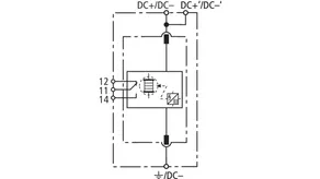
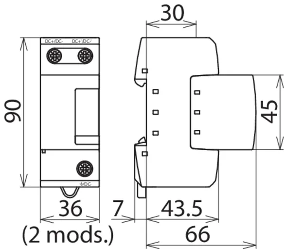
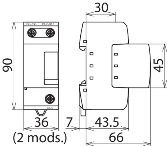
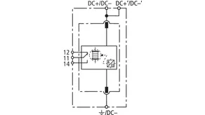
Parafoudre coordonné unipolaire modulaire pour application DC.

3 Products

Part No. 971121 DSE M 1 60

GTIN 4013364138582, Customs tariff No. (EU): 85363090, Gross weight: 300.00 g, PU: 1.00 pièce(s)


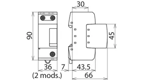
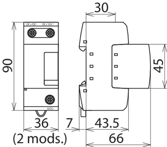
Images

Additional information



produit : DEHN
Type: DSE M 1 60
Référence: 971121
ou équivalent

Certificates

 

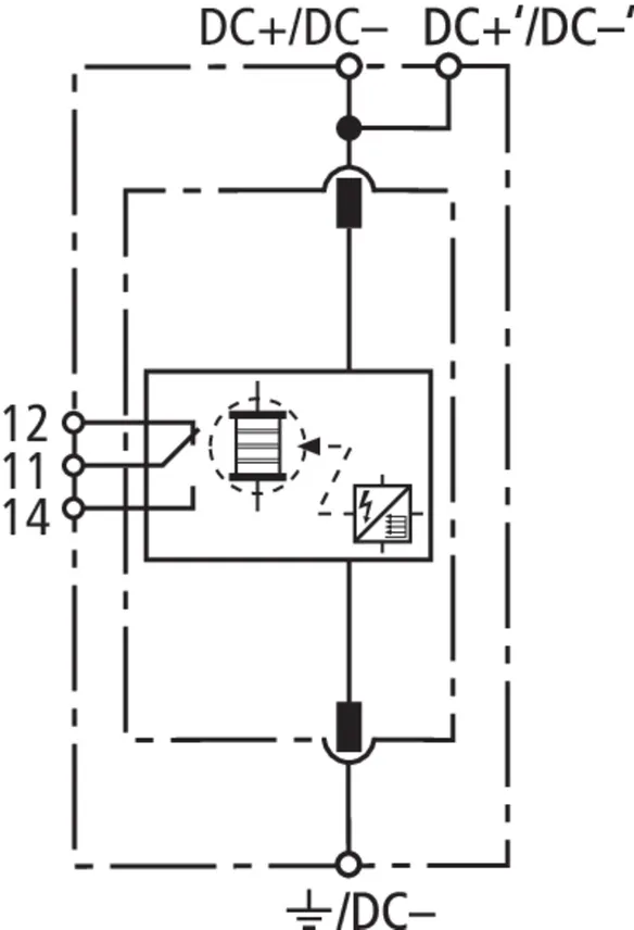
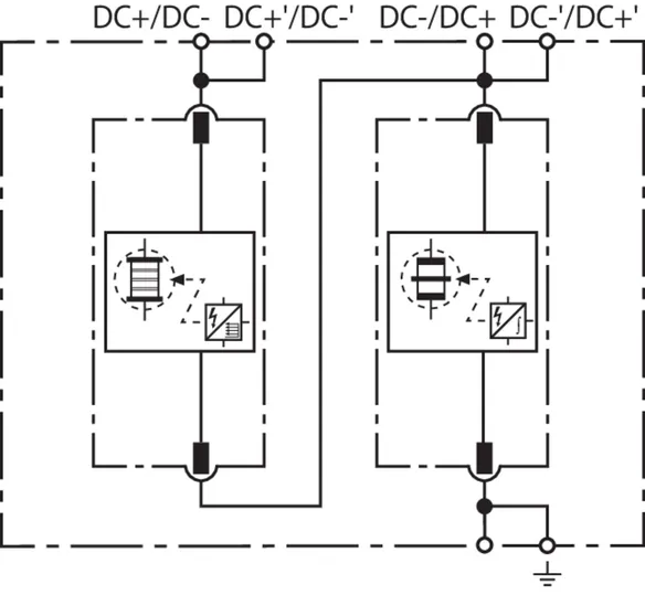
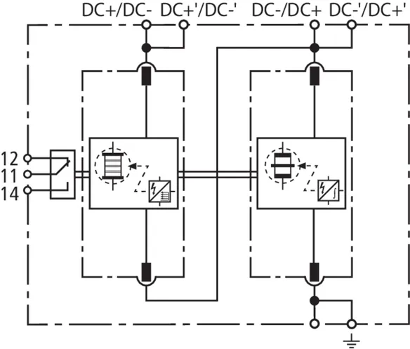
Wave breaker function

In the case of spark-gap-based type 1 arresters, the entire current flows through the type 1 arrester during the discharge process. Like a wave breaker, the incoming energy is greatly broken down, which significantly relieves the downstream SPDs. All type 1 arresters in the Red/Line product range feature the WBF wave breaker function.

Technical data

Classification du SPD selon NF EN 61643-11/...CEI 61643-11 Type 1/Classe 1
Tension max. de régime permanent DC (UC ) 60 V
Courant de choc de décharge (10/350 µs) (Iimp ) 25 kA
Niveau de protection en tension (UP ) ≤ 1,5 kV
Protection max. contre les surintensités 250 A gG
Certifications UL
Caractéristiques techniques supplémentaires : Utilisation dans des éclairages de sécurité

Product 971121 was added to Notepad.

Product 971121 was added to the cart.

Part No. 971120 DSE M 1 220

GTIN 4013364133631, Customs tariff No. (EU): 85363090, Gross weight: 268.20 g, PU: 1.00 pièce(s)


Images

Additional information



produit : DEHN
Type: DSE M 1 220
Référence: 971120
ou équivalent

Certificates

 

Wave breaker function

In the case of spark-gap-based type 1 arresters, the entire current flows through the type 1 arrester during the discharge process. Like a wave breaker, the incoming energy is greatly broken down, which significantly relieves the downstream SPDs. All type 1 arresters in the Red/Line product range feature the WBF wave breaker function.

Technical data

Classification du SPD selon NF EN 61643-11/...CEI 61643-11 Type 1/Classe 1
Tension max. de régime permanent DC (UC ) 220 V
Courant de choc de décharge (10/350 µs) (Iimp ) 25 kA
Niveau de protection en tension (UP ) ≤ 2,5 kV
Protection max. contre les surintensités 250 A gG
Caractéristiques techniques supplémentaires : Utilisation dans des éclairages de sécurité

Product 971120 was added to Notepad.

Product 971120 was added to the cart.

Part No. 971122 DSE M 1 242

GTIN 4013364144477, Customs tariff No. (EU): 85363090, Gross weight: 273.70 g, PU: 1.00 pièce(s)


Images

Additional information



produit : DEHN
Type: DSE M 1 242
Référence: 971122
ou équivalent

Certificates

 

Wave breaker function

In the case of spark-gap-based type 1 arresters, the entire current flows through the type 1 arrester during the discharge process. Like a wave breaker, the incoming energy is greatly broken down, which significantly relieves the downstream SPDs. All type 1 arresters in the Red/Line product range feature the WBF wave breaker function.

Technical data

Classification du SPD selon NF EN 61643-11/...CEI 61643-11 Type 1/Classe 1
Tension max. de régime permanent DC (UC ) 242 V
Courant de choc de décharge (10/350 µs) (Iimp ) 25 kA
Niveau de protection en tension (UP ) ≤ 2,5 kV
Protection max. contre les surintensités 250 A gG
Caractéristiques techniques supplémentaires : Utilisation dans des éclairages de sécurité
– Tension d’utilisation permanente max AC (UC ) 255 V

Product 971122 was added to Notepad.

Product 971122 was added to the cart.


DEHNsecure M 1 ... FM

Parafoudre coordonné unipolaire modulaire pour application DC ; avec contact de télésignalisation pour système de surveillance (contact sec inverseur).

3 Products

Part No. 971126 DSE M 1 60 FM

GTIN 4013364138599, Customs tariff No. (EU): 85363090, Gross weight: 304.00 g, PU: 1.00 pièce(s)


Images

Additional information



produit : DEHN
Type: DSE M 1 60 FM
Référence: 971126
ou équivalent

Certificates

 

Wave breaker function

In the case of spark-gap-based type 1 arresters, the entire current flows through the type 1 arrester during the discharge process. Like a wave breaker, the incoming energy is greatly broken down, which significantly relieves the downstream SPDs. All type 1 arresters in the Red/Line product range feature the WBF wave breaker function.

Technical data

Classification du SPD selon NF EN 61643-11/...CEI 61643-11 Type 1/Classe 1
Tension max. de régime permanent DC (UC ) 60 V
Courant de choc de décharge (10/350 µs) (Iimp ) 25 kA
Niveau de protection en tension (UP ) ≤ 1,5 kV
Protection max. contre les surintensités 250 A gG
Certifications UL
Contacts de télésignalisation/Type de contact Inverseur
Caractéristiques techniques supplémentaires : Utilisation dans des éclairages de sécurité

Product 971126 was added to Notepad.

Product 971126 was added to the cart.

Part No. 971125 DSE M 1 220 FM

GTIN 4013364133648, Customs tariff No. (EU): 85363090, Gross weight: 241.90 g, PU: 1.00 pièce(s)


Images

Additional information



produit : DEHN
Type: DSE M 1 220 FM
Référence: 971125
ou équivalent

Certificates

 

Wave breaker function

In the case of spark-gap-based type 1 arresters, the entire current flows through the type 1 arrester during the discharge process. Like a wave breaker, the incoming energy is greatly broken down, which significantly relieves the downstream SPDs. All type 1 arresters in the Red/Line product range feature the WBF wave breaker function.

Technical data

Classification du SPD selon NF EN 61643-11/...CEI 61643-11 Type 1/Classe 1
Tension max. de régime permanent DC (UC ) 220 V
Courant de choc de décharge (10/350 µs) (Iimp ) 25 kA
Niveau de protection en tension (UP ) ≤ 2,5 kV
Protection max. contre les surintensités 250 A gG
Contacts de télésignalisation/Type de contact Inverseur
Caractéristiques techniques supplémentaires : Utilisation dans des éclairages de sécurité

Product 971125 was added to Notepad.

Product 971125 was added to the cart.

Part No. 971127 DSE M 1 242 FM

GTIN 4013364144484, Customs tariff No. (EU): 85363090, Gross weight: 269.50 g, PU: 1.00 pièce(s)


Images

Additional information



produit : DEHN
Type: DSE M 1 242 FM
Référence: 971127
ou équivalent

Certificates

 

Wave breaker function

In the case of spark-gap-based type 1 arresters, the entire current flows through the type 1 arrester during the discharge process. Like a wave breaker, the incoming energy is greatly broken down, which significantly relieves the downstream SPDs. All type 1 arresters in the Red/Line product range feature the WBF wave breaker function.

Technical data

Classification du SPD selon NF EN 61643-11/...CEI 61643-11 Type 1/Classe 1
Tension max. de régime permanent DC (UC ) 242 V
Courant de choc de décharge (10/350 µs) (Iimp ) 25 kA
Niveau de protection en tension (UP ) ≤ 2,5 kV
Protection max. contre les surintensités 250 A gG
Contacts de télésignalisation/Type de contact Inverseur
Caractéristiques techniques supplémentaires : Utilisation dans des éclairages de sécurité
– Tension d’utilisation permanente max AC (UC ) 255 V

Product 971127 was added to Notepad.

Product 971127 was added to the cart.


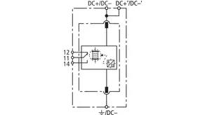
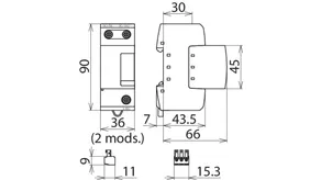
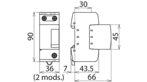
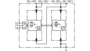
DEHNsecure M 2P ... (FM)

Parafoudre coordonné bipolaire modulaire pour application DC jusqu' à 60 V (mode de connexion 1 + 1) ; type FM avec contact sec de télésignalisation.

2 Products

Part No. 971221 DSE M 2P 60

GTIN 4013364138612, Customs tariff No. (EU): 85363090, Gross weight: 638.00 g, PU: 1.00 pièce(s)


Images

Additional information



produit : DEHN
Type: DSE M 2P 60
Référence: 971221
ou équivalent

Certificates

 

Wave breaker function

In the case of spark-gap-based type 1 arresters, the entire current flows through the type 1 arrester during the discharge process. Like a wave breaker, the incoming energy is greatly broken down, which significantly relieves the downstream SPDs. All type 1 arresters in the Red/Line product range feature the WBF wave breaker function.

Technical data

Classification du SPD selon NF EN 61643-11/...CEI 61643-11 Type 1/Classe 1
Tension max. de régime permanent DC (UC ) 60 V
Courant de choc de décharge (10/350 µs) (DC+/DC- -> DC-/DC+) / (DC-/DC+ ->9) (Iimp ) 25/50 kA
Niveau de protection (DC+/DC- -> DC-/DC+) / (DC-/DC+ ->9) (UP ) ≤ 1,5 kV/≤ 1,5 kV
Protection max. contre les surintensités 250 A gG
Certifications UL

Product 971221 was added to Notepad.

Product 971221 was added to the cart.

Part No. 971226 DSE M 2P 60 FM

GTIN 4013364138629, Customs tariff No. (EU): 85363090, Gross weight: 675.00 g, PU: 1.00 pièce(s)


Images

Additional information



produit : DEHN
Type: DSE M 2P 60 FM
Référence: 971226
ou équivalent

Certificates

 

Wave breaker function

In the case of spark-gap-based type 1 arresters, the entire current flows through the type 1 arrester during the discharge process. Like a wave breaker, the incoming energy is greatly broken down, which significantly relieves the downstream SPDs. All type 1 arresters in the Red/Line product range feature the WBF wave breaker function.

Technical data

Classification du SPD selon NF EN 61643-11/...CEI 61643-11 Type 1/Classe 1
Tension max. de régime permanent DC (UC ) 60 V
Courant de choc de décharge (10/350 µs) (DC+/DC- -> DC-/DC+) / (DC-/DC+ ->9) (Iimp ) 25/50 kA
Niveau de protection (DC+/DC- -> DC-/DC+) / (DC-/DC+ ->9) (UP ) ≤ 1,5 kV/≤ 1,5 kV
Protection max. contre les surintensités 250 A gG
Certifications UL
Contacts de télésignalisation/Type de contact Inverseur

Product 971226 was added to Notepad.

Product 971226 was added to the cart.


DEHNsecure NG 2P 60 FM

Parafoudre coordonné modulaire bipolaire pour les applications à courant continu jusqu’à 60 V (commutation 1+1) ; en version FM avec contact sec de télésignalisation

1 Product

Part No. 971222 DSE NG 2P 60 FM

GTIN 4013364489523, Customs tariff No. (EU): 85363090, Gross weight: 507.00 g, PU: 1.00 pièce(s)


Images

Additional information

Parafoudre coordonné DEHNsecure NG 2P 60 FM
Parafoudre coordonné bipolaire modulaire
enfichable pour applications à courant continu,
largeur 4 modules avec
contact de télésignalisation
Parafoudre type 1 selon EN 61643-11
Spécialement destiné aux circuits DC
technologie à éclateur à air adaptée
Indication de défaut
Tension continue maximale : 60 V DC
Niveau de protection : <= 1,5 kV
Courant de foudre (10/350) : 50 kA
Résistance aux courts-circuits DC : 10 kA
Coordination énergétique selon DIN EN 62305-4
Parafoudre de la gamme Red/Line

produit : DEHN
Type: DSE NG 2P 60 FM
Référence: 971222
ou équivalent

 

Wave breaker function

In the case of spark-gap-based type 1 arresters, the entire current flows through the type 1 arrester during the discharge process. Like a wave breaker, the incoming energy is greatly broken down, which significantly relieves the downstream SPDs. All type 1 arresters in the Red/Line product range feature the WBF wave breaker function.

Technical data

Classification du SPD selon NF EN 61643-11/...CEI 61643-11 Type 1/Classe 1
Tension max. de régime permanent DC (UC ) 60 V
Courant de choc de décharge (10/350 µs) (DC+/DC- -> DC-/DC+) / (DC-/DC+ ->9) (Iimp ) 25/50 kA
Niveau de protection (DC+/DC- -> DC-/DC+) / (DC-/DC+ ->9) (UP ) ≤ 1,5 kV/≤ 1,5 kV
Protection max. contre les surintensités 250 A gG
Contacts de télésignalisation/Type de contact Inverseur

Product 971222 was added to Notepad.

Product 971222 was added to the cart.


back to top