DEHNbloc Maxi S

  • Parafoudre à base d'éclateurs à air avec un fusible amont intégré résistant au courant de foudre, dans un boîtier compact
  • Montage direct sur barres PEN ou N
  • Bas niveau de protection UP ≤ 2,5 kV (tient compte de 80 cm de câble de connexion)
  • Directement coordonné avec les parafoudres DEHNguard sans nécessiter de longueur de câble ou d'inductance supplémentaire
  • Tenue aux courts-circuits de 100 kAeff (220 kApeak)
  • Continuité de service accrue des installations grâce a la technologie de limitation du courant de suite « RADAX-Flow »
  • Haute capacité d'écoulement du courant de foudre
  • Avec interface à fibre optique pour la surveillance du parafoudre

Details

lorem ipsum
lorem ipsum
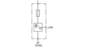
3 - 0 application en système TN-C
lorem ipsum
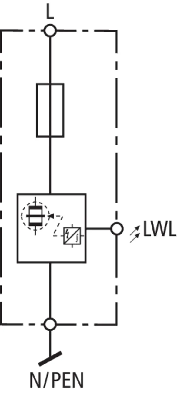
3 + 1 application en système TT/TN-S
lorem ipsum

DEHNbloc Maxi 1 255 S

Parafoudre coordonné unipolaire avec fusible amont intégré pour le système 230 / 400 V, approprié pour jeu de barres.

1 Product

Part No. 900220 DBM 1 255 S

GTIN 4013364106734, Customs tariff No. (EU): 85363090, Gross weight: 730.70 g, PU: 1.00 pièce(s)


Images

Additional information



produit : DEHN
Type: DBM 1 255 S
Référence: 900220
ou équivalent

Certificates

 

Circuit Interruption

The backup fuse is already integrated here. This means: reduced space requirement, lower installation costs, faster wiring, and shorter connecting cables. This concept can be found in the product ranges DEHNvenCI, DEHNbloc Maxi S, DEHNguard ... CI and V(A) NH...

Wave breaker function

In the case of spark-gap-based type 1 arresters, the entire current flows through the type 1 arrester during the discharge process. Like a wave breaker, the incoming energy is greatly broken down, which significantly relieves the downstream SPDs. All type 1 arresters in the Red/Line product range feature the WBF wave breaker function.

Technical data

SPD selon NF EN 61643-11/... CEI 61643-11 Type 1 / Class I
Tension max. de régime permanent AC [L - 230/400] (UC ) 255 V (50/60 Hz)
Courant de choc de décharge (10/350 µs) (Iimp ) 25 kA
Niveau de protection en tension (UP ) ≤ 2,5 kV (tient compte de 80 cm de câble de connexion)
Protection max. contre les surintensités pas nécessaire
Indication de fonctionnement par fibre optique via DSI E 3

Product 900220 was added to Notepad.

Product 900220 was added to the cart.


back to top