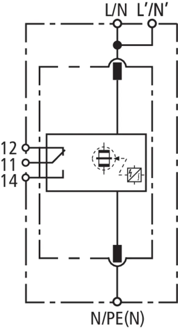
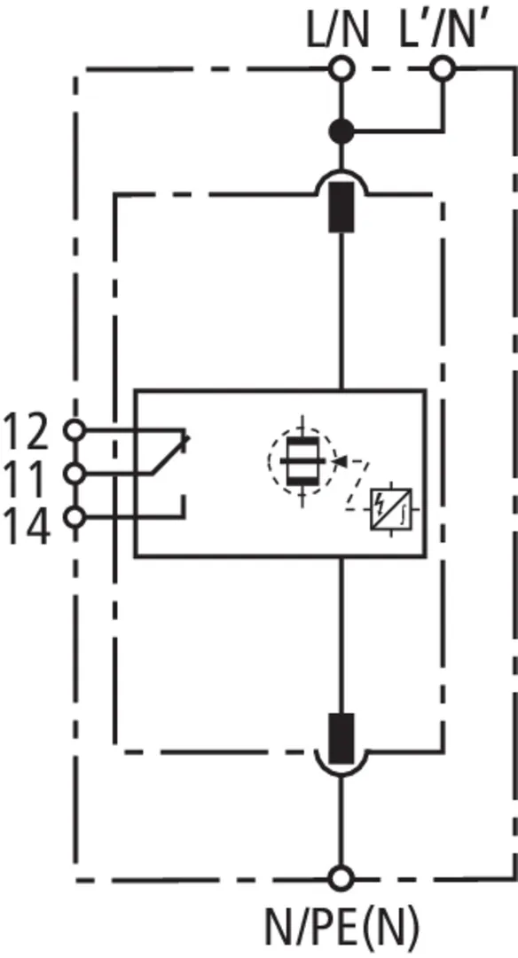
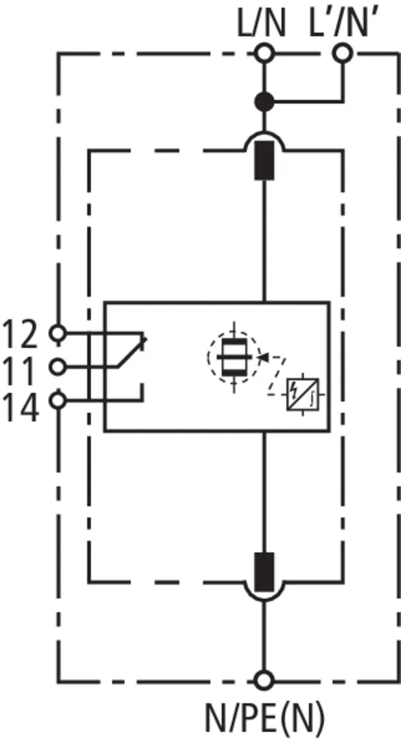
DEHNbloc

  • Parafoudre coordonné à base d’éclateurs à air, comprenant une embase et un module de protection débrochable
  • Continuité de service accrue des installations grâce à la technologie de limitation du courant de suite « RADAX-Flow »
  • Non déclenchement d'un fusible 35 A gG jusqu'à des courants de court-circuit de 50 kAeff
  • Capacité d'écoulement jusqu'à 50 kA (10/350 µs)
  • Directement coordonné avec les parafoudres DEHNguard sans nécessiter de longueur de câble ou d'inductance supplémentaire
  • Bas niveau de protection
  • Indication optique de fonctionnement/de défaut grâce à un voyant mécanique vert/rouge
  • Remplacement simple et sans outillage du module de protection grâce au système de verrouillage avec touche de déverrouillage

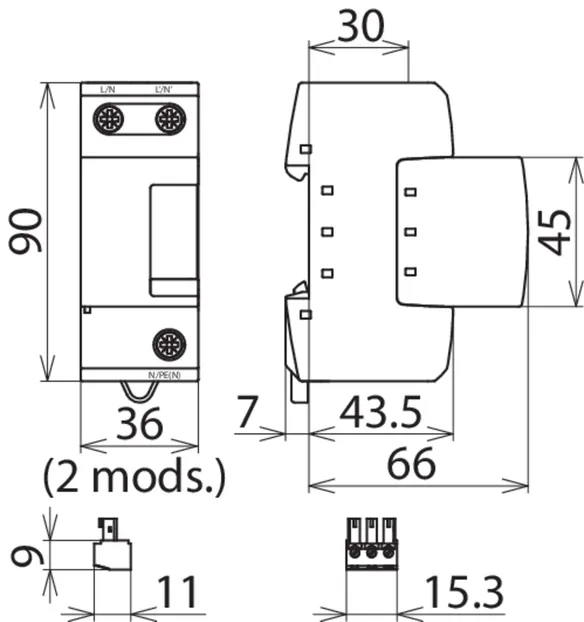
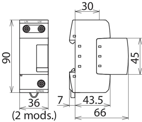
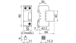
Details

lorem ipsum

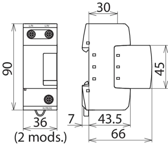
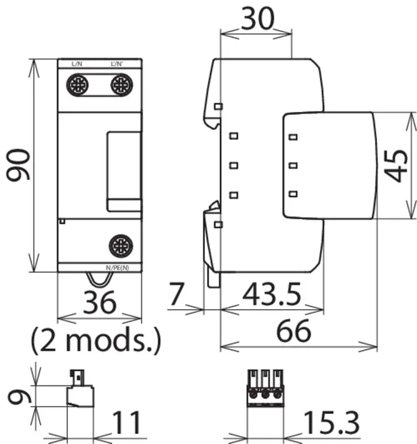
DEHNbloc M 1 ...

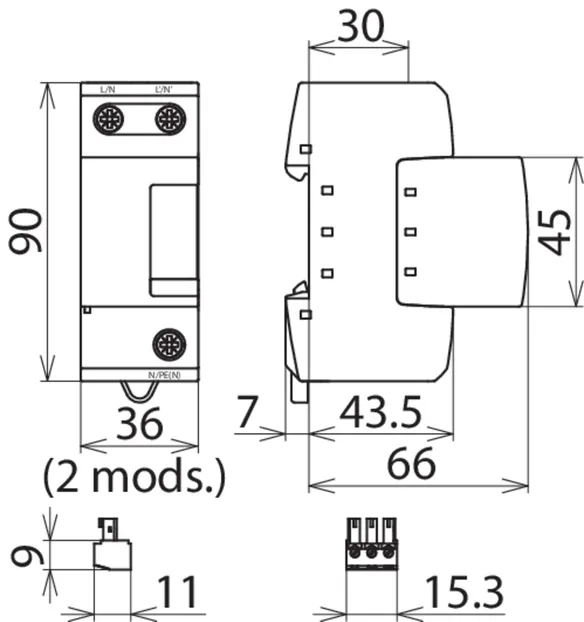
Parafoudre coordonné unipolaire modulaire avec capacité d'écoulement élevée.

3 Products

Part No. 961110 DB M 1 150

GTIN 4013364118560, Customs tariff No. (EU): 85363090, Gross weight: 333.40 g, PU: 1.00 pièce(s)

Predecessor

Images

Additional information



produit : DEHN
Type: DB M 1 150
Référence: 961110
ou équivalent

Certificates

 

Wave breaker function

In the case of spark-gap-based type 1 arresters, the entire current flows through the type 1 arrester during the discharge process. Like a wave breaker, the incoming energy is greatly broken down, which significantly relieves the downstream SPDs. All type 1 arresters in the Red/Line product range feature the WBF wave breaker function.

Technical data

SPD selon NF EN 61643-11/...CEI 61643-11 Type 1/Classe 1
Tension max. de régime permanent AC (UC ) 150 V (50/60 Hz)
Courant de choc de décharge (10/350 µs) (Iimp ) 35 kA
Niveau de protection en tension (UP ) ≤ 1,5 kV
Fusible amont max. (L) jusqu'à IK = 35 kAeff (ta ≤ 0,2 s) 500 A gG
Fusible amont max. (L) jusqu'à IK = 35 kAeff (ta ≤ 5 s) 315 A gG
Certifications UL, CSA

Product 961110 was added to Notepad.

Product 961110 was added to the cart.

Part No. 961120 DB M 1 255

GTIN 4013364118614, Customs tariff No. (EU): 85363090, Gross weight: 355.80 g, PU: 1.00 pièce(s)

Predecessor

Images

Additional information



produit : DEHN
Type: DB M 1 255
Référence: 961120
ou équivalent

Certificates

 

Wave breaker function

In the case of spark-gap-based type 1 arresters, the entire current flows through the type 1 arrester during the discharge process. Like a wave breaker, the incoming energy is greatly broken down, which significantly relieves the downstream SPDs. All type 1 arresters in the Red/Line product range feature the WBF wave breaker function.

Technical data

SPD selon NF EN 61643-11/...CEI 61643-11 Type 1/Classe 1
Tension max. de régime permanent AC (UC ) 255 V (50/60 Hz)
Courant de choc de décharge (10/350 µs) (Iimp ) 50 kA
Niveau de protection en tension (UP ) ≤ 2,5 kV
Fusible amont max. (L) jusqu'à IK = 50 kAeff (ta ≤ 0,2 s) 500 A gG
Fusible amont max. (L) jusqu'à IK = 50 kAeff (ta ≤ 5 s) 315 A gG
Certifications VDE, KEMA, UL

Product 961120 was added to Notepad.

Product 961120 was added to the cart.

Part No. 961130 DB M 1 320

GTIN 4013364118638, Customs tariff No. (EU): 85363090, Gross weight: 341.00 g, PU: 1.00 pièce(s)

Predecessor

Images

Additional information



produit : DEHN
Type: DB M 1 320
Référence: 961130
ou équivalent

Certificates

 

Wave breaker function

In the case of spark-gap-based type 1 arresters, the entire current flows through the type 1 arrester during the discharge process. Like a wave breaker, the incoming energy is greatly broken down, which significantly relieves the downstream SPDs. All type 1 arresters in the Red/Line product range feature the WBF wave breaker function.

Technical data

SPD selon NF EN 61643-11/...CEI 61643-11 Type 1/Classe 1
Tension max. de régime permanent AC (UC ) 320 V (50/60 Hz)
Courant de choc de décharge (10/350 µs) (Iimp ) 25 kA
Niveau de protection en tension (UP ) ≤ 2,5 kV
Fusible amont max. (L) jusqu'à IK = 50 kAeff (ta ≤ 0,2 s) 315 A gG
Fusible amont max. (L) jusqu'à IK = 50 kAeff (ta ≤ 5 s) 315 A gG
Certifications UL

Product 961130 was added to Notepad.

Product 961130 was added to the cart.


DEHNbloc M 1 ... FM

Parafoudre coordonné unipolaire modulaire avec capacité d'écoulement élevée ; avec contact de télésignalisation pour un dispositif de surveillance (contact sec inverseur).

3 Products

Part No. 961115 DB M 1 150 FM

GTIN 4013364118577, Customs tariff No. (EU): 85363090, Gross weight: 337.30 g, PU: 1.00 pièce(s)

Predecessor

Images

Additional information



produit : DEHN
Type: DB M 1 150 FM
Référence: 961115
ou équivalent

Certificates

 

Wave breaker function

In the case of spark-gap-based type 1 arresters, the entire current flows through the type 1 arrester during the discharge process. Like a wave breaker, the incoming energy is greatly broken down, which significantly relieves the downstream SPDs. All type 1 arresters in the Red/Line product range feature the WBF wave breaker function.

Technical data

SPD selon NF EN 61643-11/...CEI 61643-11 Type 1/Classe 1
Tension max. de régime permanent AC (UC ) 150 V (50/60 Hz)
Courant de choc de décharge (10/350 µs) (Iimp ) 35 kA
Niveau de protection en tension (UP ) ≤ 1,5 kV
Fusible amont max. (L) jusqu'à IK = 35 kAeff (ta ≤ 0,2 s) 500 A gG
Fusible amont max. (L) jusqu'à IK = 35 kAeff (ta ≤ 5 s) 315 A gG
Certifications UL, CSA

Product 961115 was added to Notepad.

Product 961115 was added to the cart.

Part No. 961125 DB M 1 255 FM

GTIN 4013364118621, Customs tariff No. (EU): 85363090, Gross weight: 359.30 g, PU: 1.00 pièce(s)

Predecessor

Images

Additional information



produit : DEHN
Type: DB M 1 255 FM
Référence: 961125
ou équivalent

Certificates

 

Wave breaker function

In the case of spark-gap-based type 1 arresters, the entire current flows through the type 1 arrester during the discharge process. Like a wave breaker, the incoming energy is greatly broken down, which significantly relieves the downstream SPDs. All type 1 arresters in the Red/Line product range feature the WBF wave breaker function.

Technical data

SPD selon NF EN 61643-11/...CEI 61643-11 Type 1/Classe 1
Tension max. de régime permanent AC (UC ) 255 V (50/60 Hz)
Courant de choc de décharge (10/350 µs) (Iimp ) 50 kA
Niveau de protection en tension (UP ) ≤ 2,5 kV
Fusible amont max. (L) jusqu'à IK = 50 kAeff (ta ≤ 0,2 s) 500 A gG
Fusible amont max. (L) jusqu'à IK = 50 kAeff (ta ≤ 5 s) 315 A gG
Certifications VDE, KEMA, UL

Product 961125 was added to Notepad.

Product 961125 was added to the cart.

Part No. 961135 DB M 1 320 FM

GTIN 4013364118645, Customs tariff No. (EU): 85363090, Gross weight: 346.00 g, PU: 1.00 pièce(s)

Predecessor

Images

Additional information



produit : DEHN
Type: DB M 1 320 FM
Référence: 961135
ou équivalent

Certificates

 

Wave breaker function

In the case of spark-gap-based type 1 arresters, the entire current flows through the type 1 arrester during the discharge process. Like a wave breaker, the incoming energy is greatly broken down, which significantly relieves the downstream SPDs. All type 1 arresters in the Red/Line product range feature the WBF wave breaker function.

Technical data

SPD selon NF EN 61643-11/...CEI 61643-11 Type 1/Classe 1
Tension max. de régime permanent AC (UC ) 320 V (50/60 Hz)
Courant de choc de décharge (10/350 µs) (Iimp ) 25 kA
Niveau de protection en tension (UP ) ≤ 2,5 kV
Fusible amont max. (L) jusqu'à IK = 50 kAeff (ta ≤ 0,2 s) 315 A gG
Fusible amont max. (L) jusqu'à IK = 50 kAeff (ta ≤ 5 s) 315 A gG
Certifications UL

Product 961135 was added to Notepad.

Product 961135 was added to the cart.


back to top