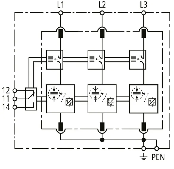
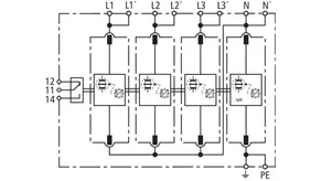
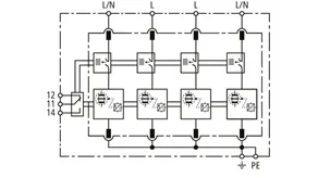
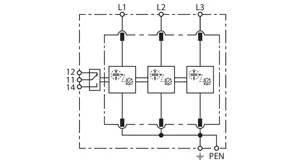
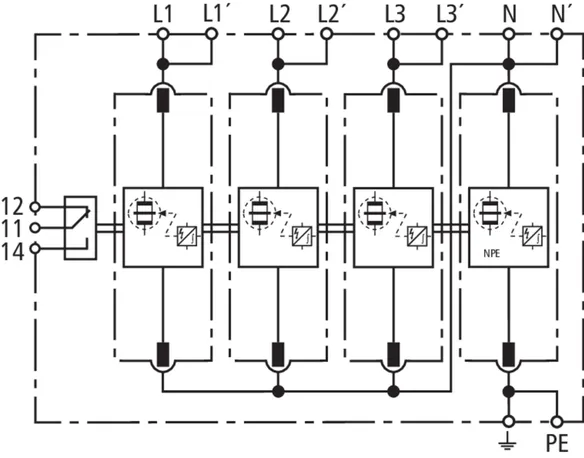
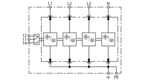
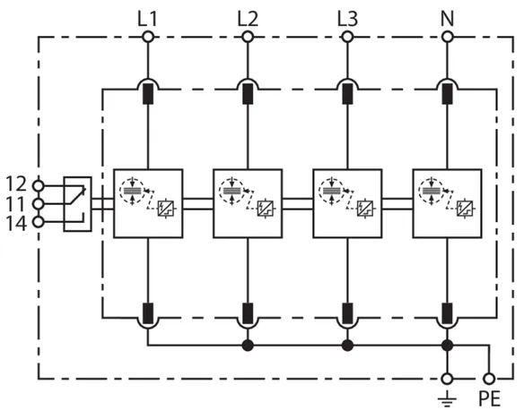
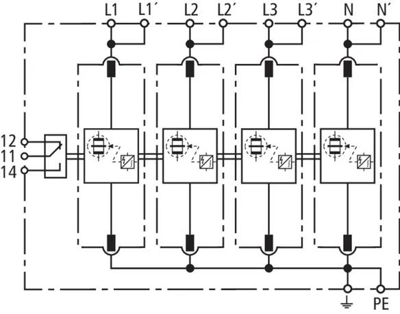
DEHNventil
- Parafoudre combiné type 1 + type 2 + type 3 à base d'éclateurs à air, composé d'une embase et d'un module de protection
- Technologie d'éclateur à air -RAC
- La faible énergie résiduelle permet la protection des équipements terminaux
- Non déclenchement d'un fusible de 20A gG jusqu'à des courants de court-circuit de 50kArms
- Capacité d'écoulement jusqu'à 100 kA (10/350 µs)
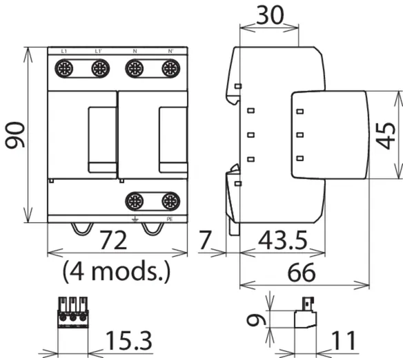
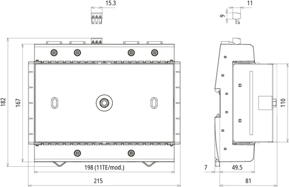
- La largeur de seulement 4 modules facilite l'installation et le respect de la règle des 50cm.
- Indication optique de fonctionnement/défaut grâce à un voyant mécanique vert/rouge
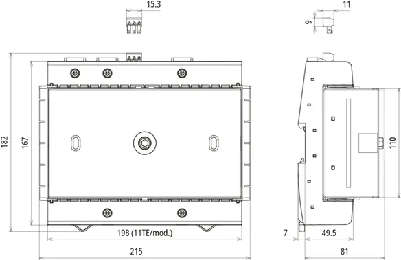
Details
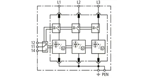
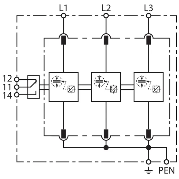
Part No. 956305 DV M2 TNC 255 FM
GTIN 4013364510586, Customs tariff No. (EU): 85363090, Gross weight: 519.19 g, PU: 1.00 pièce(s)
PredecessorTechnical data
| SPD selon NF EN 61643-11 / ... CEI 61643-11 | Type 1 + Type 2 + Type 3/ Classe I + Classe II + Classe III |
| Courant de choc de décharge (10/350 µs) [L1+L2+L3-PEN] (Itotal ) | 75 kA |
| Courant de foudre (10/350 µs) [L-PEN] (Iimp ) | 25 kA |
| Niveau de protection en tension (UP ) | ≤ 1,5 kV |
| Fusible amont max. (L) jusqu'à IK = 50 kAeff | 250 A gG |
| Certifications | VDE, KEMA, UL |
| Contacts de télésignalisation/Type de contact | Inverseur |
| Caractéristiques techniques supplémentaires : | Utilisation dans des tableaux de distribution avec des courts-circuits présumés supérieurs à 50 kAeff |
| – Courant de court-circuit présumé max. | 100 kAeff (220 kApeak) |
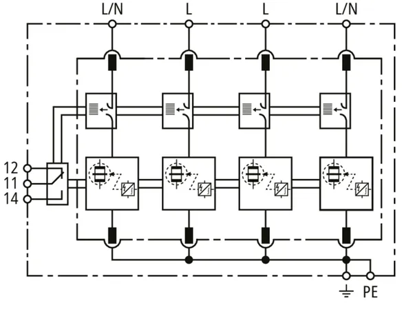
Part No. 956405 DV M2 TNS 255 FM
GTIN 4013364510562, Customs tariff No. (EU): 85363090, Gross weight: 583.68 g, PU: 1.00 pièce(s)
PredecessorTechnical data
| SPD selon NF EN 61643-11 / ... CEI 61643-11 | Type 1 + Type 2 + Type 3 / Classe I + Classe II + Classe III |
| Courant de choc de décharge (10/350 µs) [L1+L2+L3+N-PE] (Itotal ) | 100 kA |
| Courant de foudre (10/350 µs) [L, N-PE] (Iimp ) | 25 kA |
| Niveau de protection en tension [L-PE]/[N-PE] (UP ) | ≤ 1,5 kV/≤ 1,5 kV |
| Fusible amont max. (L) jusqu'à IK = 50 kAeff | 250 A gG |
| Certifications | VDE, KEMA, UL |
| Contacts de télésignalisation/Type de contact | Inverseur |
| Caractéristiques techniques supplémentaires : | Utilisation dans des tableaux de distribution avec des courts-circuits présumés supérieurs à 50 kAeff |
| – Courant de court-circuit présumé max. | 100 kAeff (220 kApeak) |
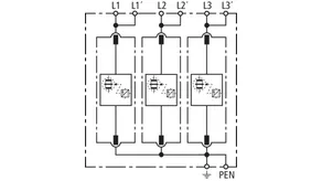
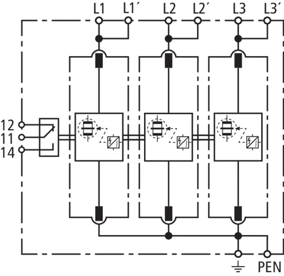
Part No. 956315 DV M2 TT 255 FM
GTIN 4013364528963, Customs tariff No. (EU): 85363090, Gross weight: 616.00 g, PU: 1.00 pièce(s)
Technical data
| SPD selon NF EN 61643-11 / ... CEI 61643-11 | Type 1 + Type 2 + Type 3 / Classe I + Classe II + Classe III |
| Courant de choc de décharge (10/350 µs) [L1+L2+L3+N-PE] (Itotal ) | 100 kA |
| Courant de foudre (10/350 µs) [L-N]/[N-PE] (Iimp ) | 25/100 kA |
| Niveau de protection en tension [L-N]/[N-PE] (UP ) | ≤ 1,5 kV/≤ 1,5 kV |
| Fusible amont max. (L) jusqu'à IK = 50 kAeff | 250 A gG |
| Certifications | VDE, KEMA, UL |
| Contacts de télésignalisation/Type de contact | Inverseur |
| Caractéristiques techniques supplémentaires : | Utilisation dans des tableaux de distribution avec des courts-circuits présumés supérieurs à 50 kAeff |
| – Courant de court-circuit présumé max. | 100 kAeff (220 kApeak) |
| Détails supplémentaires : | --------------------------------- |
| – Niveau de protection [L-PE] (UP ) | 1,8 kV |
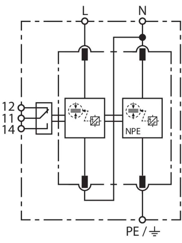
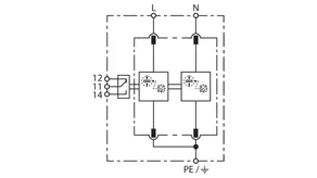
Part No. 956205 DV M2 TN 255 FM
GTIN 4013364510579, Customs tariff No. (EU): 85363090, Gross weight: 311.29 g, PU: 1.00 pièce(s)
PredecessorTechnical data
| SPD selon NF EN 61643-11 / ... CEI 61643-11 | Type 1 + Type 2 + Type 3 / Classe I + Classe II + Classe III |
| Courant de choc de décharge (10/350 µs) [L+N-PE] (Itotal ) | 50 kA |
| Courant de foudre (10/350 µs) [L, N-PE] (Iimp ) | 25 kA |
| Niveau de protection en tension [L-PE]/[N-PE] (UP ) | ≤ 1,5 kV/≤ 1,5 kV |
| Fusible amont max. (L) jusqu'à IK = 50 kAeff | 250 A gG |
| Certifications | VDE, KEMA, UL |
| Contacts de télésignalisation/Type de contact | Inverseur |
| Caractéristiques techniques supplémentaires : | Utilisation dans des tableaux de distribution avec des courts-circuits présumés supérieurs à 50 kAeff |
| – Courant de court-circuit présumé max. | 100 kAeff (220 kApeak) |
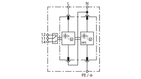
Part No. 956115 DV M2 TT 2P 255 FM
GTIN 4013364546929, Customs tariff No. (EU): 85363090, Gross weight: 327.00 g, PU: 1.00 pièce(s)
Technical data
| SPD selon NF EN 61643-11 / ... CEI 61643-11 | Type 1 + Type 2 + Type 3 / Classe I + Classe II + Classe III |
| Courant de choc de décharge (10/350 µs) [L+N-PE] (Itotal ) | 50 kA |
| Courant de foudre (10/350 µs) [L-N]/[N-PE] (Iimp ) | 25/50 kA |
| Niveau de protection en tension [L-N]/[N-PE] (UP ) | ≤ 1,5 kV/≤ 1,5 kV |
| Fusible amont max. (L) jusqu'à IK = 50 kAeff | 250 A gG |
| Certifications | VDE, KEMA, UL |
| Contacts de télésignalisation/Type de contact | Inverseur |
| Caractéristiques techniques supplémentaires : | Utilisation dans des tableaux de distribution avec des courts-circuits présumés supérieurs à 50 kAeff |
| – Courant de court-circuit présumé max. | 100 kAeff (220 kApeak) |
| Détails supplémentaires : | --------------------------------- |
| – Niveau de protection [L-PE] (UP ) | 1,8 kV |
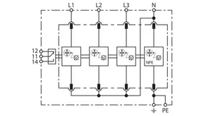
Part No. 951300 DV M TNC 255
GTIN 4013364108134, Customs tariff No. (EU): 85363090, Gross weight: 1004.00 g, PU: 1.00 pièce(s)
PredecessorTechnical data
| SPD selon NF EN 61643-11 / ... CEI 61643-11 | Type 1 + Type 2 / Classe I + Classe II |
| Courant de choc de décharge (10/350 µs) [L1+L2+L3-PEN] (Itotal ) | 75 kA |
| Courant de foudre (10/350 µs) [L-PEN] (Iimp ) | 25 kA |
| Niveau de protection en tension (UP ) | ≤ 1,5 kV |
| Fusible amont max. (L) jusqu'à IK = 50 kAeff | 315 A gG |
| Certifications | KEMA, VDE, UL |
| Caractéristiques techniques supplémentaires : | Utilisation dans des tableaux de distribution avec des courts-circuits présumés supérieurs à 50 kAeff |
| – Courant de court-circuit présumé max. | 100 kAeff (220 kApeak) |
Part No. 951305 DV M TNC 255 FM
GTIN 4013364108141, Customs tariff No. (EU): 85363090, Gross weight: 1020.00 g, PU: 1.00 pièce(s)
PredecessorTechnical data
| SPD selon NF EN 61643-11 / ... CEI 61643-11 | Type 1 + Type 2 / Classe I + Classe II |
| Courant de choc de décharge (10/350 µs) [L1+L2+L3-PEN] (Itotal ) | 75 kA |
| Courant de foudre (10/350 µs) [L-PEN] (Iimp ) | 25 kA |
| Niveau de protection en tension (UP ) | ≤ 1,5 kV |
| Fusible amont max. (L) jusqu'à IK = 50 kAeff | 315 A gG |
| Certifications | KEMA, VDE, UL |
| Contacts de télésignalisation/Type de contact | Inverseur |
| Caractéristiques techniques supplémentaires : | Utilisation dans des tableaux de distribution avec des courts-circuits présumés supérieurs à 50 kAeff |
| – Courant de court-circuit présumé max. | 100 kAeff (220 kApeak) |
Part No. 951400 DV M TNS 255
GTIN 4013364108158, Customs tariff No. (EU): 85363090, Gross weight: 1.40 kg, PU: 1.00 pièce(s)
PredecessorTechnical data
| SPD selon NF EN 61643-11 / ... CEI 61643-11 | Type 1 + Type 2 / Classe I + Classe II |
| Courant de choc de décharge (10/350 µs) [L1+L2+L3+N-PE] (Itotal ) | 100 kA |
| Courant de foudre (10/350 µs) [L, N-PE] (Iimp ) | 25 kA |
| Niveau de protection en tension [L-PE]/[N-PE] (UP ) | ≤ 1,5/≤ 1,5 kV |
| Fusible amont max. (L) jusqu'à IK = 50 kAeff | 315 A gG |
| Certifications | KEMA, VDE, UL |
| Caractéristiques techniques supplémentaires : | Utilisation dans des tableaux de distribution avec des courts-circuits présumés supérieurs à 50 kAeff |
| – Courant de court-circuit présumé max. | 100 kAeff (220 kApeak) |
Part No. 951405 DV M TNS 255 FM
GTIN 4013364108165, Customs tariff No. (EU): 85363090, Gross weight: 1.40 kg, PU: 1.00 pièce(s)
PredecessorTechnical data
| SPD selon NF EN 61643-11 / ... CEI 61643-11 | Type 1 + Type 2 / Classe I + Classe II |
| Courant de choc de décharge (10/350 µs) [L1+L2+L3+N-PE] (Itotal ) | 100 kA |
| Courant de foudre (10/350 µs) [L, N-PE] (Iimp ) | 25 kA |
| Niveau de protection en tension [L-PE]/[N-PE] (UP ) | ≤ 1,5 kV/≤ 1,5 kV |
| Fusible amont max. (L) jusqu'à IK = 50 kAeff | 315 A gG |
| Certifications | KEMA, VDE, UL |
| Contacts de télésignalisation/Type de contact | Inverseur |
| Caractéristiques techniques supplémentaires : | Utilisation dans des tableaux de distribution avec des courts-circuits présumés supérieurs à 50 kAeff |
| – Courant de court-circuit présumé max. | 100 kAeff (220 kApeak) |
Part No. 951310 DV M TT 255
GTIN 4013364108172, Customs tariff No. (EU): 85363090, Gross weight: 1.31 kg, PU: 1.00 pièce(s)
PredecessorTechnical data
| SPD selon NF EN 61643-11 / ... CEI 61643-11 | Type 1 + Type 2 / Classe I + Classe II |
| Courant de choc de décharge (10/350 µs) [L1+L2+L3+N-PE] (Itotal ) | 100 kA |
| Courant de foudre (10/350 µs) [L-N]/[N-PE] (Iimp ) | 25/100 kA |
| Niveau de protection en tension [L-N]/[N-PE] (UP ) | ≤ 1,5 kV/≤ 1,5 kV |
| Fusible amont max. (L) jusqu'à IK = 50 kAeff | 315 A gG |
| Certifications | KEMA, VDE, UL |
| Caractéristiques techniques supplémentaires : | Utilisation dans des tableaux de distribution avec des courts-circuits présumés supérieurs à 50 kAeff |
| – Courant de court-circuit présumé max. | 100 kAeff (220 kApeak) |
| Détails supplémentaires : | --------------------------------- |
| – Niveau de protection [L-PE] (UP ) | 2,2 kV |
Part No. 951315 DV M TT 255 FM
GTIN 4013364108189, Customs tariff No. (EU): 85363090, Gross weight: 1.32 kg, PU: 1.00 pièce(s)
PredecessorTechnical data
| SPD selon NF EN 61643-11 / ... CEI 61643-11 | Type 1 + Type 2 / Classe I + Classe II |
| Courant de choc de décharge (10/350 µs) [L1+L2+L3+N-PE] (Itotal ) | 100 kA |
| Courant de foudre (10/350 µs) [L-N]/[N-PE] (Iimp ) | 25/100 kA |
| Niveau de protection en tension [L-N]/[N-PE] (UP ) | ≤ 1,5 kV/≤ 1,5 kV |
| Fusible amont max. (L) jusqu'à IK = 50 kAeff | 315 A gG |
| Certifications | KEMA, VDE, UL |
| Contacts de télésignalisation/Type de contact | Inverseur |
| Caractéristiques techniques supplémentaires : | Utilisation dans des tableaux de distribution avec des courts-circuits présumés supérieurs à 50 kAeff |
| – Courant de court-circuit présumé max. | 100 kAeff (220 kApeak) |
| Détails supplémentaires : | --------------------------------- |
| – Niveau de protection [L-PE] (UP ) | 2,2 kV |
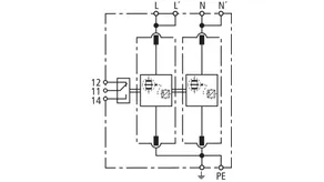
Part No. 951200 DV M TN 255
GTIN 4013364108097, Customs tariff No. (EU): 85363090, Gross weight: 754.00 g, PU: 1.00 pièce(s)
PredecessorTechnical data
| SPD selon NF EN 61643-11 / ... CEI 61643-11 | Type 1 + Type 2 / Classe I + Classe II |
| Courant de choc de décharge (10/350 µs) [L+N-PE] (Itotal ) | 50 kA |
| Courant de foudre (10/350 µs) [L, N-PE] (Iimp ) | 25 kA |
| Niveau de protection en tension [L-PE]/[N-PE] (UP ) | ≤ 1,5 kV/≤ 1,5 kV |
| Fusible amont max. (L) jusqu'à IK = 50 kAeff | 315 A gG |
| Certifications | KEMA, VDE, UL |
| Caractéristiques techniques supplémentaires : | Utilisation dans des tableaux de distribution avec des courts-circuits présumés supérieurs à 50 kAeff |
| – Courant de court-circuit présumé max. | 100 kAeff (220 kApeak) |
Part No. 951205 DV M TN 255 FM
GTIN 4013364108103, Customs tariff No. (EU): 85363090, Gross weight: 698.50 g, PU: 1.00 pièce(s)
PredecessorTechnical data
| SPD selon NF EN 61643-11 / ... CEI 61643-11 | Type 1 + Type 2 / Classe I + Classe II |
| Courant de choc de décharge (10/350 µs) [L+N-PE] (Itotal ) | 50 kA |
| Courant de foudre (10/350 µs) [L, N-PE] (Iimp ) | 25 kA |
| Niveau de protection en tension [L-PE]/[N-PE] (UP ) | ≤ 1,5 kV/≤ 1,5 kV |
| Fusible amont max. (L) jusqu'à IK = 50 kAeff | 315 A gG |
| Certifications | KEMA, VDE, UL |
| Contacts de télésignalisation/Type de contact | Inverseur |
| Caractéristiques techniques supplémentaires : | Utilisation dans des tableaux de distribution avec des courts-circuits présumés supérieurs à 50 kAeff |
| – Courant de court-circuit présumé max. | 100 kAeff (220 kApeak) |
Part No. 951110 DV M TT 2P 255
GTIN 4013364108110, Customs tariff No. (EU): 85363090, Gross weight: 688.59 g, PU: 1.00 pièce(s)
PredecessorTechnical data
| SPD selon NF EN 61643-11 / ... CEI 61643-11 | Type 1 + Type 2 / Classe I + Classe II |
| Courant de choc de décharge (10/350 µs) [L+N-PE] (Itotal ) | 50 kA |
| Courant de foudre (10/350 µs) [L-N]/[N-PE] (Iimp ) | 25/50 kA |
| Niveau de protection en tension [L-N]/[N-PE] (UP ) | ≤ 1,5 kV/≤ 1,5 kV |
| Fusible amont max. (L) jusqu'à IK = 50 kAeff | 315 A gG |
| Certifications | KEMA, VDE, UL |
| Caractéristiques techniques supplémentaires : | Utilisation dans des tableaux de distribution avec des courts-circuits présumés supérieurs à 50 kAeff |
| – Courant de court-circuit présumé max. | 100 kAeff (220 kApeak) |
| Détails supplémentaires : | --------------------------------- |
| – Niveau de protection [L-PE] (UP ) | 2,2 kV |
Part No. 951115 DV M TT 2P 255 FM
GTIN 4013364108127, Customs tariff No. (EU): 85363090, Gross weight: 694.38 g, PU: 1.00 pièce(s)
PredecessorTechnical data
| SPD selon NF EN 61643-11 / ... CEI 61643-11 | Type 1 + Type 2 / Classe I + Classe II |
| Courant de choc de décharge (10/350 µs) [L+N-PE] (Itotal ) | 50 kA |
| Courant de foudre (10/350 µs) [L-N]/[N-PE] (Iimp ) | 25/50 kA |
| Niveau de protection en tension [L-N]/[N-PE] (UP ) | ≤ 1,5 kV/≤ 1,5 kV |
| Fusible amont max. (L) jusqu'à IK = 50 kAeff | 315 A gG |
| Certifications | KEMA, VDE, UL |
| Contacts de télésignalisation/Type de contact | Inverseur |
| Caractéristiques techniques supplémentaires : | Utilisation dans des tableaux de distribution avec des courts-circuits présumés supérieurs à 50 kAeff |
| – Courant de court-circuit présumé max. | 100 kAeff (220 kApeak) |
| Détails supplémentaires : | --------------------------------- |
| – Niveau de protection [L-PE] (UP ) | 2,2 kV |
Part No. 961305 DV ACI M TNC 264 FM
GTIN 4013364513440, Customs tariff No. (EU): 85363090, Gross weight: 2.42 kg, PU: 1.00 pièce(s)
Technical data
| SPD selon EN 61643-11 / IEC 61643-11 | Type 1 + Type 2 + Type 3 / Classe I + Classe II + Classe III |
| Courant de choc de décharge (10/350 µs) [L1+L2+L3-PEN] (Itotal ) | 75 kA |
| Courant de foudre (10/350 µs) [L-PEN] (Iimp ) | 25 kA |
| Niveau de protection en tension (UP ) | ≤ 1,5 kV |
| Caractéristiques techniques supplémentaires : | Utilisation dans des tableaux de distribution avec des courts-circuits présumés supérieurs à 50 kAeff |
| – Courant de court-circuit présumé max. | 100 kAeff (220 kApeak) |
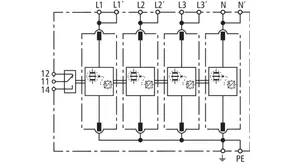
Part No. 961405 DV ACI M TNS 264 FM
GTIN 4013364513365, Customs tariff No. (EU): 85363090, Gross weight: 2.42 kg, PU: 1.00 pièce(s)
Technical data
| SPD selon EN 61643-11 / IEC 61643-11 | Type 1 + Type 2 + Type 3 / Classe I + Classe II + Classe III |
| Courant de choc de décharge (10/350 µs) [L1+L2+L3+N-PE] (Itotal ) | 100 kA |
| Courant de foudre (10/350 µs) [L, N-PE] (Iimp ) | 25 kA |
| Niveau de protection en tension [L-PE]/[N-PE] (UP ) | ≤ 1,5 kV |
| Caractéristiques techniques supplémentaires : | Utilisation dans des tableaux de distribution avec des courts-circuits présumés supérieurs à 50 kAeff |
| – Courant de court-circuit présumé max. | 100 kAeff (220 kApeak) |
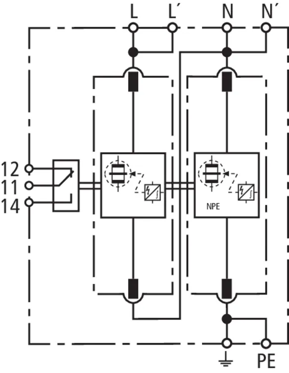
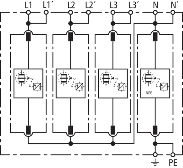
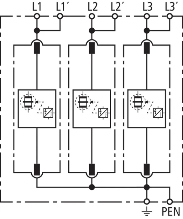
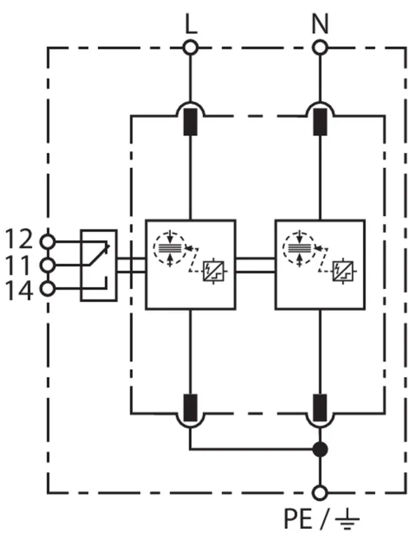
DEHNventil M2 880 FM
Set composé de parafoudres enfichables, y compris rail de câblage de modules isolé, utilisable dans les systèmes d’onduleurs avec anti-PID actif avec un décalage DC maximal de 750 V DC. Câblage des systèmes de prise de terre conformément à IEC 60364-4-44, tableau 44.A1 - RE et Z ainsi que RE et RA liés.
1 Product
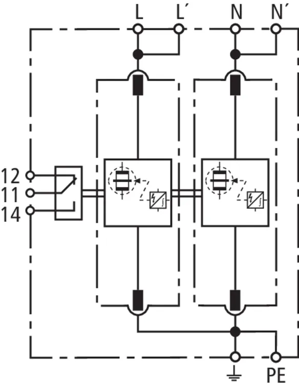
Part No. 961151 DV M2 880 FM
GTIN 4013364532557, Customs tariff No. (EU): 85363090, Gross weight: 1.07 kg, PU: 1.00 pièce(s)
Technical data
| SPD selon NF EN 61643-11 / ... CEI 61643-11 | Type 1 + Type 2 / Classe I + Classe II |
| Courant de foudre (10/350 µs) [1,2-3] (Iimp ) | 12,5 kA |
| Fusible amont max. (L) jusqu'à IK = 50 kAeff | 160 A gG |
| Contacts de télésignalisation/Type de contact | oui / inverseur |
| Détails supplémentaires : | --------------------------------- |
| – Tension anti-PID (U1-3 + UPID ) | 508 VAC + 750 VDC – Résistance |
