Supporting tube fixing

For our supporting tubes there is a wide variety of holders and fixings on railings, brickwork or round steel supports. Some with a connection option for equipotential bonding.

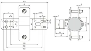
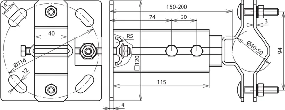
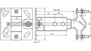
Wall mounting bracket, adjustable from 150-200 mm

1 Product

Part No. 105344 WB D40.50 V150.200 V2A

GTIN 4013364147300, Customs tariff No. (EU): 85389099, Gross weight: 1.52 kg, PU: 1.00 pc(s)


Images

Additional information

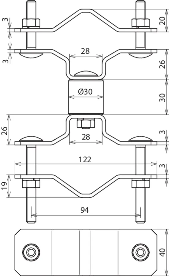
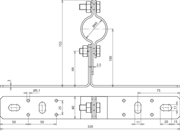
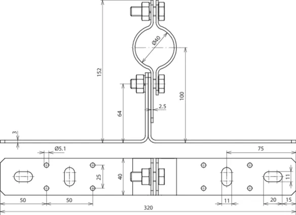
Bracket for air-termination rods D40 and DEHNcon-H, adjustable
Bracket for air-termination rods D40 and DEHNcon-H
for fixing air-termination rods D40 or supporting tubes
to structures or walls
adjustable from 150-200 mm
Material of bracket: StSt
Clamping range Rd: 8-10 mm
Clamping range for supporting tube: 40-50 mm
Distance from wall: 150-200 mm
Dimensions of plate: 120 x 120 x 4 mm
Fixing : [4x] 12 x 26 mm
Standard: EN 62561-1

Brand: DEHN
Type: WB D40.50 V150.200 V2A
Part No.: 105344
or equivalent.

Certificates

 

Technical data

Material of bracket StSt
Clamping range Rd 8-10 mm
Clamping range for supporting tube 40-50 mm
Distance from wall 150-200 mm
Dimensions of plate 120 x 120 x 4 mm
Fixing [4x] 12 x 26 mm
Standard EN 62561-1

Product 105344 was added to Notepad.

Product 105344 was added to the cart.


Holder for air-termination rods and supporting tubes

1 Product

Part No. 105160 BSC D40.50 SB50.300 V2A

GTIN 4013364113022, Customs tariff No. (EU): 85389099, Gross weight: 506.20 g, PU: 1.00 pc(s)


Images

Additional information

Holder for air-termination rods D40 and DEHNcon-H with fixing clamp
Support for air-termination rods D40 and DEHNcon-H
Fixing clamp with tensioning strap for pipes
DEHNGEPRUEFT: yes
Material: StSt
Clamping range Ø pipe: 50-300 mm
Clamping range of air-termination rod: 40-50 mm
Dimensions of strip: 25 x 0.3 mm
Standard: EN 62561-1

Brand: DEHN
Type: BSC D40.50 SB50.300 V2A
Part No.: 105160
or equivalent.

Certificates

 

Technical data

Material StSt
Clamping range Ø pipe 50-300 mm
Clamping range of air-termination rod 40-50 mm
Dimensions of strip (w x d) 25 x 0.3 mm
Standard EN 62561-1
*) For exact assignment, see test certificate.

Product 105160 was added to Notepad.

Product 105160 was added to the cart.


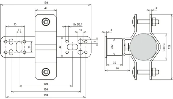
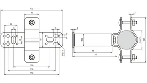
Wall mounting bracket, adjustable from 230-1300 mm

3 Products

Part No. 105347 WB D40.50 V230.400 STTZN V2A

GTIN 4013364278554, Customs tariff No. (EU): 85389099, Gross weight: 2.42 kg, PU: 1.00 pc(s)


Images

Additional information


DEHNGEPRUEFT: no
Material of bracket: St/tZn / StSt
Clamping range for supporting tube: 40-50 mm
Distance from wall: 230-400 mm
Dimensions of plate: 120 x 120 x 4 mm
Fixing: [4x] 12 x 26 mm

Brand: DEHN
Type: WB D40.50 V230.400 STTZN V2A
Part No.: 105347
or equivalent.

Certificates

 

Technical data

Material of bracket St/tZn / StSt
Clamping range for supporting tube 40-50 mm
Distance from wall 230-400 mm
Dimensions of plate 120 x 120 x 4 mm
Fixing [4x] 12 x 26 mm

Product 105347 was added to Notepad.

Product 105347 was added to the cart.

Part No. 105349 WB D40.50 V700.1300 STTZN V2A

GTIN 4013364288614, Customs tariff No. (EU): 85389099, Gross weight: 5.80 kg, PU: 1.00 pc(s)


Images

Additional information


DEHNGEPRUEFT: no
Material of bracket: St/tZn / StSt
Clamping range for supporting tube: 40-50 mm
Distance from wall: 700-1300 mm
Dimensions of plate: 120 x 120 x 4 mm
Fixing: [4x] 12 x 26 mm

Brand: DEHN
Type: WB D40.50 V700.1300 STTZN V2A
Part No.: 105349
or equivalent.

Certificates

 

Technical data

Material of bracket St/tZn / StSt
Clamping range for supporting tube 40-50 mm
Distance from wall 700-1300 mm
Dimensions of plate 120 x 120 x 4 mm
Fixing [4x] 12 x 26 mm

Product 105349 was added to Notepad.

Product 105349 was added to the cart.

Part No. 105343 WB D40.50 V400.700 STTZN V2A

GTIN 4013364118515, Customs tariff No. (EU): 85389099, Gross weight: 3.60 kg, PU: 1.00 pc(s)


Images

Additional information

Bracket for air-termination rods D40 and DEHNcon-H with adjustment range
Support for air-termination rods D40 and DEHNcon-H
For fixing air-termination rods D40 or supporting tubes to the structure to be protected or the wall
Adjustable from 400-700 mm
DEHNGEPRUEFT: no
Material of bracket: St/tZn / StSt
Clamping range for supporting tube: 40-50 mm
Distance from wall: 400-700 mm
Dimensions of plate: 120 x 120 x 4 mm
Fixing: [4x] 12 x 26 mm

Brand: DEHN
Type: WB D40.50 V400.700 STTZN V2A
Part No.: 105343
or equivalent.

Certificates

 

Technical data

Material of bracket St/tZn / StSt
Clamping range for supporting tube 40-50 mm
Distance from wall 400-700 mm
Dimensions of plate 120 x 120 x 4 mm
Fixing [4x] 12 x 26 mm

Product 105343 was added to Notepad.

Product 105343 was added to the cart.


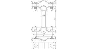
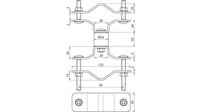
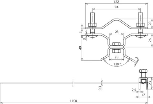
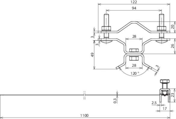
Railing clamp

1 Product

Part No. 105162 BSC D40 DS95 D45.65 V2A

GTIN 4013364146433, Customs tariff No. (EU): 85389099, Gross weight: 600.00 g, PU: 1.00 pc(s)


Images

Additional information

Railing clamp for fixing supporting tubes
Railing clamp for fixing supporting tubes
or air-termination rods D40
to structural elements, e.g. railing pipes
Material: StSt
Clamping range for pipe Ø: 45-65 mm (1 1/2-2'')
Clamping range for supporting tube: 40-50 mm
Length of spacer: 95 mm
Standard: EN 62561-1

Brand: DEHN
Type: BSC D40 DS95 D45.65 V2A
Part No.: 105162
or equivalent.

Certificates

 

Technical data

Material StSt
Clamping range for pipe Ø 45-65 mm (1 1/2-2'')
Clamping range for supporting tube 40-50 mm
Length of spacer 95 mm
Standard EN 62561-1
*) For exact assignment, see test certificate.

Product 105162 was added to Notepad.

Product 105162 was added to the cart.


Railing clamp

1 Product

Part No. 105354 BS D40.50 D48.60 V2A

GTIN 4013364098725, Customs tariff No. (EU): 85389099, Gross weight: 637.00 g, PU: 5.00 pc(s)


Images

Additional information

Railing clamp for air-termination rods D40 and DEHNcon-H, StSt
Railing clamp for fixing supporting tubes or air-termination rods D40
to structural elements, e.g. railing pipes
DEHNGEPRUEFT: yes
Material: StSt
Clamping range for pipe Ø: 48-60 mm (11/2-2'')
Clamping range for supporting tube: 40-50 mm

Brand: DEHN
Type: BS D40.50 D48.60 V2A
Part No.: 105354
or equivalent.

Certificates

 

Technical data

Material StSt
Clamping range for pipe Ø 48-60 mm (11/2-2'')
Clamping range for supporting tube 40-50 mm

Product 105354 was added to Notepad.

Product 105354 was added to the cart.


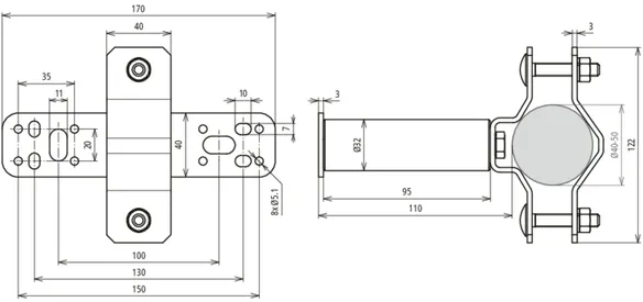
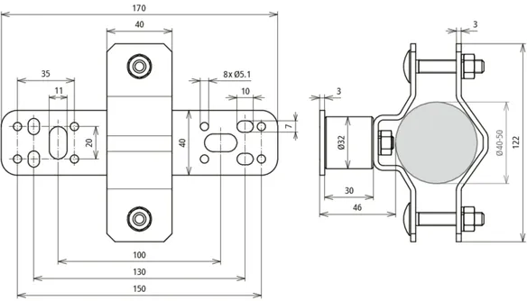
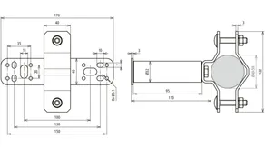
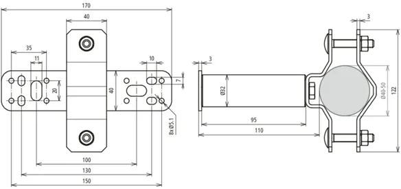
Wall mounting bracket for vertical mounting

2 Products

Part No. 105348 WB D40.50 SE WA110 V2A

GTIN 4013364287013, Customs tariff No. (EU): 85389099, Gross weight: 540.00 g, PU: 1.00 pc(s)


Images

Additional information


DEHNGEPRUEFT: no
Material of bracket: StSt
Fixing: [8x] Ø5.1 / [4x] 7 x 10 / [2x] 11 x 20 mm
Clamping range for supporting tube: 40-50 mm
Distance from wall: 110 mm

Brand: DEHN
Type: WB D40.50 SE WA110 V2A
Part No.: 105348
or equivalent.

Certificates

 

Technical data

Material of bracket StSt
Fixing [8x] Ø5.1 / [4x] 7 x 10 / [2x] 11 x 20 mm
Clamping range for supporting tube 40-50 mm
Distance from wall 110 mm

Product 105348 was added to Notepad.

Product 105348 was added to the cart.

Part No. 105342 WB D40.50 SE WA46 V2A

GTIN 4013364111141, Customs tariff No. (EU): 85389099, Gross weight: 514.00 g, PU: 1.00 pc(s)


Images

Additional information

Bracket for air-termination rods D40 and DEHNcon-H, StSt, vertical mounting
Bracket for air-termination rods D40 and DEHNcon-H for attaching air-termination rods D40
or supporting tubes to the structure to be protected or to the wall
DEHNGEPRUEFT: no
Material of bracket: StSt
Fixing: [8x] Ø5.1 / [4x] 7 x 10 / [2x] 11 x 20 mm
Clamping range for supporting tube: 40-50 mm
Distance from wall: 46 mm

Brand: DEHN
Type: WB D40.50 SE WA46 V2A
Part No.: 105342
or equivalent.

Certificates

 

Technical data

Material of bracket StSt
Fixing [8x] Ø5.1 / [4x] 7 x 10 / [2x] 11 x 20 mm
Clamping range for supporting tube 40-50 mm
Distance from wall 46 mm

Product 105342 was added to Notepad.

Product 105342 was added to the cart.


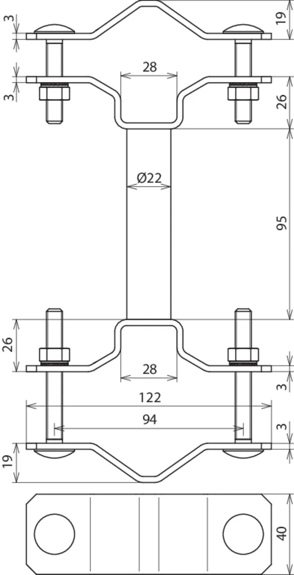
Fixing clamp

1 Product

Part No. 105161 BSC D40 D45.65 V2A

GTIN 4013364118324, Customs tariff No. (EU): 85389099, Gross weight: 667.00 g, PU: 1.00 pc(s)


Images

Additional information

Fixing clamps for DEHNcon-H
Fixing clamps for DEHNcon-H for fixing the supporting tubes, e.g. on the antenna pole
With spacer, length 30 mm, in order to adjust antenna supports.
DEHNGEPRUEFT: no
Material: StSt
Clamping range of pipe Ø: 45-65 mm (1 1/2-2'')
Clamping range of supporting tube: 40-50 mm
Length of spacer: 30 mm

Brand: DEHN
Type: BSC D40 D45.65 V2A
Part No.: 105161
or equivalent.

 

Technical data

Material StSt
Clamping range of pipe Ø 45-65 mm (1 1/2-2'')
Clamping range of supporting tube 40-50 mm
Length of spacer 30 mm

Product 105161 was added to Notepad.

Product 105161 was added to the cart.


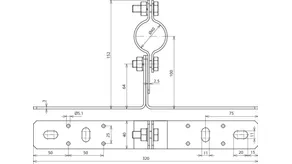
Wall mounting bracket for horizontal mounting, flat

1 Product

Part No. 105140 WB D40 WA V2A

GTIN 4013364112650, Customs tariff No. (EU): 85389099, Gross weight: 653.00 g, PU: 1.00 pc(s)


Images

Additional information

Bracket for air-termination rods D40 and DEHNcon-H, StSt, horizontal mounting
Bracket for air-termination rods D40 and DEHNcon-H for attaching air-termination rods D40 or supporting tubes to the structure to be protected or the wall
DEHNGEPRUEFT: no
Material: StSt
Fixing: [8x] Ø5.1 / [4x] 11 x 20 mm
Distance from wall: 80 mm
Clamping range of air-termination rod: 40 mm

Brand: DEHN
Type: WB D40 WA V2A
Part No.: 105140
or equivalent.

Certificates

 

Technical data

Material StSt
Fixing [8x] Ø5.1 / [4x] 11 x 20 mm
Distance from wall 80 mm
Clamping range of air-termination rod 40 mm

Product 105140 was added to Notepad.

Product 105140 was added to the cart.


back to top