DEHNgate – SPDs for Coaxial Connection
:quality(98)/www.dehn-africa.com/store/f/63049166/HDVORSCHAU/929148a1_16-9.jpg) 
                        
                        :quality(98)/www.dehn-africa.com/store/f/63049166/HDVORSCHAU/929148a1_16-9.jpg) 
                            
                        - Universal surge and combined arresters
- Maximum discharge capacity for coaxial systems
- Low voltage protection level also suitable for protecting terminal equipment
- Extremely durable contact materials
Details
:quality(98)/www.dehn-africa.com/store/f/63049168/HDVORSCHAU/909703_1_Kat.jpg) 
                                :quality(98)/www.dehn-africa.com/store/f/63049168/HDVORSCHAU/909703_1_Kat.jpg) 
                                    
                                :quality(98)/www.dehn-africa.com/store/f/63049167/HDVORSCHAU/909703_Kat.jpg) 
                                :quality(98)/www.dehn-africa.com/store/f/63049167/HDVORSCHAU/909703_Kat.jpg) 
                                    
                                :quality(98)/www.dehn-africa.com/store/f/63049170/HDVORSCHAU/929047_148_Kat.jpg) 
                                :quality(98)/www.dehn-africa.com/store/f/63049170/HDVORSCHAU/929047_148_Kat.jpg) 
                                    
                                :quality(98)/www.dehn-africa.com/store/f/63049169/HDVORSCHAU/929045_Kat.jpg) 
                                :quality(98)/www.dehn-africa.com/store/f/63049169/HDVORSCHAU/929045_Kat.jpg) 
                                    
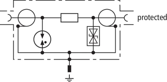
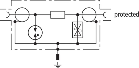
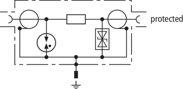
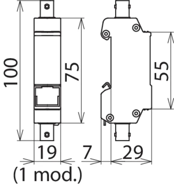
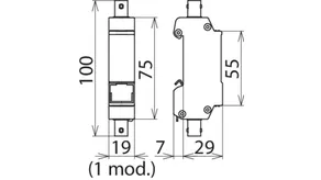
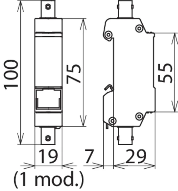
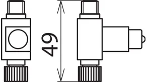
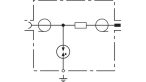
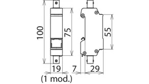
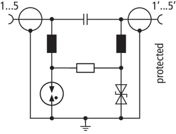
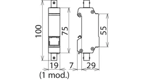
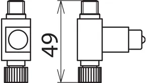
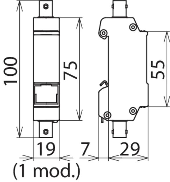
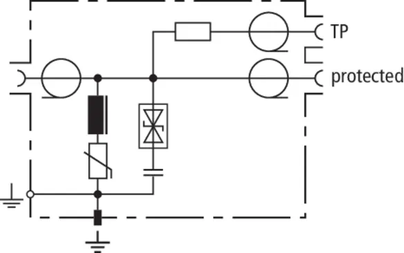
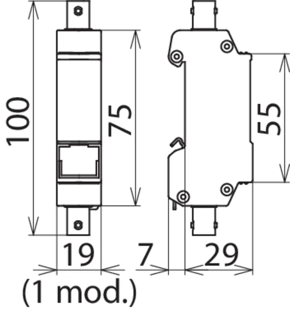
                                Part No. 909710 DGA BNC VCD
GTIN 4013364118942, Customs tariff No. (EU): 85366910, Gross weight: 126.00 g, PU: 1.00 pc(s)
Technical data
| SPD class | T | 
| Max. continuous operating voltage (d.c.) (UC ) | 6.4 V | 
| Nominal current (IL ) | 0.1 A | 
| D1 Lightning impulse current (10/350 µs) (Iimp ) | 1 kA | 
| C2 Nominal discharge current (8/20 µs) line-shield (In ) | 5 kA | 
| Frequency range | 0-300 MHz | 
| Connection (input / output) | BNC socket / BNC socket | 
| Approvals | CSA, UL | 
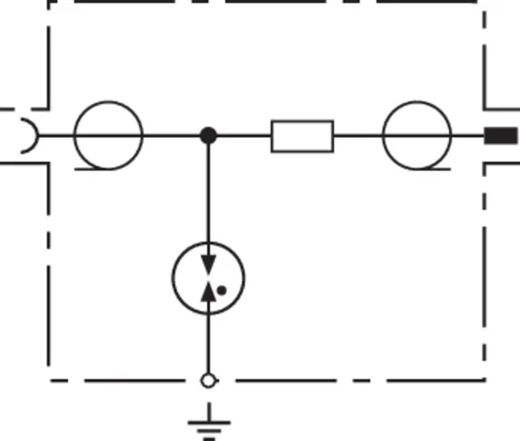
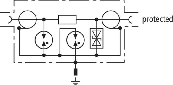
Part No. 909711 DGA BNC VCID
GTIN 4013364118980, Customs tariff No. (EU): 85366910, Gross weight: 127.50 g, PU: 1.00 pc(s)
Technical data
| SPD class | T | 
| Max. continuous operating voltage (d.c.) (UC ) | 6.4 V | 
| Nominal current (IL ) | 0.1 A | 
| D1 Lightning impulse current (10/350 µs) (Iimp ) | 1 kA | 
| C2 Nominal discharge current (8/20 µs) line-shield (In ) | 5 kA | 
| Frequency range | 0-300 MHz | 
| Connection (input / output) | BNC socket / BNC socket | 
| Approvals | CSA, UL | 
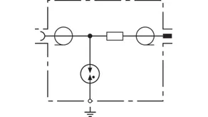
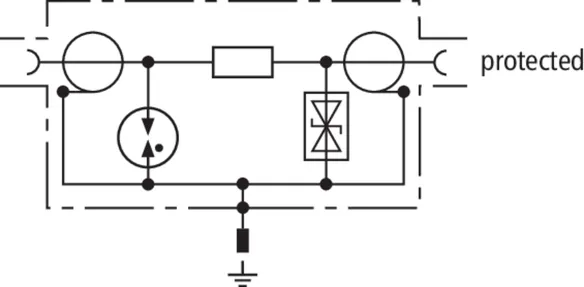
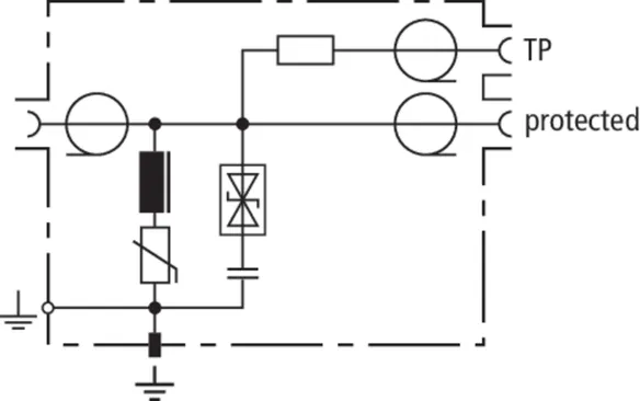
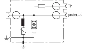
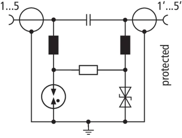
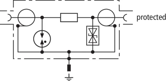
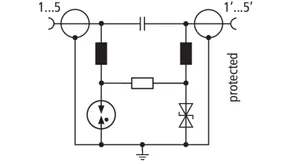
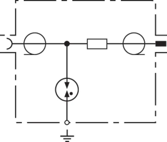
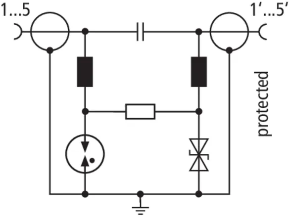
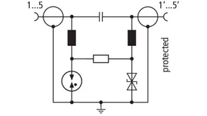
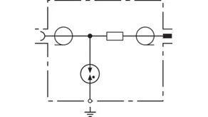
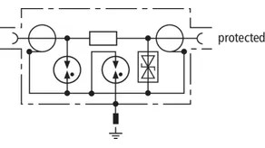
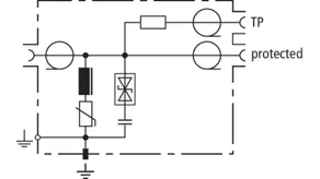
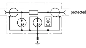
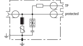
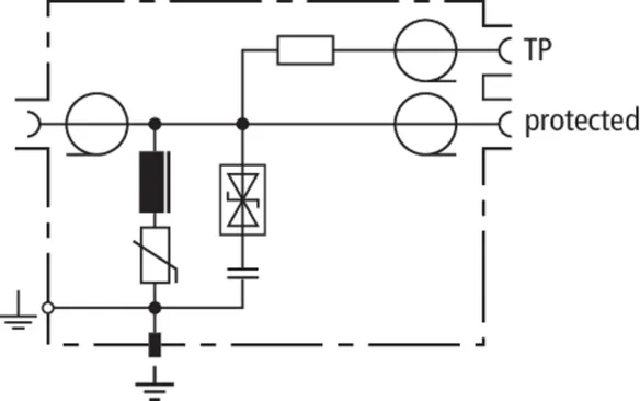
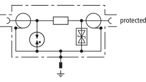
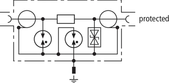
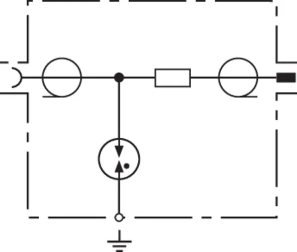
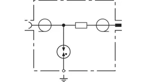
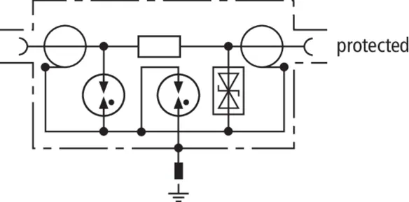
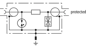
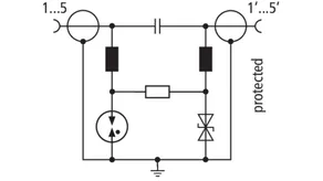
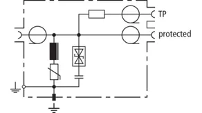
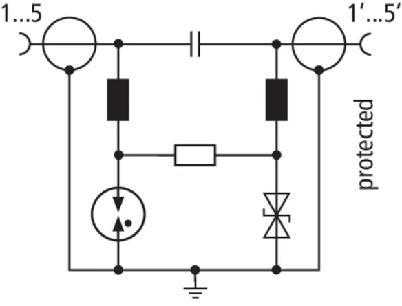
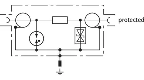
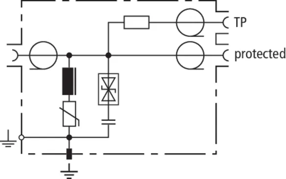
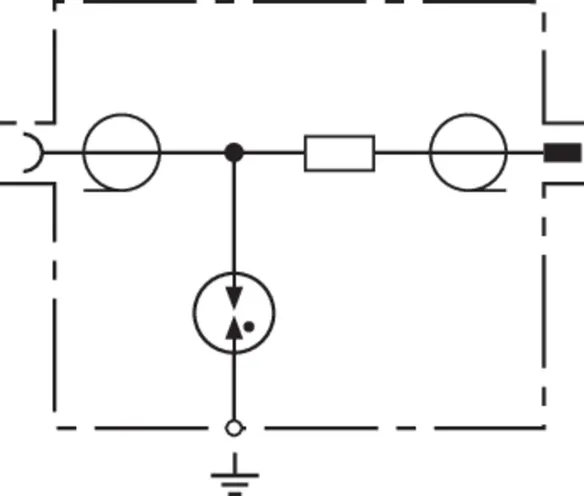
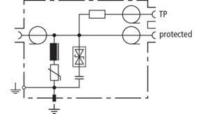
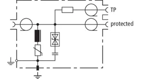
DGA TV
DGA ... TV arresters with F connection for remote supply protect 75-ohm satellite and broadband cable systems and fulfil the high shielding requirements of class A according to EN 50083-2. They allow space-saving installation in all common TV and satellite applications and are available as lightning current arresters, surge arresters and combined lightning current and surge arresters with integrated measuring output for checking the system.
3 Products
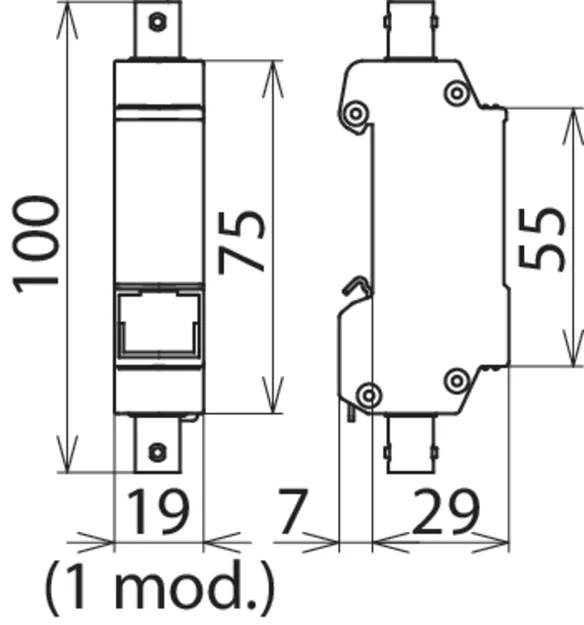
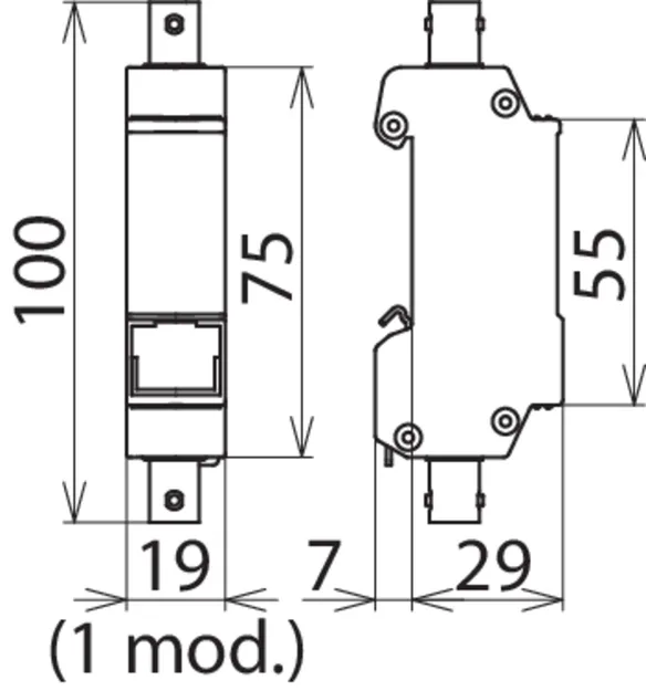
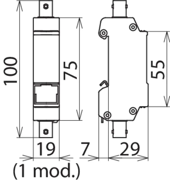
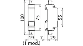
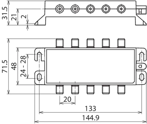
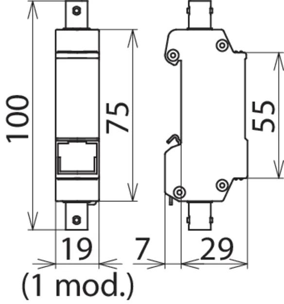
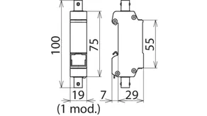
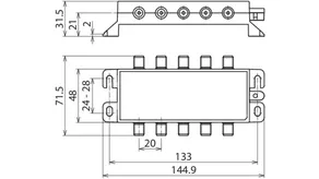
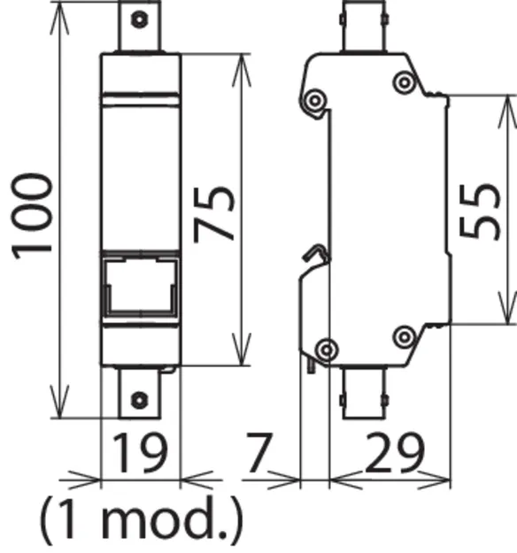
Part No. 909703 DGA FF TV
GTIN 4013364085664, Customs tariff No. (EU): 85363010, Gross weight: 233.00 g, PU: 1.00 pc(s)
Technical data
| SPD class | { | 
| Max. continuous operating voltage (d.c.) (UC ) | 24 V | 
| Nominal current (IL ) | 2 A | 
| D1 Lightning impulse current (10/350 µs) (Iimp ) | 0.2 kA | 
| C2 Nominal discharge current (8/20 µs) (In ) | 1.5 kA | 
| Frequency range | d.c. / 5-3000 MHz | 
| Connection (input / output) | F socket / F socket | 
Part No. 909704 DGA GF TV
GTIN 4013364105690, Customs tariff No. (EU): 85363010, Gross weight: 85.50 g, PU: 1.00 pc(s)
Technical data
| SPD class | H | 
| Max. continuous operating voltage (d.c.) (UC ) | 60 V | 
| Nominal current (IL ) | 2 A | 
| D1 Lightning impulse current (10/350 µs) (Iimp ) | 2.5 kA | 
| C2 Nominal discharge current (8/20 µs) (In ) | 10 kA | 
| Frequency range | 0-2400 MHz | 
| Connection (input / output) | F socket / F plug | 
Part No. 909705 DGA GFF TV
GTIN 4013364105706, Customs tariff No. (EU): 85363010, Gross weight: 282.70 g, PU: 1.00 pc(s)
Technical data
| SPD class | H{ | 
| Max. continuous operating voltage (d.c.) (UC ) | 24 V | 
| Nominal current (IL ) | 2 A | 
| D1 Lightning impulse current (10/350 µs) (Iimp ) | 2.5 kA | 
| C2 Nominal discharge current (8/20 µs) (In ) | 10 kA | 
| Frequency range | d.c. / 5-2400 MHz | 
| Connection (input / output) | F socket / F socket | 
Part No. 909706 DGA FF5 TV
GTIN 4013364362437, Customs tariff No. (EU): 85363010, Gross weight: 284.00 g, PU: 1.00 pc(s)
Technical data
| SPD class | T | 
| Max. continuous operating voltage (d.c.) (UC ) | 20 V | 
| Nominal current (IL ) | 0.4 A | 
| D1 Lightning impulse current (10/350 µs) (Iimp ) | 0.5 kA | 
| D1 Total lightning impulse current (10/350 µs) (Iimp ) | 2.5 kA | 
| C2 Nominal discharge current (8/20 µs) (In ) | 2.5 kA | 
| C2 Total nominal discharge current (8/20 µs) (In ) | 10 kA | 
| Frequency range | 47-2200 MHz | 
| Connection (input / output) | F socket / F socket | 
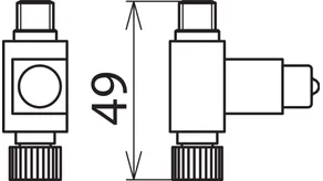
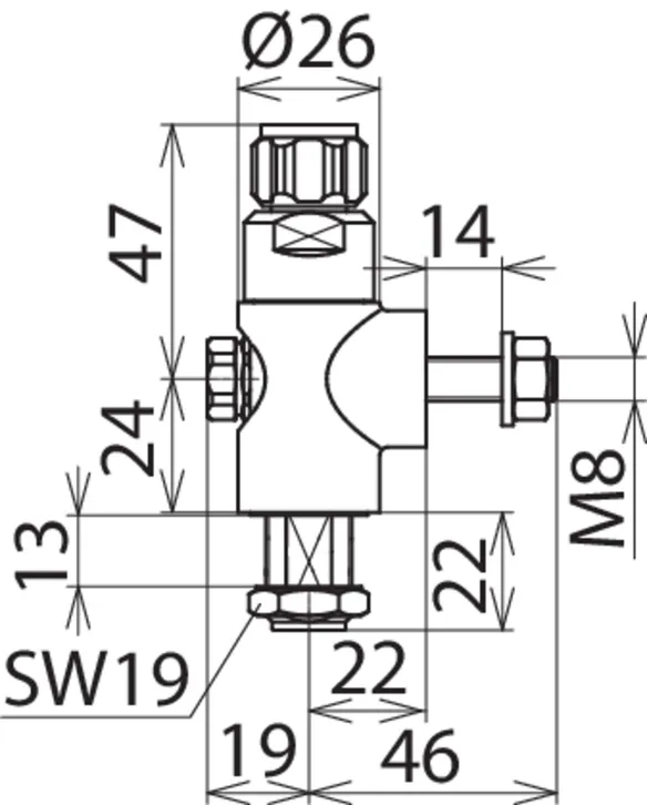
Part No. 929039 DGA G SMA
GTIN 4013364135185, Customs tariff No. (EU): 85366910, Gross weight: 24.00 g, PU: 1.00 pc(s)
Technical data
| SPD class | B | 
| Max. continuous operating voltage (d.c.) (UC ) | 135 V | 
| Nominal current (IL ) | 2 A | 
| Max. transmission capacity | 60 W | 
| D1 Lightning impulse current (10/350 µs) (Iimp ) | 1 kA | 
| C2 Nominal discharge current (8/20 µs) (In ) | 5 kA | 
| Frequency range | 0-5.8 GHz | 
| Connection | SMA socket / SMA plug | 
Part No. 929042 DGA G BNC
GTIN 4013364091030, Customs tariff No. (EU): 85366910, Gross weight: 39.20 g, PU: 1.00 pc(s)
Technical data
| SPD class | B | 
| Max. continuous operating voltage (d.c.) (UC ) | 135 V | 
| Nominal current (IL ) | 3.5 A | 
| Max. transmission capacity | 25 W | 
| D1 Lightning impulse current (10/350 µs) (Iimp ) | 1 kA | 
| C2 Nominal discharge current (8/20 µs) (In ) | 5 kA | 
| Frequency range | 0-4 GHz | 
| Connection | BNC socket / BNC plug | 
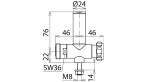
Part No. 929044 DGA G N
GTIN 4013364091054, Customs tariff No. (EU): 85366910, Gross weight: 86.30 g, PU: 1.00 pc(s)
PredecessorTechnical data
| SPD class | B | 
| Max. continuous operating voltage (d.c.) (UC ) | 135 V | 
| Nominal current (IL ) | 6 A | 
| Max. transmission capacity | 60 W | 
| D1 Lightning impulse current (10/350 µs) (Iimp ) | 1 kA | 
| C2 Nominal discharge current (8/20 µs) (In ) | 5 kA | 
| Frequency range | 0-5.8 GHz | 
| Connection | N socket / N plug | 
Part No. 929043 DGA AG BNC
GTIN 4013364091047, Customs tariff No. (EU): 85366910, Gross weight: 89.60 g, PU: 1.00 pc(s)
Technical data
| SPD class | A | 
| Max. continuous operating voltage (d.c.) (UC ) | 180 V | 
| Nominal current (IL ) | 3.5 A | 
| Max. transmission capacity | 150 W | 
| D1 Lightning impulse current (10/350 µs) (Iimp ) | 5 kA | 
| C2 Nominal discharge current (8/20 µs) (In ) | 20 kA | 
| Frequency range | 0-1 GHz | 
| Connection | BNC socket / BNC plug | 
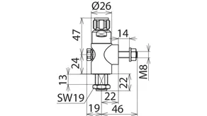
Part No. 929045 DGA AG N
GTIN 4013364091061, Customs tariff No. (EU): 85366910, Gross weight: 266.00 g, PU: 1.00 pc(s)
Technical data
| SPD class | A | 
| Max. continuous operating voltage (d.c.) (UC ) | 180 V | 
| Nominal current (IL ) | 6 A | 
| Max. transmission capacity | 150 W | 
| D1 Lightning impulse current (10/350 µs) (Iimp ) | 5 kA | 
| C2 Nominal discharge current (8/20 µs) (In ) | 20 kA | 
| Frequency range | 0-2.5 GHz | 
| Connection | N socket / N plug | 
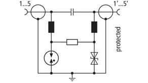
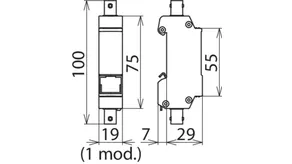
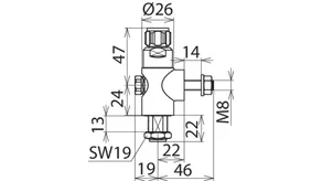
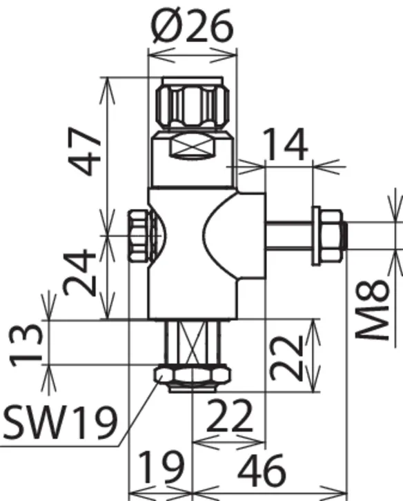
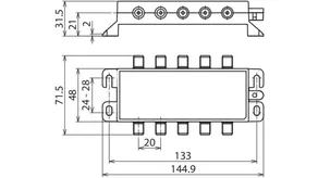
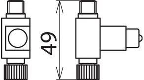
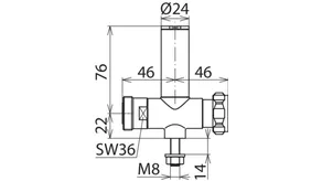
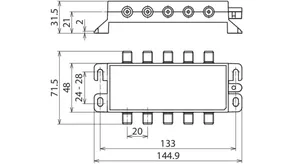
Part No. 929146 DGA LG 7 16 MFA
GTIN 4013364157156, Customs tariff No. (EU): 85366910, Gross weight: 493.00 g, PU: 1.00 pc(s)
PredecessorTechnical data
| SPD class | A | 
| Max. continuous operating voltage (d.c.) (UC ) | 65 V | 
| Nominal current (IL ) | 13 A | 
| Max. transmission capacity | 1500 W | 
| D1 Lightning impulse current (10/350 µs) (Iimp ) | 5 kA | 
| C2 Nominal discharge current (8/20 µs) (In ) | 20 kA | 
| Frequency range | 690 MHz-2.7 GHz | 
| Connection | 7/16 socket / 7/16 plug | 
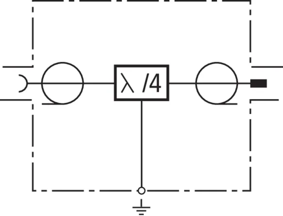
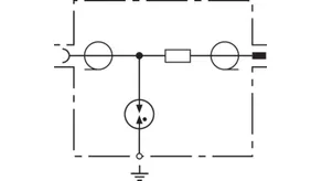
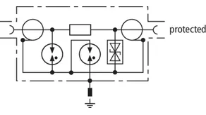
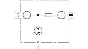
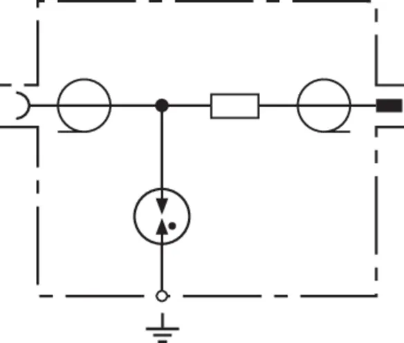
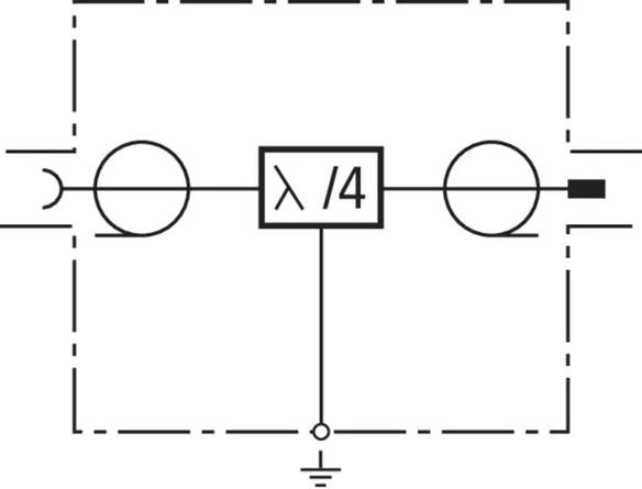
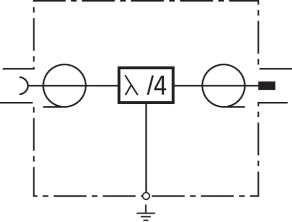
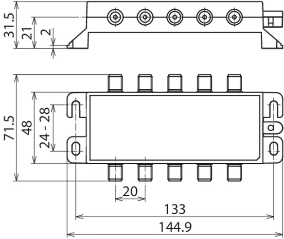
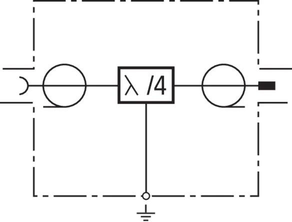
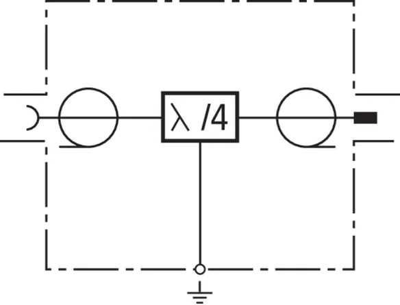
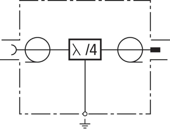
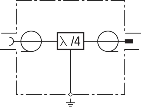
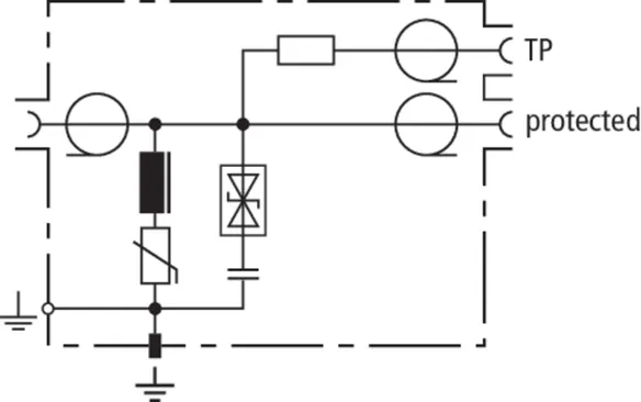
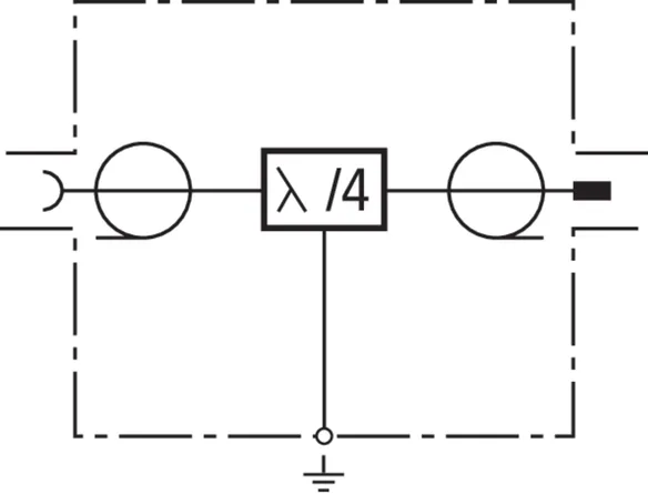
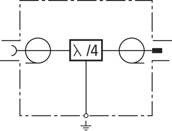
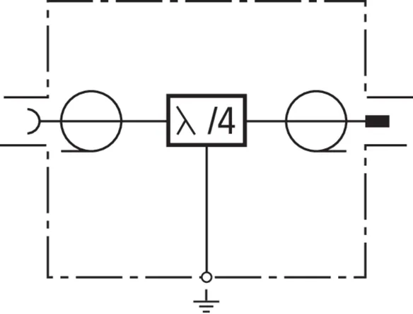
DGA L4
Combined lightning current and surge arrester with maintenance-free quarter-wave technology for multi-frequency applications (multi-carrier systems). The arrester is also capable of discharging high partial lightning currents. No remote supply as the arrester represents an electrical short-circuit for low-frequency signals. Broadband device for all 4+3G services.
2 Products
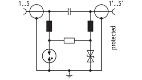
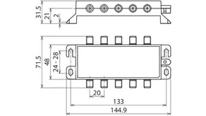
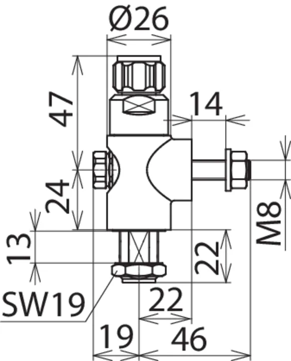
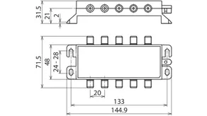
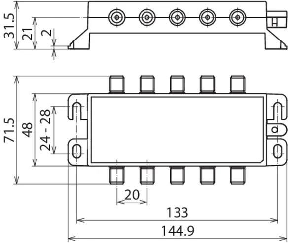
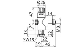
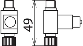
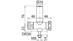
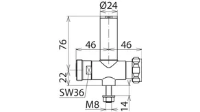
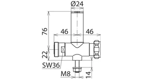
Part No. 929047 DGA L4 7 16 S
GTIN 4013364091085, Customs tariff No. (EU): 85366910, Gross weight: 467.00 g, PU: 1.00 pc(s)
Technical data
| SPD class | M | 
| Max. continuous operating voltage (d.c.) (UC ) | 0 V | 
| Nominal current (IL ) | 0 A | 
| Max. transmission capacity | 3000 W | 
| D1 Lightning impulse current (10/350 µs) (Iimp ) | 25 kA | 
| C2 Nominal discharge current (8/20 µs) (In ) | 50 kA | 
| Frequency range | 380-512 MHz | 
| Connection | 7/16 socket / 7/16 plug | 
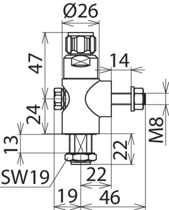
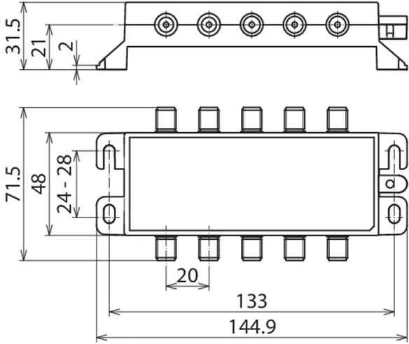
Part No. 929148 DGA L4 7 16 MFA
GTIN 4013364157163, Customs tariff No. (EU): 85366910, Gross weight: 476.00 g, PU: 1.00 pc(s)
PredecessorTechnical data
| SPD class | M | 
| Max. continuous operating voltage (d.c.) (UC ) | 0 V | 
| Nominal current (IL ) | 0 A | 
| Max. transmission capacity | 1500 W | 
| D1 Lightning impulse current (10/350 µs) (Iimp ) | 40 kA | 
| C2 Nominal discharge current (8/20 µs) (In ) | 80 kA | 
| Frequency range | 690 MHz-2.7 GHz | 
| Connection | 7/16 socket / 7/16 plug | 
:quality(98)/www.dehn-africa.com/store/f/63049187/HDVORSCHAU/909710.jpg) 
                                
                                :quality(98)/www.dehn-africa.com/store/f/63049187/HDVORSCHAU/909710.jpg) 
                                    
                                        
                                    
                                    
                                :quality(98)/www.dehn-africa.com/store/f/63049188/HDVORSCHAU/909710p.jpg) 
                                
                                :quality(98)/www.dehn-africa.com/store/f/63049188/HDVORSCHAU/909710p.jpg) 
                                    
                                        :quality(98)/www.dehn-africa.com/store/f/63049189/HDVORSCHAU/909710m_E.jpg) 
                                
                                :quality(98)/www.dehn-africa.com/store/f/63049189/HDVORSCHAU/909710m_E.jpg) 
                                    
                                         
                 
                 
                 
                 
        	:quality(98)/www.dehn-africa.com/store/f/63049203/HDVORSCHAU/909711.jpg) 
                                
                                :quality(98)/www.dehn-africa.com/store/f/63049203/HDVORSCHAU/909711.jpg) 
                                    
                                        
                                    
                                    
                                :quality(98)/www.dehn-africa.com/store/f/63049204/HDVORSCHAU/909711p.jpg) 
                                
                                :quality(98)/www.dehn-africa.com/store/f/63049204/HDVORSCHAU/909711p.jpg) 
                                    
                                        :quality(98)/www.dehn-africa.com/store/f/63049205/HDVORSCHAU/909710m_E.jpg) 
                                
                                :quality(98)/www.dehn-africa.com/store/f/63049205/HDVORSCHAU/909710m_E.jpg) 
                                    
                                        :quality(98)/www.dehn-africa.com/store/f/63049212/HDVORSCHAU/909703.jpg) 
                                
                                :quality(98)/www.dehn-africa.com/store/f/63049212/HDVORSCHAU/909703.jpg) 
                                    
                                        
                                    
                                    
                                :quality(98)/www.dehn-africa.com/store/f/63049213/HDVORSCHAU/909703p.jpg) 
                                
                                :quality(98)/www.dehn-africa.com/store/f/63049213/HDVORSCHAU/909703p.jpg) 
                                    
                                        :quality(98)/www.dehn-africa.com/store/f/63049214/HDVORSCHAU/909703m_E.jpg) 
                                
                                :quality(98)/www.dehn-africa.com/store/f/63049214/HDVORSCHAU/909703m_E.jpg) 
                                    
                                        :quality(98)/www.dehn-africa.com/store/f/63049221/HDVORSCHAU/909704.jpg) 
                                
                                :quality(98)/www.dehn-africa.com/store/f/63049221/HDVORSCHAU/909704.jpg) 
                                    
                                        
                                    
                                    
                                :quality(98)/www.dehn-africa.com/store/f/63049222/HDVORSCHAU/909704p.jpg) 
                                
                                :quality(98)/www.dehn-africa.com/store/f/63049222/HDVORSCHAU/909704p.jpg) 
                                    
                                        :quality(98)/www.dehn-africa.com/store/f/63049223/HDVORSCHAU/909704m_D.jpg) 
                                
                                :quality(98)/www.dehn-africa.com/store/f/63049223/HDVORSCHAU/909704m_D.jpg) 
                                    
                                        :quality(98)/www.dehn-africa.com/store/f/63049232/HDVORSCHAU/909705.jpg) 
                                
                                :quality(98)/www.dehn-africa.com/store/f/63049232/HDVORSCHAU/909705.jpg) 
                                    
                                        
                                    
                                    
                                :quality(98)/www.dehn-africa.com/store/f/63049233/HDVORSCHAU/909705p.jpg) 
                                
                                :quality(98)/www.dehn-africa.com/store/f/63049233/HDVORSCHAU/909705p.jpg) 
                                    
                                        :quality(98)/www.dehn-africa.com/store/f/63049234/HDVORSCHAU/909703_909704_909705m_E.jpg) 
                                
                                :quality(98)/www.dehn-africa.com/store/f/63049234/HDVORSCHAU/909703_909704_909705m_E.jpg) 
                                    
                                        :quality(98)/www.dehn-africa.com/store/f/63049248/HDVORSCHAU/909706.jpg) 
                                
                                :quality(98)/www.dehn-africa.com/store/f/63049248/HDVORSCHAU/909706.jpg) 
                                    
                                        
                                    
                                    
                                :quality(98)/www.dehn-africa.com/store/f/63049249/HDVORSCHAU/909706p.jpg) 
                                
                                :quality(98)/www.dehn-africa.com/store/f/63049249/HDVORSCHAU/909706p.jpg) 
                                    
                                        :quality(98)/www.dehn-africa.com/store/f/63049250/HDVORSCHAU/909706m_D.jpg) 
                                
                                :quality(98)/www.dehn-africa.com/store/f/63049250/HDVORSCHAU/909706m_D.jpg) 
                                    
                                        :quality(98)/www.dehn-africa.com/store/f/63049265/HDVORSCHAU/929039.jpg) 
                                
                                :quality(98)/www.dehn-africa.com/store/f/63049265/HDVORSCHAU/929039.jpg) 
                                    
                                        
                                    
                                    
                                :quality(98)/www.dehn-africa.com/store/f/63049266/HDVORSCHAU/929041p.jpg) 
                                
                                :quality(98)/www.dehn-africa.com/store/f/63049266/HDVORSCHAU/929041p.jpg) 
                                    
                                        :quality(98)/www.dehn-africa.com/store/f/63049267/HDVORSCHAU/929039m_D.jpg) 
                                
                                :quality(98)/www.dehn-africa.com/store/f/63049267/HDVORSCHAU/929039m_D.jpg) 
                                    
                                        :quality(98)/www.dehn-africa.com/store/f/63049312/HDVORSCHAU/929042.jpg) 
                                
                                :quality(98)/www.dehn-africa.com/store/f/63049312/HDVORSCHAU/929042.jpg) 
                                    
                                        
                                    
                                    
                                :quality(98)/www.dehn-africa.com/store/f/63049313/HDVORSCHAU/929041p.jpg) 
                                
                                :quality(98)/www.dehn-africa.com/store/f/63049313/HDVORSCHAU/929041p.jpg) 
                                    
                                        :quality(98)/www.dehn-africa.com/store/f/63049314/HDVORSCHAU/929042m_D.jpg) 
                                
                                :quality(98)/www.dehn-africa.com/store/f/63049314/HDVORSCHAU/929042m_D.jpg) 
                                    
                                        :quality(98)/www.dehn-africa.com/store/f/63049326/HDVORSCHAU/929044.jpg) 
                                
                                :quality(98)/www.dehn-africa.com/store/f/63049326/HDVORSCHAU/929044.jpg) 
                                    
                                        
                                    
                                    
                                :quality(98)/www.dehn-africa.com/store/f/63049327/HDVORSCHAU/929041p.jpg) 
                                
                                :quality(98)/www.dehn-africa.com/store/f/63049327/HDVORSCHAU/929041p.jpg) 
                                    
                                        :quality(98)/www.dehn-africa.com/store/f/63049328/HDVORSCHAU/929044m_D.jpg) 
                                
                                :quality(98)/www.dehn-africa.com/store/f/63049328/HDVORSCHAU/929044m_D.jpg) 
                                    
                                        :quality(98)/www.dehn-africa.com/store/f/63049338/HDVORSCHAU/929043.jpg) 
                                
                                :quality(98)/www.dehn-africa.com/store/f/63049338/HDVORSCHAU/929043.jpg) 
                                    
                                        
                                    
                                    
                                :quality(98)/www.dehn-africa.com/store/f/63049339/HDVORSCHAU/929043p.jpg) 
                                
                                :quality(98)/www.dehn-africa.com/store/f/63049339/HDVORSCHAU/929043p.jpg) 
                                    
                                        :quality(98)/www.dehn-africa.com/store/f/63049340/HDVORSCHAU/929043m_D.jpg) 
                                
                                :quality(98)/www.dehn-africa.com/store/f/63049340/HDVORSCHAU/929043m_D.jpg) 
                                    
                                        :quality(98)/www.dehn-africa.com/store/f/63049351/HDVORSCHAU/929045.jpg) 
                                
                                :quality(98)/www.dehn-africa.com/store/f/63049351/HDVORSCHAU/929045.jpg) 
                                    
                                        
                                    
                                    
                                :quality(98)/www.dehn-africa.com/store/f/63049352/HDVORSCHAU/929043p.jpg) 
                                
                                :quality(98)/www.dehn-africa.com/store/f/63049352/HDVORSCHAU/929043p.jpg) 
                                    
                                        :quality(98)/www.dehn-africa.com/store/f/63049353/HDVORSCHAU/929045m_D.jpg) 
                                
                                :quality(98)/www.dehn-africa.com/store/f/63049353/HDVORSCHAU/929045m_D.jpg) 
                                    
                                        :quality(98)/www.dehn-africa.com/store/f/63049369/HDVORSCHAU/929146.jpg) 
                                
                                :quality(98)/www.dehn-africa.com/store/f/63049369/HDVORSCHAU/929146.jpg) 
                                    
                                        
                                    
                                    
                                :quality(98)/www.dehn-africa.com/store/f/63049370/HDVORSCHAU/929046p.jpg) 
                                
                                :quality(98)/www.dehn-africa.com/store/f/63049370/HDVORSCHAU/929046p.jpg) 
                                    
                                        :quality(98)/www.dehn-africa.com/store/f/63049371/HDVORSCHAU/929146m_D.jpg) 
                                
                                :quality(98)/www.dehn-africa.com/store/f/63049371/HDVORSCHAU/929146m_D.jpg) 
                                    
                                        :quality(98)/www.dehn-africa.com/store/f/63049383/HDVORSCHAU/929047.jpg) 
                                
                                :quality(98)/www.dehn-africa.com/store/f/63049383/HDVORSCHAU/929047.jpg) 
                                    
                                        
                                    
                                    
                                :quality(98)/www.dehn-africa.com/store/f/63049384/HDVORSCHAU/929047p.jpg) 
                                
                                :quality(98)/www.dehn-africa.com/store/f/63049384/HDVORSCHAU/929047p.jpg) 
                                    
                                        :quality(98)/www.dehn-africa.com/store/f/63049385/HDVORSCHAU/929047m_D.jpg) 
                                
                                :quality(98)/www.dehn-africa.com/store/f/63049385/HDVORSCHAU/929047m_D.jpg) 
                                    
                                        :quality(98)/www.dehn-africa.com/store/f/63049397/HDVORSCHAU/929148.jpg) 
                                
                                :quality(98)/www.dehn-africa.com/store/f/63049397/HDVORSCHAU/929148.jpg) 
                                    
                                        
                                    
                                    
                                :quality(98)/www.dehn-africa.com/store/f/63049398/HDVORSCHAU/929047p.jpg) 
                                
                                :quality(98)/www.dehn-africa.com/store/f/63049398/HDVORSCHAU/929047p.jpg) 
                                    
                                        :quality(98)/www.dehn-africa.com/store/f/63049399/HDVORSCHAU/929148m_D.jpg) 
                                
                                :quality(98)/www.dehn-africa.com/store/f/63049399/HDVORSCHAU/929148m_D.jpg)