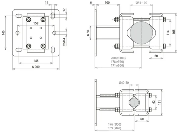
Mast holder, heavy version

For erecting air-termination systems on installations, such as biogas plants

The heavy version of the mast holder enables the mounting of air-termination masts with a diameter of Ø40-50 mm (upright) and Ø55-100 mm (transverse).

Mast attachment for wall mounting made of HDG steel for a horizontal installation. For fixing larger air-termination masts Ø40-50 mm (upright) and Ø55-100 mm (transverse) via threaded rods to the structure to be protected or to a wall. Provided with long holes for installation.

1 Product

Part No. 105352 WB D55.100 SE WA150 STTZN

GTIN 4013364502727, Customs tariff No. (EU): 85389099, Gross weight: 5.36 kg, PU: 1.00 pc(s)


Images

Additional information

Mast attachment for wall mounting, HDG steel, horizontal installation
Mast attachment for wall mounting
for fixing the
air-termination mast Ø40-50 mm (upright) and
D55-100 mm (transverse).
to the structure to be protected
or to a wall

Material: HDG steel
Fixing: [4x] Ø14 mm
Distance from wall: 106 mm
Clamping range (Ø mast): 40-50 mm (upright) and 55-100 mm (transverse)
Material of threaded rod / nut / washer: StSt

Brand: DEHN
Type: WB D55.100 SE WA150 STTZN
Part No.: 105352
or equivalent.

 

Technical data

Material HDG steel
Fixing [4x] Ø14 mm
Distance from wall 106 mm
Clamping range (Ø mast) 40-50 mm (upright) and 55-100 mm (transverse)
Material of threaded rod / nut / washer StSt

Product 105352 was added to Notepad.

Product 105352 was added to the cart.


back to top