Connection and bridging Device for Reinforcements

Connection and bridging device for using the reinforcing bars (longitudinal bars) of reinforced concrete supports or walls as a down conductor. By using a reinforcing bar contained in reinforced concrete supports, there is no need for the additional installation of round conductors (St/tZn) for lightning protection / earthing / equipotential bonding. The electrically relevant connection is established across the entire length of the reinforced concrete support by a vertical reinforcing bar.

Further information

Similar topics

Connection device

2 Products

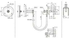
Part No. 416940 UES 16 L600 VK RD8 28 FL30 EFP

GTIN 4013364360280, Customs tariff No. (EU): 85359000, Gross weight: 530.00 g, PU: 25.00 pc(s)


Images

Additional information

Connection device consisting of
connecting cable with connected
connecting clamp and fixed earthing point
for the secure electric connection
of the fixed earthing point with
the reinforcement/reinforcing bar
The connection device provides
a secure electric connection
of a defined reinforcing bar
(longitudinal bar), which is used as
a down conductor, to air-termination systems,
façade elements, crane rails,
cable tray systems, the earthing system,
functional equipotential bonding, etc.
Connecting clamp material: St/bare
Clamping range Rd connecting clamp: 8-28 mm
Clamping range Fl connecting clamp: 30 x 3-4 mm
Fixed earthing terminal material: StSt (V4A)
Fixed earthing point terminal thread: M10 / M12
Bridging cable material: Flexible copper conductor, frost-resistant
Bridging cable cable length: 600 mm
Bridging cable cable cross section: 16 mm2
Standard: EN 62561-1

Brand: DEHN
Type: UES 16 L600 VK RD8 28 FL30 EFP
Part No.: 416940
or equivalent.

Certificates

 

Technical data

Connecting clamp material St/bare
Clamping range Rd connecting clamp 8-28 mm
Clamping range Fl connecting clamp 30 x 3-4 mm
Fixed earthing terminal material StSt (V4A)
Fixed earthing point terminal thread M10 / M12
Bridging cable material Flexible copper conductor, frost-resistant
Bridging cable cable length 600 mm
Bridging cable cable cross section 16 mm2
Standard EN 62561-1
Special lengths possible on request.
*) For exact assignment, see test certificate.

Product 416940 was added to Notepad.

Product 416940 was added to the cart.

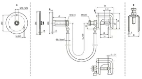
Part No. 416950 UES 16 L1000 VK RD8 28 FL30 EFP

GTIN 4013364508620, Customs tariff No. (EU): 85359000, Gross weight: 650.00 g, PU: 25.00 pc(s)


Images

Additional information

Connection device consisting of
connecting cable with connected
connecting clamp and fixed earthing point
for the secure electric connection
of the fixed earthing point with
the reinforcement/reinforcing bar
The connection device provides
a secure electric connection
of a defined reinforcing bar
(longitudinal bar), which is used as
a down conductor, to air-termination systems,
façade elements, crane rails,
cable tray systems, the earthing system,
functional equipotential bonding, etc.
Connecting clamp material: St/bare
Clamping range Rd connecting clamp: 8-28 mm
Clamping range Fl connecting clamp: 30 x 3-4 mm
Fixed earthing terminal material: StSt (V4A)
Fixed earthing point terminal thread: M10 / M12
Bridging cable material: Flexible copper conductor, frost-resistant
Bridging cable cable length: 1000 mm
Bridging cable cable cross section: 16 mm2
Standard: EN 62561-1

Brand: DEHN
Type: UES 16 L1000 VK RD8 28 FL30 EFP
Part No.: 416950
or equivalent.

Certificates

 

Technical data

Connecting clamp material St/bare
Clamping range Rd connecting clamp 8-28 mm
Clamping range Fl connecting clamp 30 x 3-4 mm
Fixed earthing terminal material StSt (V4A)
Fixed earthing point terminal thread M10 / M12
Bridging cable material Flexible copper conductor, frost-resistant
Bridging cable cable length 1000 mm
Bridging cable cable cross section 16 mm2
Standard EN 62561-1
Special lengths possible on request.
*) For exact assignment, see test certificate.

Product 416950 was added to Notepad.

Product 416950 was added to the cart.


Bridging device

1 Product

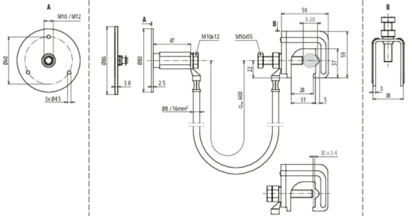
Part No. 416941 UES 16 L600 2VK RD8 28 FL30

GTIN 4013364360273, Customs tariff No. (EU): 85359000, Gross weight: 513.00 g, PU: 25.00 pc(s)


Images

Additional information

Bridging device consisting of
connecting cable with two connected
connecting clamps for the electric
connection of reinforcing bars
The bridging device can be used
to connect joints of vertical reinforcing bars
(longitudinal bars) to each other
and thus be used as an electrically relevant
connection between the reinforcement for use
as a down conductor.
Connecting clamp material: St/bare
Clamping range Rd connecting clamp: 8-28 mm
Clamping range Fl connecting clamp: 30 x 3-4 mm
Bridging cable material: Flexible copper conductor, frost-resistant
Bridging cable cable length: 600 mm
Bridging cable cable cross section: 16 mm2
Standard: EN 62561-1

Brand: DEHN
Type: UES 16 L600 2VK RD8 28 FL30
Part No.: 416941
or equivalent.

Certificates

 

Technical data

Connecting clamp material St/bare
Clamping range Rd connecting clamp 8-28 mm
Clamping range Fl connecting clamp 30 x 3-4 mm
Bridging cable material Flexible copper conductor, frost-resistant
Bridging cable cable length 600 mm
Bridging cable cable cross section 16 mm2
Standard EN 62561-1
Special lengths possible on request.
*) For exact assignment, see test certificate.

Product 416941 was added to Notepad.

Product 416941 was added to the cart.


back to top