Stützrohrbefestigung

Für unsere Stützrohre gibt es verschiedenste Halter und Befestigungen an Geländer, Mauerwerk oder runden Stahlstützen. Zum Teil mit Anschlussmöglichkeit für den Potentialausgleich.

Geländerbefestigungen

1 Product

Part No. 105354 BS D40.50 D48.60 V2A

GTIN 4013364098725, Customs tariff No. (EU): 85389099, Gross weight: 637.00 g, PU: 5.00 Stk.


Images

Additional information

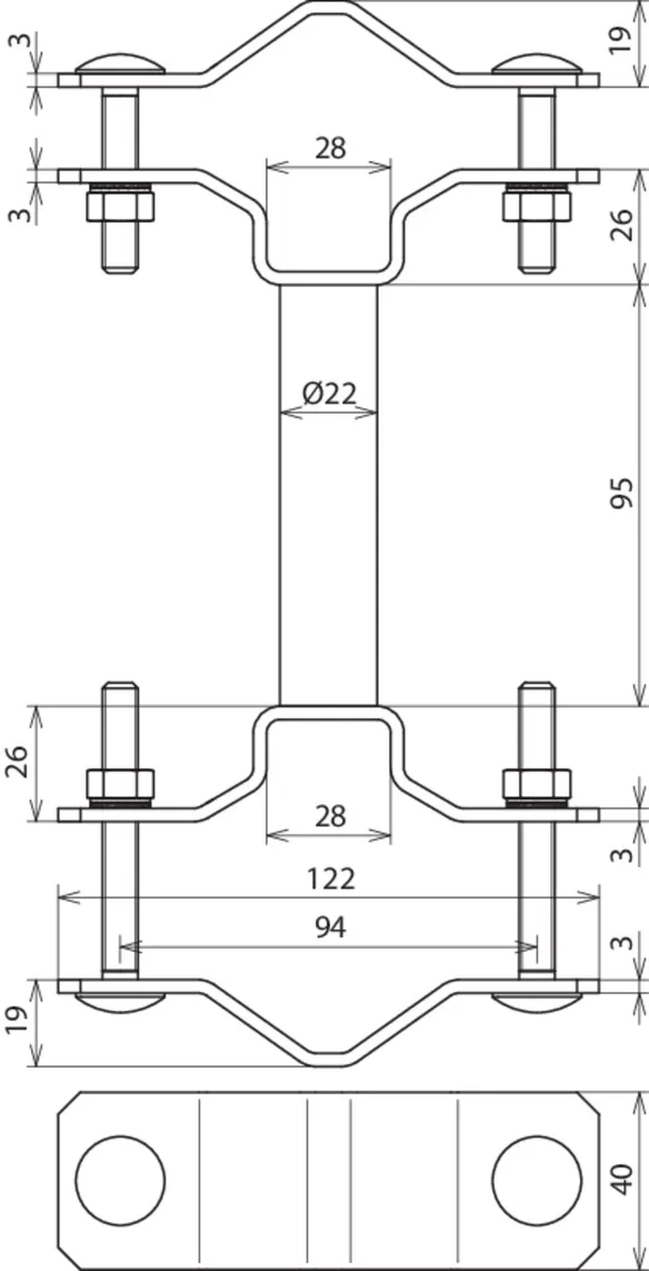
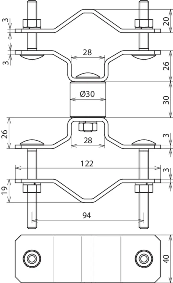
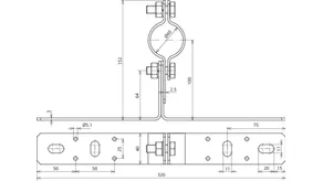
Halter für Fangstangen D40 und DEHNcon-H Geländebefestigung NIRO
Geländerbefestigungen
zum Befestigen der Stützrohre
oder der Fangstangen D40 an
Konstruktionselementen
z.B. Geländerrohren
DEHNGEPRUEFT: Ja
Werkstoff: NIRO
Klemmbereich Rohr Ø: 48-60 mm (11/2-2'')
Klemmbereich Stützrohr: 40-50 mm

Fabrikat: DEHN
Typ: BS D40.50 D48.60 V2A
Art.-Nr.: 105354
oder gleichwertig.

Certificates

 

Technical data

Werkstoff NIRO
Klemmbereich Rohr Ø 48-60 mm (11/2-2'')
Klemmbereich Stützrohr 40-50 mm

Product 105354 was added to Notepad.

Product 105354 was added to the cart.


Halter für Fangstangen und Stützrohre

1 Product

Part No. 105160 BSC D40.50 SB50.300 V2A

GTIN 4013364113022, Customs tariff No. (EU): 85389099, Gross weight: 506.20 g, PU: 1.00 Stk.


Images

Additional information

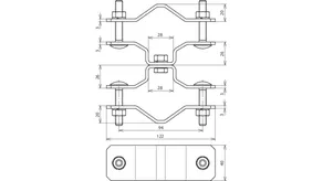
Halter für Fangstangen D40 und DEHNcon-H mit Befestigungsschelle
Halter für Fangstangen D40 und DEHNcon-H
Befestigungsschelle mit Spannband
für Rohre
DEHNGEPRUEFT: Ja
Werkstoff: NIRO
Klemmbereich Ø Rohr: 50-300 mm
Klemmbereich Fangstange: 40-50 mm
Abmessung Band: 25 x 0,3 mm
Normenbezug: DIN EN 62561-1

Fabrikat: DEHN
Typ: BSC D40.50 SB50.300 V2A
Art.-Nr.: 105160
oder gleichwertig.

Certificates

 

Technical data

Werkstoff NIRO
Klemmbereich Ø Rohr 50-300 mm
Klemmbereich Fangstange 40-50 mm
Abmessung Band (b x t) 25 x 0,3 mm
Normenbezug DIN EN 62561-1
*) Genaue Zuordnung siehe Prüfzertifikat.

Product 105160 was added to Notepad.

Product 105160 was added to the cart.


Wandbefestigungswinkel mit Verstellbereich von 150-200 mm

1 Product

Part No. 105344 WB D40.50 V150.200 V2A

GTIN 4013364147300, Customs tariff No. (EU): 85389099, Gross weight: 1.52 kg, PU: 1.00 Stk.


Images

Additional information

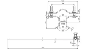
Halter für Fangstangen D40 und DEHNcon-H mit Verstellbereich
Halter für Fangstangen D40 und DEHNcon-H
zum Befestigen der Fangstangen D40
oder der Stützrohre am
zu schützenden Aufbau oder an der Wand
Verstellbereich 150-200 mm
Werkstoff Winkel: NIRO
Klemmbereich Rd: 8-10 mm
Klemmbereich Stützrohr: 40-50 mm
Wandabstand: 150-200 mm
Abmessung Platte: 120 x 120 x 4 mm
Befestigung: [4x] 12 x 26 mm
Normenbezug: DIN EN 62561-1

Fabrikat: DEHN
Typ: WB D40.50 V150.200 V2A
Art.-Nr.: 105344
oder gleichwertig.

Certificates

 

Technical data

Werkstoff Winkel NIRO
Klemmbereich Rd 8-10 mm
Klemmbereich Stützrohr 40-50 mm
Wandabstand 150-200 mm
Abmessung Platte 120 x 120 x 4 mm
Befestigung [4x] 12 x 26 mm
Normenbezug DIN EN 62561-1

Product 105344 was added to Notepad.

Product 105344 was added to the cart.


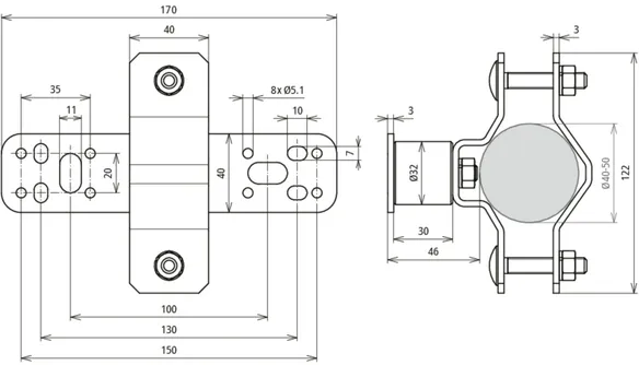
Befestigungsschelle

1 Product

Part No. 105161 BSC D40 D45.65 V2A

GTIN 4013364118324, Customs tariff No. (EU): 85389099, Gross weight: 667.00 g, PU: 1.00 Stk.


Images

Additional information

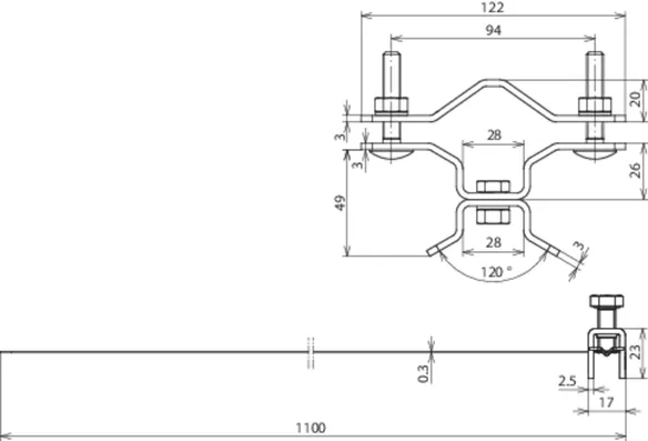
Befestigungsschellen für DEHNcon-H
Befestigungsschellen für DEHNcon-H zum Befestigen der Stützrohre z.B. am Antennenstandrohr
mit Distanzstück Länge 30 mm um Halterungen von Antennen
auszugleichen
DEHNGEPRUEFT: Nein
Werkstoff: NIRO
Klemmbereich Rohr Ø: 45-65 mm (1 1/2-2'')
Klemmbereich Stützrohr: 40-50 mm
Länge Distanzstück: 30 mm

Fabrikat: DEHN
Typ: BSC D40 D45.65 V2A
Art.-Nr.: 105161
oder gleichwertig.

 

Technical data

Werkstoff NIRO
Klemmbereich Rohr Ø 45-65 mm (1 1/2-2'')
Klemmbereich Stützrohr 40-50 mm
Länge Distanzstück 30 mm

Product 105161 was added to Notepad.

Product 105161 was added to the cart.


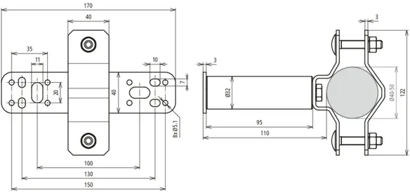
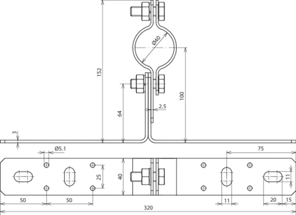
Wandbefestigungswinkel für senkrechte Montage

2 Products

Part No. 105348 WB D40.50 SE WA110 V2A

GTIN 4013364287013, Customs tariff No. (EU): 85389099, Gross weight: 540.00 g, PU: 1.00 Stk.


Images

Additional information


DEHNGEPRUEFT: Nein
Werkstoff Winkel: NIRO
Befestigung: [8x] Ø5,1 / [4x] 7 x 10 / [2x] 11 x 20 mm
Klemmbereich Stützrohr: 40-50 mm
Wandabstand: 110 mm

Fabrikat: DEHN
Typ: WB D40.50 SE WA110 V2A
Art.-Nr.: 105348
oder gleichwertig.

Certificates

 

Technical data

Werkstoff Winkel NIRO
Befestigung [8x] Ø5,1 / [4x] 7 x 10 / [2x] 11 x 20 mm
Klemmbereich Stützrohr 40-50 mm
Wandabstand 110 mm

Product 105348 was added to Notepad.

Product 105348 was added to the cart.

Part No. 105342 WB D40.50 SE WA46 V2A

GTIN 4013364111141, Customs tariff No. (EU): 85389099, Gross weight: 514.00 g, PU: 1.00 Stk.


Images

Additional information

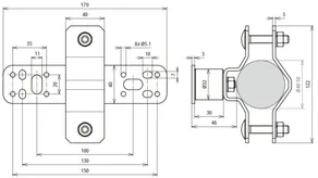
Halter für Fangstangen D40 und DEHNcon-H NIRO senkrechte Montage
Halter für Fangstangen D40 und DEHNcon-H
zum Befestigen der Fangstangen D40
oder der Stützrohre am
zu schützenden Aufbau oder an der Wand
DEHNGEPRUEFT: Nein
Werkstoff Winkel: NIRO
Befestigung: [8x] Ø5,1 / [4x] 7 x 10 / [2x] 11 x 20 mm
Klemmbereich Stützrohr: 40-50 mm
Wandabstand: 46 mm

Fabrikat: DEHN
Typ: WB D40.50 SE WA46 V2A
Art.-Nr.: 105342
oder gleichwertig.

Certificates

 

Technical data

Werkstoff Winkel NIRO
Befestigung [8x] Ø5,1 / [4x] 7 x 10 / [2x] 11 x 20 mm
Klemmbereich Stützrohr 40-50 mm
Wandabstand 46 mm

Product 105342 was added to Notepad.

Product 105342 was added to the cart.


Wandbefestigungswinkel waagrecht flach

1 Product

Part No. 105140 WB D40 WA V2A

GTIN 4013364112650, Customs tariff No. (EU): 85389099, Gross weight: 653.00 g, PU: 1.00 Stk.


Images

Additional information

Halter für Fangstangen D40 und DEHNcon-H NIRO waagrechte Montage
Halter für Fangstangen D40 und DEHNcon-H
zum Befestigen der Fangstangen D40
oder der Stützrohre am
zu schützenden Aufbau oder an der Wand
DEHNGEPRUEFT: Nein
Werkstoff: NIRO
Befestigung: [8x] Ø5,1 / [4x] 11 x 20 mm
Wandabstand: 80 mm
Klemmbereich Fangstange: 40 mm

Fabrikat: DEHN
Typ: WB D40 WA V2A
Art.-Nr.: 105140
oder gleichwertig.

Certificates

 

Technical data

Werkstoff NIRO
Befestigung [8x] Ø5,1 / [4x] 11 x 20 mm
Wandabstand 80 mm
Klemmbereich Fangstange 40 mm

Product 105140 was added to Notepad.

Product 105140 was added to the cart.


Geländerbefestigungen

1 Product

Part No. 105162 BSC D40 DS95 D45.65 V2A

GTIN 4013364146433, Customs tariff No. (EU): 85389099, Gross weight: 600.00 g, PU: 1.00 Stk.


Images

Additional information

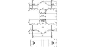
Geländebefestigung zum Befestigen der Stützrohre
Geländerbefestigungen zum Befestigen der Stützrohre
oder der Fangstangen D40 an Konstruktionselementen
z.B. Geländerrohren
Werkstoff: NIRO
Klemmbereich Rohr Ø: 45-65 mm (1 1/2-2'')
Klemmbereich Stützrohr: 40-50 mm
Länge Distanzstück: 95 mm
Normenbezug: DIN EN 62561-1

Fabrikat: DEHN
Typ: BSC D40 DS95 D45.65 V2A
Art.-Nr.: 105162
oder gleichwertig.

Certificates

 

Technical data

Werkstoff NIRO
Klemmbereich Rohr Ø 45-65 mm (1 1/2-2'')
Klemmbereich Stützrohr 40-50 mm
Länge Distanzstück 95 mm
Normenbezug DIN EN 62561-1
*) Genaue Zuordnung siehe Prüfzertifikat.

Product 105162 was added to Notepad.

Product 105162 was added to the cart.


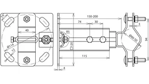
Wandbefestigungswinkel mit Verstellbereich von 230-1300 mm

3 Products

Part No. 105349 WB D40.50 V700.1300 STTZN V2A

GTIN 4013364288614, Customs tariff No. (EU): 85389099, Gross weight: 5.80 kg, PU: 1.00 Stk.


Images

Additional information


DEHNGEPRUEFT: Nein
Werkstoff Winkel: St/tZn / NIRO
Klemmbereich Stützrohr: 40-50 mm
Wandabstand: 700-1300 mm
Abmessung Platte: 120 x 120 x 4 mm
Befestigung: [4x] 12 x 26 mm

Fabrikat: DEHN
Typ: WB D40.50 V700.1300 STTZN V2A
Art.-Nr.: 105349
oder gleichwertig.

Certificates

 

Technical data

Werkstoff Winkel St/tZn / NIRO
Klemmbereich Stützrohr 40-50 mm
Wandabstand 700-1300 mm
Abmessung Platte 120 x 120 x 4 mm
Befestigung [4x] 12 x 26 mm

Product 105349 was added to Notepad.

Product 105349 was added to the cart.

Part No. 105347 WB D40.50 V230.400 STTZN V2A

GTIN 4013364278554, Customs tariff No. (EU): 85389099, Gross weight: 2.42 kg, PU: 1.00 Stk.


Images

Additional information


DEHNGEPRUEFT: Nein
Werkstoff Winkel: St/tZn / NIRO
Klemmbereich Stützrohr: 40-50 mm
Wandabstand: 230-400 mm
Abmessung Platte: 120 x 120 x 4 mm
Befestigung: [4x] 12 x 26 mm

Fabrikat: DEHN
Typ: WB D40.50 V230.400 STTZN V2A
Art.-Nr.: 105347
oder gleichwertig.

Certificates

 

Technical data

Werkstoff Winkel St/tZn / NIRO
Klemmbereich Stützrohr 40-50 mm
Wandabstand 230-400 mm
Abmessung Platte 120 x 120 x 4 mm
Befestigung [4x] 12 x 26 mm

Product 105347 was added to Notepad.

Product 105347 was added to the cart.

Part No. 105343 WB D40.50 V400.700 STTZN V2A

GTIN 4013364118515, Customs tariff No. (EU): 85389099, Gross weight: 3.60 kg, PU: 1.00 Stk.


Images

Additional information

Halter für Fangstangen D40 und DEHNcon-H mit Verstellbereich
Halter für Fangstangen D40 und DEHNcon-H
zum Befestigen der Fangstangen D40
oder der Stützrohre am
zu schützenden Aufbau oder an der Wand
Verstellbereich 400-700 mm
DEHNGEPRUEFT: Nein
Werkstoff Winkel: St/tZn / NIRO
Klemmbereich Stützrohr: 40-50 mm
Wandabstand: 400-700 mm
Abmessung Platte: 120 x 120 x 4 mm
Befestigung: [4x] 12 x 26 mm

Fabrikat: DEHN
Typ: WB D40.50 V400.700 STTZN V2A
Art.-Nr.: 105343
oder gleichwertig.

Certificates

 

Technical data

Werkstoff Winkel St/tZn / NIRO
Klemmbereich Stützrohr 40-50 mm
Wandabstand 400-700 mm
Abmessung Platte 120 x 120 x 4 mm
Befestigung [4x] 12 x 26 mm

Product 105343 was added to Notepad.

Product 105343 was added to the cart.


back to top