Zubehör für DEHNcon-H

Zubehör

1 Product

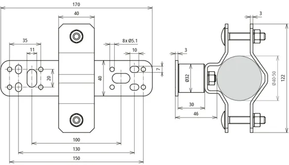
Part No. 105342 WB D40.50 SE WA46 V2A

GTIN 4013364111141, Customs tariff No. (EU): 85389099, Gross weight: 514.00 g, PU: 1.00 Stk.


Images

Additional information

Halter für Fangstangen D40 und DEHNcon-H NIRO senkrechte Montage
Halter für Fangstangen D40 und DEHNcon-H
zum Befestigen der Fangstangen D40
oder der Stützrohre am
zu schützenden Aufbau oder an der Wand

Fabrikat: DEHN
Typ: WB D40.50 SE WA46 V2A
Art.-Nr.: 105342
oder gleichwertig.

Certificates

 

Technical data

Werkstoff NIRO
Befestigung [8x] Ø5,1 / [4x] 7 x 10 / [2x] 11 x 20 mm
Wandabstand 46 mm

Product 105342 was added to Notepad.

Product 105342 was added to the cart.


back to top