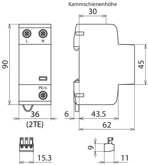
DEHNshield
:quality(98)/www.dehn-africa.com/store/f/62179093/HDVORSCHAU/DEHNshield_fam_16-9.jpg) 
                        
                        :quality(98)/www.dehn-africa.com/store/f/62179093/HDVORSCHAU/DEHNshield_fam_16-9.jpg) 
                            
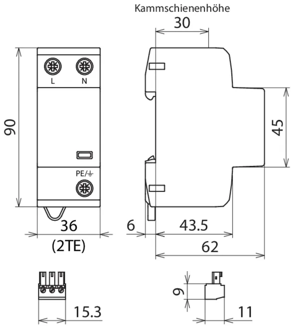
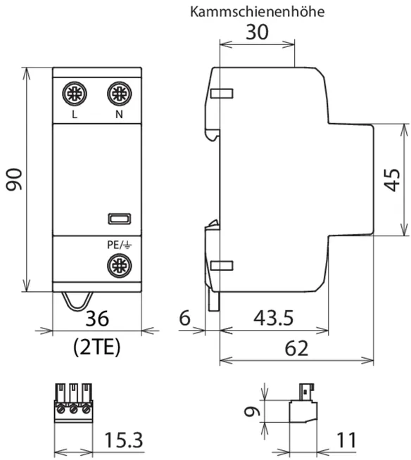
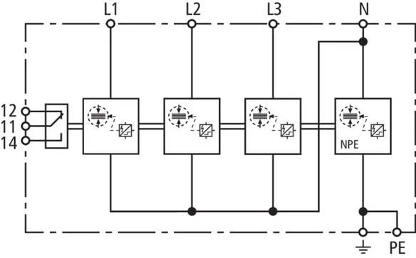
                        - Anschlussfertiger, anwendungsoptimierter Kombi-Ableiter Typ 1 + Typ 2 auf Funkenstreckenbasis
- Platzsparende Funkenstreckentechnologie mit nur 1 TE / Pol ermöglicht kompakte Ausführung
- Erfüllt Mindestanforderungen an das Blitzstromableitvermögen nach VDE 0100-534
- Ermöglicht kompakten Blitzschutzpotentialausgleich inklusive Endgeräteschutz
- Ableitvermögen bis 50 kA (10/350 µs)
- Funktions- / Defektanzeige durch grün-rote Markierung im Sichtfenster
- Hohes Folgestromlöschvermögen (Ifi = 25 kAeff)
Details
:quality(98)/www.dehn-africa.com/store/f/62179094/HDVORSCHAU/952589a11_Kat.jpg) 
                                :quality(98)/www.dehn-africa.com/store/f/62179094/HDVORSCHAU/952589a11_Kat.jpg) 
                                    
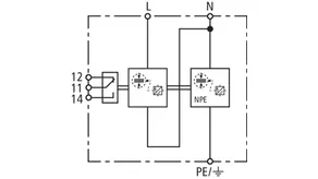
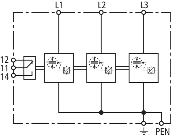
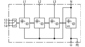
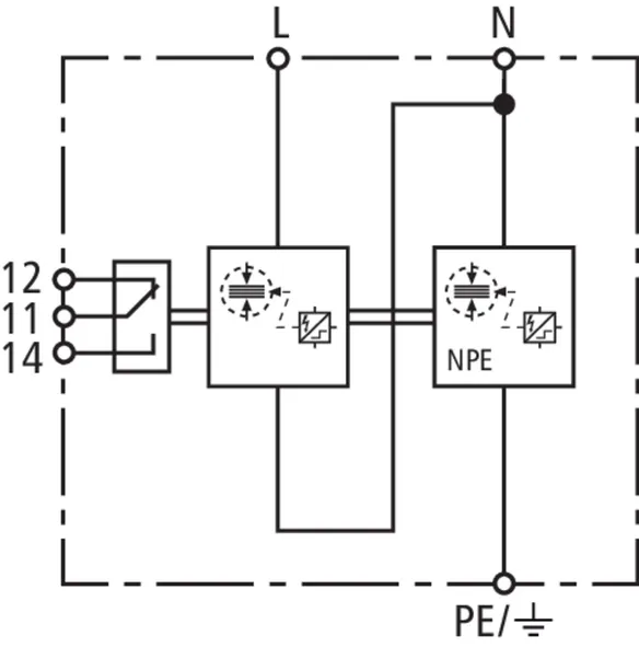
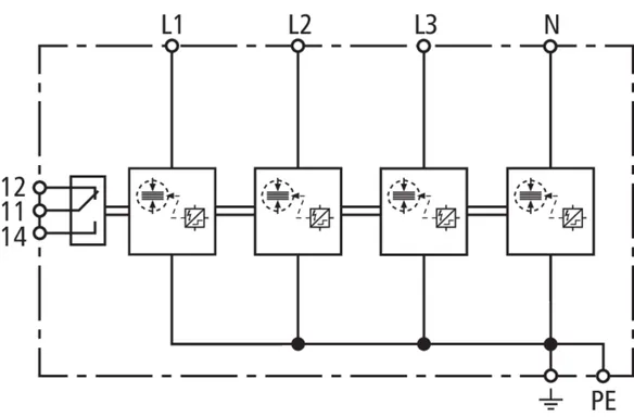
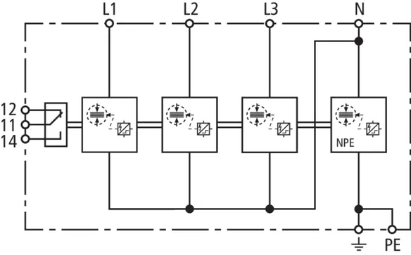
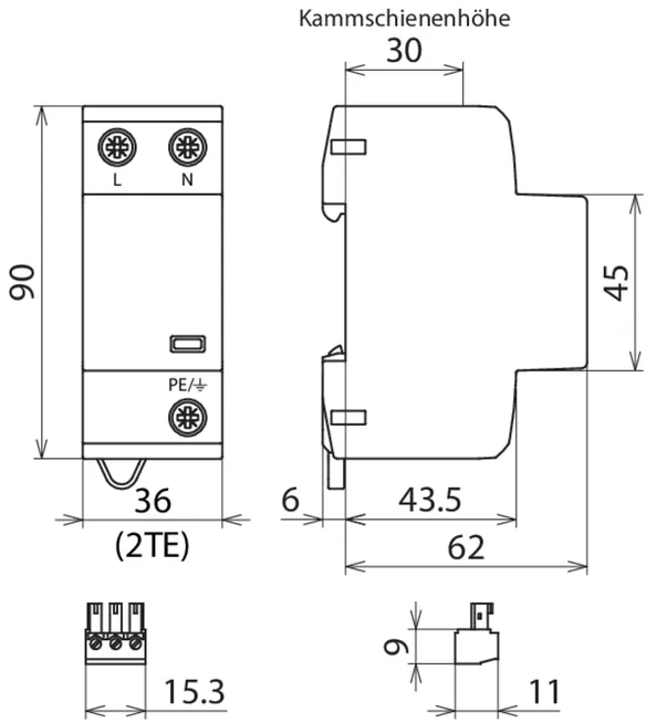
                                Part No. 941300 DSH TNC 255
GTIN 4013364133556, Customs tariff No. (EU): 85363090, Gross weight: 415.80 g, PU: 1.00 Stk.
Technical data
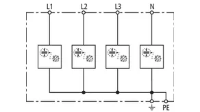
| SPD nach EN 61643-11 / ... IEC 61643-11 | Typ 1 + Typ 2 / Class I + Class II | 
| Höchste Dauerspannung AC (UC ) | 255 V (50 / 60 Hz) | 
| Blitzstoßstrom (10/350 µs) [L1+L2+L3-PEN] (Itotal ) | 37,5 kA | 
| Blitzstoßstrom (10/350 µs) [L-PEN] (Iimp ) | 12,5 kA | 
| Schutzpegel (UP ) | ≤ 1,5 kV | 
| Max. netzseitiger Überstromschutz | 160 A gG | 
| Zulassungen | KEMA, VDE, UL | 
Part No. 941305 DSH TNC 255 FM
GTIN 4013364275317, Customs tariff No. (EU): 85363090, Gross weight: 420.60 g, PU: 1.00 Stk.
Technical data
| SPD nach EN 61643-11 / ... IEC 61643-11 | Typ 1 + Typ 2 / Class I + Class II | 
| Höchste Dauerspannung AC (UC ) | 255 V (50 / 60 Hz) | 
| Blitzstoßstrom (10/350 µs) [L1+L2+L3-PEN] (Itotal ) | 37,5 kA | 
| Blitzstoßstrom (10/350 µs) [L-PEN] (Iimp ) | 12,5 kA | 
| Schutzpegel (UP ) | ≤ 1,5 kV | 
| Max. netzseitiger Überstromschutz | 160 A gG | 
| Zulassungen | KEMA, VDE | 
| FM-Kontakte / Kontaktform | Wechsler | 
Part No. 941306 DSH B TNC 255 FM
GTIN 4013364328068, Customs tariff No. (EU): 85363090, Gross weight: 422.00 g, PU: 1.00 Stk.
Technical data
| SPD nach EN 61643-11 / ... IEC 61643-11 | Typ 1 + Typ 2 / Class I + Class II | 
| Höchste Dauerspannung AC (UC ) | 255 V (50 / 60 Hz) | 
| Blitzstoßstrom (10/350 µs) [L1+L2+L3-PEN] (Itotal ) | 22,5 kA | 
| Blitzstoßstrom (10/350 µs) [L-PEN] (Iimp ) | 7,5 kA | 
| Schutzpegel (UP ) | ≤ 1,5 kV | 
| Max. netzseitiger Überstromschutz | 160 A gG | 
| Zulassungen | VDE | 
| FM-Kontakte / Kontaktform | Wechsler | 
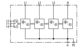
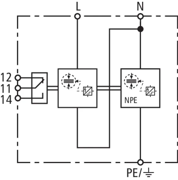
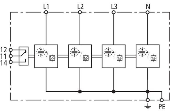
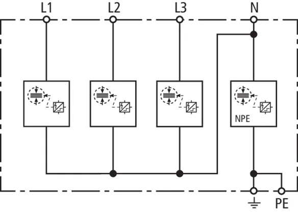
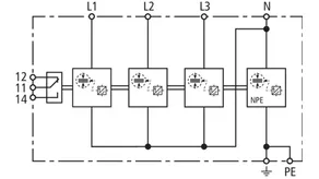
Part No. 941400 DSH TNS 255
GTIN 4013364133563, Customs tariff No. (EU): 85363090, Gross weight: 555.00 g, PU: 1.00 Stk.
Technical data
| SPD nach EN 61643-11 / ... IEC 61643-11 | Typ 1 + Typ 2 / Class I + Class II | 
| Höchste Dauerspannung AC (UC ) | 255 V (50 / 60 Hz) | 
| Blitzstoßstrom (10/350 µs) [L1+L2+L3+N-PE] (Itotal ) | 50 kA | 
| Blitzstoßstrom (10/350 µs) [L, N-PE] (Iimp ) | 12,5 kA | 
| Schutzpegel [L-PE]/[N-PE] (UP ) | ≤ 1,5 / ≤ 1,5 kV | 
| Max. netzseitiger Überstromschutz | 160 A gG | 
| Zulassungen | KEMA, VDE, UL | 
Part No. 941405 DSH TNS 255 FM
GTIN 4013364275331, Customs tariff No. (EU): 85363090, Gross weight: 488.30 g, PU: 1.00 Stk.
Technical data
| SPD nach EN 61643-11 / ... IEC 61643-11 | Typ 1 + Typ 2 / Class I + Class II | 
| Höchste Dauerspannung AC (UC ) | 255 V (50 / 60 Hz) | 
| Blitzstoßstrom (10/350 µs) [L1+L2+L3+N-PE] (Itotal ) | 50 kA | 
| Blitzstoßstrom (10/350 µs) [L, N-PE] (Iimp ) | 12,5 kA | 
| Schutzpegel [L-PE]/[N-PE] (UP ) | ≤ 1,5 / ≤ 1,5 kV | 
| Max. netzseitiger Überstromschutz | 160 A gG | 
| Zulassungen | KEMA, VDE | 
| FM-Kontakte / Kontaktform | Wechsler | 
Part No. 941406 DSH B TNS 255 FM
GTIN 4013364328082, Customs tariff No. (EU): 85363090, Gross weight: 489.00 g, PU: 1.00 Stk.
Technical data
| SPD nach EN 61643-11 / ... IEC 61643-11 | Typ 1 + Typ 2 / Class I + Class II | 
| Höchste Dauerspannung AC (UC ) | 255 V (50 / 60 Hz) | 
| Blitzstoßstrom (10/350 µs) [L1+L2+L3+N-PE] (Itotal ) | 30 kA | 
| Blitzstoßstrom (10/350 µs) [L, N-PE] (Iimp ) | 7,5 kA | 
| Schutzpegel [L-PE]/[N-PE] (UP ) | ≤ 1,5 / ≤ 1,5 kV | 
| Max. netzseitiger Überstromschutz | 160 A gG | 
| Zulassungen | VDE | 
| FM-Kontakte / Kontaktform | Wechsler | 
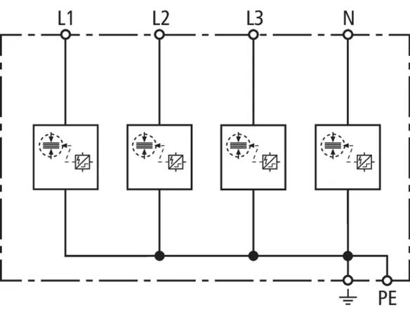
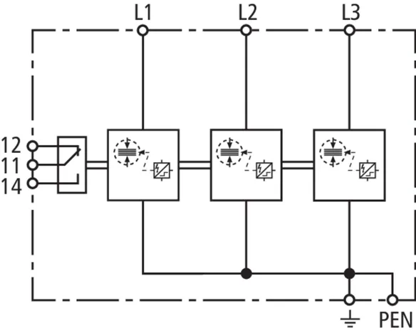
Part No. 941310 DSH TT 255
GTIN 4013364131798, Customs tariff No. (EU): 85363090, Gross weight: 509.90 g, PU: 1.00 Stk.
Technical data
| SPD nach EN 61643-11 / ... IEC 61643-11 | Typ 1 + Typ 2 / Class I + Class II | 
| Höchste Dauerspannung AC (UC ) | 255 V (50 / 60 Hz) | 
| Blitzstoßstrom (10/350 µs) [L1+L2+L3+N-PE] (Itotal ) | 50 kA | 
| Blitzstoßstrom (10/350 µs) [L-N]/[N-PE] (Iimp ) | 12,5 / 50 kA | 
| Schutzpegel [L-N]/[N-PE] (UP ) | ≤ 1,5 / ≤ 1,5 kV | 
| Max. netzseitiger Überstromschutz | 160 A gG | 
| Zulassungen | KEMA, VDE, UL | 
| Erweiterte technische Daten: | --------------------------------- | 
| Schutzpegel [L-PE] (UP ) | 2,0 kV | 
Part No. 941315 DSH TT 255 FM
GTIN 4013364275324, Customs tariff No. (EU): 85363090, Gross weight: 508.80 g, PU: 1.00 Stk.
Technical data
| SPD nach EN 61643-11 / ... IEC 61643-11 | Typ 1 + Typ 2 / Class I + Class II | 
| Höchste Dauerspannung AC (UC ) | 255 V (50 / 60 Hz) | 
| Blitzstoßstrom (10/350 µs) [L1+L2+L3+N-PE] (Itotal ) | 50 kA | 
| Blitzstoßstrom (10/350 µs) [L-N]/[N-PE] (Iimp ) | 12,5 / 50 kA | 
| Schutzpegel [L-N]/[N-PE] (UP ) | ≤ 1,5 / ≤ 1,5 kV | 
| Max. netzseitiger Überstromschutz | 160 A gG | 
| Zulassungen | KEMA, VDE | 
| FM-Kontakte / Kontaktform | Wechsler | 
| Erweiterte technische Daten: | --------------------------------- | 
| Schutzpegel [L-PE] (UP ) | 2,0 kV | 
Part No. 941316 DSH B TT 255 FM
GTIN 4013364328075, Customs tariff No. (EU): 85363090, Gross weight: 510.00 g, PU: 1.00 Stk.
Technical data
| SPD nach EN 61643-11 / ... IEC 61643-11 | Typ 1 + Typ 2 / Class I + Class II | 
| Höchste Dauerspannung AC (UC ) | 255 V (50 / 60 Hz) | 
| Blitzstoßstrom (10/350 µs) [L1+L2+L3+N-PE] (Itotal ) | 30 kA | 
| Blitzstoßstrom (10/350 µs) [L-N]/[N-PE] (Iimp ) | 7,5 / 30 kA | 
| Schutzpegel [L-N]/[N-PE] (UP ) | ≤ 1,5 / ≤ 1,5 kV | 
| Max. netzseitiger Überstromschutz | 160 A gG | 
| Zulassungen | VDE | 
| FM-Kontakte / Kontaktform | Wechsler | 
| Erweiterte technische Daten: | --------------------------------- | 
| Schutzpegel [L-PE] (UP ) | 2,0 kV | 
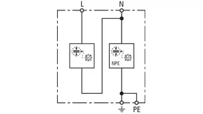
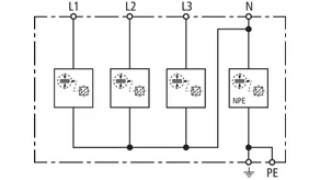
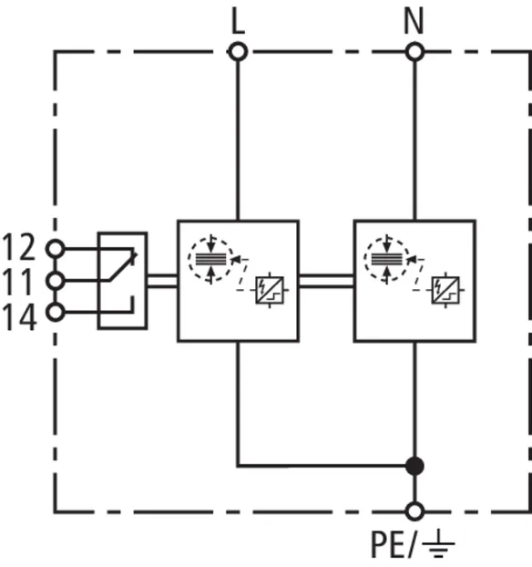
Part No. 941200 DSH TN 255
GTIN 4013364138209, Customs tariff No. (EU): 85363090, Gross weight: 266.00 g, PU: 1.00 Stk.
Technical data
| SPD nach EN 61643-11 / ... IEC 61643-11 | Typ 1 + Typ 2 / Class I + Class II | 
| Höchste Dauerspannung AC (UC ) | 255 V (50 / 60 Hz) | 
| Blitzstoßstrom (10/350 µs) [L+N-PE] (Itotal ) | 25 kA | 
| Blitzstoßstrom (10/350 µs) [L, N-PE] (Iimp ) | 12,5 kA | 
| Schutzpegel [L-PE]/[N-PE] (UP ) | ≤ 1,5 / ≤ 1,5 kV | 
| Max. netzseitiger Überstromschutz | 160 A gG | 
| Zulassungen | KEMA, VDE, UL | 
Part No. 941205 DSH TN 255 FM
GTIN 4013364289185, Customs tariff No. (EU): 85363090, Gross weight: 276.00 g, PU: 1.00 Stk.
Technical data
| SPD nach EN 61643-11 / ... IEC 61643-11 | Typ 1 + Typ 2 / Class I + Class II | 
| Höchste Dauerspannung AC (UC ) | 255 V (50 / 60 Hz) | 
| Blitzstoßstrom (10/350 µs) [L+N-PE] (Itotal ) | 25 kA | 
| Blitzstoßstrom (10/350 µs) [L, N-PE] (Iimp ) | 12,5 kA | 
| Schutzpegel [L-PE]/[N-PE] (UP ) | ≤ 1,5 / ≤ 1,5 kV | 
| Max. netzseitiger Überstromschutz | 160 A gG | 
| Zulassungen | KEMA, VDE | 
| FM-Kontakte / Kontaktform | Wechsler | 
Part No. 941206 DSH B TN 255 FM
GTIN 4013364373839, Customs tariff No. (EU): 85363090, Gross weight: 276.00 g, PU: 1.00 Stk.
Technical data
| SPD nach EN 61643-11 / ... IEC 61643-11 | Typ 1 + Typ 2 / Class I + Class II | 
| Höchste Dauerspannung AC (UC ) | 255 V (50 / 60 Hz) | 
| Blitzstoßstrom (10/350 µs) [L+N-PE] (Itotal ) | 15 kA | 
| Blitzstoßstrom (10/350 µs) [L, N-PE] (Iimp ) | 7,5 kA | 
| Schutzpegel [L-PE]/[N-PE] (UP ) | ≤ 1,5 / ≤ 1,5 kV | 
| Max. netzseitiger Überstromschutz | 160 A gG | 
| FM-Kontakte / Kontaktform | Wechsler | 
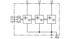
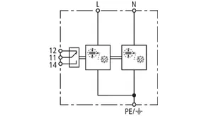
Part No. 941110 DSH TT 2P 255
GTIN 4013364137899, Customs tariff No. (EU): 85363090, Gross weight: 291.00 g, PU: 1.00 Stk.
Technical data
| SPD nach EN 61643-11 / ... IEC 61643-11 | Typ 1 + Typ 2 / Class I + Class II | 
| Höchste Dauerspannung AC (UC ) | 255 V (50 / 60 Hz) | 
| Blitzstoßstrom (10/350 µs) [L+N-PE] (Itotal ) | 25 kA | 
| Blitzstoßstrom (10/350 µs) [L-N]/[N-PE] (Iimp ) | 12,5 / 25 kA | 
| Schutzpegel [L-N]/[N-PE] (UP ) | ≤ 1,5 / ≤ 1,5 kV | 
| Max. netzseitiger Überstromschutz | 160 A gG | 
| Zulassungen | KEMA, VDE, UL | 
| Erweiterte technische Daten: | --------------------------------- | 
| Schutzpegel [L-PE] (UP ) | 2,0 kV | 
Part No. 941115 DSH TT 2P 255 FM
GTIN 4013364289208, Customs tariff No. (EU): 85363090, Gross weight: 301.00 g, PU: 1.00 Stk.
Technical data
| SPD nach EN 61643-11 / ... IEC 61643-11 | Typ 1 + Typ 2 / Class I + Class II | 
| Höchste Dauerspannung AC (UC ) | 255 V (50 / 60 Hz) | 
| Blitzstoßstrom (10/350 µs) [L+N-PE] (Itotal ) | 25 kA | 
| Blitzstoßstrom (10/350 µs) [L-N]/[N-PE] (Iimp ) | 12,5 / 25 kA | 
| Schutzpegel [L-N]/[N-PE] (UP ) | ≤ 1,5 / ≤ 1,5 kV | 
| Max. netzseitiger Überstromschutz | 160 A gG | 
| Zulassungen | KEMA, VDE | 
| FM-Kontakte / Kontaktform | Wechsler | 
| Erweiterte technische Daten: | --------------------------------- | 
| Schutzpegel [L-PE] (UP ) | 2,0 kV | 
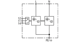
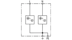
DEHNshield TT 2P Basic FM
Anschlussfertiger, anwendungsoptimierter Kombi-Ableiter für einphasige TT- und TN-Systeme zum Einsatz im Hauptstromversorgungssystem (1+1-Schaltung) bei Wohngebäuden ohne äußeren Blitzschutz (auch mit Freileitungseinspeisung); mit potentialfreien Fernmeldekontakt.
1 Product
Part No. 941116 DSH B TT 2P 255 FM
GTIN 4013364373235, Customs tariff No. (EU): 85363090, Gross weight: 301.00 g, PU: 1.00 Stk.
Technical data
| SPD nach EN 61643-11 / ... IEC 61643-11 | Typ 1 + Typ 2 / Class I + Class II | 
| Höchste Dauerspannung AC (UC ) | 255 V (50 / 60 Hz) | 
| Blitzstoßstrom (10/350 µs) [L+N-PE] (Itotal ) | 15 kA | 
| Blitzstoßstrom (10/350 µs) [L-N]/[N-PE] (Iimp ) | 7,5 / 15 kA | 
| Schutzpegel [L-N]/[N-PE] (UP ) | ≤ 1,5 / ≤ 1,5 kV | 
| Max. netzseitiger Überstromschutz | 160 A gG | 
| FM-Kontakte / Kontaktform | Wechsler | 
| Erweiterte technische Daten: | --------------------------------- | 
| Schutzpegel [L-PE] (UP ) | 2,0 kV | 
:quality(98)/www.dehn-africa.com/store/f/62179113/HDVORSCHAU/941300.jpg) 
                                
                                :quality(98)/www.dehn-africa.com/store/f/62179113/HDVORSCHAU/941300.jpg) 
                                    
                                        
                                    
                                    
                                :quality(98)/www.dehn-africa.com/store/f/62179114/HDVORSCHAU/941300p.jpg) 
                                
                                :quality(98)/www.dehn-africa.com/store/f/62179114/HDVORSCHAU/941300p.jpg) 
                                    
                                        :quality(98)/www.dehn-africa.com/store/f/62179115/HDVORSCHAU/941300m_D.jpg) 
                                
                                :quality(98)/www.dehn-africa.com/store/f/62179115/HDVORSCHAU/941300m_D.jpg) 
                                    
                                         
                 
                 
                 
                 
                 
                 
   				:quality(98)/www.dehn-africa.com/store/f/62179148/HDVORSCHAU/941305.jpg) 
                                
                                :quality(98)/www.dehn-africa.com/store/f/62179148/HDVORSCHAU/941305.jpg) 
                                    
                                        
                                    
                                    
                                :quality(98)/www.dehn-africa.com/store/f/62179149/HDVORSCHAU/941305p.jpg) 
                                
                                :quality(98)/www.dehn-africa.com/store/f/62179149/HDVORSCHAU/941305p.jpg) 
                                    
                                        :quality(98)/www.dehn-africa.com/store/f/62179150/HDVORSCHAU/941305+306m_D.jpg) 
                                
                                :quality(98)/www.dehn-africa.com/store/f/62179150/HDVORSCHAU/941305+306m_D.jpg) 
                                    
                                        :quality(98)/www.dehn-africa.com/store/f/62179165/HDVORSCHAU/941306.jpg) 
                                
                                :quality(98)/www.dehn-africa.com/store/f/62179165/HDVORSCHAU/941306.jpg) 
                                    
                                        
                                    
                                    
                                :quality(98)/www.dehn-africa.com/store/f/62179166/HDVORSCHAU/941305p.jpg) 
                                
                                :quality(98)/www.dehn-africa.com/store/f/62179166/HDVORSCHAU/941305p.jpg) 
                                    
                                        :quality(98)/www.dehn-africa.com/store/f/62179167/HDVORSCHAU/941305+306m_D.jpg) 
                                
                                :quality(98)/www.dehn-africa.com/store/f/62179167/HDVORSCHAU/941305+306m_D.jpg) 
                                    
                                        :quality(98)/www.dehn-africa.com/store/f/62179181/HDVORSCHAU/941400.jpg) 
                                
                                :quality(98)/www.dehn-africa.com/store/f/62179181/HDVORSCHAU/941400.jpg) 
                                    
                                        
                                    
                                    
                                :quality(98)/www.dehn-africa.com/store/f/62179182/HDVORSCHAU/941400p.jpg) 
                                
                                :quality(98)/www.dehn-africa.com/store/f/62179182/HDVORSCHAU/941400p.jpg) 
                                    
                                        :quality(98)/www.dehn-africa.com/store/f/62179183/HDVORSCHAU/941310+400m_D.jpg) 
                                
                                :quality(98)/www.dehn-africa.com/store/f/62179183/HDVORSCHAU/941310+400m_D.jpg) 
                                    
                                        :quality(98)/www.dehn-africa.com/store/f/62179197/HDVORSCHAU/941405.jpg) 
                                
                                :quality(98)/www.dehn-africa.com/store/f/62179197/HDVORSCHAU/941405.jpg) 
                                    
                                        
                                    
                                    
                                :quality(98)/www.dehn-africa.com/store/f/62179198/HDVORSCHAU/941405p.jpg) 
                                
                                :quality(98)/www.dehn-africa.com/store/f/62179198/HDVORSCHAU/941405p.jpg) 
                                    
                                        :quality(98)/www.dehn-africa.com/store/f/62179199/HDVORSCHAU/941315+316+405+406m_D.jpg) 
                                
                                :quality(98)/www.dehn-africa.com/store/f/62179199/HDVORSCHAU/941315+316+405+406m_D.jpg) 
                                    
                                        :quality(98)/www.dehn-africa.com/store/f/62179213/HDVORSCHAU/941406.jpg) 
                                
                                :quality(98)/www.dehn-africa.com/store/f/62179213/HDVORSCHAU/941406.jpg) 
                                    
                                        
                                    
                                    
                                :quality(98)/www.dehn-africa.com/store/f/62179214/HDVORSCHAU/941405p.jpg) 
                                
                                :quality(98)/www.dehn-africa.com/store/f/62179214/HDVORSCHAU/941405p.jpg) 
                                    
                                        :quality(98)/www.dehn-africa.com/store/f/62179215/HDVORSCHAU/941315+316+405+406m_D.jpg) 
                                
                                :quality(98)/www.dehn-africa.com/store/f/62179215/HDVORSCHAU/941315+316+405+406m_D.jpg) 
                                    
                                        :quality(98)/www.dehn-africa.com/store/f/62179229/HDVORSCHAU/941310.jpg) 
                                
                                :quality(98)/www.dehn-africa.com/store/f/62179229/HDVORSCHAU/941310.jpg) 
                                    
                                        
                                    
                                    
                                :quality(98)/www.dehn-africa.com/store/f/62179230/HDVORSCHAU/941310p.jpg) 
                                
                                :quality(98)/www.dehn-africa.com/store/f/62179230/HDVORSCHAU/941310p.jpg) 
                                    
                                        :quality(98)/www.dehn-africa.com/store/f/62179231/HDVORSCHAU/941310+400m_D.jpg) 
                                
                                :quality(98)/www.dehn-africa.com/store/f/62179231/HDVORSCHAU/941310+400m_D.jpg) 
                                    
                                        :quality(98)/www.dehn-africa.com/store/f/62179245/HDVORSCHAU/941315.jpg) 
                                
                                :quality(98)/www.dehn-africa.com/store/f/62179245/HDVORSCHAU/941315.jpg) 
                                    
                                        
                                    
                                    
                                :quality(98)/www.dehn-africa.com/store/f/62179246/HDVORSCHAU/941315p.jpg) 
                                
                                :quality(98)/www.dehn-africa.com/store/f/62179246/HDVORSCHAU/941315p.jpg) 
                                    
                                        :quality(98)/www.dehn-africa.com/store/f/62179247/HDVORSCHAU/941315+316+405+406m_D.jpg) 
                                
                                :quality(98)/www.dehn-africa.com/store/f/62179247/HDVORSCHAU/941315+316+405+406m_D.jpg) 
                                    
                                        :quality(98)/www.dehn-africa.com/store/f/62179261/HDVORSCHAU/941316.jpg) 
                                
                                :quality(98)/www.dehn-africa.com/store/f/62179261/HDVORSCHAU/941316.jpg) 
                                    
                                        
                                    
                                    
                                :quality(98)/www.dehn-africa.com/store/f/62179262/HDVORSCHAU/941315p.jpg) 
                                
                                :quality(98)/www.dehn-africa.com/store/f/62179262/HDVORSCHAU/941315p.jpg) 
                                    
                                        :quality(98)/www.dehn-africa.com/store/f/62179263/HDVORSCHAU/941315+316+405+406m_D.jpg) 
                                
                                :quality(98)/www.dehn-africa.com/store/f/62179263/HDVORSCHAU/941315+316+405+406m_D.jpg) 
                                    
                                        :quality(98)/www.dehn-africa.com/store/f/62179278/HDVORSCHAU/941200.jpg) 
                                
                                :quality(98)/www.dehn-africa.com/store/f/62179278/HDVORSCHAU/941200.jpg) 
                                    
                                        
                                    
                                    
                                :quality(98)/www.dehn-africa.com/store/f/62179279/HDVORSCHAU/941200p.jpg) 
                                
                                :quality(98)/www.dehn-africa.com/store/f/62179279/HDVORSCHAU/941200p.jpg) 
                                    
                                        :quality(98)/www.dehn-africa.com/store/f/62179280/HDVORSCHAU/941110+200m_D.jpg) 
                                
                                :quality(98)/www.dehn-africa.com/store/f/62179280/HDVORSCHAU/941110+200m_D.jpg) 
                                    
                                        :quality(98)/www.dehn-africa.com/store/f/62179295/HDVORSCHAU/941205.jpg) 
                                
                                :quality(98)/www.dehn-africa.com/store/f/62179295/HDVORSCHAU/941205.jpg) 
                                    
                                        
                                    
                                    
                                :quality(98)/www.dehn-africa.com/store/f/62179296/HDVORSCHAU/941205p.jpg) 
                                
                                :quality(98)/www.dehn-africa.com/store/f/62179296/HDVORSCHAU/941205p.jpg) 
                                    
                                        :quality(98)/www.dehn-africa.com/store/f/62179297/HDVORSCHAU/941115+116+205+206m_D.jpg) 
                                
                                :quality(98)/www.dehn-africa.com/store/f/62179297/HDVORSCHAU/941115+116+205+206m_D.jpg) 
                                    
                                        :quality(98)/www.dehn-africa.com/store/f/62179312/HDVORSCHAU/941206.jpg) 
                                
                                :quality(98)/www.dehn-africa.com/store/f/62179312/HDVORSCHAU/941206.jpg) 
                                    
                                        
                                    
                                    
                                :quality(98)/www.dehn-africa.com/store/f/62179313/HDVORSCHAU/941205p.jpg) 
                                
                                :quality(98)/www.dehn-africa.com/store/f/62179313/HDVORSCHAU/941205p.jpg) 
                                    
                                        :quality(98)/www.dehn-africa.com/store/f/62179314/HDVORSCHAU/941115+116+205+206m_D.jpg) 
                                
                                :quality(98)/www.dehn-africa.com/store/f/62179314/HDVORSCHAU/941115+116+205+206m_D.jpg) 
                                    
                                         
            :quality(98)/www.dehn-africa.com/store/f/62179328/HDVORSCHAU/941110.jpg) 
                                
                                :quality(98)/www.dehn-africa.com/store/f/62179328/HDVORSCHAU/941110.jpg) 
                                    
                                        
                                    
                                    
                                :quality(98)/www.dehn-africa.com/store/f/62179329/HDVORSCHAU/941110p.jpg) 
                                
                                :quality(98)/www.dehn-africa.com/store/f/62179329/HDVORSCHAU/941110p.jpg) 
                                    
                                        :quality(98)/www.dehn-africa.com/store/f/62179330/HDVORSCHAU/941110+200m_D.jpg) 
                                
                                :quality(98)/www.dehn-africa.com/store/f/62179330/HDVORSCHAU/941110+200m_D.jpg) 
                                    
                                        :quality(98)/www.dehn-africa.com/store/f/62179344/HDVORSCHAU/941115.jpg) 
                                
                                :quality(98)/www.dehn-africa.com/store/f/62179344/HDVORSCHAU/941115.jpg) 
                                    
                                        
                                    
                                    
                                :quality(98)/www.dehn-africa.com/store/f/62179345/HDVORSCHAU/941115p.jpg) 
                                
                                :quality(98)/www.dehn-africa.com/store/f/62179345/HDVORSCHAU/941115p.jpg) 
                                    
                                        :quality(98)/www.dehn-africa.com/store/f/62179346/HDVORSCHAU/941115+116+205+206m_D.jpg) 
                                
                                :quality(98)/www.dehn-africa.com/store/f/62179346/HDVORSCHAU/941115+116+205+206m_D.jpg) 
                                    
                                        :quality(98)/www.dehn-africa.com/store/f/62179360/HDVORSCHAU/941116.jpg) 
                                
                                :quality(98)/www.dehn-africa.com/store/f/62179360/HDVORSCHAU/941116.jpg) 
                                    
                                        
                                    
                                    
                                :quality(98)/www.dehn-africa.com/store/f/62179361/HDVORSCHAU/941115p.jpg) 
                                
                                :quality(98)/www.dehn-africa.com/store/f/62179361/HDVORSCHAU/941115p.jpg) 
                                    
                                        :quality(98)/www.dehn-africa.com/store/f/62179362/HDVORSCHAU/941115+116+205+206m_D.jpg) 
                                
                                :quality(98)/www.dehn-africa.com/store/f/62179362/HDVORSCHAU/941115+116+205+206m_D.jpg)