Stützrohre für HVI power Leitung / HVI power long Leitung

Stützrohr mit innenliegendem Endverschluss und PA-Federelement.

Mit Fangspitze

Stützrohr mit innenliegendem Endverschluss und PA-Federelement.
Fangspitze aus Al/NIRO, Ø10 mm, Länge 1000 mm.

4 Products

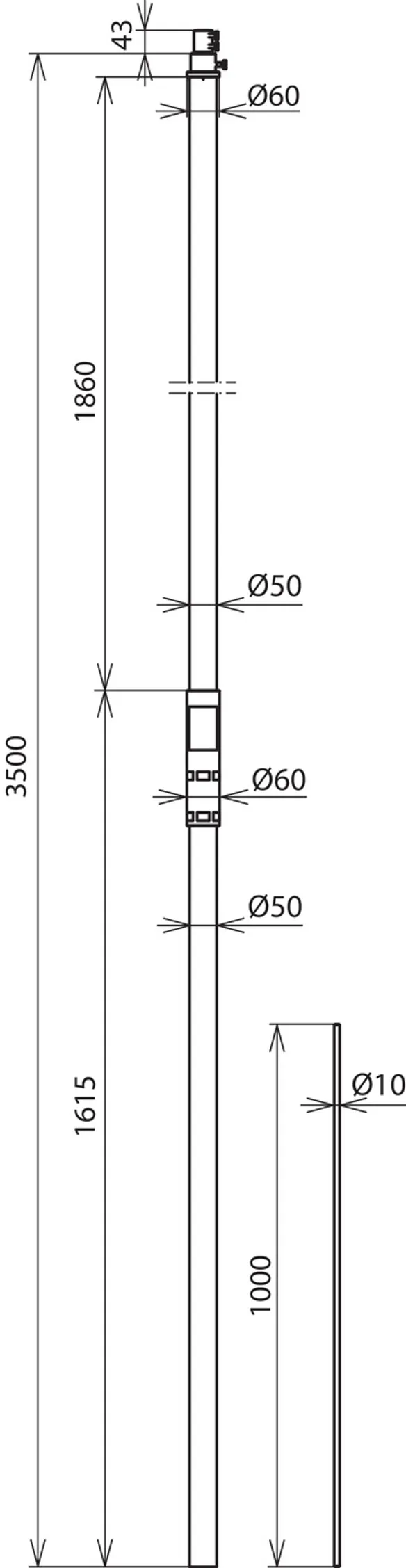
Part No. 105563 SR D50 3500 FSP1000 IA HVIP GFK AL

GTIN 4013364271937, Customs tariff No. (EU): 85389099, Gross weight: 5.70 kg, PU: 1.00 Stk.


Images

Additional information

Stützrohr für HVI power Leitung mit Fangspitze Länge 3500mm GFK/Al
Stützrohre GFK/Al mit innenliegendem Endverschluss und
PA-Federelement für die HVI power Leitung
zum Einhalten des Trennungsabstand zu elektrisch
leitenden Teilen nach DIN EN 62305 (VDE 0185-305-3).
Die Stützrohre sind nach
Eurocode 1 (DIN EN 1991-1-4 + DIN EN 1991-1-4/NA) dimensioniert.
Isolierstrecke aus glasfaserverstärktem Kunststoff GFK
Materialfaktor km = 0,7
Farbe lichtgrau, UV-stabilisiert 1-teilig
kombiniert mit Fangspitze Ø10 mm Länge 1000 mm aus Al
Werkstoff Stützrohr: GFK / Al
Länge Stützrohr: 3500 mm
Durchmesser Ø Außen: 50 mm
Max. freie Länge mit Fangspitze (Wandmontage): 3500 mm
Max. Böenwindgeschwindigkeit: (max. freie Länge 3500 mm, 1x HVI power innen) 201 km/h
Max. Böenwindgeschwindigkeit: (max. freie Länge 3500 mm, 1x HVI power außen) 190 km/h
Normenbezug: DIN IEC/TS 62561-8 (VDE V 0185-561-8)

Fabrikat: DEHN
Typ: SR D50 3500 FSP1000 IA HVIP GFK AL
Art.-Nr.: 105563
oder gleichwertig.

Certificates

 

Technical data

Werkstoff Stützrohr GFK / Al
Länge Stützrohr 3500 mm
Durchmesser Ø Außen 50 mm
Transportlänge 3500 mm
Länge der Isolierstrecke 1800 mm
Geeignet für Rohraußenverlegung Ja
Max. freie Länge mit Fangspitze (Wandmontage) 3500 mm
Normenbezug DIN IEC/TS 62561-8 (VDE V 0185-561-8)

Product 105563 was added to Notepad.

Product 105563 was added to the cart.

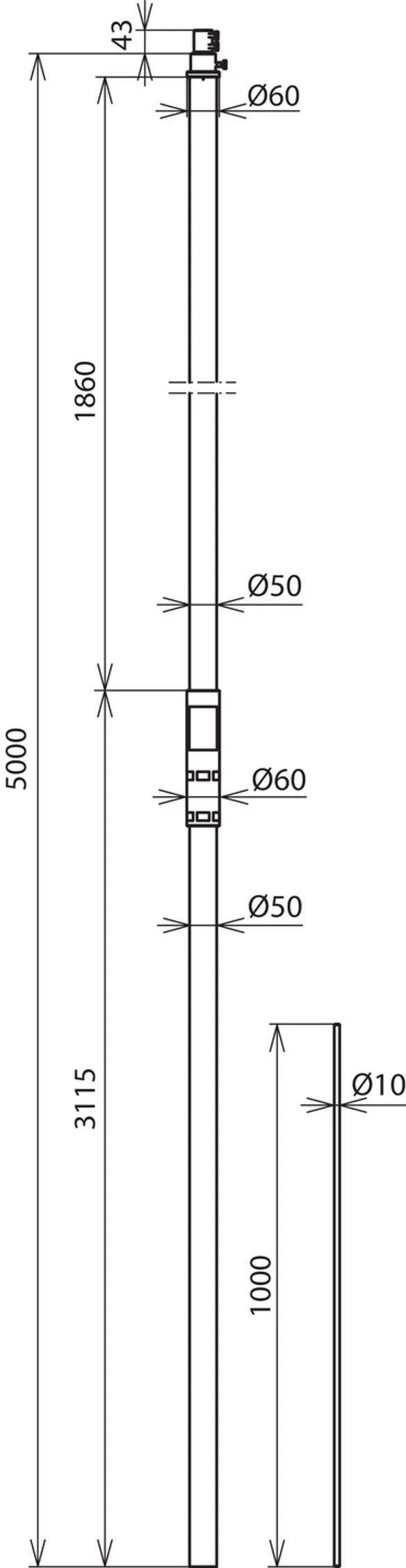
Part No. 105565 SR D50 5000 FSP1000 IA HVIP GFK AL

GTIN 4013364271944, Customs tariff No. (EU): 85389099, Gross weight: 8.10 kg, PU: 1.00 Stk.


Images

Additional information

Stützrohr für HVI power Leitung mit Fangspitze Länge 5000mm GFK/Al
Stützrohre GFK/Al mit innenliegendem Endverschluss und
PA-Federelement für die HVI power Leitung
zum Einhalten des Trennungsabstand zu elektrisch
leitenden Teilen nach DIN EN 62305 (VDE 0185-305-3).
Die Stützrohre sind nach
Eurocode 1 (DIN EN 1991-1-4 + DIN EN 1991-1-4/NA) dimensioniert.
Isolierstrecke aus glasfaserverstärktem Kunststoff GFK
Materialfaktor km = 0,7
Farbe lichtgrau, UV-stabilisiert 1-teilig
kombiniert mit Fangspitze Ø10 mm Länge 1000 mm aus Al
Werkstoff Stützrohr: GFK / Al
Länge Stützrohr: 5000 mm
Durchmesser Ø Außen: 50 mm
Max. freie Länge mit Fangspitze (Wandmontage): 4000 mm
Max. Böenwindgeschwindigkeit: (max. freie Länge 4000 mm, 1x HVI power innen) 201 km/h
Max. Böenwindgeschwindigkeit: (max. freie Länge 4000 mm, 1x HVI power außen) 180 km/h
Normenbezug: DIN IEC/TS 62561-8 (VDE V 0185-561-8)

Fabrikat: DEHN
Typ: SR D50 5000 FSP1000 IA HVIP GFK AL
Art.-Nr.: 105565
oder gleichwertig.

 

Technical data

Werkstoff Stützrohr GFK / Al
Länge Stützrohr 5000 mm
Durchmesser Ø Außen 50 mm
Transportlänge 5000 mm
Länge der Isolierstrecke 1800 mm
Geeignet für Rohraußenverlegung Ja
Max. freie Länge mit Fangspitze (Wandmontage) 4000 mm
Normenbezug DIN IEC/TS 62561-8 (VDE V 0185-561-8)

Product 105565 was added to Notepad.

Product 105565 was added to the cart.

Part No. 105320 SR D50 3500 FSP1000 IP HVIP GFK V2A

GTIN 4013364152373, Customs tariff No. (EU): 85389099, Gross weight: 10.60 kg, PU: 1.00 Stk.


Images

Additional information

Stützrohr für HVI power Leitung mit Fangspitze Länge 3500mm GFK/NIRO
Stützrohre GFK/NIRO mit innenliegendem Endverschluss und
PA-Federelement für die HVI power Leitung
zum Einhalten des Trennungsabstand zu elektrisch
leitenden Teilen nach DIN EN 62305 (VDE 0185-305-3).
Die Stützrohre sind nach
Eurocode 1 (DIN EN 1991-1-4 + DIN EN 1991-1-4/NA) dimensioniert.
Isolierstrecke aus glasfaserverstärktem Kunststoff GFK
Materialfaktor km = 0,7
Farbe lichtgrau, UV-stabilisiert 1-teilig
kombiniert mit Fangspitze Ø10 mm Länge 1000 mm aus NIRO
Werkstoff Stützrohr: GFK / NIRO
Länge Stützrohr: 3500 mm
Durchmesser Ø Außen: 50 mm
Max. freie Länge mit Fangspitze (Wandmontage): 3500 mm
Max. Böenwindgeschwindigkeit: (max. freie Länge 3500 mm, 1x HVI power innen) 234 km/h
Normenbezug: DIN IEC/TS 62561-8 (VDE V 0185-561-8)

Fabrikat: DEHN
Typ: SR D50 3500 FSP1000 IP HVIP GFK V2A
Art.-Nr.: 105320
oder gleichwertig.

Certificates

 

Technical data

Werkstoff Stützrohr GFK / NIRO
Länge Stützrohr 3500 mm
Durchmesser Ø Außen 50 mm
Transportlänge 3500 mm
Länge der Isolierstrecke 1800 mm
Geeignet für Rohraußenverlegung Nein
Max. freie Länge mit Fangspitze (Wandmontage) 3500 mm
Normenbezug DIN IEC/TS 62561-8 (VDE V 0185-561-8)

Product 105320 was added to Notepad.

Product 105320 was added to the cart.

Part No. 105322 SR D50 5000 FSP1000 IP HVIP GFK V2A

GTIN 4013364152380, Customs tariff No. (EU): 85389099, Gross weight: 15.80 kg, PU: 1.00 Stk.


Images

Additional information

Stützrohr für HVI power Leitung mit Fangspitze Länge 5000mm GFK/NIRO
Stützrohre GFK/NIRO mit innenliegendem Endverschluss und
PA-Federelement für die HVI power Leitung
zum Einhalten des Trennungsabstand zu elektrisch
leitenden Teilen nach DIN EN 62305 (VDE 0185-305-3).
Die Stützrohre sind nach
Eurocode 1 (DIN EN 1991-1-4 + DIN EN 1991-1-4/NA) dimensioniert.
Isolierstrecke aus glasfaserverstärktem Kunststoff GFK
Materialfaktor km = 0,7
Farbe lichtgrau, UV-stabilisiert 1-teilig
kombiniert mit Fangspitze Ø10 mm Länge 1000 mm aus NIRO
Werkstoff Stützrohr: GFK / NIRO
Länge Stützrohr: 5000 mm
Durchmesser Ø Außen: 50 mm
Max. freie Länge mit Fangspitze (Wandmontage): 4000 mm
Max. Böenwindgeschwindigkeit: (max. freie Länge 4000 mm, 1x HVI power innen) 232 km/h
Normenbezug: DIN IEC/TS 62561-8 (VDE V 0185-561-8)

Fabrikat: DEHN
Typ: SR D50 5000 FSP1000 IP HVIP GFK V2A
Art.-Nr.: 105322
oder gleichwertig.

Certificates

 

Technical data

Werkstoff Stützrohr GFK / NIRO
Länge Stützrohr 5000 mm
Durchmesser Ø Außen 50 mm
Transportlänge 5000 mm
Länge der Isolierstrecke 1800 mm
Geeignet für Rohraußenverlegung Nein
Max. freie Länge mit Fangspitze (Wandmontage) 4000 mm
Normenbezug DIN IEC/TS 62561-8 (VDE V 0185-561-8)

Product 105322 was added to Notepad.

Product 105322 was added to the cart.


Mit Fangstange

Stützrohr mit innenliegendem Endverschluss und PA-Federelement.
Fangstange aus Al/NIRO, Ø22 / 16 / 10 mm, Länge 2500 mm.

4 Products

Part No. 105573 SR D50 3500 FS2500 IA HVIP GFK AL

GTIN 4013364271975, Customs tariff No. (EU): 85389099, Gross weight: 6.56 kg, PU: 1.00 Stk.


Images

Additional information

Stützrohr für HVI power Leitung mit Fangsstange Länge 3500mm GFK/Al
Stützrohre GFK/Al mit innenliegendem Endverschluss und
PA-Federelement für die HVI power Leitung
zum Einhalten des Trennungsabstand zu elektrisch
leitenden Teilen nach DIN EN 62305 (VDE 0185-305-3).
Die Stützrohre sind nach
Eurocode 1 (DIN EN 1991-1-4 + DIN EN 1991-1-4/NA) dimensioniert.
Isolierstrecke aus glasfaserverstärktem Kunststoff GFK
Materialfaktor km = 0,7
Farbe lichtgrau, UV-stabilisiert 1-teilig
kombiniert mit Fangstange Ø22/16/10 mm Länge 2500 mm aus Al
Werkstoff Stützrohr: GFK / Al
Länge Stützrohr: 3500 mm
Durchmesser Ø Außen: 50 mm
Max. freie Länge mit Fangstange (Wandmontage): 5000 mm
Max. Böenwindgeschwindigkeit: (max. freie Länge 5000 mm, 1x HVI power innen) 168 km/h
Max. Böenwindgeschwindigkeit: (max. freie Länge 5000 mm, 1x HVI power außen) 144 km/h
Normenbezug: DIN IEC/TS 62561-8 (VDE V 0185-561-8)

Fabrikat: DEHN
Typ: SR D50 3500 FS2500 IA HVIP GFK AL
Art.-Nr.: 105573
oder gleichwertig.

Certificates

 

Technical data

Werkstoff Stützrohr GFK / Al
Länge Stützrohr 3500 mm
Durchmesser Ø Außen 50 mm
Transportlänge 3500 mm
Länge der Isolierstrecke 1800 mm
Geeignet für Rohraußenverlegung Ja
Max. freie Länge mit Fangstange (Wandmontage) 5000 mm
Normenbezug DIN IEC/TS 62561-8 (VDE V 0185-561-8)

Product 105573 was added to Notepad.

Product 105573 was added to the cart.

Part No. 105575 SR D50 5000 FS2500 IA HVIP GFK AL

GTIN 4013364272026, Customs tariff No. (EU): 85389099, Gross weight: 8.90 kg, PU: 1.00 Stk.


Images

Additional information

Stützrohr für HVI power Leitung mit Fangsstange Länge 5000mm GFK/Al
Stützrohre GFK/Al mit innenliegendem Endverschluss
und PA-Federelement für die HVI power Leitung
zum Einhalten des Trennungsabstand zu elektrisch
leitenden Teilen nach DIN EN 62305 (VDE 0185-305-3).
Die Stützrohre sind nach
Eurocode 1 (DIN EN 1991-1-4 + DIN EN 1991-1-4/NA) dimensioniert.
Isolierstrecke aus glasfaserverstärktem Kunststoff GFK
Materialfaktor km = 0,7
Farbe lichtgrau, UV-stabilisiert 1-teilig
kombiniert mit Fangstange Ø22/16/10 mm Länge 2500 mm aus Al
Werkstoff Stützrohr: GFK / Al
Länge Stützrohr: 5000 mm
Durchmesser Ø Außen: 50 mm
Max. freie Länge mit Fangstange (Wandmontage): 5500 mm
Max. Böenwindgeschwindigkeit: (max. freie Länge 5500 mm, 1x HVI power innen) 163 km/h
Max. Böenwindgeschwindigkeit: (max. freie Länge 5500 mm, 1x HVI power außen) 140 km/h
Normenbezug: DIN IEC/TS 62561-8 (VDE V 0185-561-8)

Fabrikat: DEHN
Typ: SR D50 5000 FS2500 IA HVIP GFK AL
Art.-Nr.: 105575
oder gleichwertig.

Certificates

 

Technical data

Werkstoff Stützrohr GFK / Al
Länge Stützrohr 5000 mm
Durchmesser Ø Außen 50 mm
Transportlänge 5000 mm
Länge der Isolierstrecke 1800 mm
Geeignet für Rohraußenverlegung Ja
Max. freie Länge mit Fangstange (Wandmontage) 5500 mm
Normenbezug DIN IEC/TS 62561-8 (VDE V 0185-561-8)

Product 105575 was added to Notepad.

Product 105575 was added to the cart.

Part No. 105321 SR D50 3500 FS22 10 2500 IP HVIP GFK V2A

GTIN 4013364152397, Customs tariff No. (EU): 85389099, Gross weight: 12.20 kg, PU: 1.00 Stk.


Images

Additional information

Stützrohr für HVI power Leitung mit Fangsstange Länge 3500mm GFK/NIRO
Stützrohre GFK/NIRO mit innenliegendem Endverschluss
und PA-Federelement für die HVI power Leitung
zum Einhalten des Trennungsabstand zu elektrisch
leitenden Teilen nach DIN EN 62305 (VDE 0185-305-3).
Die Stützrohre sind nach
Eurocode 1 (DIN EN 1991-1-4 + DIN EN 1991-1-4/NA) dimensioniert.
Isolierstrecke aus glasfaserverstärktem Kunststoff GFK
Materialfaktor km = 0,7
Farbe lichtgrau, UV-stabilisiert 1-teilig
kombiniert mit Fangstange Ø22/16/10 mm Länge 2500 mm aus NIRO
Werkstoff Stützrohr: GFK / NIRO
Länge Stützrohr: 3500 mm
Durchmesser Ø Außen: 50 mm
Max. freie Länge mit Fangstange (Wandmontage): 5000 mm
Max. Böenwindgeschwindigkeit: (max. freie Länge 5000 mm, 1x HVI power innen) 163 km/h
Normenbezug: DIN IEC/TS 62561-8 (VDE V 0185-561-8)

Fabrikat: DEHN
Typ: SR D50 3500 FS22 10 2500 IP HVIP GFK V2A
Art.-Nr.: 105321
oder gleichwertig.

Certificates

 

Technical data

Werkstoff Stützrohr GFK / NIRO
Länge Stützrohr 3500 mm
Durchmesser Ø Außen 50 mm
Transportlänge 3500 mm
Länge der Isolierstrecke 1800 mm
Geeignet für Rohraußenverlegung Nein
Max. freie Länge mit Fangstange (Wandmontage) 5000 mm
Normenbezug DIN IEC/TS 62561-8 (VDE V 0185-561-8)

Product 105321 was added to Notepad.

Product 105321 was added to the cart.

Part No. 105323 SR D50 5000 FS22 10 2500 IP HVIP GFK V2A

GTIN 4013364152403, Customs tariff No. (EU): 85389099, Gross weight: 16.30 kg, PU: 1.00 Stk.


Images

Additional information

Stützrohr für HVI power Leitung mit Fangstange Länge 5000mm GFK/NIRO
Stützrohre GFK/NIRO mit innenliegendem Endverschluss
und PA-Federelement für die HVI power Leitung
zum Einhalten des Trennungsabstand zu elektrisch
leitenden Teilen nach DIN EN 62305 (VDE 0185-305-3).
Die Stützrohre sind nach
Eurocode 1 (DIN EN 1991-1-4 + DIN EN 1991-1-4/NA) dimensioniert.
Isolierstrecke aus glasfaserverstärktem Kunststoff GFK
Materialfaktor km = 0,7
Farbe lichtgrau, UV-stabilisiert 1-teilig
kombiniert mit Fangstange Ø22/16/10 mm Länge 2500 mm aus NIRO
Werkstoff Stützrohr: GFK / NIRO
Länge Stützrohr: 5000 mm
Durchmesser Ø Außen: 50 mm
Max. freie Länge mit Fangstange (Wandmontage): 5500 mm
Max. Böenwindgeschwindigkeit: (max. freie Länge 5500 mm, 1x HVI power innen) 159 km/h
Normenbezug: DIN IEC/TS 62561-8 (VDE V 0185-561-8)

Fabrikat: DEHN
Typ: SR D50 5000 FS22 10 2500 IP HVIP GFK V2A
Art.-Nr.: 105323
oder gleichwertig.

Certificates

 

Technical data

Werkstoff Stützrohr GFK / NIRO
Länge Stützrohr 5000 mm
Durchmesser Ø Außen 50 mm
Transportlänge 5000 mm
Länge der Isolierstrecke 1800 mm
Geeignet für Rohraußenverlegung Nein
Max. freie Länge mit Fangstange (Wandmontage) 5500 mm
Normenbezug DIN IEC/TS 62561-8 (VDE V 0185-561-8)

Product 105323 was added to Notepad.

Product 105323 was added to the cart.


Mit Fangspitze und seitlichem Auslass

Stützrohr mit innenliegendem Endverschluss und PA-Federelement.
Fangspitze aus Al/NIRO, Ø10 mm, Länge 1000 mm.

4 Products

Part No. 105513 SR D50 3500 FSP1000 IA SA HVIP GFK AL

GTIN 4013364270282, Customs tariff No. (EU): 85389099, Gross weight: 5.50 kg, PU: 1.00 Stk.


Images

Additional information

Stützrohr für HVI power Leitung GFK/Al mit seitlichem Auslass
Stützrohre GFK/Al mit innenliegendem Endverschluss
und PA-Federelement für die HVI power Leitung
zum Einhalten des Trennungsabstand zu elektrisch
leitenden Teilen nach DIN EN 62305 (VDE 0185-305-3).
Die Stützrohre sind nach
Eurocode 1 (DIN EN 1991-1-4 + DIN EN 1991-1-4/NA) dimensioniert.
Isolierstrecke aus glasfaserverstärktem Kunststoff GFK
Materialfaktor km = 0,7
Farbe lichtgrau, UV-stabilisiert 1-teilig
kombiniert mit Fangspitze Ø10 mm Länge 1000 mm aus Al
Werkstoff Stützrohr: GFK / Al
Länge Stützrohr: 3500 mm
Durchmesser Ø Außen: 50 mm
Normenbezug: DIN IEC/TS 62561-8 (VDE V 0185-561-8)

Fabrikat: DEHN
Typ: SR D50 3500 FSP1000 IA SA HVIP GFK AL
Art.-Nr.: 105513
oder gleichwertig.

Certificates

 

Technical data

Werkstoff Stützrohr GFK / Al
Länge Stützrohr 3500 mm
Durchmesser Ø Außen 50 mm
Transportlänge 3500 mm
Länge der Isolierstrecke 1800 mm
Geeignet für Rohraußenverlegung Ja
Normenbezug DIN IEC/TS 62561-8 (VDE V 0185-561-8)

Product 105513 was added to Notepad.

Product 105513 was added to the cart.

Part No. 105515 SR D50 5000 FSP1000 IA SA HVIP GFK AL

GTIN 4013364271821, Customs tariff No. (EU): 85389099, Gross weight: 8.00 kg, PU: 1.00 Stk.


Images

Additional information

Stützrohr für HVI power Leitung GFK/Al mit seitlichem Auslass
Stützrohre GFK/Al mit innenliegendem Endverschluss
und PA-Federelement für die HVI power Leitung
zum Einhalten des Trennungsabstand zu elektrisch
leitenden Teilen nach DIN EN 62305 (VDE 0185-305-3).
Die Stützrohre sind nach
Eurocode 1 (DIN EN 1991-1-4 + DIN EN 1991-1-4/NA) dimensioniert.
Isolierstrecke aus glasfaserverstärktem Kunststoff GFK
Materialfaktor km = 0,7
Farbe lichtgrau, UV-stabilisiert 1-teilig
kombiniert mit Fangspitze Ø10 mm Länge 1000 mm aus Al
Werkstoff Stützrohr: GFK / Al
Länge Stützrohr: 5000 mm
Durchmesser Ø Außen: 50 mm
Normenbezug: DIN IEC/TS 62561-8 (VDE V 0185-561-8)

Fabrikat: DEHN
Typ: SR D50 5000 FSP1000 IA SA HVIP GFK AL
Art.-Nr.: 105515
oder gleichwertig.

Certificates

 

Technical data

Werkstoff Stützrohr GFK / Al
Länge Stützrohr 5000 mm
Durchmesser Ø Außen 50 mm
Transportlänge 5000 mm
Länge der Isolierstrecke 1800 mm
Geeignet für Rohraußenverlegung Ja
Normenbezug DIN IEC/TS 62561-8 (VDE V 0185-561-8)

Product 105515 was added to Notepad.

Product 105515 was added to the cart.

Part No. 105392 SR D50 3500 FS1000 IP SA HVIP GFK V2A

GTIN 4013364157903, Customs tariff No. (EU): 85389099, Gross weight: 10.20 kg, PU: 1.00 Stk.


Images

Additional information

Stützrohr für HVI power Leitung GFK/NIRO mit seitlichem Auslass
Stützrohre GFK/NIRO mit seitlichem Auslass,
innenliegendem Endverschluss und PA-Federelement
für die HVI power Leitung zum Einhalten des Trennungsabstand
zu elektrisch leitenden Teilen nach DIN EN 62305 (VDE 0185-305-3).
Die Stützrohre sind nach
Eurocode 1 (DIN EN 1991-1-4 + DIN EN 1991-1-4/NA) dimensioniert.
Isolierstrecke aus glasfaserverstärktem Kunststoff GFK
Materialfaktor km = 0,7
Farbe lichtgrau, UV-stabilisiert 1-teilig
kombiniert mit Fangspitze Ø10 mm Länge 1000 mm aus NIRO
Werkstoff Stützrohr: GFK / NIRO
Länge Stützrohr: 3500 mm
Durchmesser Ø Außen: 50 mm
Normenbezug: DIN IEC/TS 62561-8 (VDE V 0185-561-8)

Fabrikat: DEHN
Typ: SR D50 3500 FS1000 IP SA HVIP GFK V2A
Art.-Nr.: 105392
oder gleichwertig.

Certificates

 

Technical data

Werkstoff Stützrohr GFK / NIRO
Länge Stützrohr 3500 mm
Durchmesser Ø Außen 50 mm
Transportlänge 3500 mm
Länge der Isolierstrecke 1800 mm
Geeignet für Rohraußenverlegung Nein
Normenbezug DIN IEC/TS 62561-8 (VDE V 0185-561-8)

Product 105392 was added to Notepad.

Product 105392 was added to the cart.

Part No. 105394 SR D50 5000 FS1000 IP SA HVIP GFK V2A

GTIN 4013364157910, Customs tariff No. (EU): 85389099, Gross weight: 15.10 kg, PU: 1.00 Stk.


Images

Additional information

Stützrohr für HVI power Leitung GFK/NIRO mit seitlichem Auslass
Stützrohre GFK/NIRO mit seitlichem Auslass,
innenliegendem Endverschluss und PA-Federelement
für die HVI power Leitung zum Einhalten des Trennungsabstand
zu elektrisch leitenden Teilen nach DIN EN 62305 (VDE 0185-305-3).
Die Stützrohre sind nach
Eurocode 1 (DIN EN 1991-1-4 + DIN EN 1991-1-4/NA) dimensioniert.
Isolierstrecke aus glasfaserverstärktem Kunststoff GFK
Materialfaktor km = 0,7
Farbe lichtgrau, UV-stabilisiert 1-teilig
kombiniert mit Fangspitze Ø10 mm Länge 1000 mm aus NIRO
Werkstoff Stützrohr: GFK / NIRO
Länge Stützrohr: 5000 mm
Durchmesser Ø Außen: 50 mm
Normenbezug: DIN IEC/TS 62561-8 (VDE V 0185-561-8)

Fabrikat: DEHN
Typ: SR D50 5000 FS1000 IP SA HVIP GFK V2A
Art.-Nr.: 105394
oder gleichwertig.

Certificates

 

Technical data

Werkstoff Stützrohr GFK / NIRO
Länge Stützrohr 5000 mm
Durchmesser Ø Außen 50 mm
Transportlänge 5000 mm
Länge der Isolierstrecke 1800 mm
Geeignet für Rohraußenverlegung Nein
Normenbezug DIN IEC/TS 62561-8 (VDE V 0185-561-8)

Product 105394 was added to Notepad.

Product 105394 was added to the cart.


Mit Fangstange und seitlichem Auslass

Stützrohr mit innenliegendem Endverschluss und PA-Federelement.
Fangstange aus Al/NIRO, Ø22 / 16 / 10 mm, Länge 2500 mm.

3 Products

Part No. 105543 SR D50 3500 FS2500 IA SA HVIP GFK AL

GTIN 4013364271845, Customs tariff No. (EU): 85389099, Gross weight: 6.40 kg, PU: 1.00 Stk.


Images

Additional information

Stützrohr für HVI power Leitung GFK/Al mit seitlichem Auslass
Stützrohre GFK/Al mit innenliegendem Endverschluss
und PA-Federelement für die HVI power Leitung zum Einhalten
des Trennungsabstand zu elektrisch leitenden Teilen
nach DIN EN 62305 (VDE 0185-305-3).
Die Stützrohre sind nach
Eurocode 1 (DIN EN 1991-1-4 + DIN EN 1991-1-4/NA) dimensioniert.
Isolierstrecke aus glasfaserverstärktem Kunststoff GFK
Materialfaktor km = 0,7
Farbe lichtgrau, UV-stabilisiert 1-teilig
kombiniert mit Fangstange Ø22/16/10 mm Länge 2500 mm aus Al
Werkstoff Stützrohr: GFK / Al
Länge Stützrohr: 3500 mm
Durchmesser Ø Außen: 50 mm
Normenbezug: DIN IEC/TS 62561-8 (VDE V 0185-561-8)

Fabrikat: DEHN
Typ: SR D50 3500 FS2500 IA SA HVIP GFK AL
Art.-Nr.: 105543
oder gleichwertig.

Certificates

 

Technical data

Werkstoff Stützrohr GFK / Al
Länge Stützrohr 3500 mm
Durchmesser Ø Außen 50 mm
Transportlänge 3500 mm
Länge der Isolierstrecke 1800 mm
Geeignet für Rohraußenverlegung Ja
Normenbezug DIN IEC/TS 62561-8 (VDE V 0185-561-8)

Product 105543 was added to Notepad.

Product 105543 was added to the cart.

Part No. 105545 SR D50 5000 FS2500 IA SA HVIP GFK AL

GTIN 4013364271876, Customs tariff No. (EU): 85389099, Gross weight: 8.90 kg, PU: 1.00 Stk.


Images

Additional information

Stützrohr für HVI power Leitung GFK/Al mit seitlichem Auslass
Stützrohre GFK/Al mit innenliegendem Endverschluss
und PA-Federelement für die HVI power Leitung zum Einhalten
des Trennungsabstand zu elektrisch leitenden Teilen
nach DIN EN 62305 (VDE 0185-305-3).
Die Stützrohre sind nach
Eurocode 1 (DIN EN 1991-1-4 + DIN EN 1991-1-4/NA) dimensioniert.
Isolierstrecke aus glasfaserverstärktem Kunststoff GFK
Materialfaktor km = 0,7
Farbe lichtgrau, UV-stabilisiert 1-teilig
kombiniert mit Fangstange Ø22/16/10 mm Länge 2500 mm aus Al
Werkstoff Stützrohr: GFK / Al
Länge Stützrohr: 5000 mm
Durchmesser Ø Außen: 50 mm
Normenbezug: DIN IEC/TS 62561-8 (VDE V 0185-561-8)

Fabrikat: DEHN
Typ: SR D50 5000 FS2500 IA SA HVIP GFK AL
Art.-Nr.: 105545
oder gleichwertig.

Certificates

 

Technical data

Werkstoff Stützrohr GFK / Al
Länge Stützrohr 5000 mm
Durchmesser Ø Außen 50 mm
Transportlänge 5000 mm
Länge der Isolierstrecke 1800 mm
Geeignet für Rohraußenverlegung Ja
Normenbezug DIN IEC/TS 62561-8 (VDE V 0185-561-8)

Product 105545 was added to Notepad.

Product 105545 was added to the cart.

Part No. 105395 SR D50 5000 FS2500 IP SA HVIP GFK V2A

GTIN 4013364157934, Customs tariff No. (EU): 85389099, Gross weight: 17.12 kg, PU: 1.00 Stk.


Images

Additional information

Stützrohr für HVI power Leitung GFK/NIRO mit seitlichem Auslass
Stützrohre GFK/NIRO mit seitlichem Auslass,
innenliegendem Endverschluss und PA-Federelement
für die HVI power Leitung zum Einhalten des Trennungsabstand
zu elektrisch leitenden Teilen nach DIN EN 62305 (VDE 0185-305-3).
Die Stützrohre sind nach
Eurocode 1 (DIN EN 1991-1-4 + DIN EN 1991-1-4/NA) dimensioniert.
Isolierstrecke aus glasfaserverstärktem Kunststoff GFK
Materialfaktor km = 0,7
Farbe lichtgrau, UV-stabilisiert 1-teilig
kombiniert mit Fangstange Ø22/16/10 mm Länge 2500 mm aus NIRO
Werkstoff Stützrohr: GFK / NIRO
Länge Stützrohr: 5000 mm
Durchmesser Ø Außen: 50 mm
Normenbezug: DIN IEC/TS 62561-8 (VDE V 0185-561-8)

Fabrikat: DEHN
Typ: SR D50 5000 FS2500 IP SA HVIP GFK V2A
Art.-Nr.: 105395
oder gleichwertig.

Certificates

 

Technical data

Werkstoff Stützrohr GFK / NIRO
Länge Stützrohr 5000 mm
Durchmesser Ø Außen 50 mm
Transportlänge 5000 mm
Länge der Isolierstrecke 1800 mm
Geeignet für Rohraußenverlegung Nein
Normenbezug DIN IEC/TS 62561-8 (VDE V 0185-561-8)

Product 105395 was added to Notepad.

Product 105395 was added to the cart.


back to top