DEHNguard YPV SCI ... – kompakt
:quality(98)/www.dehn-africa.com/store/f/50198959/HDVORSCHAU/950530a1_16-9.jpg) 
                        
                        :quality(98)/www.dehn-africa.com/store/f/50198959/HDVORSCHAU/950530a1_16-9.jpg) 
                            
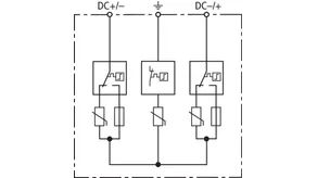
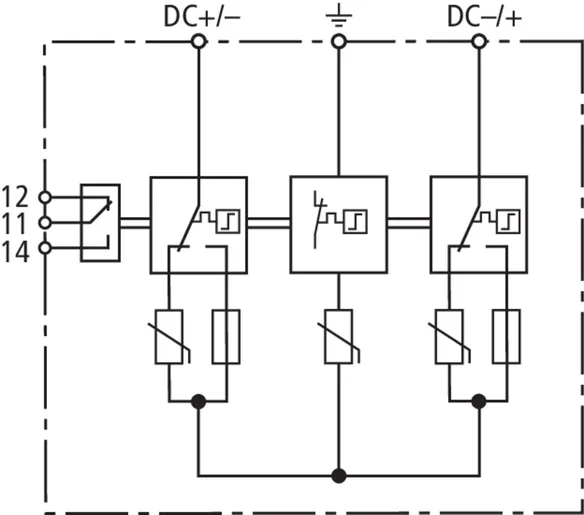
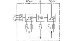
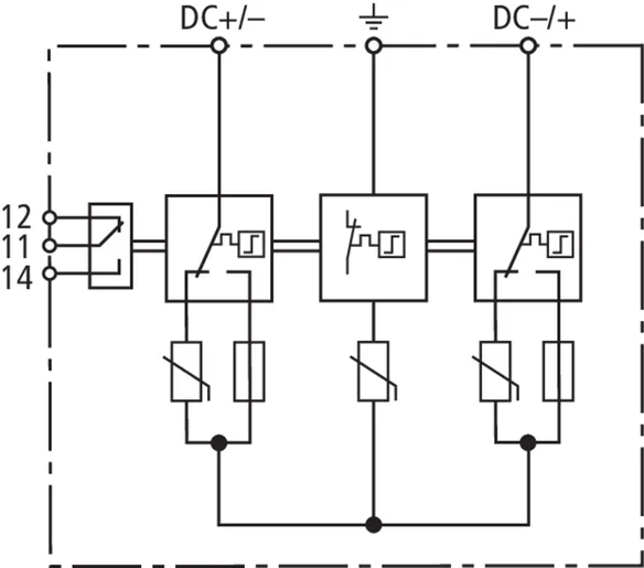
                        - Verdrahtungsfertige Kompletteinheit für Photovoltaik-Anlagen
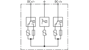
- Kombinierte Abtrenn- und Kurzschließvorrichtung mit sicherer elektrischer Trennung (patentiertes SCI-Prinzip)
- Bewährte fehlerresistente Y-Schaltung des DEHNguard YPV SCI … vermeidet Schädigung des Überspannungsschutzes bei Isolationsfehlern im Generatorkreis
- Geprüft nach EN 61643-31
- Einsetzbar in PV-Systemen gemäß IEC 60364-7-712
Details
:quality(98)/www.dehn-africa.com/store/f/50198960/HDVORSCHAU/952510_Schaltphasen_D_web.jpg) 
                                :quality(98)/www.dehn-africa.com/store/f/50198960/HDVORSCHAU/952510_Schaltphasen_D_web.jpg) 
                                    
                                Part No. 950531 DG YPV SCI 600
GTIN 4013364152953, Customs tariff No. (EU): 85363030, Gross weight: 296.00 g, PU: 1.00 Stk.
PredecessorTechnical data
| SPD nach EN 61643-31 / ... IEC 61643-31 | Typ 2 / Class II | 
| Max. PV-Spannung (UCPV ) | 600 V | 
| Kurzschlussfestigkeit (ISCPV ) | 1000 A | 
| Nennableitstoßstrom (8/20 µs) [(DC+/DC-) --> PE] (In ) | 12,5 kA | 
| Max. Ableitstoßstrom (8/20 µs) [(DC+/DC-) --> PE] (Imax ) | 25 kA | 
| Schutzpegel (UP ) | ≤ 2,5 kV | 
| Zulassungen | KEMA, UL | 
Part No. 950530 DG YPV SCI 1000
GTIN 4013364152960, Customs tariff No. (EU): 85363030, Gross weight: 321.00 g, PU: 1.00 Stk.
Technical data
| SPD nach EN 61643-31 / ... IEC 61643-31 | Typ 2 / Class II | 
| Max. PV-Spannung (UCPV ) | 1000 V | 
| Kurzschlussfestigkeit (ISCPV ) | 1000 A | 
| Nennableitstoßstrom (8/20 µs) [(DC+/DC-) --> PE] (In ) | 12,5 kA | 
| Max. Ableitstoßstrom (8/20 µs) [(DC+/DC-) --> PE] (Imax ) | 25 kA | 
| Schutzpegel (UP ) | ≤ 4 kV | 
| Zulassungen | KEMA, UL | 
Part No. 950536 DG YPV SCI 600 FM
GTIN 4013364154995, Customs tariff No. (EU): 85363030, Gross weight: 306.00 g, PU: 1.00 Stk.
PredecessorTechnical data
| SPD nach EN 61643-31 / ... IEC 61643-31 | Typ 2 / Class II | 
| Max. PV-Spannung (UCPV ) | 600 V | 
| Kurzschlussfestigkeit (ISCPV ) | 1000 A | 
| Nennableitstoßstrom (8/20 µs) [(DC+/DC-) --> PE] (In ) | 12,5 kA | 
| Max. Ableitstoßstrom (8/20 µs) [(DC+/DC-) --> PE] (Imax ) | 25 kA | 
| Schutzpegel (UP ) | ≤ 2,5 kV | 
| Zulassungen | KEMA, UL | 
| FM-Kontakte / Kontaktform | Wechsler | 
Part No. 950535 DG YPV SCI 1000 FM
GTIN 4013364154988, Customs tariff No. (EU): 85363030, Gross weight: 331.00 g, PU: 1.00 Stk.
Technical data
| SPD nach EN 61643-31 / ... IEC 61643-31 | Typ 2 / Class II | 
| Max. PV-Spannung (UCPV ) | 1000 V | 
| Kurzschlussfestigkeit (ISCPV ) | 1000 A | 
| Nennableitstoßstrom (8/20 µs) [(DC+/DC-) --> PE] (In ) | 12,5 kA | 
| Max. Ableitstoßstrom (8/20 µs) [(DC+/DC-) --> PE] (Imax ) | 25 kA | 
| Schutzpegel (UP ) | ≤ 4 kV | 
| Zulassungen | KEMA, UL | 
| FM-Kontakte / Kontaktform | Wechsler | 
:quality(98)/www.dehn-africa.com/store/f/50198981/HDVORSCHAU/950531.jpg) 
                                
                                :quality(98)/www.dehn-africa.com/store/f/50198981/HDVORSCHAU/950531.jpg) 
                                    
                                        
                                    
                                    
                                :quality(98)/www.dehn-africa.com/store/f/50198982/HDVORSCHAU/950530p.jpg) 
                                
                                :quality(98)/www.dehn-africa.com/store/f/50198982/HDVORSCHAU/950530p.jpg) 
                                    
                                        :quality(98)/www.dehn-africa.com/store/f/50198983/HDVORSCHAU/950530m_D.jpg) 
                                
                                :quality(98)/www.dehn-africa.com/store/f/50198983/HDVORSCHAU/950530m_D.jpg) 
                                    
                                         
                 
                 
                 
                 
   				:quality(98)/www.dehn-africa.com/store/f/50198994/HDVORSCHAU/950530.jpg) 
                                
                                :quality(98)/www.dehn-africa.com/store/f/50198994/HDVORSCHAU/950530.jpg) 
                                    
                                        
                                    
                                    
                                :quality(98)/www.dehn-africa.com/store/f/50198995/HDVORSCHAU/950530p.jpg) 
                                
                                :quality(98)/www.dehn-africa.com/store/f/50198995/HDVORSCHAU/950530p.jpg) 
                                    
                                        :quality(98)/www.dehn-africa.com/store/f/50198996/HDVORSCHAU/950530m_D.jpg) 
                                
                                :quality(98)/www.dehn-africa.com/store/f/50198996/HDVORSCHAU/950530m_D.jpg) 
                                    
                                        :quality(98)/www.dehn-africa.com/store/f/50199012/HDVORSCHAU/950536.jpg) 
                                
                                :quality(98)/www.dehn-africa.com/store/f/50199012/HDVORSCHAU/950536.jpg) 
                                    
                                        
                                    
                                    
                                :quality(98)/www.dehn-africa.com/store/f/50199013/HDVORSCHAU/950535p.jpg) 
                                
                                :quality(98)/www.dehn-africa.com/store/f/50199013/HDVORSCHAU/950535p.jpg) 
                                    
                                        :quality(98)/www.dehn-africa.com/store/f/50199014/HDVORSCHAU/950535m_D.jpg) 
                                
                                :quality(98)/www.dehn-africa.com/store/f/50199014/HDVORSCHAU/950535m_D.jpg) 
                                    
                                        :quality(98)/www.dehn-africa.com/store/f/50199023/HDVORSCHAU/950535.jpg) 
                                
                                :quality(98)/www.dehn-africa.com/store/f/50199023/HDVORSCHAU/950535.jpg) 
                                    
                                        
                                    
                                    
                                :quality(98)/www.dehn-africa.com/store/f/50199024/HDVORSCHAU/950535p.jpg) 
                                
                                :quality(98)/www.dehn-africa.com/store/f/50199024/HDVORSCHAU/950535p.jpg) 
                                    
                                        :quality(98)/www.dehn-africa.com/store/f/50199025/HDVORSCHAU/950535m_D.jpg) 
                                
                                :quality(98)/www.dehn-africa.com/store/f/50199025/HDVORSCHAU/950535m_D.jpg)