DEHNcube EMOB

  • Mehrpoliger Überspannungsschutz im Gehäuseanschlusskasten für E-Mobility
  • Verdrahtungsfertige Kompletteinheit für E-Mobility
  • Geprüft nach EN 61643-11 und EN 61439-2
  • Einsetzbar gemäß DIN VDE und EN 61439 für E-Mobility
  • Abgangsseitige Installationsleitung bereits verdrahtet
  • Passend für Anwendungen bis 22 kW

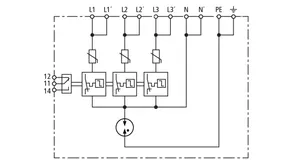
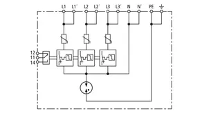
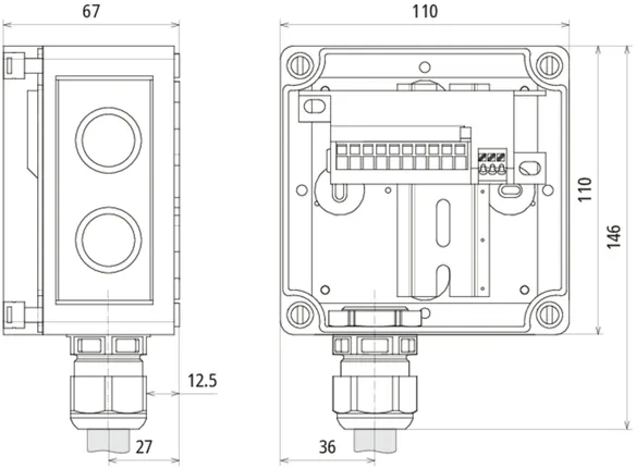
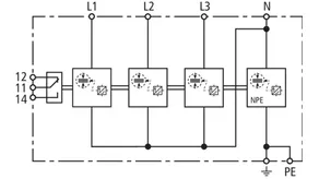
DEHNcube EMOB 2 16

Gehäuseanschlusskasten für E-Mobility.
Mit Überspannungsschutz und Push-in-Klemmen für den Ausgang.

1 Product

Part No. 900901 DCU EMOB 2 16

GTIN 4013364506183, Customs tariff No. (EU): 85371098, Gross weight: 1.14 kg, PU: 1.00 Stk.


Images

Additional information

Gehäuseanschlusskasten DCU EMOB 2 16
Gehäuseanschlusskasten Typ 2+3 / II+III
nach EN 61643-11 / IEC 61643-11
EN 61439-2 / IEC 61439-2
Anschlussfertige Kompletteinheit zur
universellen Installation vor der Wallbox
mit Fernmeldekontakt, Funktions-/Defektanzeige
Höchste Dauerspannung: 275 V ac
Schutzpegel: <= 1,5 kV
Nennableitstoßstrom (8/20): 10 kA
Gesamtableitstoßstrom (8/20): 40 kA
Nennstrom: 16 A
Max. Leistung: 11 kW
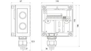
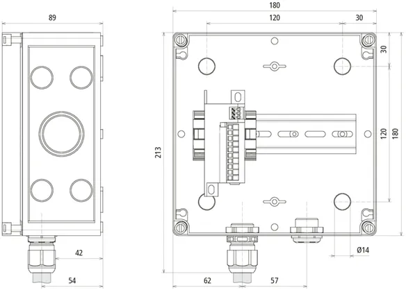
Abmessung: 110 x 110 x 66 mm

Fabrikat: DEHN
Typ: DCU EMOB 2 16
Art.-Nr.: 900901
oder gleichwertig.

Certificates

 

Technical data

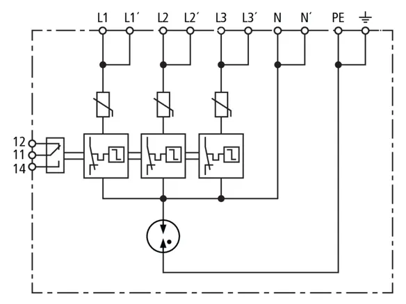
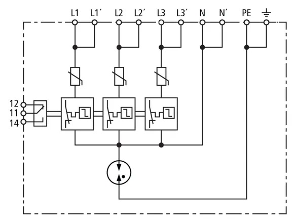
SPD nach EN 61643-11 / ... IEC 61643-11 Typ 2 + Typ 3 / Class II + Class III
Höchste Dauerspannung AC [L-N] (UC ) 275 V (50 / 60 Hz)
Höchste Dauerspannung DC (UC ) 350 V
Nennstrom AC (IL ) 16 A
Max. Leistung 11 kW
Nennableitstoßstrom (8/20 µs) [L-N] (In ) 10 kA
Max. Ableitstoßstrom (8/20 µs) [L-N] (Imax ) 20 kA
Nennableitstoßstrom (8/20 µs) [N-PE] (In ) 10 kA
Max. Ableitstoßstrom (8/20 µs) [N-PE] (Imax ) 20 kA
Schutzpegel [L-N] (UP ) ≤ 1,5 kV
Schutzpegel [N-PE] (UP ) ≤ 1,5 kV

Product 900901 was added to Notepad.

Product 900901 was added to the cart.


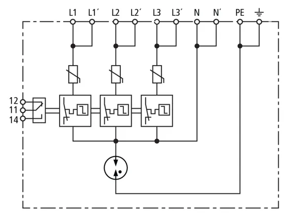
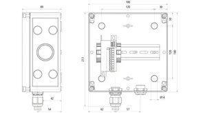
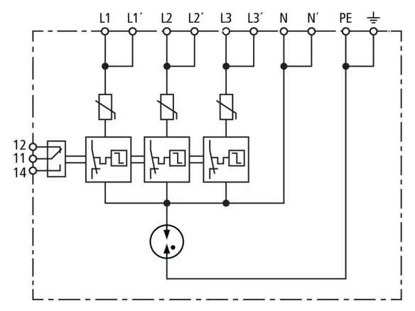
DEHNcube EMOB 2 25

Gehäuseanschlusskasten für E-Mobility.
Mit Überspannungsschutz und Push-in-Klemmen für den Ausgang.

1 Product

Part No. 900902 DCU EMOB 2 25

GTIN 4013364506190, Customs tariff No. (EU): 85371098, Gross weight: 1.63 kg, PU: 1.00 Stk.


Images

Additional information

Gehäuseanschlusskasten DCU EMOB 2 25
Gehäuseanschlusskasten Typ 2+3 / II+III
nach EN 61643-11 / IEC 61643-11
EN 61439-2 / IEC 61439-2
Anschlussfertige Kompletteinheit zur
universellen Installation vor der Wallbox
mit Fernmeldekontakt, Funktions-/Defektanzeige
Höchste Dauerspannung: 275 V ac
Schutzpegel: <= 1,5 kV
Nennableitstoßstrom (8/20): 10 kA
Gesamtableitstoßstrom (8/20): 40 kA
Nennstrom: 25 A
Max. Leistung: 11 / 22 kW
Abmessung: 182 x 180 x 100 mm

Fabrikat: DEHN
Typ: DCU EMOB 2 25
Art.-Nr.: 900902
oder gleichwertig.

Certificates

 

Technical data

SPD nach EN 61643-11 / ... IEC 61643-11 Typ 2 + Typ 3 / Class II + Class III
Höchste Dauerspannung AC [L-N] (UC ) 275 V (50 / 60 Hz)
Höchste Dauerspannung DC (UC ) 350 V
Nennstrom AC (IL ) 25 A
Max. Leistung 11 / 22 kW
Nennableitstoßstrom (8/20 µs) [L-N] (In ) 10 kA
Max. Ableitstoßstrom (8/20 µs) [L-N] (Imax ) 20 kA
Nennableitstoßstrom (8/20 µs) [N-PE] (In ) 10 kA
Max. Ableitstoßstrom (8/20 µs) [N-PE] (Imax ) 20 kA
Schutzpegel [L-N] (UP ) ≤ 1,5 kV
Schutzpegel [N-PE] (UP ) ≤ 1,5 kV

Product 900902 was added to Notepad.

Product 900902 was added to the cart.


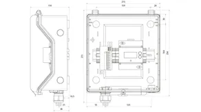
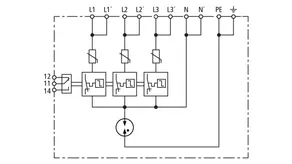
DEHNcube EMOB 2 25 C

Gehäuseanschlusskasten für E-Mobility.
Mit Energiezähler und Überspannungsschutz mit Push-in-Klemmen für den Ausgang.

1 Product

Part No. 900903 DCU EMOB 2 25 C

GTIN 4013364506206, Customs tariff No. (EU): 85371098, Gross weight: 2.06 kg, PU: 1.00 Stk.


Images

Additional information

"Gehäuseanschlusskasten DCU EMOB 2 25 C
Gehäuseanschlusskasten Typ 2+3 / II+III
nach EN 61643-11 / IEC 61643-11
EN 61439-2 / IEC 61439-2
Anschlussfertige Kompletteinheit incl.
eines 3-phasigen Energiezählers zur
universellen Installation vor der Wallbox
mit Fernmeldekontakt, Funktions-/Defektanzeige
Höchste Dauerspannung: 275 V ac
Schutzpegel: <= 1,5 kV
Nennableitstoßstrom (8/20): 10 kA
Gesamtableitstoßstrom (8/20): 40 kA
Nennstrom: 25 A
Max. Leistung: 11 / 22 kW
Abmessung: 217 x 253 x 115 mm

Fabrikat: DEHN
Typ: DCU EMOB 2 25 C
Art.-Nr.: 900903
oder gleichwertig.

Certificates

 

Technical data

SPD nach EN 61643-11 / ... IEC 61643-11 Typ 2 + Typ 3 / Class II + Class III
Höchste Dauerspannung AC [L-N] (UC ) 275 V (50 / 60 Hz)
Höchste Dauerspannung DC (UC ) 350 V
Nennstrom AC (IL ) 25 A
Max. Leistung 11 / 22 kW
Nennableitstoßstrom (8/20 µs) [L-N] (In ) 10 kA
Max. Ableitstoßstrom (8/20 µs) [L-N] (Imax ) 20 kA
Nennableitstoßstrom (8/20 µs) [N-PE] (In ) 10 kA
Max. Ableitstoßstrom (8/20 µs) [N-PE] (Imax ) 20 kA
Schutzpegel [L-N] (UP ) ≤ 1,5 kV
Schutzpegel [N-PE] (UP ) ≤ 1,5 kV

Product 900903 was added to Notepad.

Product 900903 was added to the cart.


DEHNcube EMOB 1 32

Gehäuseanschlusskasten für E-Mobility.
Mit Kombi-Ableiter und Push-in-Klemmen für den Ausgang.

1 Product

Part No. 900904 DCU EMOB 1 32

GTIN 4013364506213, Customs tariff No. (EU): 85371098, Gross weight: 2.55 kg, PU: 1.00 Stk.


Images

Additional information

Gehäuseanschlusskasten DCU EMOB 1 32
Gehäuseanschlusskasten Typ 1+2 / I+II
nach EN 61643-11 / IEC 61643-11
EN 61439-2 / IEC 61439-2
Anschlussfertige Kompletteinheit zur
universellen Installation vor der Wallbox
mit Fernmeldekontakt, Funktions-/Defektanzeige
Höchste Dauerspannung: 255 V ac
Schutzpegel: <= 1,5 kV
Blitzstoßstrom (10/350): 12,5 / 50 kA
Nennableitstoßstrom (8/20): 25 / 100 kA
Nennstrom: 32 A
Max. Leistung: 11 / 22 kW
Abmessung: 217 x 253 x 115 mm

Fabrikat: DEHN
Typ: DCU EMOB 1 32
Art.-Nr.: 900904
oder gleichwertig.

Certificates

 

Technical data

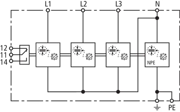
SPD nach EN 61643-11 / ... IEC 61643-11 Typ 1 + Typ 2 / Class I + Class II
Höchste Dauerspannung AC [L-N]/[N-PE] (UC ) 255 V (50 / 60 Hz)
Nennstrom AC (IL ) 32 A
Max. Leistung 11 / 22 kW
Blitzstoßstrom (10/350) [L-N]/[N-PE] (Iimp ) 12,5 / 50 kA
Nennableitstoßstrom (8/20) (In ) 25 / 100 kA
Schutzpegel [L-N] (UP ) ≤ 1,5 kV
Schutzpegel [N-PE] (UP ) ≤ 1,5 kV

Product 900904 was added to Notepad.

Product 900904 was added to the cart.


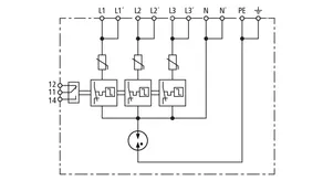
DEHNcube EMOB 2 32

Gehäuseanschlusskasten für E-Mobility.
Mit Überspannungsschutz und Push-in-Klemmen für den Ausgang.

1 Product

Part No. 900905 DCU EMOB 2 32

GTIN 4013364506244, Customs tariff No. (EU): 85371098, Gross weight: 2.07 kg, PU: 1.00 Stk.


Images

Additional information

Gehäuseanschlusskasten DCU EMOB 2 32
Gehäuseanschlusskasten Typ 2+3 / II+III
nach EN 61643-11 / IEC 61643-11
EN 61439-2 / IEC 61439-2
Anschlussfertige Kompletteinheit zur
universellen Installation vor der Wallbox
mit Fernmeldekontakt, Funktions-/Defektanzeige
Höchste Dauerspannung: 275 V ac
Schutzpegel: <= 1,5 kV
Nennableitstoßstrom (8/20): 10 kA
Gesamtableitstoßstrom (8/20): 40 kA
Nennstrom: 32 A
Max. Leistung: 11 / 22 kW
Abmessung: 182 x 180 x 100 mm

Fabrikat: DEHN
Typ: DCU EMOB 2 32
Art.-Nr.: 900905
oder gleichwertig.

Certificates

 

Technical data

SPD nach EN 61643-11 / ... IEC 61643-11 Typ 2 + Typ 3 / Class II + Class III
Höchste Dauerspannung AC [L-N] (UC ) 275 V (50 / 60 Hz)
Höchste Dauerspannung DC (UC ) 350 V
Nennstrom AC (IL ) 32 A
Max. Leistung 11 / 22 kW
Nennableitstoßstrom (8/20 µs) [L-N] (In ) 10 kA
Max. Ableitstoßstrom (8/20 µs) [L-N] (Imax ) 20 kA
Nennableitstoßstrom (8/20 µs) [N-PE] (In ) 10 kA
Max. Ableitstoßstrom (8/20 µs) [N-PE] (Imax ) 20 kA
Schutzpegel [L-N] (UP ) ≤ 1,5 kV
Schutzpegel [N-PE] (UP ) ≤ 1,5 kV

Product 900905 was added to Notepad.

Product 900905 was added to the cart.


back to top