Verbindungsklemmen für Fundamenterder und Bewehrungen

Zum Verbinden von Rund- und Flachleitern im Betonfundament oder von Betonstahl-Matten und Bewehrungen mit Rund- und Flachleitern.

Anordnung:
(II) = parallel
(+) = kreuz

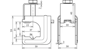
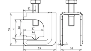
Druckbügelklemme

Für T-, Kreuz- und Parallelverbindungen.

2 Products

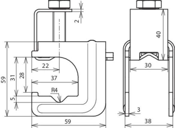
Part No. 308031 VK DB 6.20 8.10 FL30 BSB STBL

GTIN 4013364136571, Customs tariff No. (EU): 85359000, Gross weight: 239.60 g, PU: 25.00 Stk.


Images

Additional information

Druckbügelklemme St/blank
Druckbügelklemme zum Verbinden von Rund- und
Flachleitern im Betonfundament oder von Betonstahl-
Matten und Bewehrungen mit Rund- und Flachleitern
für T-, Kreuz- und Parallelverbindungen
Werkstoff: St/blank
Klemmbereich Rd / Rd: (+/II) 6-20 / 8-10 mm
Klemmbereich Rd / Fl: (+/II) 6-20 / 30 x 3-4 mm
Klemmbereich Fl / Fl: (+/II) 30 x 3-4 / 30 x 3-4 mm
Ausführung: ohne Klemmring
Normenbezug: DIN EN 62561-1

Fabrikat: DEHN
Typ: VK DB 6.20 8.10 FL30 BSB STBL
Art.-Nr.: 308031
oder gleichwertig.

Certificates

 

Technical data

Werkstoff St/blank
Klemmbereich Rd / Rd (+/II) 6-20 / 8-10 mm
Klemmbereich Rd / Fl (+/II) 6-20 / 30 x 3-4 mm
Klemmbereich Fl / Fl (+/II) 30 x 3-4 / 30 x 3-4 mm
Ausführung ohne Klemmring
Kurzschlussstrom (AC 50 Hz / DC) (1 s; ≤ 300 °C) 8,4 kA
Normenbezug DIN EN 62561-1
*) Genaue Zuordnung siehe Prüfzertifikat.

Product 308031 was added to Notepad.

Product 308031 was added to the cart.

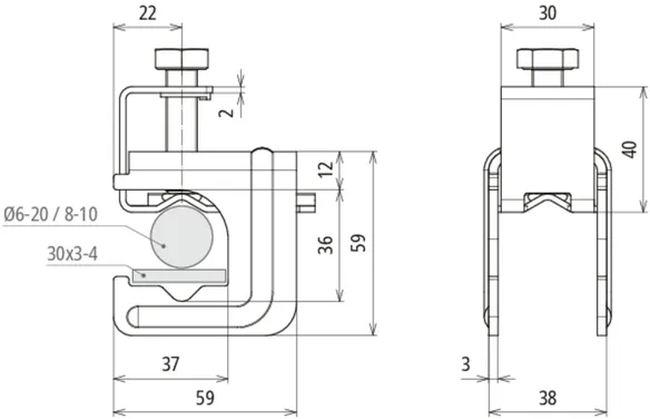
Part No. 308033 VK DB KR 6.20 8.10 FL30 BSB STBL

GTIN 4013364519978, Customs tariff No. (EU): 85359000, Gross weight: 240.40 g, PU: 25.00 Stk.


Images

Additional information

Druckbügelklemme St/blank
Druckbügelklemme mit Klemmring
zum Verbinden von Rund- und
Flachleitern im Betonfundament
oder von Betonstahlmatten und
Bewehrungen mit Rund- und Flachleitern
für T-, Kreuz- und Parallelverbindungen
Werkstoff: St/blank
Klemmbereich Rd / Rd: (+/II) 6-20 / 8-10 mm
Klemmbereich Rd / Fl: (+/II) 6-20 / 30 x 3-4 mm
Klemmbereich Fl / Fl: (+/II) 30 x 3-4 / 30 x 3-4 mm
Ausführung: mit Klemmring
Normenbezug: DIN EN 62561-1

Fabrikat: DEHN
Typ: VK DB KR 6.20 8.10 FL30 BSB STBL
Art.-Nr.: 308033
oder gleichwertig.

Certificates

 

Technical data

Werkstoff St/blank
Klemmbereich Rd / Rd (+/II) 6-20 / 8-10 mm
Klemmbereich Rd / Fl (+/II) 6-20 / 30 x 3-4 mm
Klemmbereich Fl / Fl (+/II) 30 x 3-4 / 30 x 3-4 mm
Ausführung mit Klemmring
Kurzschlussstrom (AC 50 Hz / DC) (1 s; ≤ 300 °C) 8,4 kA
Normenbezug DIN EN 62561-1
*) Genaue Zuordnung siehe Prüfzertifikat.

Product 308033 was added to Notepad.

Product 308033 was added to the cart.


Druckbügelklemme MAXI

Für T-, Kreuz- und Parallelverbindungen.

1 Product

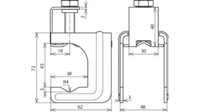
Part No. 308036 VK DB 20.32 8.10 FL40 BSB STBL

GTIN 4013364136588, Customs tariff No. (EU): 85359000, Gross weight: 275.60 g, PU: 25.00 Stk.


Images

Additional information

Druckbügelklemme MAXI St/blank
Druckbügelklemme zum Verbinden von Rund- und Flachleitern im Betonfundament oder von Betonstahl-
Matten und Bewehrungen mit Rund- und Flachleitern für
T-, Kreuz- und Parallelverbindungen
Werkstoff: St/blank
Klemmbereich Rd / Rd: (+/II) 20-32 / 8-10 mm
Klemmbereich Rd / Fl: (+/II) 20-32 / 40 x 4-5 mm
Ausführung: mit Klemmring
Normenbezug: DIN EN 62561-1

Fabrikat: DEHN
Typ: VK DB 20.32 8.10 FL40 BSB STBL
Art.-Nr.: 308036
oder gleichwertig.

Certificates

 

Technical data

Werkstoff St/blank
Klemmbereich Rd / Rd (+/II) 20-32 / 8-10 mm
Klemmbereich Rd / Fl (+/II) 20-32 / 40 x 4-5 mm
Ausführung mit Klemmring
Kurzschlussstrom (AC 50 Hz / DC) (1 s; ≤ 300 °C) 14,0 kA
Normenbezug DIN EN 62561-1
*) Genaue Zuordnung siehe Prüfzertifikat.

Product 308036 was added to Notepad.

Product 308036 was added to the cart.


Verbindungsklemme ohne Druckbügel

Für Kreuzverbindungen.

1 Product

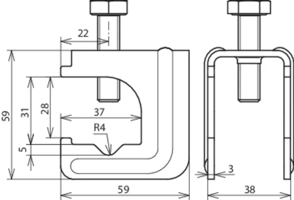
Part No. 308032 VK 6.20 FL30 BSB STBL

GTIN 4013364152823, Customs tariff No. (EU): 85359000, Gross weight: 178.50 g, PU: 25.00 Stk.


Images

Additional information

Verbindungsklemme ohne Druckbügel St/blank
Verbindungsklemmen, für Fundamenterder zum Verbinden von Rund- und Flachleitern im Betonfundament
Für Kreuzverbindungen ohne die Leiter einfädeln
zu müssen
Werkstoff: St/blank
Klemmbereich Rd / Fl: (+) 6-20 / 30 x 3-4 mm
Klemmbereich Fl / Fl: (+/II) 30 x 3-4 / 30 x 3-4 mm
Normenbezug: DIN EN 62561-1

Fabrikat: DEHN
Typ: VK 6.20 FL30 BSB STBL
Art.-Nr.: 308032
oder gleichwertig.

Certificates

 

Technical data

Werkstoff St/blank
Klemmbereich Rd / Fl (+) 6-20 / 30 x 3-4 mm
Klemmbereich Fl / Fl (+/II) 30 x 3-4 / 30 x 3-4 mm
Kurzschlussstrom (AC 50 Hz / DC) (1 s; ≤ 300 °C) 7,0 kA
Normenbezug DIN EN 62561-1
*) Genaue Zuordnung siehe Prüfzertifikat.

Product 308032 was added to Notepad.

Product 308032 was added to the cart.


Verbindungsklemme MAXI ohne Druckbügel

Für Kreuzverbindungen.

1 Product

Part No. 308037 VK 20.32 FL40 BSB STBL

GTIN 4013364154704, Customs tariff No. (EU): 85359000, Gross weight: 218.00 g, PU: 25.00 Stk.


Images

Additional information

Verbindungsklemme MAXI ohne Druckbügel St/blank
Verbindungsklemmen, für Fundamenterder zum Verbinden von Rund- und Flachleitern im Betonfundament
Für Kreuzverbindungen ohne die Leiter einfädeln
zu müssen
Werkstoff: St/blank
Klemmbereich Rd / Fl: (+) 20-32 / 30 x 3-40 x 5 mm
Normenbezug: DIN EN 62561-1

Fabrikat: DEHN
Typ: VK 20.32 FL40 BSB STBL
Art.-Nr.: 308037
oder gleichwertig.

Certificates

 

Technical data

Werkstoff St/blank
Klemmbereich Rd / Fl (+) 20-32 / 30 x 3-40 x 5 mm
Normenbezug DIN EN 62561-1
*) Genaue Zuordnung siehe Prüfzertifikat.

Product 308037 was added to Notepad.

Product 308037 was added to the cart.


back to top