Blitzzähler

Smarter Blitzzähler zur potentialfreien Registrierung von Anzahl und Zeitpunkt (Eintrittsdatum mit Zeitstempel) von Ableitströmen.
Im Batteriebetrieb (Standalone, ohne Netzteil) mit lokaler Speicherung der Daten und Anzeige am Display.
Im Netzbetrieb mit optionaler Kommunikation (Modbus RTU) zwischen Zähler und externer Leitstelle.

Blitzzähler IPC P4

1 Product

Part No. 910513 IPC P4

GTIN 6942299506310, Customs tariff No. (EU): 90291000, Gross weight: 180.20 g, PU: 1.00 Stk.


Images

Additional information

Blitzzähler IPC P4
Zählgerät im Batteriebetrieb (nur internes Speichern) oder
mit ext. 9-36V DC Versorgung (mit Kommunikation zur Leitstelle)
potentialfreie Registrierung der Ableitströme
von Überspannungs-Schutzgeräten
Sensor zum Anbringen auf der Erdleitung des Ableiters
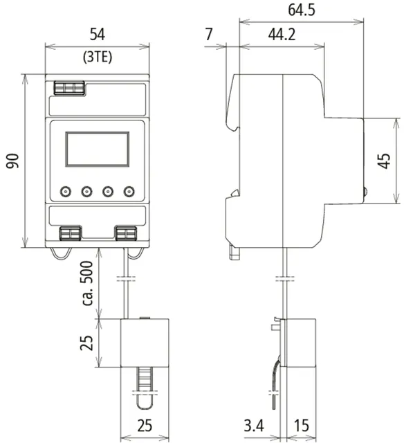
verdrillte Sensorleitung: 0,5 m lang
Mindestzählwert d. Impuls-Entladungsstroms (10/350 µs): 1 kA
Zählgrenzwert d. Impuls-Entladungsstroms (10/350 µs): 100 kA
Mindestzählwert d. Entladungsstroms (8/20 µs): 1 kA
Zählgrenzwert d. Entladungsstroms (8/20 µs): 100 kA
OLED-Anzeige
elektrischer Zähler 0 ... 999
Montage auf Hutprofilschiene 35 mm nach EN 60715

Fabrikat: DEHN
Typ: IPC P4
Art.-Nr.: 910513
oder gleichwertig.

Certificates

 

Technical data

Blitzzähler nach GB/T 33588.6 und EN/IEC 62561-6 Typ I + Typ II
Zählgrenzwert des Impuls-Entladungsstroms (10/350 µs) (Iimp max ) 100 kA
Mindestzählwert des Impuls-Entladungsstroms (10/350 µs) (Iimp min ) 1 kA
Zählgrenzwert des Entladungsstroms (8/20 µs) (In max ) 100 kA
Mindestzählwert des Entladungsstroms (8/20 µs) (In min ) 1 kA
OLED-Anzeige elektronischer Zähler 0-999
Versorgung Lithium-Mangandioxid-Batterie oder 9-36 V DC
Rücksetzeinrichtung Tasten am Gerät (z.B. zum Rückstellen des Zählerstandes auf 0) oder per Fernzugriff
Einbaumaße: Sensor 25 mm x 25 mm x 15 mm
Zubehör im Lieferumfang Sensor mit integrierter Befestigungslasche

Product 910513 was added to Notepad.

Product 910513 was added to the cart.


back to top