DEHNprotector

  • Überspannungsschutz mit Überwachungseinrichtung und Abtrennvorrichtung
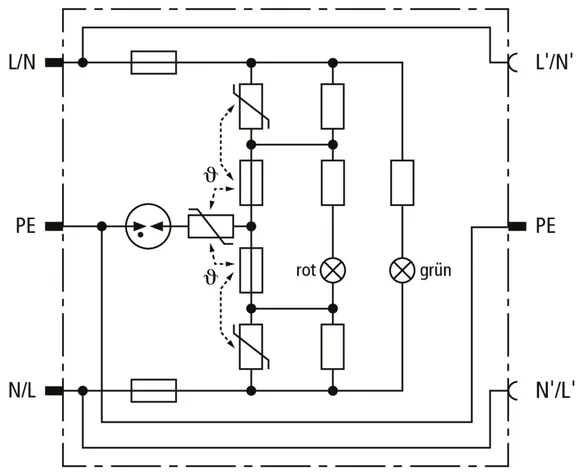
  • Optische Funktionsanzeige (grün) und optische Defektanzeige (rot)
  • Erhöhte Sicherheit durch verwechslungssichere Y-Schutzbeschaltung

Details

lorem ipsum

DPRO 230-Protector

Überspannungsschutz-Adapter mit integrierter Kindersicherung.

1 Product

Part No. 909230 DPRO 230

GTIN 4013364117686, Customs tariff No. (EU): 85363010, Gross weight: 239.00 g, PU: 1.00 Stk.

Predecessor

Images

Additional information

Überspannungsschutz-Adapter DEHNprotector 230
Überspannungsschutz-Adapter zum Schutz der Netzversorgung
elektronischer Geräte vor transienten Überspannungen
Ableiter Typ 3 nach EN 61643-11
optische Funktions- und Defektanzeige
Höchste Dauerspannung: 255 V ac
Schutzpegel: <= 1,5 kV
Gesamtableitstoßstrom: 5 kA
Max. netzseitiger Überstromschutz:
16 A gG oder B 16 A
Energetische Koordination nach DIN EN 62305-4
Ableiter der Red/Line-Familie

Fabrikat: DEHN
Typ: DPRO 230
Art.-Nr.: 909230
oder gleichwertig.

Certificates

 

Technical data

SPD nach EN 61643-11 / ... IEC 61643-11 Typ 3 / Class III
Höchste Dauerspannung AC (UC ) 255 V (50 / 60 Hz)
Nennableitstoßstrom (8/20 µs) (In ) 3 kA
Gesamtableitstoßstrom (8/20 µs) [L+N-PE] (Itotal ) 5 kA
Schutzpegel [L-N] / [L/N-PE] (UP ) ≤ 1350 / ≤ 1500 V
Max. netzseitiger Überstromschutz B 16 A
Defektanzeige rotes Licht
Betriebsanzeige grünes Licht

Product 909230 was added to Notepad.

Product 909230 was added to the cart.


back to top