DEHNgap

  • Ableitvermögen 100 kA (10/350 µs)
  • Summenstrom-Ableiter, speziell für den Einsatz im TT-System in der 3+1- und 1+1-Schaltung nach DIN VDE 0100-534 zwischen Neutralleiter N und Schutzleiter PE
  • Gleitfunkenstrecken-Technologie
  • Funktions- / Defektanzeige durch grün-rote Markierung im Sichtfenster

Details

lorem ipsum

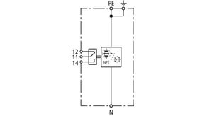
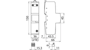
DEHNgap M 255 (FM)

Einpoliger, modularer, koordinierter N-PE-Blitzstrom-Ableiter für UC = 255 V; optional mit Fernmeldekontakt für Überwachungseinrichtung (potentialfreier Wechsler).

2 Products

Part No. 961101 DGP M 255

GTIN 4013364118676, Customs tariff No. (EU): 85363030, Gross weight: 331.00 g, PU: 1.00 Stk.

Predecessor

Images

Additional information

Koordinierter N-PE-Blitzstrom-Ableiter DEHNgap M 255
1-poliger, modularer, steckbarer, koordinierter N-PE-Blitzstrom-
Ableiter, Breite 2TE
Ableiter Typ 1 nach EN 61643-11
Druckgesteuerte-Kapsel-Gleitfunkenstrecke
Defektanzeige
Blitzstoßstrom (10/350): 100 kA
Schutzpegel: <= 1,5 kV
Folgestromlöschfähigkeit: 100 Aeff bei 255 V ac
TOV-Festigkeit: 1200 V/200 ms
Energetische Koordination nach DIN EN 62305-4
direkt zu N-PE-Ableiter DEHNgap C S der Red/Line-Familie

Fabrikat: DEHN
Typ: DGP M 255
Art.-Nr.: 961101
oder gleichwertig.

Certificates

 

Wave breaker function

In the case of spark-gap-based type 1 arresters, the entire current flows through the type 1 arrester during the discharge process. Like a wave breaker, the incoming energy is greatly broken down, which significantly relieves the downstream SPDs. All type 1 arresters in the Red/Line product range feature the WBF wave breaker function.

Technical data

SPD nach EN 61643-11 / ... IEC 61643-11 Typ 1 / Class I
Höchste Dauerspannung AC (UC ) 255 V (50 / 60 Hz)
Blitzstoßstrom (10/350 µs) (Iimp ) 100 kA
Schutzpegel (UP ) ≤ 1,5 kV
Zulassungen VDE, KEMA, UL

Product 961101 was added to Notepad.

Product 961101 was added to the cart.

Part No. 961105 DGP M 255 FM

GTIN 4013364118683, Customs tariff No. (EU): 85363030, Gross weight: 336.00 g, PU: 1.00 Stk.

Predecessor

Images

Additional information

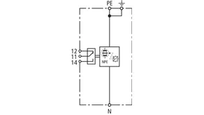
Koordinierter N-PE-Blitzstrom-Ableiter DEHNgap M 255 FM
1-poliger, modularer, steckbarer koordinierter N-PE-Blitzstrom-
Ableiter, Breite 2TE
mit Fernmeldekontakt
Ableiter Typ 1 nach EN 61643-11
RADAX-Flow-Funkenstreckentechnologie
Defektanzeige
Markierung im Sichtfenster
Blitzstoßstrom (10/350): 100 kA
Schutzpegel: <= 1,5 kV
Folgestromlöschfähigkeit: 100 Aeff bei 255 V ac
TOV-Festigkeit: 1200 V/200 ms
Energetische Koordination nach DIN EN 62305-4
direkt zu N-PE-Ableiter DEHNgap C S der Red/Line-Familie

Fabrikat: DEHN
Typ: DGP M 255 FM
Art.-Nr.: 961105
oder gleichwertig.

Certificates

 

Wave breaker function

In the case of spark-gap-based type 1 arresters, the entire current flows through the type 1 arrester during the discharge process. Like a wave breaker, the incoming energy is greatly broken down, which significantly relieves the downstream SPDs. All type 1 arresters in the Red/Line product range feature the WBF wave breaker function.

Technical data

SPD nach EN 61643-11 / ... IEC 61643-11 Typ 1 / Class I
Höchste Dauerspannung AC (UC ) 255 V (50 / 60 Hz)
Blitzstoßstrom (10/350 µs) (Iimp ) 100 kA
Schutzpegel (UP ) ≤ 1,5 kV
Zulassungen VDE, KEMA, UL
FM-Kontakte / Kontaktform Wechsler

Product 961105 was added to Notepad.

Product 961105 was added to the cart.


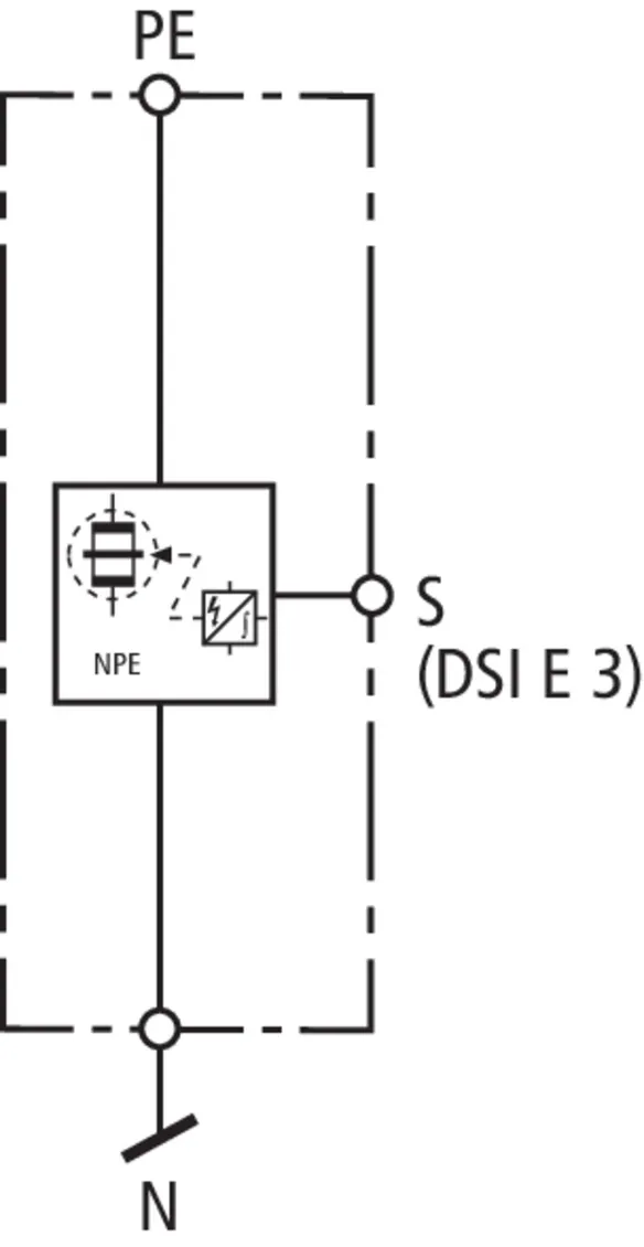
DEHNgap Maxi 1 255 S

Koordinierter, einpoliger N-PE-Blitzstrom-Ableiter für die Sammelschiene.

1 Product

Part No. 900050 DGPM 1 255 S

GTIN 4013364107496, Customs tariff No. (EU): 85363090, Gross weight: 539.00 g, PU: 1.00 Stk.


Images

Additional information

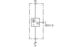
N-PE-Blitzstrom-Ableiter DEHNgap Maxi 1 255 S
1-poliger, koordinierter N-PE-Blitzstrom-Ableiter
für industrielle Sammelschienensysteme
Ableiter Typ 1 nach EN 61643-11
RADAX-Flow-Funkenstreckentechnologie
Höchste Dauerspannung: 255 V ac
Schutzpegel: <= 2,5 kV (beinhaltet 80 cm Anschlussleitung)
Blitzstoßstrom (10/350): 100 kA
Folgestromlöschfähigkeit: 100 Aeff
TOV-Festigkeit: 1200 V/200 ms
Energetische Koordination DIN EN 62305-4
Ableiter der Red/Line-Familie
Montage auf N Sammelschiene min. 35 mm2
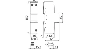
Einbaumaße (B x H x T): (72 x 89 x 100) mm

Fabrikat: DEHN
Typ: DGPM 1 255 S
Art.-Nr.: 900050
oder gleichwertig.

Certificates

 

Wave breaker function

In the case of spark-gap-based type 1 arresters, the entire current flows through the type 1 arrester during the discharge process. Like a wave breaker, the incoming energy is greatly broken down, which significantly relieves the downstream SPDs. All type 1 arresters in the Red/Line product range feature the WBF wave breaker function.

Technical data

SPD nach EN 61643-11 / ... IEC 61643-11 Typ 1 / Class I
Höchste Dauerspannung AC (UC ) 255 V (50 / 60 Hz)
Blitzstoßstrom (10/350 µs) (Iimp ) 100 kA
Schutzpegel (UP ) ≤ 2,5 kV (beinhaltet 80 cm Anschlussleitung)
Funktionsüberwachung über DEHNsignal DSI E 3

Product 900050 was added to Notepad.

Product 900050 was added to the cart.


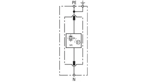
DEHNgap Maxi 1 255 (FM)

Koordinierter, einpoliger N-PE-Blitzstrom-Ableiter; in der Ausführung FM mit potentialfreiem Fernmeldekontakt.

2 Products

Part No. 961180 DGPM 1 255

GTIN 4013364157323, Customs tariff No. (EU): 85363090, Gross weight: 460.00 g, PU: 1.00 Stk.


Images

Additional information

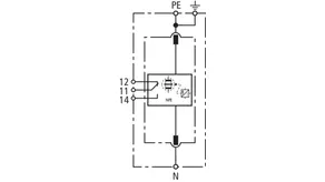
N-PE-Blitzstrom-Ableiter DEHNgap Maxi 1 255
Koordinierter N-PE-Blitzstrom-Ableiter, Breite 2TE
Ableiter Typ 1 nach EN 61643-11
RADAX-Flow-Funkenstreckentechnologie
Defektanzeige
Blitzstoßstrom (10/350): 100 kA
Schutzpegel: <= 1,5 kV
Folgestromlöschfähigkeit: 100 Aeff bei 255 V ac
TOV-Festigkeit: 1200 V/200 ms

Fabrikat: DEHN
Typ: DGPM 1 255
Art.-Nr.: 961180
oder gleichwertig.

Certificates

 

Wave breaker function

In the case of spark-gap-based type 1 arresters, the entire current flows through the type 1 arrester during the discharge process. Like a wave breaker, the incoming energy is greatly broken down, which significantly relieves the downstream SPDs. All type 1 arresters in the Red/Line product range feature the WBF wave breaker function.

Technical data

SPD nach EN 61643-11 / ... IEC 61643-11 Typ 1 + Typ 2 / Class I + Class II
Höchste Dauerspannung AC (UC ) 255 V (50 / 60 Hz)
Blitzstoßstrom (10/350 µs) (Iimp ) 100 kA
Schutzpegel (UP ) ≤ 1,5 kV
Zulassungen KEMA

Product 961180 was added to Notepad.

Product 961180 was added to the cart.

Part No. 961185 DGPM 1 255 FM

GTIN 4013364157330, Customs tariff No. (EU): 85363090, Gross weight: 460.00 g, PU: 1.00 Stk.


Images

Additional information

N-PE-Blitzstrom-Ableiter DEHNgap Maxi 1 255 FM
Koordinierter N-PE-Blitzstrom-Ableiter, Breite 2TE
mit Fernmeldekontakt
Ableiter Typ 1 nach EN 61643-11
RADAX-Flow-Funkenstreckentechnologie
Defektanzeige
Blitzstoßstrom (10/350): 100 kA
Schutzpegel: <= 1,5 kV
Folgestromlöschfähigkeit: 100 Aeff bei 255 V ac
TOV-Festigkeit: 1200 V/200 ms

Fabrikat: DEHN
Typ: DGPM 1 255 FM
Art.-Nr.: 961185
oder gleichwertig.

Certificates

 

Wave breaker function

In the case of spark-gap-based type 1 arresters, the entire current flows through the type 1 arrester during the discharge process. Like a wave breaker, the incoming energy is greatly broken down, which significantly relieves the downstream SPDs. All type 1 arresters in the Red/Line product range feature the WBF wave breaker function.

Technical data

SPD nach EN 61643-11 / ... IEC 61643-11 Typ 1 + Typ 2 / Class I + Class II
Höchste Dauerspannung AC (UC ) 255 V (50 / 60 Hz)
Blitzstoßstrom (10/350 µs) (Iimp ) 100 kA
Schutzpegel (UP ) ≤ 1,5 kV
Zulassungen KEMA
FM-Kontakte / Kontaktform Wechsler

Product 961185 was added to Notepad.

Product 961185 was added to the cart.


DEHNgap Maxi 440 (FM)

Koordinierter, einpoliger N-PE-Blitzstrom-Ableiter; in der Ausführung FM mit potentialfreiem Fernmeldekontakt.

2 Products

Part No. 961160 DGPM 440

GTIN 4013364116290, Customs tariff No. (EU): 85363030, Gross weight: 415.00 g, PU: 1.00 Stk.


Images

Additional information

N-PE-Blitzstrom-Ableiter DEHNgap Maxi 440
Koordinierter N-PE-Blitzstrom-Ableiter, Breite 2TE
Ableiter Typ 1 nach EN 61643-11
RADAX-Flow-Funkenstreckentechnologie
Defektanzeige
Blitzstoßstrom (10/350): 100 kA
Schutzpegel: <= 2,5 kV
Folgestromlöschfähigkeit: 100 Aeff bei 440 V ac
TOV-Festigkeit: 1200 V/200 ms

Fabrikat: DEHN
Typ: DGPM 440
Art.-Nr.: 961160
oder gleichwertig.

 

Wave breaker function

In the case of spark-gap-based type 1 arresters, the entire current flows through the type 1 arrester during the discharge process. Like a wave breaker, the incoming energy is greatly broken down, which significantly relieves the downstream SPDs. All type 1 arresters in the Red/Line product range feature the WBF wave breaker function.

Technical data

SPD nach EN 61643-11 / ... IEC 61643-11 Typ 1 / Class I
Höchste Dauerspannung AC (UC ) 440 V (50 / 60 Hz)
Blitzstoßstrom (10/350 µs) (Iimp ) 100 kA
Schutzpegel (UP ) ≤ 2,5 kV
Zulassungen UL

Product 961160 was added to Notepad.

Product 961160 was added to the cart.

Part No. 961165 DGPM 440 FM

GTIN 4013364116306, Customs tariff No. (EU): 85363030, Gross weight: 418.00 g, PU: 1.00 Stk.


Images

Additional information

N-PE-Blitzstrom-Ableiter DEHNgap Maxi 440 FM
Koordinierter N-PE-Blitzstrom-Ableiter, Breite 2TE
mit Fernmeldekontakt
Ableiter Typ 1 nach EN 61643-11
RADAX-Flow-Funkenstreckentechnologie
Defektanzeige
Blitzstoßstrom (10/350): 100 kA
Schutzpegel: <= 2,5 kV
Folgestromlöschfähigkeit: 100 Aeff bei 440 V ac
TOV-Festigkeit: 1200 V/200 ms

Fabrikat: DEHN
Typ: DGPM 440 FM
Art.-Nr.: 961165
oder gleichwertig.

Certificates

 

Wave breaker function

In the case of spark-gap-based type 1 arresters, the entire current flows through the type 1 arrester during the discharge process. Like a wave breaker, the incoming energy is greatly broken down, which significantly relieves the downstream SPDs. All type 1 arresters in the Red/Line product range feature the WBF wave breaker function.

Technical data

SPD nach EN 61643-11 / ... IEC 61643-11 Typ 1 / Class I
Höchste Dauerspannung AC (UC ) 440 V (50 / 60 Hz)
Blitzstoßstrom (10/350 µs) (Iimp ) 100 kA
Schutzpegel (UP ) ≤ 2,5 kV
Zulassungen UL
FM-Kontakte / Kontaktform Wechsler

Product 961165 was added to Notepad.

Product 961165 was added to the cart.


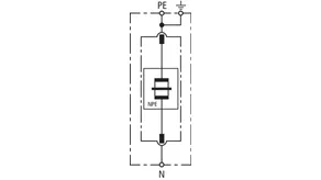
DEHNgap H M 255

Einpoliger, modularer N-PE-Blitzstrom-Ableiter.

1 Product

Part No. 961102 DGPH M 255

GTIN 4013364118690, Customs tariff No. (EU): 85363030, Gross weight: 300.00 g, PU: 1.00 Stk.

Predecessor

Images

Additional information

Modularer N-PE-Blitzstrom-Ableiter DEHNgap H M 255
1-poliger, modularer, steckbarer, koordinierter
N-PE-Blitzstrom-Ableiter, Breite 2TE
Ableiter Typ 1 nach EN 61643-11
Druckgesteuerte-Kapsel-Gleitfunkenstrecke
Blitzstoßstrom (10/350): 100 kA
Schutzpegel: <= 4 kV
Folgestromlöschfähigkeit: 100 Aeff bei 255 V ac
TOV-Festigkeit: 1200 V/200 ms
Energetische Koordination nach DIN EN 62305-4
direkt zu N-PE-Ableiter DEHNgap C S der Red/Line-Familie

Fabrikat: DEHN
Typ: DGPH M 255
Art.-Nr.: 961102
oder gleichwertig.

Certificates

 

Wave breaker function

In the case of spark-gap-based type 1 arresters, the entire current flows through the type 1 arrester during the discharge process. Like a wave breaker, the incoming energy is greatly broken down, which significantly relieves the downstream SPDs. All type 1 arresters in the Red/Line product range feature the WBF wave breaker function.

Technical data

SPD nach EN 61643-11 / ... IEC 61643-11 Typ 1 / Class I
Höchste Dauerspannung AC (UC ) 255 V (50 / 60 Hz)
Blitzstoßstrom (10/350 µs) (Iimp ) 100 kA
Schutzpegel (UP ) ≤ 4 kV

Product 961102 was added to Notepad.

Product 961102 was added to the cart.


back to top