Beslag til støtterør

Til vores støtterør kan der fås mange forskellige holdere og fastgørelser på gelændere, mure eller runde stålpæle. Delvist med mulighed for potentialudligning.

1 Product

Part No. 105342 WB D40.50 SE WA46 V2A

GTIN 4013364111141, Customs tariff No. (EU): 85389099, Gross weight: 514.00 g, PU: 1.00 Pakkestørrelse


Images

Additional information

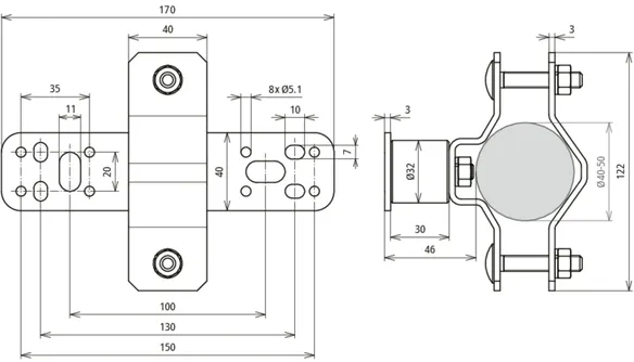
Holder til indfangerstang Ø40 og DEHNcon-H NIRO lodret montering
Holder til indfangerstænger Ø40 og DEHNcon-H
til fastgørelse af indfangerstænger Ø40
eller støtterørene på
opbygning, der skal beskyttes, eller på væggen

fabrikat: DEHN
Type: WB D40.50 SE WA46 V2A
artikelnr.: 105342
eller tilsvarende

Certificates

 

Technical data

Materiale NIRO
Fastgørelse [8x] Ø5,1 / [4x] 7 x 10 / [2x] 11 x 20 mm
Vægafstand 46 mm

Product 105342 was added to Notepad.

Product 105342 was added to the cart.


back to top