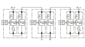
DEHNguard SE DC ... (FM)

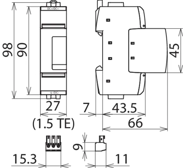
  • Universel, 1-polet overspændings- / kombiafleder bestående af en basisdel og et stikbart beskyttelsesmodul
  • Specielt designet til brug i DC-anlæg
  • Den kraftige DCD-afbryder forhindrer brandskade forårsaget af DC-lysbue
  • Kan anvendes uden for-sikring i nærmere definerede tilfælde
  • Funktions-/fejlindikation ved grøn/rød markering i inspektionsruden
  • Nem udskiftning af beskyttelsesmoduler uden værktøj med modullåsesystemets frigørelsesknap

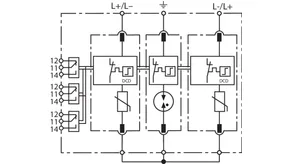
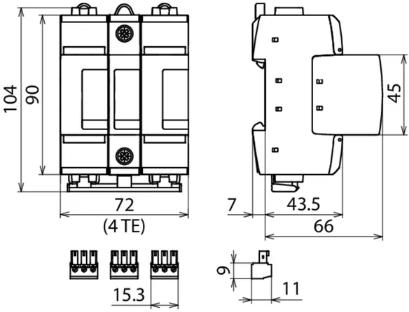
DEHNguard M DC ACI 1250 FM

Modulær afleder til jævnstrømsanvendelser, med potentialfri fjernmeldekontakt.

1 Product

Part No. 972150 DG M DC ACI 1250 FM

GTIN 4013364530850, Customs tariff No. (EU): 85354000, Gross weight: 757.40 g, PU: 1.00 Pakkestørrelse


Images

Additional information

Overspændingsbeskyttelsesafleder type 2, DG M DC ACI 1250 FM
modulær, stikbar overspændingsafleder
til jævnstrømsanvendelser, bredde 6 delingsenheder
mekanisk funktions-/fejlvisning
Afleder type 2 iht. EN / IEC 61643-41,
bestående af kombination af kontakt og gnistgab.
Især til brug i DC-ladeanordninger op til 1250 V
Maks. driftsspænding (+ --> -): 1250 V DC
Nominel afledningsstrøm (8/20 µs): 10 kA
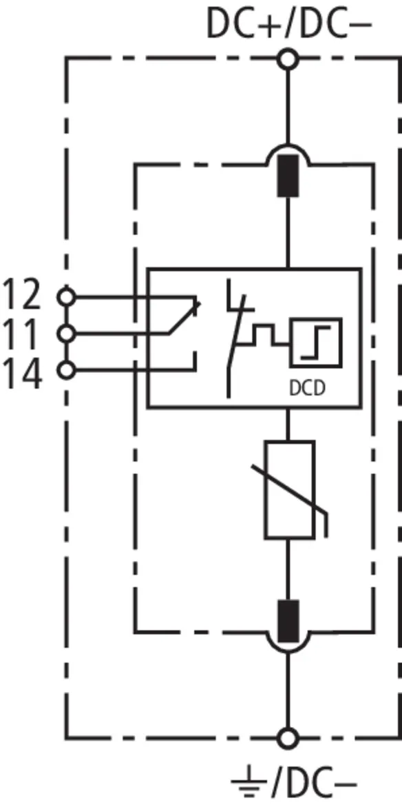
potentialfri fjernmeldekontakt som skiftekontakt.
Vibrations- og stødtestet iht. EN60068
Opfylder IEC 61851-23

fabrikat: DEHN
Type: DG M DC ACI 1250 FM
artikelnr.: 972150
eller tilsvarende

Certificates

 

ACI-Technology

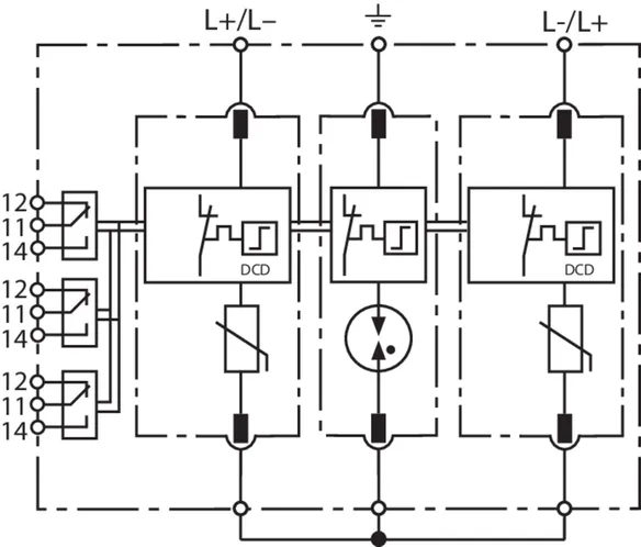
A further development of CI technology, ACI technology consists of a switch/spark gap combination connected in series with a heavyduty varistor. This ensures the simple design and safe operation of the surge protective device. Other features are safe dimensioning, TOV withstand, a connection cross-section of only 6 mm� Cu and zero leakage current. Surge arresters with ACI technology offer maximum safety and system availability.

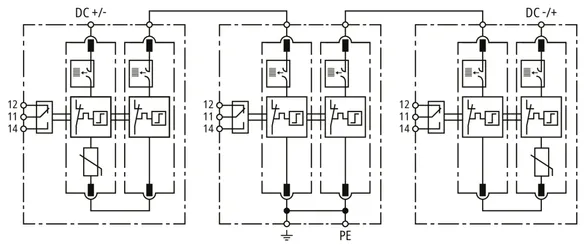
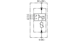
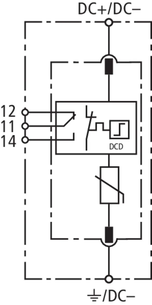
Direct Current-Disconnection

When using surge arresters in d.c. applications, disconnection must be reliably ensured even if there are no zero crossings. The specifically developed DC Disconnection (DCD) technology acts as a wedge similar to a blocking valve and interrupts the direct current. Consequently, the devices of the DEHNguard SE DC series are capable of safely interrupting direct currents, thus preventing fire damage caused by d.c. switching arcs.

Technical data

SPD-klassifikation iht. EN 61643-41 / ... IEC 61643-41 Type 2 / Klasse II
Maks. driftsspænding DC [DC+ --> DC-] (UC ) 1250 V
Maks. konstant driftsspænding DC [(DC+/DC-) --> PE] (UC ) 625 V
Mærkeafledestødstrøm (8/20 µs) (In ) 10 kA
Maks. nominel afledningsstrøm (8/20 µs) (Imax ) 20 kA
Restspænding [DC+ --> DC-] (UP ) < 5 kV
Restspænding [(DC+/DC-) --> PE] (UP ) < 2,5 kV
Max. kortslutningsbæreevne (ISCCR ) 5 kA
FM-kontakt / kontaktform Skiftekontakt

Product 972150 was added to Notepad.

Product 972150 was added to the cart.


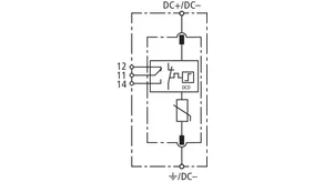
DEHNguard ME DC ... FM

Modulær kombiafleder til beskyttelse af DC-anlæg; med potentialfri fjernmeldekontakt.

1 Product

Part No. 972147 DG ME DC Y 1000 FM

GTIN 4013364519817, Customs tariff No. (EU): 85363030, Gross weight: 530.49 g, PU: 1.00 Pakkestørrelse


Images

Additional information

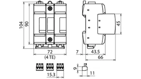
Kombiafleder type 1+2 DEHNguard ME DC Y 1000 FM
Trepolet, modulær, stikbar kombiafleder
til jævnstrømsanvendelser, bredde 4TE
mekanisk funktions-/fejlvisning
Afleder type 1+2 iht. EN 61643-11, Y-kobling
bestående af lækstrømfri Varistor-gasaflederteknologi.
DCD-afbryder, især egnet til brug i DC-strømkredse op til 1000 V

Maks. driftsspænding 1000 V DC
Lynimpulsstrøm 5 kA (10/350 µs)
Nominel afledningsstrøm 12,5 kA (8/20 µs)
potentialfri fjernmeldekontakt som skiftekontakt.
Vibrations- og stødtestet iht. EN60068

fabrikat: DEHN
Type: DG ME DC Y 1000 FM
artikelnr.: 972147
eller tilsvarende

Certificates

 

Direct Current-Disconnection

When using surge arresters in d.c. applications, disconnection must be reliably ensured even if there are no zero crossings. The specifically developed DC Disconnection (DCD) technology acts as a wedge similar to a blocking valve and interrupts the direct current. Consequently, the devices of the DEHNguard SE DC series are capable of safely interrupting direct currents, thus preventing fire damage caused by d.c. switching arcs.

Technical data

Lynstødstrøm (10/350 µs) (Iimp ) 5 kA
Mærkeafledestødstrøm (8/20 µs) (In ) 12,5 kA
Maks. nominel afledningsstrøm (8/20 µs) (Imax ) 20 kA
Restspænding [DC+ --> DC-] (UP ) < 3,75 kV
Restspænding [(DC+/DC-) --> PE] (UP ) < 2,5 kV
Max. kortslutningsbæreevne (ISCCR ) 5 kA
FM-kontakt / kontaktform Skiftekontakt

Product 972147 was added to Notepad.

Product 972147 was added to the cart.


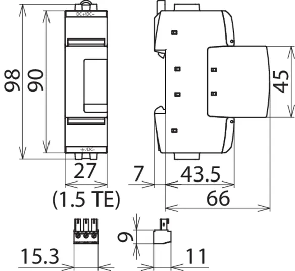
DEHNguard SE DC ...

Modulær, 1-polet overspændingsafleder til beskyttelse af DC-anlæg.

4 Products

Part No. 972110 DG SE DC 60

GTIN 4013364158504, Customs tariff No. (EU): 85363030, Gross weight: 160.00 g, PU: 1.00 Pakkestørrelse


Images

Additional information

Overspændingsafleder DEHNguard SE DC 60
Enpolet, modulær, stikbar overspændingsafleder
til jævnstrømsanvendelser, bredde 1,5TE
Fejlvisning
afleder type 2 iht. EN 61643-11
Højtydende Varistor-teknologi
Især til brug i DC-strømkredse
særligt egnet til brug i DC-strømkredse
Maks. driftsspænding 60 V DC
Beskyttelsesniveau: <= 0,5 kV
Nominel afledningsstrøm 12,5 kA
Kortslutningsbæreevne ved maks. overstrømsbeskyttelse
på netsiden jævnstrøm 2000 A
Energetisk koordination iht. DIN EN 62305-4
Afleder i Red/Line-serien

fabrikat: DEHN
Type: DG SE DC 60
artikelnr.: 972110
eller tilsvarende

Certificates

 

Direct Current-Disconnection

When using surge arresters in d.c. applications, disconnection must be reliably ensured even if there are no zero crossings. The specifically developed DC Disconnection (DCD) technology acts as a wedge similar to a blocking valve and interrupts the direct current. Consequently, the devices of the DEHNguard SE DC series are capable of safely interrupting direct currents, thus preventing fire damage caused by d.c. switching arcs.

Technical data

Afleder-klassifikation efter EN 61643-11 / IEC 61643-11 Type 2 / klasse II
Max. driftsspænding DC (UC ) 60 V
Mærkeafledestødstrøm (8/20 µs) (In ) 12,5 kA
Restspænding (UP ) ≤ 0,5 kV
Korslutningsbæreevne uden for-sikring DC (ISCCR ) 300 A
Kortslutningsbæreevne ved max. overstrømsbeskyttelse på netsiden DC (ISCCR ) 25 kA
Max. for-sikring 35 A gG

Product 972110 was added to Notepad.

Product 972110 was added to the cart.

Part No. 972120 DG SE DC 242

GTIN 4013364158528, Customs tariff No. (EU): 85363030, Gross weight: 170.00 g, PU: 1.00 Pakkestørrelse


Images

Additional information

Overspændingsafleder DEHNguard SE DC 242
Enpolet, modulær, stikbar overspændingsafleder
til jævnstrømsanvendelser, bredde 1,5TE
Fejlvisning
afleder type 2 iht. EN 61643-11
Højtydende Varistor-teknologi
Især til brug i DC-strømkredse
særligt egnet til brug i DC-strømkredse
Maks. driftsspænding 242 V jævnstrøm
Beskyttelsesniveau: <= 1,25 kV
Nominel afledningsstrøm 12,5 kA
Kortslutningsbæreevne ved maks. overstrømsbeskyttelse
på netsiden jævnstrøm 2000 A
Energikoordination iht.
DIN EN 62305-4
Afleder i Red/Line-serien

fabrikat: DEHN
Type: DG SE DC 242
artikelnr.: 972120
eller tilsvarende

Certificates

 

Direct Current-Disconnection

When using surge arresters in d.c. applications, disconnection must be reliably ensured even if there are no zero crossings. The specifically developed DC Disconnection (DCD) technology acts as a wedge similar to a blocking valve and interrupts the direct current. Consequently, the devices of the DEHNguard SE DC series are capable of safely interrupting direct currents, thus preventing fire damage caused by d.c. switching arcs.

Technical data

Afleder-klassifikation efter EN 61643-11 / IEC 61643-11 Type 2 / klasse II
Max. driftsspænding DC (UC ) 242 V
Mærkeafledestødstrøm (8/20 µs) (In ) 12,5 kA
Restspænding (UP ) ≤ 1,25 kV
Korslutningsbæreevne uden for-sikring DC (ISCCR ) 300 A
Kortslutningsbæreevne ved max. overstrømsbeskyttelse på netsiden DC (ISCCR ) 25 kA
Max. for-sikring 35 A gG

Product 972120 was added to Notepad.

Product 972120 was added to the cart.

Part No. 972130 DG SE DC 550

GTIN 4013364158627, Customs tariff No. (EU): 85363030, Gross weight: 184.00 g, PU: 1.00 Pakkestørrelse


Images

Additional information

Overspændingsafleder DEHNguard SE DC 550
Enpolet, modulær, stikbar overspændingsafleder
til jævnstrømsanvendelser, bredde 1,5TE
Fejlvisning
afleder type 2 iht. EN 61643-11
Højtydende Varistor-teknologi
Især til brug i DC-strømkredse
særligt egnet til brug i DC-strømkredse
Maks. driftsspænding 550 V DC
Beskyttelsesniveau: <= 2,0 kV
Nominel afledningsstrøm 12,5 kA
Kortslutningsbæreevne ved maks. overstrømsbeskyttelse
på netsiden jævnstrøm 2000 A
Energetisk koordination iht. DIN EN 62305-4
Afleder i Red/Line-serien

fabrikat: DEHN
Type: DG SE DC 550
artikelnr.: 972130
eller tilsvarende

Certificates

 

Direct Current-Disconnection

When using surge arresters in d.c. applications, disconnection must be reliably ensured even if there are no zero crossings. The specifically developed DC Disconnection (DCD) technology acts as a wedge similar to a blocking valve and interrupts the direct current. Consequently, the devices of the DEHNguard SE DC series are capable of safely interrupting direct currents, thus preventing fire damage caused by d.c. switching arcs.

Technical data

Afleder-klassifikation efter EN 61643-11 / IEC 61643-11 Type 2 / klasse II
Max. driftsspænding DC (UC ) 550 V
Mærkeafledestødstrøm (8/20 µs) (In ) 12,5 kA
Restspænding (UP ) ≤ 2,0 kV
Korslutningsbæreevne uden for-sikring DC (ISCCR ) 200 A
Kortslutningsbæreevne ved max. overstrømsbeskyttelse på netsiden DC (ISCCR ) 25 kA
Max. for-sikring 35 A gG

Product 972130 was added to Notepad.

Product 972130 was added to the cart.

Part No. 972140 DG SE DC 900

GTIN 4013364158641, Customs tariff No. (EU): 85363030, Gross weight: 190.00 g, PU: 1.00 Pakkestørrelse


Images

Additional information

Overspændingsafleder DEHNguard SE DC 900
Enpolet, modulær, stikbar overspændingsafleder
til jævnstrømsanvendelser, bredde 1,5TE
Fejlvisning
afleder type 2 iht. EN 61643-11
Højtydende Varistor-teknologi
Især til brug i DC-strømkredse
særligt egnet til brug i DC-strømkredse
Maks. driftsspænding 900 V DC
Beskyttelsesniveau: <= 3,0 kV
Nominel afledningsstrøm 12,5 kA
Kortslutningsbæreevne ved maks. overstrømsbeskyttelse
på netsiden jævnstrøm 2000 A
Energetisk koordination iht. DIN EN 62305-4
Afleder i Red/Line-serien

fabrikat: DEHN
Type: DG SE DC 900
artikelnr.: 972140
eller tilsvarende

Certificates

 

Direct Current-Disconnection

When using surge arresters in d.c. applications, disconnection must be reliably ensured even if there are no zero crossings. The specifically developed DC Disconnection (DCD) technology acts as a wedge similar to a blocking valve and interrupts the direct current. Consequently, the devices of the DEHNguard SE DC series are capable of safely interrupting direct currents, thus preventing fire damage caused by d.c. switching arcs.

Technical data

Afleder-klassifikation efter EN 61643-11 / IEC 61643-11 Type 2 / klasse II
Max. driftsspænding DC (UC ) 900 V
Mærkeafledestødstrøm (8/20 µs) (In ) 12,5 kA
Restspænding (UP ) ≤ 3,0 kV
Korslutningsbæreevne uden for-sikring DC (ISCCR ) 100 A
Kortslutningsbæreevne ved max. overstrømsbeskyttelse på netsiden DC (ISCCR ) 25 kA
Max. for-sikring 80 A gPV

Product 972140 was added to Notepad.

Product 972140 was added to the cart.


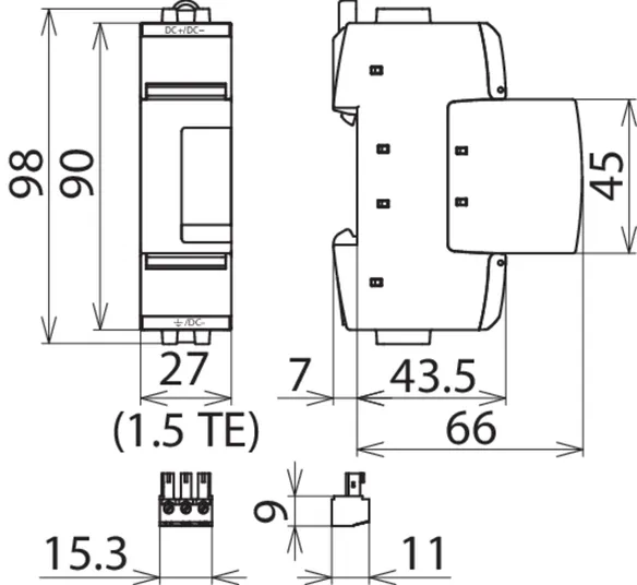
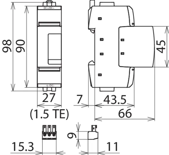
DEHNguard SE DC ... FM

Modulær, 1-polet overspændingsafleder til beskyttelse af DC-anlæg; med fjernmeldekontakt til fjernovervågning (potentialfri skiftekontakt).

4 Products

Part No. 972115 DG SE DC 60 FM

GTIN 4013364158511, Customs tariff No. (EU): 85363030, Gross weight: 164.00 g, PU: 1.00 Pakkestørrelse


Images

Additional information

Overspændingsafleder DEHNguard SE DC 60 FM
Enpolet, modulær, stikbar overspændingsafleder
til jævnstrømsanvendelser, bredde 1,5TE
Fejlvisning
afleder type 2 iht. EN 61643-11
Med fjernmeldekontakt
Højtydende Varistor-teknologi
Især til brug i DC-strømkredse
særligt egnet til brug i DC-strømkredse
Maks. driftsspænding 60 V DC
Beskyttelsesniveau: <= 0,5 kV
Nominel afledningsstrøm 12,5 kA
Kortslutningsbæreevne ved maks. overstrømsbeskyttelse
på netsiden jævnstrøm 2000 A
Energetisk koordination iht. DIN EN 62305-4
Afleder i Red/Line-serien

fabrikat: DEHN
Type: DG SE DC 60 FM
artikelnr.: 972115
eller tilsvarende

Certificates

 

Direct Current-Disconnection

When using surge arresters in d.c. applications, disconnection must be reliably ensured even if there are no zero crossings. The specifically developed DC Disconnection (DCD) technology acts as a wedge similar to a blocking valve and interrupts the direct current. Consequently, the devices of the DEHNguard SE DC series are capable of safely interrupting direct currents, thus preventing fire damage caused by d.c. switching arcs.

Technical data

Afleder-klassifikation efter EN 61643-11 / IEC 61643-11 Type 2 / klasse II
Max. driftsspænding DC (UC ) 60 V
Mærkeafledestødstrøm (8/20 µs) (In ) 12,5 kA
Restspænding (UP ) ≤ 0,5 kV
Korslutningsbæreevne uden for-sikring DC (ISCCR ) 300 A
Kortslutningsbæreevne ved max. overstrømsbeskyttelse på netsiden DC (ISCCR ) 25 kA
Max. for-sikring 35 A gG
FM-kontakt / kontaktform Skiftekontakt

Product 972115 was added to Notepad.

Product 972115 was added to the cart.

Part No. 972125 DG SE DC 242 FM

GTIN 4013364158610, Customs tariff No. (EU): 85363030, Gross weight: 174.00 g, PU: 1.00 Pakkestørrelse


Images

Additional information

Overspændingsafleder DEHNguard SE DC 242 FM
Enpolet, modulær, stikbar overspændingsafleder
til jævnstrømsanvendelser, bredde 1,5TE
Fejlvisning
afleder type 2 iht. EN 61643-11
Med fjernmeldekontakt
Højtydende Varistor-teknologi
Især til brug i DC-strømkredse
særligt egnet til brug i DC-strømkredse
Maks. driftsspænding 242 V jævnstrøm
Beskyttelsesniveau: <= 1,25 kV
Nominel afledningsstrøm 12,5 kA
Kortslutningsbæreevne ved maks. overstrømsbeskyttelse
på netsiden jævnstrøm 2000 A
Energetisk koordination iht. DIN EN 62305-4
Afleder i Red/Line-serien

fabrikat: DEHN
Type: DG SE DC 242 FM
artikelnr.: 972125
eller tilsvarende

Certificates

 

Direct Current-Disconnection

When using surge arresters in d.c. applications, disconnection must be reliably ensured even if there are no zero crossings. The specifically developed DC Disconnection (DCD) technology acts as a wedge similar to a blocking valve and interrupts the direct current. Consequently, the devices of the DEHNguard SE DC series are capable of safely interrupting direct currents, thus preventing fire damage caused by d.c. switching arcs.

Technical data

Afleder-klassifikation efter EN 61643-11 / IEC 61643-11 Type 2 / klasse II
Max. driftsspænding DC (UC ) 242 V
Mærkeafledestødstrøm (8/20 µs) (In ) 12,5 kA
Restspænding (UP ) ≤ 1,25 kV
Korslutningsbæreevne uden for-sikring DC (ISCCR ) 300 A
Kortslutningsbæreevne ved max. overstrømsbeskyttelse på netsiden DC (ISCCR ) 25 kA
Max. for-sikring 35 A gG
FM-kontakt / kontaktform Skiftekontakt

Product 972125 was added to Notepad.

Product 972125 was added to the cart.

Part No. 972135 DG SE DC 550 FM

GTIN 4013364158634, Customs tariff No. (EU): 85363030, Gross weight: 189.00 g, PU: 1.00 Pakkestørrelse


Images

Additional information

Overspændingsafleder DEHNguard SE DC 550 FM
Enpolet, modulær, stikbar overspændingsafleder
til jævnstrømsanvendelser, bredde 1,5TE
Fejlvisning
afleder type 2 iht. EN 61643-11
Med fjernmeldekontakt
Højtydende Varistor-teknologi
Især til brug i DC-strømkredse
særligt egnet til brug i DC-strømkredse
Maks. driftsspænding 550 V DC
Beskyttelsesniveau: <= 2,0 kV
Nominel afledningsstrøm 12,5 kA
Kortslutningsbæreevne ved maks. overstrømsbeskyttelse
på netsiden jævnstrøm 2000 A
Energetisk koordination iht. DIN EN 62305-4
Afleder i Red/Line-serien

fabrikat: DEHN
Type: DG SE DC 550 FM
artikelnr.: 972135
eller tilsvarende

Certificates

 

Direct Current-Disconnection

When using surge arresters in d.c. applications, disconnection must be reliably ensured even if there are no zero crossings. The specifically developed DC Disconnection (DCD) technology acts as a wedge similar to a blocking valve and interrupts the direct current. Consequently, the devices of the DEHNguard SE DC series are capable of safely interrupting direct currents, thus preventing fire damage caused by d.c. switching arcs.

Technical data

Afleder-klassifikation efter EN 61643-11 / IEC 61643-11 Type 2 / klasse II
Max. driftsspænding DC (UC ) 550 V
Mærkeafledestødstrøm (8/20 µs) (In ) 12,5 kA
Restspænding (UP ) ≤ 2,0 kV
Korslutningsbæreevne uden for-sikring DC (ISCCR ) 200 A
Kortslutningsbæreevne ved max. overstrømsbeskyttelse på netsiden DC (ISCCR ) 25 kA
Max. for-sikring 35 A gG
FM-kontakt / kontaktform Skiftekontakt

Product 972135 was added to Notepad.

Product 972135 was added to the cart.

Part No. 972145 DG SE DC 900 FM

GTIN 4013364158658, Customs tariff No. (EU): 85363030, Gross weight: 194.00 g, PU: 1.00 Pakkestørrelse


Images

Additional information

Overspændingsafleder DEHNguard SE DC 900 FM
Enpolet, modulær, stikbar overspændingsafleder
til jævnstrømsanvendelser, bredde 1,5TE
Fejlvisning
afleder type 2 iht. EN 61643-11
Med fjernmeldekontakt
Højtydende Varistor-teknologi
Især til brug i DC-strømkredse
særligt egnet til brug i DC-strømkredse
Maks. driftsspænding 900 V DC
Beskyttelsesniveau: <= 3,0 kV
Nominel afledningsstrøm 12,5 kA
Kortslutningsbæreevne ved maks. overstrømsbeskyttelse
på netsiden jævnstrøm 2000 A
Energetisk koordination iht. DIN EN 62305-4
Afleder i Red/Line-serien

fabrikat: DEHN
Type: DG SE DC 900 FM
artikelnr.: 972145
eller tilsvarende

Certificates

 

Direct Current-Disconnection

When using surge arresters in d.c. applications, disconnection must be reliably ensured even if there are no zero crossings. The specifically developed DC Disconnection (DCD) technology acts as a wedge similar to a blocking valve and interrupts the direct current. Consequently, the devices of the DEHNguard SE DC series are capable of safely interrupting direct currents, thus preventing fire damage caused by d.c. switching arcs.

Technical data

Afleder-klassifikation efter EN 61643-11 / IEC 61643-11 Type 2 / klasse II
Max. driftsspænding DC (UC ) 900 V
Mærkeafledestødstrøm (8/20 µs) (In ) 12,5 kA
Restspænding (UP ) ≤ 3,0 kV
Korslutningsbæreevne uden for-sikring DC (ISCCR ) 100 A
Kortslutningsbæreevne ved max. overstrømsbeskyttelse på netsiden DC (ISCCR ) 25 kA
Max. for-sikring 80 A gPV
FM-kontakt / kontaktform Skiftekontakt

Product 972145 was added to Notepad.

Product 972145 was added to the cart.


back to top