Kortslutter DASD 45

  • DASD: DEHN Advanced Solid-State Decoupler
  • Beskyttelse ved transiente, midlertidige og vedvarende overspændinger
  • Høj afledeevne
  • Fail-safe-funktion
  • Integreret testbøsning
  • Kan anvendes udendørs

DASD 45 LP 100 T

1 Product

Part No. 923402 DASD 45 LP 100 T

GTIN 4013364442269, Customs tariff No. (EU): 85363030, Gross weight: 3.69 kg, PU: 1.00 Pakkestørrelse


Images

Additional information

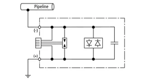
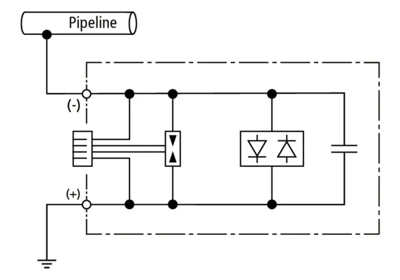
Kapacitiv kortslutter DASD
Kapacitiv kortslutter
til beskyttelse ved transiente, midlertidige og stationære overspændinger
Transient arbejdsstrøm: (10/350 us): 75 kA
Afledestrøm midlertidig (16,7 Hz, 50 Hz, 60 Hz): 3,7 kAeff (til 200 ms)
Afledestrøm stationær (16,7 Hz, 50 Hz, 60 Hz): 45 A (konstant)
Med integreret testbøsning
Kan anvendes udendørs

fabrikat: DEHN
Type: DASD 45 LP 100 T
artikelnr.: 923402
eller tilsvarende

Certificates

 

Technical data

Transient afledestrøm (10/350 µs) 75 kA
Transient afledestrøm (8/20 µs) 100 kA
Midlertidig afledestrøm (16,7 Hz, 50 Hz, 60 Hz) 5,0 kArms (op til 40 ms)
Midlertidig afledestrøm (16,7 Hz, 50 Hz, 60 Hz) 3,7 kArms (op til 200 ms)
Midlertidig afledestrøm (16,7 Hz, 50 Hz, 60 Hz) 2,0 kArms (op til 600 ms)
Vedvarende afledestrøm (16,7 Hz, 50 Hz, 60 Hz) 45 Arms
Transient begrænset spænding (op til 1 ms) ≤ 1,35 kV
Vedvarende begrænset spænding (> 600 ms) ≤ 3 V
IECEx-godkendelser IECEx TUR 22.0029X
Ex-mærkning iht. EN 60079-0 og EN 60079-7 Ex ec IIC T4 Gc

Product 923402 was added to Notepad.

Product 923402 was added to the cart.


back to top