Vandtæt væggennemføring til tykke vægge

Inden for moderne byggeteknik opføres bygninger tit med kælder konstrueret af WU-beton. Med WU-beton er der ikke behov for yderligere tætningslag, fordi gulvplade og ydervægge fremstilles som lukket konstruktion af beton med høj modstand mod gennemtrængning af vand iht. DIN EN 206-1 og DIN 1045-2. Denne beton betegnes som vandtæt beton eller WU-beton.

Betinget af, at jordelektrodens materiale placeres med et betondække på mindst 5 cm (af hensyn til korrosionsbeskyttelsen), vil der ikke være nogen fugtighed i læggeområdet, således at betonen fungerer som en isolering. Af den grund skal der ved bygninger med WU-beton placeres en jordelektrode udenfor. Ved nybyggeri anbringes denne jordelektrode som regel i underbetonlaget under fundamentpladen.
Effekten af den ændrede formel for den vandtætte beton (WU-beton) beskrives i den aktuelle DIN 18014 "Fundamentsjording - planlægning, udførelse og dokumentation":2007-09.
Den ringjordselektrode, der iht. DIN 18014 er anbragt under fundamentpladerne i form af gitre, skal føres ind i bygningen til hovedjordingsskinnen (HES) (alt: hovedpotentialudligningsskinne HPAS) i forbindelse med potentialudligningen.

Den elektriske tilslutning til ringjordselektroden skal også udføres vandtæt. Ved udviklingen af den vandtætte væggennemføring har DEHN overført de krav, der stilles til vandtæt beton, til produktet. Af den grund er der under udviklingen lagt særlig vægt på at sikre, at komponentkravene kortlægges så realistisk som muligt. Prøveemnerne (Fig. 1) indstøbes i beton og underkastes derefter en trykvandstest. Inden for dem normale byggeteknik er installationsdybder på op til 10 m almindelige (f.eks. parkeringsgarager). Disse installationsdybder er overført til prøveemnerne og er påført et vandtryk på 1 bar (Fig. 2). Efter at den anvendte beton var hærdet, blev prøveemnerne testet med vandtryk og kontrolleret ved hjælp af en langtidskontrol (65 timer).
Kapillareffekten vanskeliggør gennemføringer. Derved skal forstås, at væsker (f.eks. vand) spredes forskelligt i smalle spalter eller rør og bogstaveligt talt trækkes eller suges ind i bygningen. Disse potentielle smalle spalter eller rør kan være forårsaget af hærdningen og betonens dermed forbundne krympning.
Også under indbygningen af væggennemføringen i forskallingen er det derfor vigtigt at arbejde sagkyndigt og korrekt, som det beskrives detaljeret i den tilhørende monteringsvejledning.

– Udgave til forskallingsinstallation med vandspærre og dobbelt gevind M10/M12 f.eks. for tilslutning f.eks. til potentialudligningsskinnen
– kan justeres efter væggens tykkelse med gevind M10 og låsemøtrik
– gennemførelsen kan eventuelt også forkortes ved gevindet
– inkl. tilslutningsdel (St/tZn mål 30 x 4 mm) med firkantet hul til tilslutning med klemmestykke ved rundledere eller krydsstykke ved fladbånd

3 Products

Part No. 478530 WD M10 12 V4A DWD L200 300 STTZN

GTIN 4013364120341, Customs tariff No. (EU): 85359000, Gross weight: 697.00 g, PU: 10.00 Pakkestørrelse


Images

Additional information

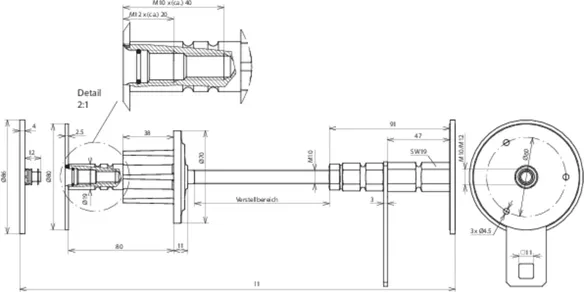
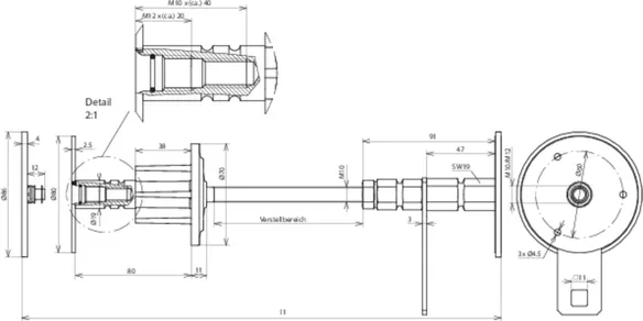
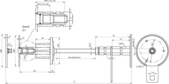
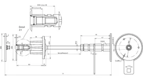
Trykvandstæt væggennemføring til WU-beton NIRO (V4A)
Vandtæt væggennemføring, til WU-beton, er egnet
til trykvandstæt gennemføring af
vægge, f.eks. til at forbinde ringjordselektroden med
potentialudligningsskinnen eller
potentialudligningslederen i fundamentet.
Materiale (plade): Rustfrit (V4A)
Materiale-nr.: 1.4571 / 1.4404 / 1.4401
Materiale (akse): St/tZn
Tykkelse : 200-300 mm
Tilslutningsgevind: M10 / 12
Standard: EN 62561-(1+5)

fabrikat: DEHN
Type: WD M10 12 V4A DWD L200 300 STTZN
artikelnr.: 478530
eller tilsvarende

Certificates

 

Technical data

Materiale (plade) Rustfrit (V4A)
Materiale-nr. 1.4571 / 1.4404 / 1.4401
Materiale (akse) St/tZn
Tykkelse (l1) 200-300 mm
Tilslutningsgevind M10 / 12
Tilslutningsplade Ø 80 mm
Standard EN 62561-(1+5)

Product 478530 was added to Notepad.

Product 478530 was added to the cart.

Part No. 478540 WD M10 12 V4A DWD L300 400 STTZN

GTIN 4013364120358, Customs tariff No. (EU): 85359000, Gross weight: 750.00 g, PU: 4.00 Pakkestørrelse


Images

Additional information

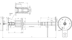
Trykvandstæt væggennemføring til WU-beton NIRO (V4A)
Vandtæt væggennemføring, til WU-beton, er
egnet til trykvandstæt gennemføring i
vægge, f.eks. til at forbinde ringjordselektroden med
potentialudligningsskinnen eller
potentialudligningslederen i fundamentet.
Materiale (plade): Rustfrit (V4A)
Materiale-nr.: 1.4571 / 1.4404 / 1.4401
Materiale (akse): St/tZn
Tykkelse : 300-400 mm
Tilslutningsgevind: M10 / 12
Standard: EN 62561-(1+5)

fabrikat: DEHN
Type: WD M10 12 V4A DWD L300 400 STTZN
artikelnr.: 478540
eller tilsvarende

Certificates

 

Technical data

Materiale (plade) Rustfrit (V4A)
Materiale-nr. 1.4571 / 1.4404 / 1.4401
Materiale (akse) St/tZn
Tykkelse (l1) 300-400 mm
Tilslutningsgevind M10 / 12
Tilslutningsplade Ø 80 mm
Standard EN 62561-(1+5)

Product 478540 was added to Notepad.

Product 478540 was added to the cart.

Part No. 478550 WD M10 12 V4A DWD L400 500 STTZN

GTIN 4013364120365, Customs tariff No. (EU): 85359000, Gross weight: 838.50 g, PU: 4.00 Pakkestørrelse


Images

Additional information

Trykvandstæt væggennemføring til WU-beton NIRO (V4A)
Vandtæt væggennemføring, til WU-beton, er
egnet til trykvandstæt gennemføring i
vægge, f.eks. til at forbinde ringjordselektroden med
potentialudligningsskinnen eller
potentialudligningslederen i fundamentet.
Materiale (plade): Rustfrit (V4A)
Materiale-nr.: 1.4571 / 1.4404 / 1.4401
Materiale (akse): St/tZn
Tykkelse : 400-500 mm
Tilslutningsgevind: M10 / 12
Standard: EN 62561-(1+5)

fabrikat: DEHN
Type: WD M10 12 V4A DWD L400 500 STTZN
artikelnr.: 478550
eller tilsvarende

Certificates

 

Technical data

Materiale (plade) Rustfrit (V4A)
Materiale-nr. 1.4571 / 1.4404 / 1.4401
Materiale (akse) St/tZn
Tykkelse (l1) 400-500 mm
Tilslutningsgevind M10 / 12
Tilslutningsplade Ø 80 mm
Standard EN 62561-(1+5)

Product 478550 was added to Notepad.

Product 478550 was added to the cart.


back to top